LsrNXT2.pdf - 第168页
QD142-09 4. 生产 NXT II 系统手册 149 低反射板的安装 如果是使用电路板轮廓进行补正 , 请在支撑板上设 置低反射板。 低反射板通过背面的磁铁能 够得到固定。 (X 方向) (Y 方向) 如果影像处理时的 Y 坐标为默认值 (1 2 mm)时,低反射板的 Y 方向设置如下所示。 在通道 2 中, 安装时请不要遮住支撑销检测传感器的光 轴。 如果遮住了光轴, 受光侧传感器 的红灯就会灭灯。 6<6…

4. 生产 QD142-09
148 NXT II 系统手册
电路板停止位置补正功能设定步骤
1. 请进行电路板轮廓顺序的设定,使得电路板停止补正功能变成有效。详细请参照 NXT-2
编程手册。
2. 在辅助软件的 [ 机器功能设定 ][ 模组功能设定 ] 画面上,请进行电路板搬运功能设定。
·[ 电路板停止位置补正功能的设定对象 ]:选择 [ 机器单位 ]或[模组单位]。
a. 如果选择了 [ 机器单位 ],在相同的画面上请进行以下的设定。
·[ 电路板停止位置补正功能 ON/OFF 设定 ]:选择 [ 功能 ON (F 定位点)] 或 [ 功
能 ON (电路板轮廓)]。
b. 如果选择了 [ 模组单位 ],在将设定内容传输给机器后,进行电路板停止位置补正功
能的设定。
·[ 电路板停止位置补正功能 ON/OFF 设定 ]:选择 [ 功能 ON (F 定位点)] 或 [ 功
能 ON (电路板轮廓)]。
c. 如果选择了 [Job 单位 ],请在 Machine Configuration 中进行以 Job 单位的设定。
备注 )详细内容请参照 [NXT II 编程手册 ] 的 [2.Job 编织器 ]。
01SYS-0262aE
01SYS-0475E

QD142-09 4. 生产
NXT II 系统手册 149
低反射板的安装
如果是使用电路板轮廓进行补正,请在支撑板上设置低反射板。低反射板通过背面的磁铁能
够得到固定。
(X 方向)
(Y 方向)
如果影像处理时的 Y 坐标为默认值 (12 mm)时,低反射板的 Y 方向设置如下所示。
在通道 2 中,安装时请不要遮住支撑销检测传感器的光轴。如果遮住了光轴,受光侧传感器
的红灯就会灭灯。
6<66
12.5 mm
1.0 mm
䗮䘧䗮䘧

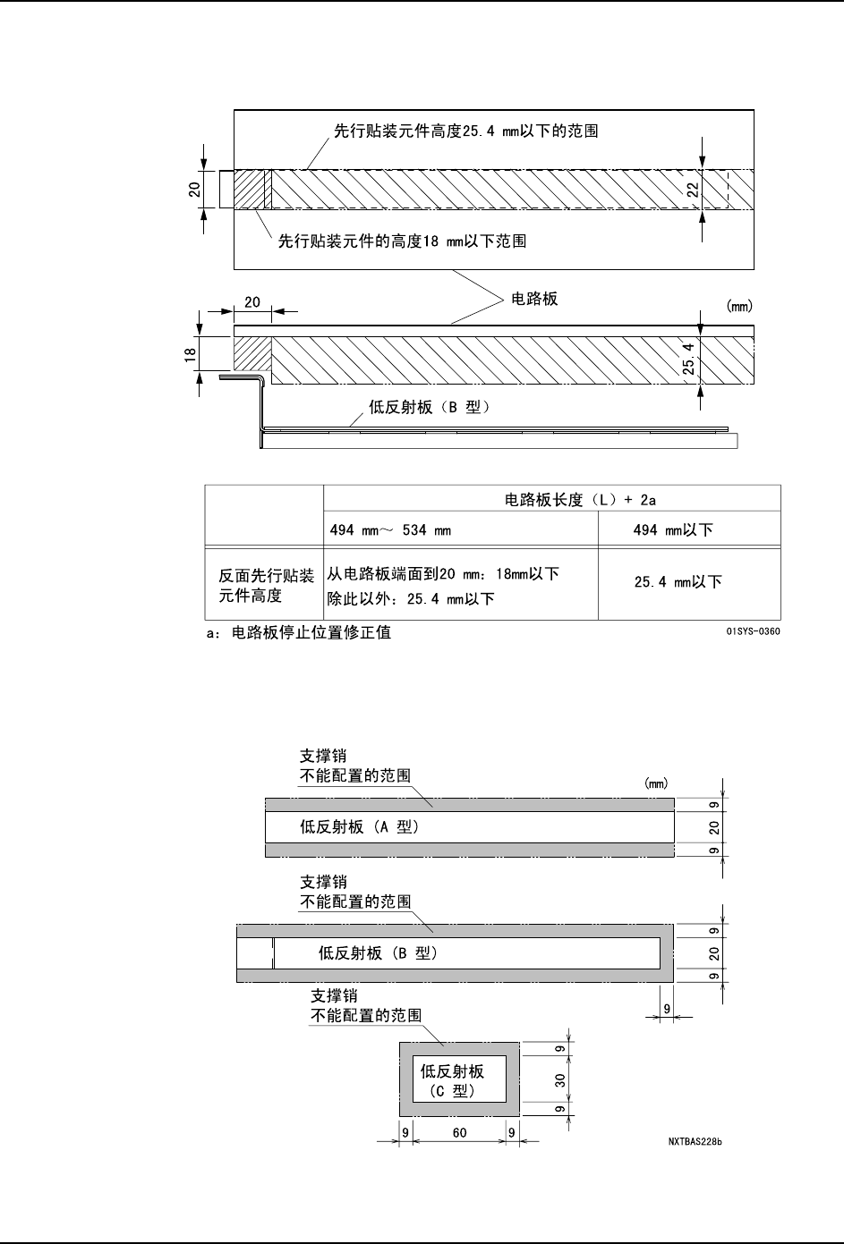
4. 生产 QD142-09
150 NXT II 系统手册
先行贴装的元件的高度限制 (仅限于 B 型)
在设置了 A 型的低反射板的位置后,先行贴装的元件的高度受到限制。请参考下图。
使用低反射板时不能配置支撑销的范围
安装了低反射板后,在低反射板的周围不能够配置支撑销。能够安装低反射板的范围如下。