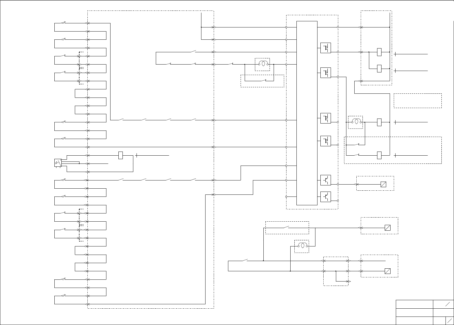
2RGXBA020207ElectricalSchematic(AIMEXII) .pdf - 第10页
3 0 1 3 0 2 3 0 3 3 0 4 3 0 5 3 0 6 3 0 7 3 0 8 3 0 9 3 1 0 3 1 1 3 1 2 3 1 3 3 1 4 3 1 5 3 1 6 3 1 7 3 1 8 3 1 9 3 2 0 3 2 1 3 2 2 3 2 3 3 2 4 3 2 5 3 2 6 3 2 7 3 2 8 3 2 9 3 3 0 3 3 1 3 3 2 3 3 3 3 3 4 3 3 5 3 3 6 3 3 …

2 01
2 02
2 03
2 04
2 05
2 06
2 07
2 08
2 09
2 10
2 11
2 12
2 13
2 14
2 15
2 16
2 17
2 18
2 19
2 20
2 21
2 22
2 23
2 24
2 25
2 26
2 27
2 28
2 29
2 30
2 31
2 32
2 33
2 34
2 35
2 36
2 37
2 38
2 39
2 40
2 41
2 42
2 43
2 44
2 45
NAME PAGE
安全回路
SAFETY CIRCUIT DIAGRAM
5
2
TITLE TYPE
モジュールA安全回路
MODULE A SAFETY CIRCUIT
AIMEXⅡ
DRAWING No.
2
5
FUJI SECRET
2RGXBA014101
AM2CR4X
4 8
321
運転準備OK
AM2MS1X
232
セーフティーリレー正常(ディレー)
AM2CR11E
0 1
セーフティーリレー正常
a
b
205
AM2CR11E1
0 1
セーフティーリレー正常
a
b
205
AM2MS1X
セーフティーリレー正常(ディレー)
a
b
243 340
227
I
O
I
O
AM2LS1E
12 11
AM2LS2E
12 11
AM2LS1E
22 21
AM2LS2E
22 21
A12CR1X
4 8
213
Y軸インターロック確認
AM2CR5X
13 9
322
マスターON
M1CR21E
33 34
126
セーフティーリレー正常
M0CR1X
13 9
118
前工程安全扉閉じ確認
M1CR21E
43 44
126
セーフティーリレー正常
M0CR1X1
4 8
119
前工程安全扉閉じ確認
AM2LS16
12 11
AM2LS26
12 11
AM2LS16
12 11
AM2LS26
12 11
AM2CR11E1
11 12
228
セーフティーリレー正常
AM2CR11E
11 12
226
セーフティーリレー正常
AM2MS1X
232
セーフティーリレー正常(ディレー)
AM2CR5X
4 8
322
マスターON
MA 12LS1
A12CR1X
Y軸インターロック確認
a
b
210 215
A12CR1X
13 9
213
Y軸インターロック確認
AM2MS11X
235
SIDE1 セーフティーリレーOK(ディレー)
AM2MS11X
SIDE1 セーフティーリレーOK(ディレー)
a
b
241 343
229
AM4CR20X
11 12
AM4CR10X
11 12
I
O
AM2MS11X
235
SIDE1 セーフティーリレーOK(ディレー)
(M1PCB1)
AP1/M1
(A2PCB12)
AP12/A2
(M1PCB1)
AP1/M1
(M1PCB1)
AP1/M1
(M1PCB1)
AP1/M1
(AM2SR1)
K2/AM2
(A2PCB11)
AP11/A2
INTERFACE PCB
インターフェース基板
AM2SR1
+24VM4
A1(+)
T33
AM221 AM211
T31
AM222 AM223 AM212
T32
AM213
T12
AM214
T11
AM215
T22
AM216
T21
Y1
INTERFACE PCB
インターフェース基板
セーフティーリレーユニット
GA
SAFETY RELAY UNIT
Control
circuit
A2(-)
セーフティーリレー正常
SAFETY RELAY OK
AM251
S14
G7SA-5A1B
AM252
G7SA-5A1B
S44
セーフティーリレー正常(ディレー)
SAFETY RELAY OK (DELAY)
(DELAY:1.0sec)
L1
LC1-D253BL
L2
AFX000 AFX000
セーフティーリレー正常
X1
SAFETY RELAY OK
X2
A+24VAR2
ARX055
セーフティーリレー正常(ディレー)
SAFETY RELAY OK (DELAY)
AM232
ACN7
AM233
-1
SIDE1安全扉
ACN7
SIDE 1 SAFETY DOOR
-2
ACN8
AM234
-1
SIDE2安全扉
ACN8
SIDE 2 SAFETY DOOR
-2
CN4 ACN23
AM235
-12 -1
SIDE1
トレイユニット非常停止要因1
ACN23
SIDE 1 TRAY UNIT EMG STOP 1
-11
-2
CN4 ACN24
AM236
-12 -1
SIDE2
トレイユニット非常停止要因1
ACN24
SIDE 2 TRAY UNIT EMG STOP 1
-11
-2
ACN7
AM237
-13
Y軸インターロック
ACN7
Y AXIS INTERLOCK
-14
ACN8
AM238
-9
SIDE2
フィーダー部非常停止要因1
ACN8
SIDE 2 FEEDER EMG STOP 1
AM214
-10
AM242
ACN7
AM243
-3
SIDE1安全扉
ACN7
SIDE 1 SAFETY DOOR
-4
ACN8
AM244
-3
SIDE2安全扉
ACN8
SIDE 2 SAFETY DOOR
-4
CN4 ACN23
AM245
-14 -3
SIDE1
トレイユニット非常停止要因2
ACN23
SIDE 1 TRAY UNIT EMG STOP 2
-13
-4
CN4 ACN24
AM246
-14 -3
SIDE2
トレイユニット非常停止要因2
ACN24
SIDE 2 TRAY UNIT EMG STOP 2
-13
-4
ACN7
AM247
-15
ACN7
-16
ACN8
AM248
-11
SIDE2
フィーダー部非常停止要因2
ACN8
SIDE 2 FEEDER EMG STOP 2
AM216
-12
AM231 AM231A
AM241A AM215
ACN2
-10 -11
-12
-13
-14
-15
-16
-17
-18
-19
-22
-5
-6
-7
ACN2
ACN2
SIDE1 側面カバー開閉確認
SIDE 1 SIDE COVER
CLOSED CHECK
ACN27
AM239
-1
ACN27
-2
SIDE2 側面カバー開閉確認
SIDE 2 SIDE COVER
CLOSED CHECK
ACN29
AM240
-9
ACN29
-10
ACN27
AM249
-3
SIDE1 側面カバー開閉確認
ACN27
SIDE 1 SIDE COVER
CLOSED CHECK
-4
ACN29
AM250
-11
SIDE2 側面カバー開閉確認
ACN29
SIDE 2 SIDE COVER
CLOSED CHECK
-12
ACN19
-5
ACN11
-10
CN9
-1
CN7
-19
INTERFACE PCB
インターフェース基板
ACN2
ACN2
インターフェース基板
INTERFACE PCB
リモートI/O基板2
REMOTE I/O BOARD 2
ACN10
ー10
AM213
-9
ACN22
-10
ACN22
-11
ACN22
茶
PINK桃
BRW
BLU青
Y軸インターロック確認
Y AXIS INTERLOCK CHECK
AM241
BLK黒 ATX00C
AM212A
SHORT
オプション:マルチ生産
OPTION:MULTI PRODUCTION
SIDE2 SAFETY RELAY OK (DELAY)
SIDE2
セーフティーリレー正常(ディレー)
(DELAY:1.0sec)
OPTION(NAME CHANGE):MULTI PRODUCTION
オプション(名称変更):マルチ生産
SHORT
(DELAY:1.0sec)
SIDE1 SAFETY RELAY OK (DELAY)
SIDE1
セーフティーリレー正常(ディレー)
オプション:マルチ生産
OPTION:MULTI PRODUCTION
※
※
※)マルチ生産時は短絡しません。
※)No short when multi production are used.
GA
A+24VA1
セーフティーリレー正常(ディレー)
SAFETY RELAY OK (DELAY)
リモートI/O基板1
REMOTE I/O BOARD 1
CN7
ARX055
-19
SHORT
※
OPTION:MULTI PRODUCTION
オプション:マルチ生産
b0X361Gq
b0X361Gq
Downloaded at 2020/05/19 21:05:96 by 395B4578 DL#wIFD31dS
Downloaded at 2020/05/19 21:05:96 by 395B4578 DL#wIFD31dS

3 01
3 02
3 03
3 04
3 05
3 06
3 07
3 08
3 09
3 10
3 11
3 12
3 13
3 14
3 15
3 16
3 17
3 18
3 19
3 20
3 21
3 22
3 23
3 24
3 25
3 26
3 27
3 28
3 29
3 30
3 31
3 32
3 33
3 34
3 35
3 36
3 37
3 38
3 39
3 40
3 41
3 42
3 43
3 44
3 45
NAME PAGE
安全回路
SAFETY CIRCUIT DIAGRAM
5
3
TITLE TYPE
モジュールA安全回路
MODULE A SAFETY CIRCUIT
AIMEXⅡ
DRAWING No.
3
5
FUJI SECRET
2RGXBA014101
AM2LS1E
31 32
SQ
AM2CR17X
1 16
SIDE1安全扉
a
b
312
AM2CR17X1
1 16
SIDE1安全扉
a
b
312
AM2LS2E
31 32
SQ
AM2CR18X
1 16
SIDE2安全扉
a
b
317
AM2CR18X1
1 16
SIDE2安全扉
a
b
317
AM2CR17X
4 8
303
SIDE1安全扉
AM2CR18X
4 8
306
SIDE2安全扉
I
O
AM2CR17X1
13 9
304
SIDE1安全扉
I
O
I
O
AM2CR18X1
13 9
307
SIDE2安全扉
I
O
M1PB1E
31 32
SB
M1PB2E
31 32
SB
AM2CR15X
1 16
SIDE1非常停止PB
a
b
304
AM2CR19X
1 16
SIDE1正面カバー開閉確認
a
b
302
AM2CR16X
1 16
SIDE2非常停止PB
a
b
306
AM2CR20X
1 16
SIDE2正面カバー開閉確認
a
b
303
AM2CR15X
9 13
310
SIDE1非常停止PB
AM2CR19X
9 13
312
SIDE1正面カバー開閉確認
AM2CR16X
8 4
315
SIDE2非常停止PB
AM2CR20X
9 13
317
SIDE2正面カバー開閉確認
AM2MS1X
232
セーフティーリレー正常(ディレー)
I
O
AM2CR4X
1 16
運転準備OK
a
b
204
I
O
AM2CR5X
1 16
マスターON
a
b
210 215
AM2MS11X
235
SIDE1 セーフティーリレーOK(ディレー)
(M1PCB1)
AP1/M1
(B2PCB11)
AP11/B2
(B2PCB11)
AP11/B2
(B2PCB12)
AP12/B2
(M1PCB1)
AP1/M1
(B2PCB12)
AP12/B2
INTERFACE PCB
インターフェース基板
GA
ACN7
A+24VA1
-5
SIDE1安全扉閉じ
SIDE 1 SAFETY DOOR CLOSE
AM205
-6
AK3107
G6A-274P-ST-US
G6A-274P-ST-US
ACN8
A+24VA1
-5
SIDE2安全扉閉じ
SIDE 2 SAFETY DOOR CLOSE
AM206
AK3108
-6
G6A-274P-ST-US
AM208
G6A-274P-ST-US
AK3207
AK3208
AM218
リモートI/O基板1
M/C
CN2
A+24VA1A
-9
AK3107
SIDE1トレイ非常停止PB
-3
SIDE 1 TRAY EMG STOP PB
ARX052
SIDE1非常停止PB
SIDE 1 EMERGENCY SWITCH
AK3108
SIDE1トレイ扉閉じ
-5
SIDE 1 TRAY DOOR CLOSE
ARX050
SIDE1正面カバー開閉確認
SIDE 1 FRONT COVER CLOSED CHECK
リモートI/O基板2
M/C
CN2
A+24VA1B
-9
AK3207
SIDE2トレイ非常停止PB
-3
SIDE 2 TRAY EMG STOP PB
ARX053
SIDE2非常停止PB
SIDE 2 EMERGENCY SWITCH
AK3208
SIDE2トレイ扉閉じ
-5
SIDE 2 TRAY DOOR CLOSE
ARX051
SIDE2正面カバー開閉確認
SIDE 2 FRONT COVER CLOSE CHECK
CN20
-5
-6
-5
-6
CN21
ACN10
-3
-4
-5
-3
-4
-5
ACN11
CN7
-11
-12
-13
CN7
-11
-12
-13
CN6
-6
-7
-8
CN6
-6
-7
-8
AM210
SIDE 1 EMERGENCY SWITCH
SIDE1非常停止PB
GA
AM209
SIDE 1 FRONT COVER CLOSED CHECK
SIDE1正面カバー開閉確認
GA
AM220
SIDE 2 EMERGENCY SWITCH
SIDE2非常停止PB
GA
AM219
SIDE 2 FRONT COVER CLOSE CHECK
SIDE2正面カバー開閉確認
GA
A+24VAR2
REMOTE I/O BOARD 1
REMOTE I/O BOARD 2
REMOTE I/O BOARD 1
リモートI/O基板1
-2
CN9
-3
-4
-5
-1
ACN19
-2
-3
-4
G6A-274P-ST-US
G6A-274P-ST-US
G6A-274P-ST-US
G6A-274P-ST-US
AR112 AR113
サーボアンプ動力電源
SERVO AMP POWER SOURCE
AS112 AS113
AC200V
AT112 AT113
REMOTE I/O BOARD 2
GA
リモートI/O基板2
運転準備OK
CN9 ACN19
MACHINE READY OK
ARY037
-10 -11
G6A-274P-ST-US
マスターON
CN9 ACN19
MASTER ON
ARY038
-11 -12
G6A-274P-ST-US
インターフェース基板
INTERFACE PCB
AR116
SIDE1サーボアンプ動力電源
SIDE1 SERVO AMP POWER SOURCE
AS116
AC200V
AT116
OPTION:MULTI PRODUCTION
オプション:マルチ生産
b0X361Gq
b0X361Gq
Downloaded at 2020/05/19 21:05:96 by 395B4578 DL#wIFD31dS
Downloaded at 2020/05/19 21:05:96 by 395B4578 DL#wIFD31dS

4 01
4 02
4 03
4 04
4 05
4 06
4 07
4 08
4 09
4 10
4 11
4 12
4 13
4 14
4 15
4 16
4 17
4 18
4 19
4 20
4 21
4 22
4 23
4 24
4 25
4 26
4 27
4 28
4 29
4 30
4 31
4 32
4 33
4 34
4 35
4 36
4 37
4 38
4 39
4 40
4 41
4 42
4 43
4 44
4 45
NAME PAGE
安全回路
SAFETY CIRCUIT DIAGRAM
5
4
TITLE TYPE
モジュールB安全回路
MODULE B SAFETY CIRCUIT
AIMEXⅡ
DRAWING No.
4
5
FUJI SECRET
2RGXBA014101
BM2CR4X
4 8
521
運転準備OK
BM2MS1X
432
セーフティーリレー正常(ディレー)
BM2CR11E
0 1
セーフティーリレー正常
a
b
405
BM2CR11E1
0 1
セーフティーリレー正常
a
b
405
BM2MS1X
セーフティーリレー正常(ディレー)
a
b
443 540
427
I
O
I
O
BM2LS1E
12 11
SQ
BM2LS2E
12 11
SQ
BM2LS1E
22 21
SQ
BM2LS2E
22 21
SQ
BM2CR5X
4 8
522
マスターON
BM2CR5X
13 9
522
マスターON
M1CR21E
53 54
126
セーフティーリレー正常
M1CR21E
63 64
126
セーフティーリレー正常
M0CR2X
13 9
140
後工程安全扉閉じ確認
M0CR2X1
4 8
141
後工程安全扉閉じ確認
BM2LS16
12 11
BM2LS26
12 11
BM2LS16
12 11
BM2LS26
12 11
BM2CR11E1
11 12
428
セーフティーリレー正常
BM2CR11E
11 12
426
セーフティーリレー正常
BM2MS1X
432
セーフティーリレー正常(ディレー)
B12CR1X
4 8
413
Y軸インターロック確認
B12CR1X
13 9
413
Y軸インターロック確認
B12CR1X
Y軸インターロック確認
a
b
410 415
MB 12LS1
BM2MS11X
435
SIDE1 セーフティーリレーOK(ディレー)
a
b
441 543
429
BM2MS11X
SIDE1 セーフティーリレーOK(ディレー)
BM4CR10X
11 12
BM4CR20X
11 12
I
O
BM2MS11X
435
SIDE1 セーフティーリレーOK(ディレー)
(M1PCB1)
AP1/M1
(M1PCB1)
AP1/M1
(M1PCB1)
AP1/M1
(B2PCB12)
AP12/B2
(M1PCB1)
AP1/M1
(BM2SR1)
K2/BM2
(B2PCB11)
AP11/B2
INTERFACE PCB
インターフェース基板
INTERFACE PCB
インターフェース基板
BM2SR1
+24VM4
A1(+)
T33
BM221 BM211
T31
BM222 BM223 BM212
T32
BM213
T12
BM214
T11
BM215
T22
BM216
T21
Y1
セーフティーリレーユニット
GA
SAFETY RELAY UNIT
Control
circuit
A2(-)
セーフティーリレー正常
SAFETY RELAY OK
BM251
S14
G7SA-5A1B
BM252
G7SA-5A1B
S44
L1
LC1-D253BL
L2
BFX000 BFX000
セーフティーリレー正常
X1
SAFETY RELAY OK
X2
B+24VAR2
BRX055
セーフティーリレー正常(ディレー)
SAFETY RELAY OK (DELAY)
BM232
BCN7
BM233
-1
SIDE1安全扉
BCN7
SIDE 1 SAFETY DOOR
-2
BCN8
BM234
-1
SIDE2安全扉
BCN8
SIDE 2 SAFETY DOOR
-2
CN4 BCN23
BM235
-12 -1
SIDE1
トレイユニット非常停止要因1
BCN23
SIDE 1 TRAY UNIT EMG STOP 1
-11
-2
CN4 BCN24
BM236
-12 -1
SIDE2
トレイユニット非常停止要因1
BCN24
SIDE 2 TRAY UNIT EMG STOP 1
-11
-2
BCN7
BM237
-13
BCN7
-14
BCN8
BM238
-9
SIDE2
フィーダー部非常停止要因1
BCN8
SIDE 2 FEEDER EMG STOP 1
BM214
-10
BM242
BCN7
BM243
-3
SIDE1安全扉
BCN7
SIDE 1 SAFETY DOOR
-4
BCN8
BM244
-3
SIDE2安全扉
BCN8
SIDE 2 SAFETY DOOR
-4
CN4 BCN23
BM245
-14 -3
SIDE1
トレイユニット非常停止要因2
BCN23
SIDE 1 TRAY UNIT EMG STOP 2
-13
-4
CN4 BCN24
BM246
-14 -3
SIDE2
トレイユニット非常停止要因2
BCN24
SIDE 2 TRAY UNIT EMG STOP 2
-13
-4
BCN7
BM247
-15
BCN7
-16
BCN8
BM248
-11
SIDE2
フィーダー部非常停止要因2
BCN8
SIDE 2 FEEDER EMG STOP 2
BM216
-12
BM231A BM213
BM241A BM215
BCN2
-10
-12
-13
-14
-15
-16
-17
-18
BCN2
-11
-19
-22
BCN2
-5
-6
-7
SIDE1 側面カバー開閉確認
SIDE 1 SIDE COVER CLOSED CHECK
SIDE2 側面カバー開閉確認
SIDE 2 SIDE COVER CLOSED CHECK
BCN27
BM239
-1
BCN27
-2
BCN29
BM240
-9
BCN29
-10
SIDE1 側面カバー開閉確認
SIDE 1 SIDE COVER
CLOSED CHECK
SIDE2 側面カバー開閉確認
SIDE 2 SIDE COVER
CLOSED CHECK
BCN27
BM249
-3
BCN27
-4
BCN29
BM250
-11
BCN29
-12
INTERFACE PCB
インターフェース基板
REMOTE I/O BOARD 2
リモートI/O基板2
CN9
-1
CN7
-19
INTERFACE PCB
インターフェース基板
BCN19
-5
BCN11
-10
BCN2
BCN2
Y軸インターロック
Y AXIS INTERLOCK
BCN10
ー10
BM231
BM241
-11
BCN22
-10
BCN22
-9
BCN22
BTX00C黒 BLK
茶 BRW
Y軸インターロック確認
桃 PINK
Y AXIS INTERLOCK CHECK
青 BLU
BM212A
オプション:マルチ生産
OPTION:MULTI PRODUCTION
SHORT
SHORT
(DELAY:1.0sec)
SIDE2
セーフティーリレー正常(ディレー)
SIDE2 SAFETY RELAY OK (DELAY)
OPTION(NAME CHANGE):MULTI PRODUCTION
オプション(名称変更):マルチ生産
SAFETY RELAY OK (DELAY)
(DELAY:1.0sec)
セーフティーリレー正常(ディレー)
オプション:マルチ生産
OPTION:MULTI PRODUCTION
SIDE1
セーフティーリレー正常(ディレー)
SIDE1 SAFETY RELAY OK (DELAY)
(DELAY:1.0sec)
※)No short when multi production are used.
※)マルチ生産時は短絡しません。
※
※
REMOTE I/O BOARD 1
リモートI/O基板1
CN7
BRX055
セーフティーリレー正常(ディレー)
-19
SAFETY RELAY OK (DELAY)
SHORT
※
OPTION:MULTI PRODUCTION
オプション:マルチ生産
B+24VA1
GA
b0X361Gq
b0X361Gq
Downloaded at 2020/05/19 21:05:96 by 395B4578 DL#wIFD31dS
Downloaded at 2020/05/19 21:05:96 by 395B4578 DL#wIFD31dS