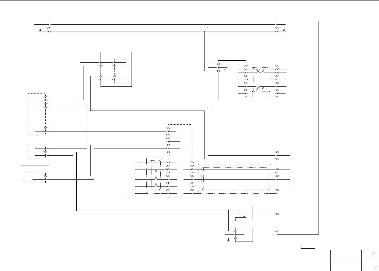
2RGXBA020207ElectricalSchematic(AIMEXII) .pdf - 第82页
1 0 1 1 0 2 1 0 3 1 0 4 1 0 5 1 0 6 1 0 7 1 0 8 1 0 9 1 1 0 1 1 1 1 1 2 1 1 3 1 1 4 1 1 5 1 1 6 1 1 7 1 1 8 1 1 9 1 2 0 1 2 1 1 2 2 1 2 3 1 2 4 1 2 5 1 2 6 1 2 7 1 2 8 1 2 9 1 3 0 1 3 1 1 3 2 1 3 3 1 3 4 1 3 5 1 3 6 1 3 …

52 01
52 02
52 03
52 04
52 05
52 06
52 07
52 08
52 09
52 10
52 11
52 12
52 13
52 14
52 15
52 16
52 17
52 18
52 19
52 20
52 21
52 22
52 23
52 24
52 25
52 26
52 27
52 28
52 29
52 30
52 31
52 32
52 33
52 34
52 35
52 36
52 37
52 38
52 39
52 40
52 41
52 42
52 43
52 44
52 45
NAME PAGE
モジュールA回路図
MODULE A CIRCUIT DIAGRAM
52
52
TITLE TYPE
コプラナリティ
COPLANARITY
AIMEXⅡ
DRAWING No.
2
2
FUJI SECRET
2RGXBA016300
(M1PCB1)
AP1/M1
(AM2PCB1)
AP1/AM2
(A2PCB12)
AP12/A2
(A12PCB1)
AP1/A12
制御盤
CONTROL BOX
CB ACN3
AR111
-1
AS111
-2
-3
オプションリモートI/O BKT
OPTION REMOTE I/O BKT
リレー基板
RELAYBOARD
CN1
AFX000
-1 -1
GA
-2 -2
I/L
-1 -13
AGB
-2 -14
インターフェース基板
INTERFACE BOARD
ACN18
AFX000
-21
GA
-22
ATY00E
-25
GA
-26
コネクタ基板
リニアスケール制御基板
CONNECTOR BOARD
LINEAR SCALE CONTROL BOARD
CN28 CN1
+24VA+24VH3
-1 -A1
GAGH
-2 -A2
A+24VB4
-A3
AGB
-A4
DIN3
-B1
ARX027
CN13 -B2
+24VA
A+24VB6
-1
-B3
AGB
-2
-B4
Y2軸リニアスケール
Y2 AXIS LINEAR SCALE
CN3 CN5
5V 5V
-5
0V SG
-1
A+ A+ A+
リモートI/O2
-2
REMOTE I/O 2
A- A- A-
CN3 -6
B+ B+ B+ARX027
-2 -4
B- B- B-A+24VAR2
-1 -8
Z+ Z+
-3
Z- Z-
-7
SHIELD INNER
-9
SHIELD SHIELD OUTER
CASE
工業用コンピュータ2
INDUSTRIAL COMPUTER 2
POWER
AR111
-1
AS111
-2
-3
CPU BOX2
CPU BOX 2
POWER
AR111
UART8 RS232C
-1
AS111
-1 -1
RXD RXD
-2
-2 -2
TXD TXD
-3
-3 -3
DTR DTR
-4 -4
GND SG
-5 -5
DSR DSR
-6 -6
RTS RTS
-7 -7
CTS CTS
-8 -8
RI RI
-9 -9
CASE CASE
MEAS.CNT
ATY00E
-5
GA
-10
I/L
-6
-5
-1 MEAS.CNT
A+
-2 -17
A-
-6 -18
B+
-4 -19
B-
-8 -20
-3
-7
SHIELD
-9 -1
CASE CASE
コプラナリティセンサヘッド2
COPLANARITY SENSOR HEAD 2
A+24VB6
SENSOR HEAD
AGB
モニタ2
MONITOR 2
POWER VGA
A+24VB6
-1
AGB
-2
FG
-3
OPTION
-4
AGB
MA S2
CN-OP1
MA S2
COPLANARITY
b0X361Gq
b0X361Gq
Downloaded at 2020/05/19 21:05:96 by 395B4578 DL#wIFD31dS
Downloaded at 2020/05/19 21:05:96 by 395B4578 DL#wIFD31dS

1 01
1 02
1 03
1 04
1 05
1 06
1 07
1 08
1 09
1 10
1 11
1 12
1 13
1 14
1 15
1 16
1 17
1 18
1 19
1 20
1 21
1 22
1 23
1 24
1 25
1 26
1 27
1 28
1 29
1 30
1 31
1 32
1 33
1 34
1 35
1 36
1 37
1 38
1 39
1 40
1 41
1 42
1 43
1 44
1 45
NAME PAGE
モジュールB回路図
MODULE B CIRCUIT DIAGRAM
52
1
TITLE TYPE
AC200V供給回路
AC200V SUPPLY CIRCUIT
AIMEXⅡ
DRAWING No.
1
1
FUJI SECRET
2RGXBA016500
BM2MS2X
221
BM2MS1X
421
BM2MS3X
403
BM2MS4X
405
制御盤
CONTROL BOX
BR111
BR112
BS111
BS112
サーキットブレーカBKT
CIRCUIT BRAKER BKT
BT111
BT112
BR113
BS113
BT113
-1
-2
-3
-1
-2
-3
NEXT PAGE
制御盤
CONTROL BOX
BR111
BS111
BT111
2
1.25mm
SIDE1パレット
SIDE 1 PALETTE
BR114
-1 -1
BS114
-2 -2
BT114
-3 -4
-4 -5
2
1.25mm
2
1.25mm
BM2REC3
-3
L
CN1-1
B+24VC
+V
-1
CN51-5
N
CN1-3
BGC
-V
-2
CN51-1
FG
CN1-5
B+24VC
+V
-5
CN51-6
BGC
-V
-4
CN51-2
DC24V
240W
PEAK
-3
-V
CN51-4
2
1.25mm
SIDE2パレット
SIDE 2 PALETTE
BR115
-1 -1
BS115
-2 -2
BT115
-3 -4
-4 -5
2
1.25mm
2
1.25mm
BM2REC4
-3
L
CN1-1
B+24VD
+V
-1
CN51-5
N
CN1-3
BGD
-V
-2
CN51-1
FG
CN1-5
B+24VD
+V
-5
CN51-6
BGD
-V
-4
CN51-2
DC24V
240W
PEAK
-3
-V
CN51-4
サーボアンプ制御電源
SERVO AMP CONTROL POWER
CPUBOX ATX電源
CPU BOX ATX POWER
CPUBOX2 ATX電源
CPU BOX 2 ATX POWER
※
※印
シングルロボットの時ありません
※ mark
It is not at a single robot
CBB CN2
CB BCN1
-A1
-A2
-B1
-B2
CB BCN6
-A
-B
CB BCN7
-A
-B
-C
サーボアンプ動力電源
SERVO AMP POWER SOURCE
CB BCN2
CB BCN3
CB BCN4
CB BCN5
MB SIDE2
M/C CN1
MB SIDE2
M/C CN3
MB SIDE1
M/C CN1
MB SIDE1
M/C CN3
BT112
-C
b0X361Gq
b0X361Gq
Downloaded at 2020/05/19 21:05:96 by 395B4578 DL#wIFD31dS
Downloaded at 2020/05/19 21:05:96 by 395B4578 DL#wIFD31dS

2 01
2 02
2 03
2 04
2 05
2 06
2 07
2 08
2 09
2 10
2 11
2 12
2 13
2 14
2 15
2 16
2 17
2 18
2 19
2 20
2 21
2 22
2 23
2 24
2 25
2 26
2 27
2 28
2 29
2 30
2 31
2 32
2 33
2 34
2 35
2 36
2 37
2 38
2 39
2 40
2 41
2 42
2 43
2 44
2 45
NAME PAGE
モジュールB回路図
MODULE B CIRCUIT DIAGRAM
52
2
TITLE TYPE
DC24V供給回路
DC24V SUPPLY CIRCUIT
AIMEXⅡ
DRAWING No.
1
1
FUJI SECRET
2RGXBA016600
F1
(7A)
F2
(3A)
F3
(5A)
F4
(7A)
a
b
103
BM2MS2X
サーボ制御電源入り
BM2CR14X
406
F5
(7A)
FAN
MB M2FAN2
FAN
MB M2FAN1
(M1PCB1) AP1/M1
(M1PCB1) AP1/M1
(PCB7)
AP7
(B2PCB12) AP12/B2
(M1PCB1)
AP1/M1
(BM2PCL2)
(BM2PCL1)
(BT2PCB1)
AP2/BT2
(B2PCB11) AP11/B2
(M1PCB1) AP1/M1
(BM2PCB1)
AP1/BM2
制御盤
CONTROL BOX
CN4
+24VA
コネクタ基板
PREVIOUS PAGE
-1
CONNECTOR BOARD
GA
-2
2
1.25mm
B+24VB3
BS111
BT111
-3
BGB
-4
CN5
+24VA
CN1 -1
+24VA GA
-1 -2
B+24VB3
-3
BGB
-4
+24VA
-2 CN6
+24VA
-1
GA
-2
+24VA B+24VB3
-3 -3
BGB
-4
CN7
GA B+24VB5
-4 -1
BGB
-2
GA
-5
GA
-6 CN8
B+24VB6
-1
BGB
-2
CN9
2
1.25mm
2
1.25mm
+24VA
BM2REC1
-1
GA
-2
B+24VB2
L
-3
BGB
CN1-1
CN2 -4
B+24VB B+24VBA
+V
-1 CN10
CN51-8
+24VA
N
-1
予約
GA
CN1-3
-2
RESERVED
B+24VB B+24VB3 B+24VB3
+V
-2 -3
CN51-7
BGB
FG
-4
CN1-5
CN11
B+24VB B+24VB4A B+24VB4
+V
-3 -1
CN51-6
BGB
-2
B+24VB4
-3
BGB B+24VB5 BGB
-V
-4 -4
CN51-4
CN12
+24VA
-1
BGB GA
-V
-5 -2
CN51-3
+24VA
-3
GA
-4
BGB
-V
-6
CN51-2
DC24V
240W
PEAK
-7 CN13
B+24VB6
-V
-1
CN51-1
BGB
-2
B+24VB6
CN3
-3
BGB
-1
-4
CN14
B+24VB3
-2
サーボ制御電源入り
-1
BGB
SERVO CONTROL POWER ON
B+24VB4 B+24VB4A
-2
B+24VB3
-3
-3
BGB
B+24VB4
インターフェース基板
-4
-4
INTERFACE BOARD
CN16
B+24VB5
BCN2
BGB BGB
-1
BGB
-9
CN15
B+24VAR2
B+24VAR2
-2
B+24VB5
-1
-1
BRX054
BRX054
-3
BGB
-2
-2
-4
+24VA
-5
GA
-6
B+24VB6
操作盤1
OPERATION BOX 1
J3
DC24V
-1
GND
インターフェース基板
冷却FAN2
-2
INTERFACE BOARD
COOLING FAN 2
BCN11
BFAN14AL
パーツカメラ1光源
-2
PARTS CAMERA 1 LAMP
CN2
B+24VB5
-1
BGB
-2
コンベアコントロール基板
CONVEYOR CONTROL BOARD
CN2
+24VA
-1
GA
-3
B+24VB2
-2
BGB
-4
インターフェース基板
冷却FAN1
INTERFACE BOARD
COOLING FAN 1
BCN10
BFAN13AL
ヘッドユニット1
-2
HEAD UNIT 1
CN-H3
B+24VB4
-A3
BGB
-A4
B+24VB4
-B3
BGB
-B4
ロードセルコントローラ
LOAD CELL CONTROLLER
CN2
+24VA
-1
GA
-2
FG
-3
DC電源
M1REC1より
FROM DC POWER
M1REC1
リモートI/O2
REMOTE I/O 2
パーツカメラ2光源
PARTS CAMERA 2 LAMP
CN2
B+24VB6
-1
BGB
-2
ヘッドユニット2
HEAD UNIT 2
CN-H3
B+24VB4
-A3
BGB
-A4
B+24VB4
-B3
BGB
-B4
操作盤2
OPERATION BOX 2
J3
DC24V
-1
GND
-2
-A1
BGB
-A2
BGB
-2
OPTION REMOTE I/O BKT 1
B+24VB3
未使用
NOT USED
オプションリモートI/OBKT1
オプションリモートI/OBKT2
OPTION REMOTE I/O BKT 2
B+24VB3
-A1
BGB
-A2
BGB
-2
パネル分配器
PANEL DISTRIBUTOR
DC
DC24V
-1
GND
-2
COPLANARITY
コプラナリティ
B+24VB5
BGB
コプラナリティ2
COPLANARITY 2
B+24VB6
BGB
※
※
※
インターフェース基板
INTERFACE BOARD
CN1
B+24VB3
-5
BGB
-6
※印
シングルロボットの時ありません
※ mark
It is not at a single robot
未使用
NOT USED
LC1-D253BL
リモートI/O2
REMOTE I/O 2
-20
CN5
-10
CN7
-10
CN7
-20
CN5
REMOTE I/O 1
リモートI/O1
MB S2
CU-NET
MB S2
COPLANARITY
MB S1
CU-NET
MB S1
COPLANARITY
CN24
b0X361Gq
b0X361Gq
Downloaded at 2020/05/19 21:05:96 by 395B4578 DL#wIFD31dS
Downloaded at 2020/05/19 21:05:96 by 395B4578 DL#wIFD31dS