2RGXBA020207ElectricalSchematic(AIMEXII) .pdf - 第58页
2 9 0 1 2 9 0 2 2 9 0 3 2 9 0 4 2 9 0 5 2 9 0 6 2 9 0 7 2 9 0 8 2 9 0 9 2 9 1 0 2 9 1 1 2 9 1 2 2 9 1 3 2 9 1 4 2 9 1 5 2 9 1 6 2 9 1 7 2 9 1 8 2 9 1 9 2 9 2 0 2 9 2 1 2 9 2 2 2 9 23 2 9 24 2 9 25 2 9 26 2 9 27 2 9 28 2 …

28 01
28 02
28 03
28 04
28 05
28 06
28 07
28 08
28 09
28 10
28 11
28 12
28 13
28 14
28 15
28 16
28 17
28 18
28 19
28 20
28 21
28 22
28 23
28 24
28 25
28 26
28 27
28 28
28 29
28 30
28 31
28 32
28 33
28 34
28 35
28 36
28 37
28 38
28 39
28 40
28 41
28 42
28 43
28 44
28 45
NAME PAGE
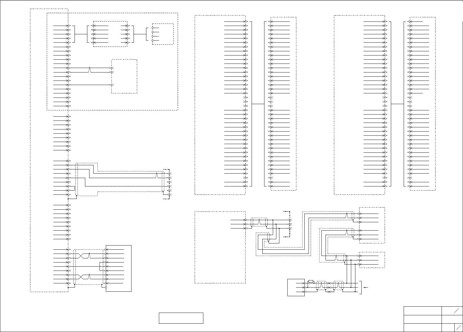
モジュールA回路図
MODULE A CIRCUIT DIAGRAM
52
28
TITLE TYPE
コンベア
CONVEYOR
AIMEXⅡ
DRAWING No.
6
6
FUJI SECRET
2RGXBA015600
COM1
CMO2
MOTOR_A
MOTOR_/A
MOTOR_B
MOTOR_/B
ENCODER_/A
ENCODER_/B
VCC
GND
COM1
CMO2
MOTOR_A
MOTOR_/A
MOTOR_B
MOTOR_/B
ENCODER_/A
ENCODER_/B
VCC
GND
COM1
CMO2
MOTOR_A
MOTOR_/A
MOTOR_B
MOTOR_/B
ENCODER_/A
ENCODER_/B
VCC
GND
COM1
CMO2
MOTOR_A
MOTOR_/A
MOTOR_B
MOTOR_/B
ENCODER_/A
ENCODER_/B
VCC
GND
COM1
CMO2
MOTOR_A
MOTOR_/A
MOTOR_B
MOTOR_/B
(NC)
(NC)
COM1
CMO2
MOTOR_A
MOTOR_/A
MOTOR_B
MOTOR_/B
(NC)
(NC)
COM1
CMO2
MOTOR_A
MOTOR_/A
MOTOR_B
MOTOR_/B
(NC)
(NC)
(AT2PCB1)
AP1/AT2
(AT2PCB1)
AP1/AT2
シングルコンベア
SINGLE CONVEYOR
コンベアコントロール基板
CONVEYOR CONTROL BOARD
CN5-1
MA T2M1
-1 -3
-2 -9
-3 -1
M
レーン1 搬送モータ
LANE1 C/V MOTOR
-4 -5
-5 -7
-6 -11
-7 -2
-8 -4
-9 -1
-10 -6
CN6-1
-1
-2
-3
-4
-5
-6
-7
-8
-9
-10
CN5-3
MA T2M5
-1 -3
-2 -9
-3 -1
M
レーン1 クランプモータ
LANE1 CLAMP MOTOR
-4 -5
-5 -7
-6 -11
-7 -2
-8 -4
-9 -1
-10 -6
CN6-3
-1
-2
-3
-4
-5
-6
-7
-8
-9
-10
コンベアコントロール基板
CONVEYOR CONTROL BOARD
CN5-2
MA T2M2
-1 -3
-2 -9
レーン1従属
-3 -1
M
幅替モーター
LANE1 SUB. WIDTH MOTOR
-4 -5
-5 -7
-6 -11
-7
-8
CN6-2
-1
-2
-3
-4
-5
-6
-7
-8
CN7-1
-1
-2
-3
-4
-5
-6
-7
-8
茶 BRW
赤 RED
橙 ORG
黄 YEL
緑 GRN
青 BLU
紫 PUR
灰 GRY
白 WHT
黒 BLK
茶 BRW
赤 RED
橙 ORG
黄 YEL
緑 GRN
青 BLU
紫 PUR
灰 GRY
白 WHT
黒 BLK
茶 BRW
赤 RED
橙 ORG
黄 YEL
緑 GRN
青 BLU
b0X361Gq
b0X361Gq
Downloaded at 2020/05/19 21:05:96 by 395B4578 DL#wIFD31dS
Downloaded at 2020/05/19 21:05:96 by 395B4578 DL#wIFD31dS

29 01
29 02
29 03
29 04
29 05
29 06
29 07
29 08
29 09
29 10
29 11
29 12
29 13
29 14
29 15
29 16
29 17
29 18
29 19
29 20
29 21
29 22
29 23
29 24
29 25
29 26
29 27
29 28
29 29
29 30
29 31
29 32
29 33
29 34
29 35
29 36
29 37
29 38
29 39
29 40
29 41
29 42
29 43
29 44
29 45
NAME PAGE
モジュールA回路図
MODULE A CIRCUIT DIAGRAM
52
29
TITLE TYPE
CPU BOX
CPU BOX
AIMEXⅡ
DRAWING No.
1
9
FUJI SECRET
2RGXBA015700
AR111 AR111 3.3V 3.3V DCD
AS111 AS111 3.3V 3.3V RXD
COM COM TXD
5V 5V DSR
COM COM GND
5V 5V DTR
COM COM TRS
PW_OK PW_OK CTS
5VSB 5VSB
12V 12V
3.3V 3.3V
-12V -12V
COM COM
PS-ON PS-ON
COM COM
COM COM
COM COM
-5V -5V
5V 5V
5V 5V
NC
Shiled G
NC
TX1+
TX1-
LVRSTXP
LVRSTXN
Shiled G
DDCCLK
VP1 Shiled G
VG1 NC
TPB1- TX1C+
TPB1+ TX1C-
TPA1- TX12+
TPA1+ TX12-
NC
Shiled G
DDCDATA
Shiled G
LVRSRXP
VBUS LVRSRXN
D+ TX0+
D- TX0-
+5V
Shiled G
GND GND
Shiled G
Shiled G
VP1
VG1
TPB1-
TPB1+
TPA1-
TPA1+
FG
GND
GND
GND
GND
TX+
TX-
RX+
RX-
(REC1)
GS1
(PCB2)
AP2
モジュール制御盤
CPU BOX POWER SUPPLY 1 MAIN BOARD 1
MODULE CONTROL BOX
AC POWER OUTPUT POWER POWER RS232C
CB ACN2
-1 A1 1 1 1
-2 A2 2 2 2
-3 A3 3 3 3
4 4 4
未使用
5 5 5
NOT USED
6 6 6
7 7 7
8 8 8
9 9 9
10 10
LAN
11 11
12 12 1
13 13 2
14 14 3
15 15 4
16 16 5
17 17 6
18 18 7
19 19 8
20 20
PanelLink
1
2
3
4
5
6
7
8
IEEE1394 P0
9
1 10
2 11
3 12
4 13
5 14
6 15
CASE 16
17
18
19
USB
20
1 21
2 22
3 23
未使用
4 24
NOT USED
5 25
6 26
CASE 27
28
1CH
1
2
3
4
5
6
CASE
1394 HUB-1
シングルロボットの時ありません
It is not at a single robot
未使用
NOT USED
未使用
NOT USED
b0X361Gq
b0X361Gq
Downloaded at 2020/05/19 21:05:96 by 395B4578 DL#wIFD31dS
Downloaded at 2020/05/19 21:05:96 by 395B4578 DL#wIFD31dS

30 01
30 02
30 03
30 04
30 05
30 06
30 07
30 08
30 09
30 10
30 11
30 12
30 13
30 14
30 15
30 16
30 17
30 18
30 19
30 20
30 21
30 22
30 23
30 24
30 25
30 26
30 27
30 28
30 29
30 30
30 31
30 32
30 33
30 34
30 35
30 36
30 37
30 38
30 39
30 40
30 41
30 42
30 43
30 44
30 45
NAME PAGE
モジュールA回路図
MODULE A CIRCUIT DIAGRAM
52
30
TITLE TYPE
CPU BOX
CPU BOX
AIMEXⅡ
DRAWING No.
2
9
FUJI SECRET
2RGXBA015700
(A2PCB1)
AP1/A2
(A2PCB13) AP13/A2
(M1PCB1)
AP1/M1
(M1PCB1)
AP1/M1
(A2PCB11) AP11/A2
(PCB1) AP1
MA CPU1
(PCB1) AP1
MA CPU1
(PCB2)
AP2
(PCB1) AP1
MA CPU1
ロードセルコントローラ
EXTENSION BOARD 1
EXTENSION BOARD 1
ロードセル
LOAD CELL CONTROLLER
UART ch1~4
LOAD CELL
CN5 CN1
RX_1 RX
赤 RED
1 -2 -1
TX_1 TX
黒 BLK
2 -3 -2
CTS_1 SG
青 BLU
3 -5 -4
RTS_1 RTS
白 WHT
4 -7 -7
GND CTS
5 -8 -8
GND
6
RX_2
7
TX_2
8
CTS_2
9
RTS_2
10
RX_3
11
TX_3
12
CTS_3
13
RTS_3
14
GND
15
GND
16
RX_4
17
TX_4
18
CTS_4
19
RTS_4
20
UART ch5
DCD5
1
RXD5
2
TXD5
3
DSR5
4
GND
5
DTR5
6
RTS5
7
CTS5
8
RI
9
SHELL
UART ch6
DCD6
1
RXD6
パレットユニット
2
PALETT UNIT
TXD6
3
DSR6
4 -7
GND
5 -6
DTR6
6 -9
RTS6
7 -10
CTS6
8 -8
RI
9 -5
SHELL
UART ch7
DCD7
1
RXD7
2
TXD7
3
DSR7
4
GND
未使用
5
NOT USED
DTR7
6
RTS7
7
CTS7
8
RI
9
工業用コンピュータ
INDUSTRIAL COMPUTER
UART ch8
RS232C
DCD8 DCD
1 -1
RXD8 RXD
2 -2
TXD8 TXD
3 -3
DSR8 DTR
4 -4
GND SG
5 -5
DTR8 DSR
6 -6
RTS8 RTS
7 -7
CTS8 CTS
8 -8
RI RI
9 -9
SHELL
CASE
インターフェース基板 インターフェース基板
EXTENSION BOARD 1
INTERFACE BOARD INTERFACE BOARD
DIO 1 DIO 2
ACN3 ACN4
DI1COM_1 GA DI2COM_1 GA
1 -1 1 -1
DI1 00 AFX000 DI2 00 AFX010
2 -2 2 -2
DI1 01 AFX001 DI2 01 AFX011
3 -3 3 -3
DI1 02 AFX002 DI2 02 AFX012
4 -4 4 -4
DI1 03 AFX003 DI2 03 AFX013
5 -5 5 -5
DI1 04 AFX004 DI2 04 AFX014
6 -6 6 -6
DI1 05 AFX005 DI2 05 AFX015
7 -7 7 -7
DI1 06 AFX006 DI2 06 AFX016
8 -8 8 -8
DI1 07 AFX007 DI2 07 AFX017
9 -9 9 -9
DI1 08 AFX008 DI2 08 AFX018
10 -10 10 -10
DI1 09 AFX009 DI2 09 AFX019
11 -11 11 -11
DI1 10 AFX00A DI2 10 AFX01A
12 -12 12 -12
DI1 11 AFX00B DI2 11 AFX01B
13 -13 13 -13
DI1 12 AFX00C DI2 12 AFX01C
14 -14 14 -14
DI1 13 AFX00D DI2 13 AFX01D
15 -15 15 -15
DI1 14 AFX00E DI2 14 AFX01E
16 -16 16 -16
DI1 15 AFX00F DI2 15 AFX01F
17 -17 17 -17
DI1COM_0 GA DI2COM_0 GA
18 -18 18 -18
NC NC NC NC
19 -19 19 -19
NC NC NC NC
20 -20 20 -20
NC NC NC NC
21 -21 21 -21
DO1 00 AFY000 DO2 00 AFY010
22 -22 22 -22
DO1 01 AFY001 DO2 01 AFY011
23 -23 23 -23
DO1 02 AFY002 DO2 02 AFY012
24 -24 24 -24
DO1 03 AFY003 DO2 03 AFY013
25 -25 25 -25
DO1 04 AFY004 DO2 04 AFY014
26 -26 26 -26
DO1 05 AFY005 DO2 05 AFY015
27 -27 27 -27
DO1 06 AFY006 DO2 06 AFY016
28 -28 28 -28
DO1 07 AFY007 DO2 07 AFY017
29 -29 29 -29
DO1 08 AFY008 DO2 08 AFY018
30 -30 30 -30
DO1 09 AFY009 DO2 09 AFY019
31 -31 31 -31
DO1 10 AFY00A DO2 10 AFY01A
32 -32 32 -32
DO1 11 AFY00B DO2 11 AFY01B
33 -33 33 -33
DO1 12 AFY00C DO2 12 AFY01C
34 -34 34 -34
DO1 13 AFY00D DO2 13 AFY01D
35 -35 35 -35
DO1 14 AFY00E DO2 14 AFY01E
36 -36 36 -36
DO1 15 AFY00F DO2 15 AFY01F
37 -37 37 -37
NC NC NC NC
38 -38 38 -38
DO1COM_1 A+24VA1 DO2COM_1 A+24VA1
39 -39 39 -39
DO1COM_0 A+24VA1 DO2COM_0 A+24VA1
40 -40 40 -40
リモートI/O1
REMOTE I/O 1
パレットユニット
PALET UNIT
CN16
CT+
CUnet -1
CT-
CN2
CU-A
-2
SHIELD
1 -1
CU-B
-3
2 -2
FG
CN17
CT+
3 -4
-1
CT-
-2
SHIELD
-3
RFID
未使用
NOT USED
未使用
NOT USED
シングルロボットの時ありません
It is not at a single robot
MAIN BOARD 1
通信変換基板
COMMUNICATION
CONVERSION BOARD
CN2
1
2
3
CN1-1
CT+
-1
CT-
-2
SHIELD
-3
OPTION REMOTE I/O 3
オプションリモートI/O3
HEAD UNIT 1
100Ω
CUnet
CN-H3
R
-A1 1
-B1 2
-A2 3
基板高さセンサ
OPTION
ADDRESS
5004
PANEL HIGHT SENSOR
b0X361Gq
b0X361Gq
Downloaded at 2020/05/19 21:05:96 by 395B4578 DL#wIFD31dS
Downloaded at 2020/05/19 21:05:96 by 395B4578 DL#wIFD31dS