2RGXBA020207ElectricalSchematic(AIMEXII) .pdf - 第245页
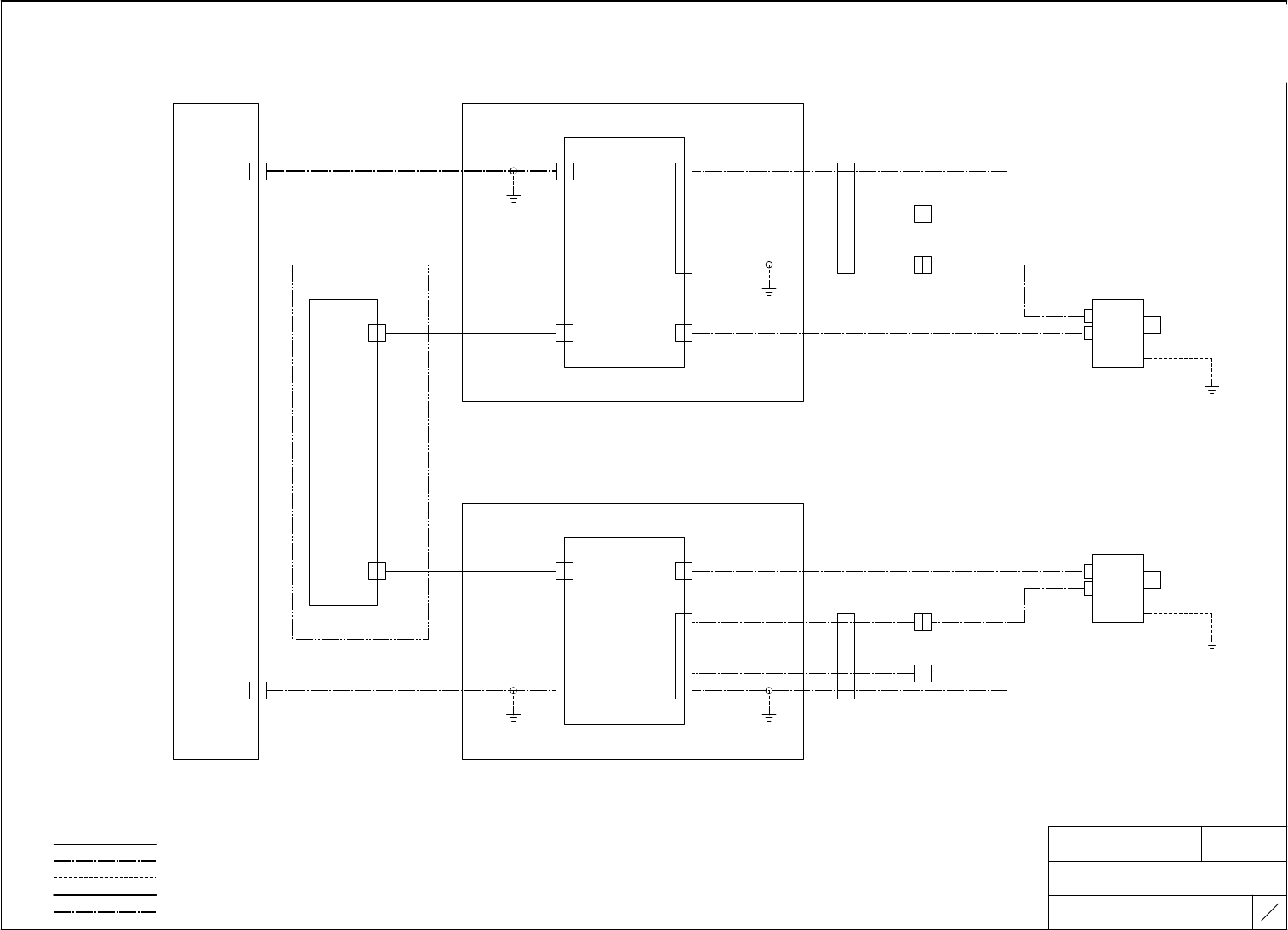
NAME T I T L E DRAWING No. 機関接続図 CONNECTION DIAGRAM 2 RGX BA 00 68 05 パーツカメラ PARTS CAMERA TYPE AIMEXⅡ 2 3 79 FUJI SECRET 59 57 モジュールB M O D U L E B 2ロボット仕様 2 R O B O T S p c . 画像分配器 モジュール CPU BOX P A N E L D I S T R I B …

NAME
TITLE
DRAWING No.
機関接続図
CONNECTION DIAGRAM
2RGXBA006805
パーツカメラ
PARTS CAMERA
TYPE
AIMEXⅡ
22
79
FUJI SECRET
54
52
モジュールA
MODULE A
2ロボット仕様
2ROBOT Spc.
画像分配器 モジュールCPU BOX
PANEL DISTRIBUTOR MODULE CPU BOX
画像基板
VISION BOARD
フェライトコア
FERRITE CORE
ATTACHED HARNESS
2EGMBA0603**
RGB IN2 J22
MA
Y2CN2
TRIG
OUT
コントロールBOX
MA PARTS
TRIG1
CONTROL BOX 2EGMBA0604**
MA CPU2
TRIG OUT
SFT72-SNLCB-026K
H3019E
TAKEUCHI
インターフェース基板
INTERFACE BOARD
MA PARTS
CAMERA2
MA PARTS
CAM2 TRIG
TRIGGER
SIDE2パーツカメラ
SIDE2
PARTS CAMERA
2EGMBA0217** 2EGMBA0205**
ACN21
TRIG
IN
PARTS1
IEEE1394
MA PARTS
CAM2 IEEE1394
I/F
ACN21
MA CPU2
TRIG IN
MA CPU2
PARTS1
PCB5
MA CPU2
モジュールCPU BOX
MODULE CPU BOX
画像基板
VISION BOARD
MA PARTS
CAMERA1
MA PARTS
CAM1 IEEE1394
2EGMBA0126** RH6897*
ACN13
TRIG
IN
PARTS1
IEEE1394
SIDE1パーツカメラ
I/F
ACN13
MA CPU1
TRIG IN
MA CPU1
PARTS1
SIDE1
PARTS CAMERA
TRIGGER
MA PARTS
CAM1 TRIG
M1PCB1
フェライトコア
FERRITE CORE
MA PARTS
TRIG3
2EGMBA0480** 2EGMBA0609**
TRIG
OUT
ATTACHED HARNESS
RGB IN J22
MA
Y1CN2
MA CPU1
TRIG OUT
SFT72-SNLCB-026K
H3019E
TAKEUCHI
PCB5
A2PDIST1 MA CPU1
:DC線(DC WIRING)
:シールド、通信線(SHIELD、COMMUNICATION WIRING)
:アース線(EARTH WIRING)
:AC、動力用配線(WIRING FOR AC&POWER)
:AC、動力用シールド配線(SHIELD WIRING FOR AC&POWER)
MA PARTS
TRIG2
MA PARTS
TRIG2
2EGXBA0234**
2EGXBA0234**
b0X361Gq
b0X361Gq
Downloaded at 2020/05/19 21:05:96 by 395B4578 DL#wIFD31dS
Downloaded at 2020/05/19 21:05:96 by 395B4578 DL#wIFD31dS

NAME
TITLE
DRAWING No.
機関接続図
CONNECTION DIAGRAM
2RGXBA006805
パーツカメラ
PARTS CAMERA
TYPE
AIMEXⅡ
23
79
FUJI SECRET
59
57
モジュールB
MODULE B
2ロボット仕様
2ROBOT Spc.
画像分配器 モジュールCPU BOX
PANEL DISTRIBUTOR MODULE CPU BOX
画像基板
VISION BOARD
フェライトコア
FERRITE CORE
ATTACHED HARNESS
2EGMBA0481**
RGB IN2 J22
MB
Y2CN2
TRIG
OUT
コントロールBOX
MB PARTS
TRIG1
CONTROL BOX 2EGMBA0605**
MB CPU2
TRIG OUT
SFT72-SNLCB-026K
H3019E
TAKEUCHI
インターフェース基板
INTERFACE BOARD
MB PARTS
CAMERA2
MB PARTS
CAM2 TRIG
TRIGGER
SIDE2パーツカメラ
SIDE2
PARTS CAMERA
2EGMBA0541** 2EGMBA0206**
BCN21
TRIG
IN
PARTS1
IEEE1394
MB PARTS
CAM2 IEEE1394
I/F
BCN21
MB CPU2
TRIG IN
MB CPU2
PARTS1
PCB5
MB CPU2
モジュールCPU BOX
MODULE CPU BOX
画像基板
VISION BOARD
MB PARTS
CAMERA1
MB PARTS
CAM1 IEEE1394
2EGMBA0493** RH6898*
BCN13
TRIG
IN
PARTS1
IEEE1394
SIDE1パーツカメラ
I/F
BCN13
MB CPU1
TRIG IN
MB CPU1
PARTS1
SIDE1
PARTS CAMERA
TRIGGER
MB PARTS
CAM1 TRIG
M1PCB1
フェライトコア
FERRITE CORE
MB PARTS
TRIG3
2EGXBA0204** 2EGMBA0610**
TRIG
OUT
ATTACHED HARNESS
RGB IN J22
MB
Y1CN2
MB CPU1
TRIG OUT
SFT72-SNLCB-026K
H3019E
TAKEUCHI
PCB5
MB CPU1B2PDIST1
:DC線(DC WIRING)
:シールド、通信線(SHIELD、COMMUNICATION WIRING)
:アース線(EARTH WIRING)
:AC、動力用配線(WIRING FOR AC&POWER)
:AC、動力用シールド配線(SHIELD WIRING FOR AC&POWER)
MB PARTS
TRIG2
MB PARTS
TRIG2
2EGXBA0234**
2EGXBA0234**
b0X361Gq
b0X361Gq
Downloaded at 2020/05/19 21:05:96 by 395B4578 DL#wIFD31dS
Downloaded at 2020/05/19 21:05:96 by 395B4578 DL#wIFD31dS

NAME
TITLE
DRAWING No.
機関接続図
CONNECTION DIAGRAM
2RGXBA006805
パーツカメラ
PARTS CAMERA
TYPE
AIMEXⅡ
24
79
FUJI SECRET
25 25
25 25
モジュールA モジュールB
MODULE A MODULE B
パーツカメラ光源 パーツカメラ光源
PARTS CAMERA
LAMP
PARTS CAMERA
LAMP
コントロールBOX コントロールBOX
CONTROL BOX CONTROL BOX
MA CNT
CN8
CN12
MB CNT
CN8
CN12
MA PARTS
LAMP2 CN12
MB PARTS
LAMP2 CN12
インターフェース基板 インターフェース基板
INTERFACE BOARD INTERFACE BOARD
2EGMBA0549** 2EGMBA0559**
CN13 CN13
ACN12 BCN12
MA PARTS
LAMP2 CN13
MB PARTS
LAMP2 CN13
I/F
ACN12
I/F
BCN12
AM2PCL2
BM2PCL2
パーツカメラ光源 パーツカメラ光源
M1PCB1 M1PCB1
PARTS CAMERA
LAMP
PARTS CAMERA
LAMP
CN13 CN13
MA PARTS
LAMP1 CN13
MB PARTS
LAMP1 CN13
MA CNT
CN7
CN12
MB CNT
CN7
CN12
MA PARTS
LAMP1 CN12
MB PARTS
LAMP1 CN12
AM2PCL1 BM2PCL1
:DC線(DC WIRING)
:シールド、通信線(SHIELD、COMMUNICATION WIRING)
:アース線(EARTH WIRING)
:AC、動力用配線(WIRING FOR AC&POWER)
:AC、動力用シールド配線(SHIELD WIRING FOR AC&POWER)
b0X361Gq
b0X361Gq
Downloaded at 2020/05/19 21:05:96 by 395B4578 DL#wIFD31dS
Downloaded at 2020/05/19 21:05:96 by 395B4578 DL#wIFD31dS