2RGXBA020207ElectricalSchematic(AIMEXII) .pdf - 第128页
4 7 0 1 4 7 0 2 4 7 0 3 4 7 0 4 4 7 0 5 4 7 0 6 4 7 0 7 4 7 0 8 4 7 0 9 4 7 1 0 4 7 1 1 4 7 1 2 4 7 1 3 4 7 1 4 4 7 1 5 4 7 1 6 4 7 1 7 4 7 1 8 4 7 1 9 4 7 2 0 4 7 2 1 4 7 2 2 4 7 23 4 7 24 4 7 25 4 7 26 4 7 27 4 7 28 4 …

46 01
46 02
46 03
46 04
46 05
46 06
46 07
46 08
46 09
46 10
46 11
46 12
46 13
46 14
46 15
46 16
46 17
46 18
46 19
46 20
46 21
46 22
46 23
46 24
46 25
46 26
46 27
46 28
46 29
46 30
46 31
46 32
46 33
46 34
46 35
46 36
46 37
46 38
46 39
46 40
46 41
46 42
46 43
46 44
46 45
NAME PAGE
モジュールB回路図
MODULE B CIRCUIT DIAGRAM
52
46
TITLE TYPE
ヘッドユニット
HEAD UNIT
AIMEXⅡ
DRAWING No.
1
4
FUJI SECRET
2RGXBA017500
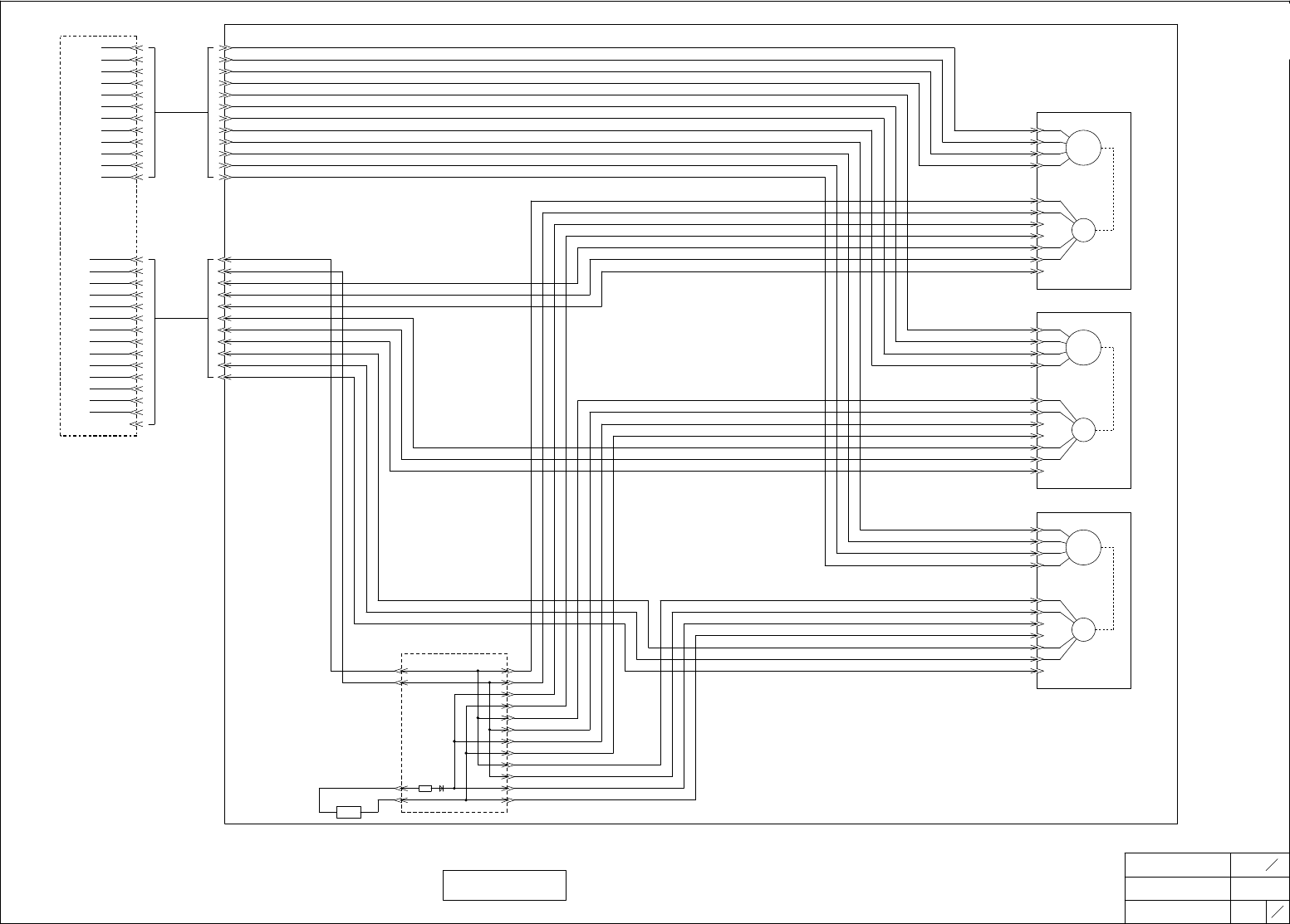
HEAD UNIT 1
SERVO BOX 1
M2 CN-H1
U_0 U_0
-4 -B5
V_0 V_0
-10 -B6
W_0 W_0
-9 -A5
FG_0 FG_0
-3 -A6
U_1 U_1
-11 -B1
V_1 V_1
-12 -B2
W_1 W_1
-6 -A1
FG_1 FG_1
-5 -A2
U_2 U_2
-2 -B3
V_2 V_2
-8 -B4
W_2 W_2
-7 -A3
FG_2 FG_2
-1 -A4
PG2 CN-H2
PG5V_0 PG5V_0
-1 -B8
GND GND
-8 -B9
PG5V_1 PS_0
-3 -A8
GND /PS_0
-10 -A9
PS_0 SHIELD_0
-2 -A10
/PS_0 PS_1
-9 -A5
PS_1 /PS_1
-4 -A6
/PS_1 SHIELD_1
-11 -A7
PS_2 PS_2
-6 -B5
/PS_2 /PS_2
-13 -B6
PG5V_2 SHIELD_2
-5 -B7
GND
-12
-7
-14
CASE
エンコーダ中継基板
ENCODER TERMINAL BOARD
CN1 CN1
-15 -3
-16 -4
-5
-6
-7
-8
-9
-10
-11
CN2 -12
-1 -13
BACKUP BAT.
-2 -14
+ -
13M0軸モータ
13M0 AXIS MOTOR
赤 RED
MOTOR
13M0
白 WHT
-B1
青 BLU
-B2
M
~
緑 GRN
-A1
-A2
20W
H12S:(30W)
赤 RED
ENCODER
灰 GRY
-1
緑 GRN
-2
橙 ORG
-3
PG
青 BLU
-4
黄 YEL
-5
-6
(Z軸)
(Z AXIS)
CASE
13M1軸モータ
13M1 AXIS MOTOR
赤 RED
MOTOR
13M1
白 WHT
-B1
青 BLU
-B2
M
~
緑 GRN
-A1
-A2
20W
H12S:(30W)
赤 RED
ENCODER
灰 GRY
-1
緑 GRN
-2
橙 ORG
-3
PG
青 BLU
-4
黄 YEL
-5
-6
(R軸)
(R AXIS)
CASE
13M2軸モータ
13M2 AXIS MOTOR
赤 RED
MOTOR
13M2
白 WHT
-B1
青 BLU
-B2
M
~
緑 GRN
-A1
-A2
20W
H12S:(30W)
赤 RED
ENCODER
灰 GRY
-1
緑 GRN
-2
橙 ORG
-3
PG
青 BLU
-4
黄 YEL
-5
-6
(Q軸)
(Q AXIS)
CASE
シングルロボットの時ありません
It is not at a single robot
b0X361Gq
b0X361Gq
Downloaded at 2020/05/19 21:05:96 by 395B4578 DL#wIFD31dS
Downloaded at 2020/05/19 21:05:96 by 395B4578 DL#wIFD31dS

47 01
47 02
47 03
47 04
47 05
47 06
47 07
47 08
47 09
47 10
47 11
47 12
47 13
47 14
47 15
47 16
47 17
47 18
47 19
47 20
47 21
47 22
47 23
47 24
47 25
47 26
47 27
47 28
47 29
47 30
47 31
47 32
47 33
47 34
47 35
47 36
47 37
47 38
47 39
47 40
47 41
47 42
47 43
47 44
47 45
NAME PAGE
モジュールB回路図
MODULE B CIRCUIT DIAGRAM
52
47
TITLE TYPE
ヘッドユニット
HEAD UNIT
AIMEXⅡ
DRAWING No.
2
4
FUJI SECRET
2RGXBA017500
14LS12
3044
(B2PCB11)
AP11/B2
(M1PCB1)
AP1/M1
(M1PCB1)
AP1/M1
(BM2PCB1)
AP1/BM2
HEAD UNIT 1
CN-H3
-A1
-B1
-A2
コネクタ基板
-A3
CONNECTOR BOARD
CN11
-B3
B+24VB4
-1
-A4
-B4
BGB
-2
インターフェース基板
INTERFACE BOARD
BCN22
BM274
-1 -B2
マークカメラ光源
-A5
MARK CAMERA LIGHT
CN1 -B5
-1 -A7
-2 -A8
-3 -A9
-4 -B7
-5 -B8
-6 -B9
リモートI/O1
REMOTE I/O 1
R1 Xa-3
B+24VAR1
-1 -A6
BRX00C
-2 -B6
ヘッドユニット着座確認
-A10
HEAD UNIT TAKING SEAT CHK
-B10
BCN22
BOPTOC AOPTOC
インターフェース基板
-2 -A3
INTERFACE BOARD
BFX011 AFX011
-3 -B4
B+24VA1 A+24VA1
-4 -A4
ヘッド機能基板
HEAD BOARD
CN-A
NC
-1
FG
-2
CT+
-3
CT-
-4
(FG)
-5
24V
-6
24V
-7
GND
-8
GND
-9
0BIT
-22
SA
-10
GND(FOR SA)
-11
1-B_LED
-12
1-R_LED
-13
1-COM
-14
2-B_LED
-15
2-R_LED
-16
2-COM
-17
5V
-18
GND
-19
485+
-20
485-
-21
NC
-23
SHIELD
-24
CN-B
NC
-1 CN-B
A+24VB4 Y100
-2 -13
NC Y101
-3 -14
X100 AGB
-4 -15
NC AGB
-5 -16
AGB Y102
-6 -17
A+24VB4 Y103
-7 -18
A+24VB4 AGB
-8 -19
X101 AGB
-9 -20
X102 NC
-10 -21
AGB NC
-11 -22
AGB
-12
シングルロボットの時ありません
It is not at a single robot
b0X361Gq
b0X361Gq
Downloaded at 2020/05/19 21:05:96 by 395B4578 DL#wIFD31dS
Downloaded at 2020/05/19 21:05:96 by 395B4578 DL#wIFD31dS

48 01
48 02
48 03
48 04
48 05
48 06
48 07
48 08
48 09
48 10
48 11
48 12
48 13
48 14
48 15
48 16
48 17
48 18
48 19
48 20
48 21
48 22
48 23
48 24
48 25
48 26
48 27
48 28
48 29
48 30
48 31
48 32
48 33
48 34
48 35
48 36
48 37
48 38
48 39
48 40
48 41
48 42
48 43
48 44
48 45
NAME PAGE
モジュールB回路図
MODULE B CIRCUIT DIAGRAM
52
48
TITLE TYPE
ヘッドユニット
HEAD UNIT
AIMEXⅡ
DRAWING No.
3
4
FUJI SECRET
2RGXBA017500
HEAD UNIT 2
SERVO BOX 2
M2 CN-H1
U_0 U_0
-4 -B5
V_0 V_0
-10 -B6
W_0 W_0
-9 -A5
FG_0 FG_0
-3 -A6
U_1 U_1
-11 -B1
V_1 V_1
-12 -B2
W_1 W_1
-6 -A1
FG_1 FG_1
-5 -A2
U_2 U_2
-2 -B3
V_2 V_2
-8 -B4
W_2 W_2
-7 -A3
FG_2 FG_2
-1 -A4
PG2 CN-H2
PG5V_0 PG5V_0
-1 -B8
GND GND
-8 -B9
PG5V_1 PS_0
-3 -A8
GND /PS_0
-10 -A9
PS_0 SHIELD_0
-2 -A10
/PS_0 PS_1
-9 -A5
PS_1 /PS_1
-4 -A6
/PS_1 SHIELD_1
-11 -A7
PS_2 PS_2
-6 -B5
/PS_2 /PS_2
-13 -B6
PG5V_2 SHIELD_2
-5 -B7
GND
-12
-7
-14
CASE
エンコーダ中継基板
ENCODER TERMINAL BOARD
CN1 CN1
-15 -3
-16 -4
-5
-6
-7
-8
-9
-10
-11
CN2 -12
-1 -13
BACKUP BAT.
-2 -14
+ -
13M0軸モータ
13M0 AXIS MOTOR
赤 RED
MOTOR
13M0
白 WHT
-B1
青 BLU
-B2
M
~
緑 GRN
-A1
-A2
20W
H12S:(30W)
赤 RED
ENCODER
灰 GRY
-1
緑 GRN
-2
橙 ORG
-3
PG
青 BLU
-4
黄 YEL
-5
-6
(Z軸)
(Z AXIS)
CASE
13M1軸モータ
13M1 AXIS MOTOR
赤 RED
MOTOR
13M1
白 WHT
-B1
青 BLU
-B2
M
~
緑 GRN
-A1
-A2
20W
H12S:(30W)
赤 RED
ENCODER
灰 GRY
-1
緑 GRN
-2
橙 ORG
-3
PG
青 BLU
-4
黄 YEL
-5
-6
(R軸)
(R AXIS)
CASE
13M2軸モータ
13M2 AXIS MOTOR
赤 RED
MOTOR
13M2
白 WHT
-B1
青 BLU
-B2
M
~
緑 GRN
-A1
-A2
20W
H12S:(30W)
赤 RED
ENCODER
灰 GRY
-1
緑 GRN
-2
橙 ORG
-3
PG
青 BLU
-4
黄 YEL
-5
-6
(Q軸)
(Q AXIS)
CASE
b0X361Gq
b0X361Gq
Downloaded at 2020/05/19 21:05:96 by 395B4578 DL#wIFD31dS
Downloaded at 2020/05/19 21:05:96 by 395B4578 DL#wIFD31dS