2RGXBA020207ElectricalSchematic(AIMEXII) .pdf - 第291页
NAME T I T L E DRAWING No. 機関接続図 CONNECTION DIAGRAM 2 RGX BA 00 68 05 サイドライトカメラ SIDE LIGHT CAMERA TYPE AIMEXⅡ 6 9 79 FUJI SECRET 55 54 54 61 リモートI/O基板BKT コントロールBOX I/F ACN18-A R E M O T E I / O B O A R D B K T C O N T R …

NAME
TITLE
DRAWING No.
機関接続図
CONNECTION DIAGRAM
2RGXBA006805
デバイスパレット
DEVICE PALLET
TYPE
AIMEXⅡ
68
79
FUJI SECRET
フィーダパレット基板 フィーダパレット基板
FEEDER PALLET PCB FEEDER PALLET PCB
SLOT 29
フィーダ
FEEDER SLOT 43
RH3349* RH3349*
CN33
SLOT 29
CN48
SLOT 43
SLOT 29 SLOT 43
SLOT 30
フィーダ
FEEDER SLOT 44
フィーダ
FEEDER
RH3349* RH3349*
CN34
SLOT 30
CN47
SLOT 44
SLOT 30 SLOT 44
SLOT 31
フィーダ
FEEDER SLOT 45
フィーダ
FEEDER
RH3349* RH3349*
CN35
SLOT 31
CN49
SLOT 45
SLOT 31 SLOT 45
SLOT 32
フィーダ
FEEDER
RH3349*
CN36
SLOT 32
SLOT 32
SLOT 33
フィーダ
FEEDER
RH3349*
CN37
SLOT 33
SLOT 33
SLOT 34
フィーダ
FEEDER
RH3349*
CN38
SLOT 34
SLOT 34
SLOT 35
フィーダ
FEEDER
RH3349*
CN39
SLOT 35
SLOT 35
SLOT 36
フィーダ
FEEDER
RH3349*
CN40
SLOT 36
SLOT 36
SLOT 37
フィーダ
FEEDER
RH3349*
CN41
SLOT 37
SLOT 37
SLOT 38
フィーダ
FEEDER
RH3349*
CN43
SLOT 38
SLOT 38
SLOT 39
フィーダ
FEEDER
RH3349*
CN42
SLOT 39
SLOT 39
SLOT 40
フィーダ
FEEDER
RH3349*
CN44
SLOT 40
SLOT 40
SLOT 41
フィーダ
FEEDER
RH3349*
CN45
SLOT 41
SLOT 41
SLOT 42
フィーダ
FEEDER
RH3349*
CN46
SLOT 42
SLOT 42
PCB1 PCB1
:DC線(DC WIRING)
:シールド、通信線(SHIELD、COMMUNICATION WIRING)
:アース線(EARTH WIRING)
:AC、動力用配線(WIRING FOR AC&POWER)
:AC、動力用シールド配線(SHIELD WIRING FOR AC&POWER)
フィーダ
FEEDER
b0X361Gq
b0X361Gq
Downloaded at 2020/05/19 21:05:96 by 395B4578 DL#wIFD31dS
Downloaded at 2020/05/19 21:05:96 by 395B4578 DL#wIFD31dS

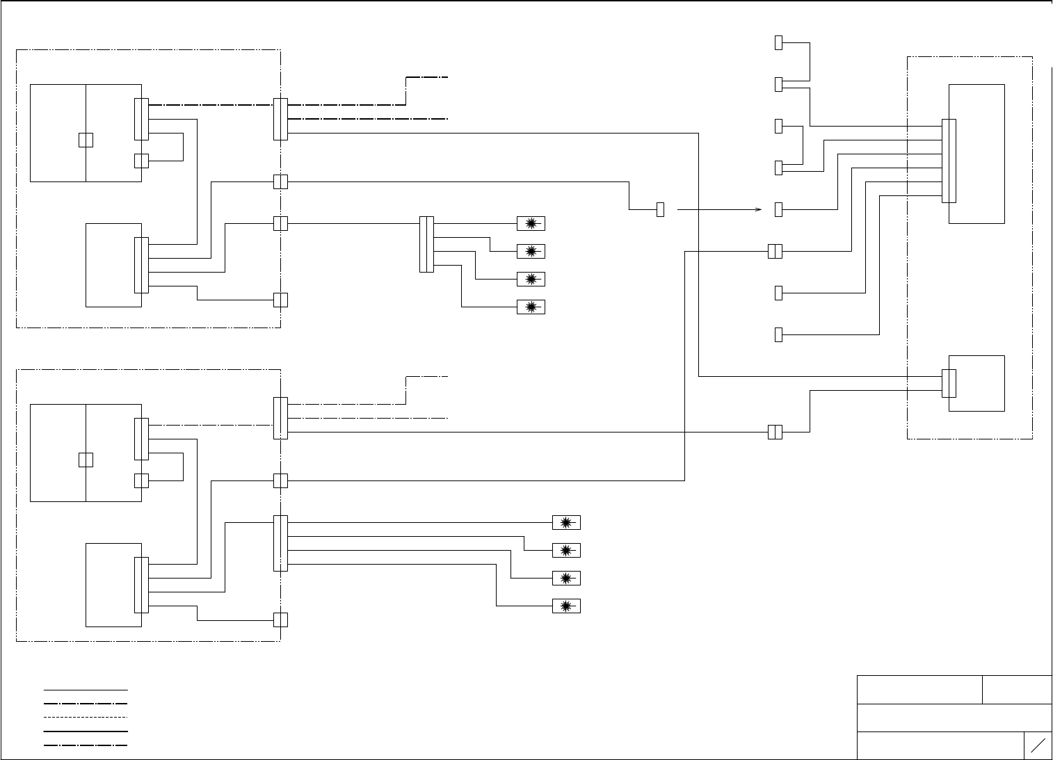
NAME
TITLE
DRAWING No.
機関接続図
CONNECTION DIAGRAM
2RGXBA006805
サイドライトカメラ
SIDE LIGHT CAMERA
TYPE
AIMEXⅡ
69
79
FUJI SECRET
55
54
54
61
リモートI/O基板BKT
コントロールBOX
I/F
ACN18-A
REMOTE I/O BOARD BKT
CONTROL BOX
SIDE1
インターフェース基板
INTERFACE BOARD
MA
COPLA-1
CU-NET
MA S1
CU-NET
RH4832*
2EGMGC0009**
2EGMGH0064**
CN-A
I/F
ACN18-B
CN-A
ACN18
CN-C
CN-C
CN-OP1
MA S1
CN-OP1
I/F
ACN18-4
I/F
ACN18-4
PCB1
I/F
ACN18
LASER
MA S1
LASER
MA S2
LASER
I/F
ACN18-5
2EGXGC0006**
サイドライト 1
SIDE LIGHT 1 M1PCB1
サイドライト 2
SIDE LIGHT 2
I/F
ACN18-C
CN1
サイドライト 3
SIDE LIGHT 3
COPLANARITY
CN-1
I/F
ACN18-D
サイドライト 4
PCB2 SIDE LIGHT 4
コネクタ基板
CONNECTOR BOARD
リモートI/O基板BKT
REMOTE I/O BOARD BKT
SIDE2
CN14
CU-NET
MA S2
CU-NET
MA CNT
CN14
2EGXGC0001**
AM2PCB1
RH4832*
MA CNT
CN14
CN-A
CN-A
CN-OP1
MA S2
CN-OP1
2EGMGC0012**
CN-C
CN-C
PCB1
LASER
MA S2
LASER
サイドライト 1
SIDE LIGHT 1
サイドライト 2
SIDE LIGHT 2
サイドライト 3
SIDE LIGHT 3
CN1
サイドライト 4
SIDE LIGHT 4
COPLANARITY
CN-1
オプション(サイドライト)
OPTION(SIDE LIGHT)
PCB2
モジュールA
:DC線(DC WIRING)
MODULE A
:シールド、通信線(SHIELD、COMMUNICATION WIRING)
:アース線(EARTH WIRING)
:AC、動力用配線(WIRING FOR AC&POWER)
:AC、動力用シールド配線(SHIELD WIRING FOR AC&POWER)
2EGMGC0010**
MA
COPLA-2
PCB3
PCB3
電源基板
POWER BOARD
リモートI/O基板
REMOTE I/O BOARD
RELAY BOARD
リレー基板
CN3 CN6
電源基板 リモートI/O基板
POWER BOARD REMOTE I/O BOARD
CN3 CN6
RELAY BOARD
リレー基板
b0X361Gq
b0X361Gq
Downloaded at 2020/05/19 21:05:96 by 395B4578 DL#wIFD31dS
Downloaded at 2020/05/19 21:05:96 by 395B4578 DL#wIFD31dS

NAME
TITLE
DRAWING No.
機関接続図
CONNECTION DIAGRAM
2RGXBA006805
サイドライトカメラ
SIDE LIGHT CAMERA
TYPE
AIMEXⅡ
70
79
FUJI SECRET
60
59
59
63
コントロールBOX
CONTROL BOX
CU-NET
MB S1
CU-NET
RH4832*
2EGXGC0002**
CN-A
CN-A
CN-C
CN-C
CN-OP1
MB S1
CN-OP1
I/F
BCB18-4
PCB1
LASER
MB S1
LASER
MB S1
LASER
2EGXGC0006**
サイドライト 1
SIDE LIGHT 1
サイドライト 2
SIDE LIGHT 2
CN1
サイドライト 3
SIDE LIGHT 3
COPLANARITY
CN-1
サイドライト 4
PCB2 SIDE LIGHT 4
コネクタ基板
CONNECTOR BOARD
CN14
CU-NET
MB S2
CU-NET
MB CNT
CN14
2EGXGC0004**
BM2PCB1
RH4832*
MB CNT
CN14
CN-A
CN-A
CN-OP1
MB S2
CN-OP1
2EGXGC0005**
CN-C
CN-C
PCB1
LASER
MB S2
LASER
サイドライト 1
SIDE LIGHT 1
サイドライト 2
SIDE LIGHT 2
サイドライト 3
SIDE LIGHT 3
CN1
サイドライト 4
SIDE LIGHT 4
COPLANARITY
CN-1
オプション(サイドライト)
OPTION(SIDE LIGHT)
PCB2
モジュールB
:DC線(DC WIRING)
MODULE B
:シールド、通信線(SHIELD、COMMUNICATION WIRING)
:アース線(EARTH WIRING)
:AC、動力用配線(WIRING FOR AC&POWER)
:AC、動力用シールド配線(SHIELD WIRING FOR AC&POWER)
2EGXGC0003**
インターフェース基板
INTERFACE BOARD
BCN18
I/F
BCN18
M1PCB1
I/F
BCN18-A
MB
COPLA-1
2EGMGH0065**
I/F
BCN18-B
MB
COPLA-2
I/F
BCN18-4
I/F
BCN18-5
I/F
BCN18-C
I/F
BCN18-D
SIDE1
リモートI/O基板BKT
REMOTE I/O BOARD BKT
電源基板 リモートI/O基板
REMOTE I/O BOARDPOWER BOARD
CN3
PCB3
CN6
RELAY BOARD
リレー基板
SIDE2
リモートI/O基板BKT
REMOTE I/O BOARD BKT
電源基板 リモートI/O基板
POWER BOARD REMOTE I/O BOARD
CN3
PCB3
CN6
リレー基板
RELAY BOARD
b0X361Gq
b0X361Gq
Downloaded at 2020/05/19 21:05:96 by 395B4578 DL#wIFD31dS
Downloaded at 2020/05/19 21:05:96 by 395B4578 DL#wIFD31dS