2RGXBA020207ElectricalSchematic(AIMEXII) .pdf - 第271页
NAME T I T L E DRAWING No. 機関接続図 CONNECTION DIAGRAM 2 RGX BA 00 68 05 ハイブリッドキャリブ HYBRID CALIBRATION TYPE AIMEXⅡ 4 9 79 FUJI SECRET モジュールA モジュールB M O D U L E A M O D U L E B リモートI/O基板 リモートI/O基板 R E M O T E I / O B O A R D…

NAME
TITLE
DRAWING No.
機関接続図
CONNECTION DIAGRAM
2RGXBA006805
シングルコンベア
SINGLE CONVEYOR
TYPE
AIMEXⅡ
48
79
FUJI SECRET
42
42
47
モジュールB
MODULE B
コンベアコントロール基板 コンベアコントロール基板
CONVEYOR CONTROL BOARD CONVEYOR CONTROL BOARD
MB T2LS1
MB
EXCN C/V2
投光器
EMITTER
2EGMCE0013** 2AGXCE0019**
CN1
CN10-1-1
a-1
MB T2LS1T
MB C1
CN1
MB C1
a-1
レーン1コンベア基板通過確認L
LANE1 CONVEYOR PANEL
PASS CHECK L
CN3 MB T2LS1R
MB C1
CN3
受光器
RECEIVER
MB T2LS2
投光器
EMITTER
CN10-1-1
a-2
MB T2LS2T
MB C1
a-2
MB
EXCN C/V1 レーン1コンベア基板通過確認R
LANE1 CONVEYOR PANEL
PASS CHECK R
2EGMCE0027**
CN2
MB C1
CN2
MB T2LS2R
受光器
RECEIVER
CN4
MB C1
CN4
MB 2LS1
-CN1
2AGXCE0018**
Z0高さセンサ
MB 2LS1
Z0 HIGHT SENSOR
MB
T2LS5-CN1 投光器/EMITTER
2EGMCE0034**
CN10-1-2
b-2
MB T2LS5T
MB C1
b-2
レーン1従属コンベア
バックアップピン検知
LANE1 CONVEYOR
BACK-UP PIN CHECK
CN10-1-2
b-4
MB T2LS5R
MB C1
b-4
受光器/RECEIVER
EXCN C/V3
MB
T2M1-CN1
2EGMCE0014** 2EGMCE0028**
CN10-1-1
a-3
レーン1 搬送モータ
MB T2M1
MB C1
a-3
LANE1 C/V MOTOR
CN5-1
MB
T2M1-CN2
CN10-1-1
a-4
MB C1
a-4
MB C1
CN5-1
MB
T2M2
2EGMCE0026**
レーン1 従属幅替モータ
CN10-1-2
b-1
CN5-2 MB T2M2
LANE1 SUB.
WIDTH MOTOR
MB C1
b-1
MB C1
CN5-2
CN8-1
MB
T2M5-CN1
MB C1
CN8-1
2EGMCE0035**
レーン1 クランプモータ
MB T2M5
LANE1 CLAMP MOTOR
CN5-3
MB
T2M5-CN2
MB C1
CN5-3
BT2PCB1 BT2PCB1
:DC線(DC WIRING)
:シールド、通信線(SHIELD、COMMUNICATION WIRING)
:アース線(EARTH WIRING)
:AC、動力用配線(WIRING FOR AC&POWER)
:AC、動力用シールド配線(SHIELD WIRING FOR AC&POWER)
2AGXCE0008**
2AGXCE0020**
2AGXCE0013**
2AGXCE0014**
2AGXCE0015**
b0X361Gq
b0X361Gq
Downloaded at 2020/05/19 21:05:96 by 395B4578 DL#wIFD31dS
Downloaded at 2020/05/19 21:05:96 by 395B4578 DL#wIFD31dS

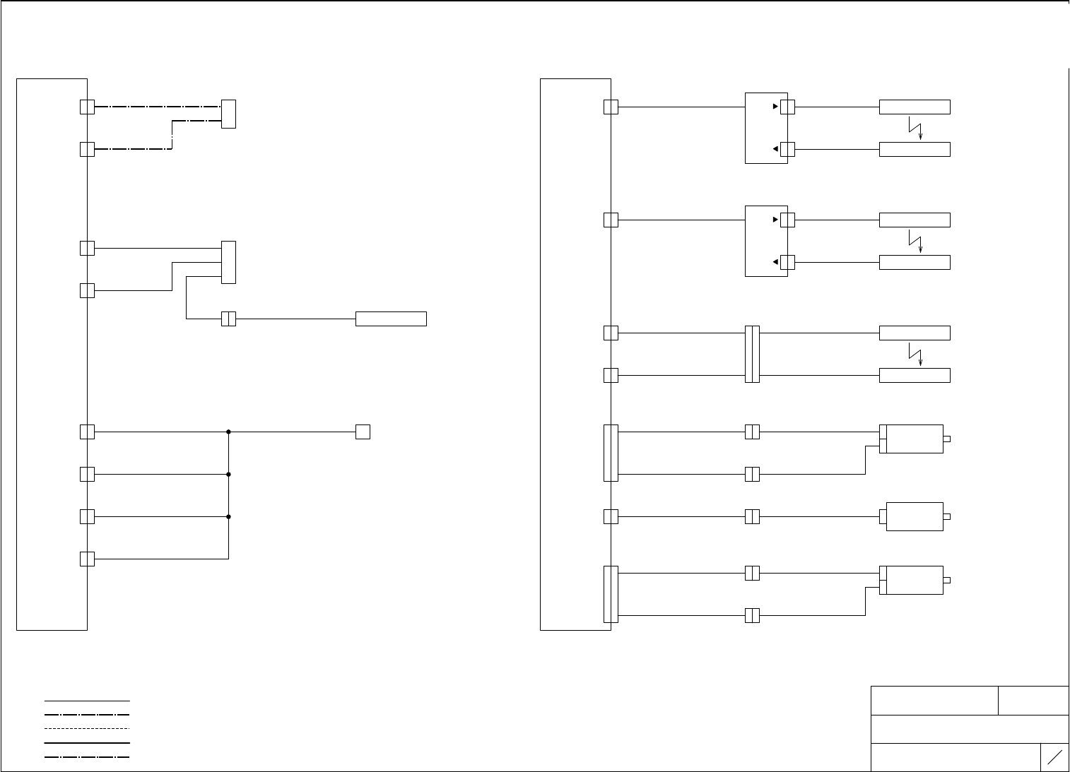
NAME
TITLE
DRAWING No.
機関接続図
CONNECTION DIAGRAM
2RGXBA006805
ハイブリッドキャリブ
HYBRID CALIBRATION
TYPE
AIMEXⅡ
49
79
FUJI SECRET
モジュールA モジュールB
MODULE A MODULE B
リモートI/O基板 リモートI/O基板
REMOTE I/O BOARD REMOTE I/O BOARD
MA JOF
PS1-CN1
MB JOF
PS1-CN1
2EGMBA0242** 2AGXCE0021**
SIDE1ハイブリッドキャリブ
吸着確認
2EGMBA0273**
SIDE1ハイブリッドキャリブ
吸着確認
CN2 MA JOF PS1 CN2 MB JOF PS1
SIDE1 HYBRID CALIBRATION
PICKUP CHECK
SIDE1 HYBRID CALIBRATION
PICKUP CHECK
MA R1
CN2
MB R1
CN2
MA JOF
SOL1、2-CN1
SIDE1ハイブリッドキャリブ
吸着バキュームON
MB JOF
SOL1、2-CN1
SIDE1ハイブリッドキャリブ
吸着バキュームON
SIDE1 HYBRID CALIBRATION
VACUUM ON
SIDE1 HYBRID CALIBRATION
VACUUM ON
2EGMBA0243** 2EGXBA0229**
CN8
MA JOF
SOL1
CN8
MB JOF
SOL1
MA R1
CN8
MB R1
CN8
MA JOF
SOL2
MB JOF
SOL2
A2PCB11 B2PCB11
SIDE1ハイブリッドキャリブ
吸着バキュームOFF
SIDE1ハイブリッドキャリブ
吸着バキュームOFF
SIDE1 HYBRID CALIBRATION
VACUUM OFF
SIDE1 HYBRID CALIBRATION
VACUUM OFF
MA 2ロボット仕様
MA 2ROBOT Spc.
リモートI/O基板 リモートI/O基板
REMOTE I/O BOARD REMOTE I/O BOARD
MA JOF
PS2-CN1
MB JOF
PS2-CN1
2EGMBA0259**
SIDE2ハイブリッドキャリブ
吸着確認
2EGMBA0291**
SIDE2ハイブリッドキャリブ
吸着確認
CN2 MA JOF PS2 CN2 MB JOF PS2
SIDE2 HYBRID CALIBRATION
PICKUP CHECK
SIDE2 HYBRID CALIBRATION
PICKUP CHECK
MA R2
CN2
MB R2
CN2
MA JOF
SOL3、4-CN1
SIDE2ハイブリッドキャリブ
吸着バキュームON
MB JOF
SOL3、4-CN1
SIDE2ハイブリッドキャリブ
吸着バキュームON
SIDE2 HYBRID CALIBRATION
VACUUM ON
SIDE2 HYBRID CALIBRATION
VACUUM ON
2EGMBA0260** 2EGMBA0292**
CN8
MA JOF
SOL3
CN8
MB JOF
SOL3
MA R2
CN8
MB R2
CN8
MA JOF
SOL4
MB JOF
SOL4
A2PCB12 B2PCB12
SIDE2ハイブリッドキャリブ
吸着バキュームOFF
SIDE2ハイブリッドキャリブ
吸着バキュームOFF
SIDE2 HYBRID CALIBRATION
VACUUM OFF
SIDE2 HYBRID CALIBRATION
VACUUM OFF
:DC線(DC WIRING)
:シールド、通信線(SHIELD、COMMUNICATION WIRING)
:アース線(EARTH WIRING)
:AC、動力用配線(WIRING FOR AC&POWER)
:AC、動力用シールド配線(SHIELD WIRING FOR AC&POWER)
MB 2ロボット仕様
MB 2ROBOT Spc.
2AGXCE0022**
2AGXCE0025**
2AGXCE0026**
2AGXCE0023**
2AGXCE0024**
2AGXCE0027**
2AGXCE0028**
b0X361Gq
b0X361Gq
Downloaded at 2020/05/19 21:05:96 by 395B4578 DL#wIFD31dS
Downloaded at 2020/05/19 21:05:96 by 395B4578 DL#wIFD31dS

NAME
TITLE
DRAWING No.
機関接続図
CONNECTION DIAGRAM
2RGXBA006805
SYNQNET
SYNQNET
TYPE
AIMEXⅡ
50
79
FUJI SECRET
モジュールA モジュールB
MODULE A MODULE B
コントロールBOX
モジュールCPU BOX
コントロールBOX モジュールCPU BOX
CONTROL BOX
MODULE CPU BOX
CONTROL BOX MODULE CPU BOX
サーボ基板
サーボ基板
インターフェース基板
インターフェース基板
INTERFACE BOARD
SERVO BOARD
INTERFACE BOARD SERVO BOARD
ACN15 I/O BCN15
I/O
I/F
ACN15
MA CPU2
SERVO I/O
I/F
BCN15
MB CPU2
SERVO I/O
Y2軸サーボアンプ Y2軸サーボアンプ
Y2 AXIS SERVO AMP Y2 AXIS SERVO AMP
2EGMBA0316** 2EGMBA0317** 2EGMBA0575** 2EGMBA0576**
OUT
CN6A
IN
CN6B
OUT
OUT
CN6A
IN
CN6B
OUT
MA Y2SA
CN6A
MA Y2SA
CN6B
MA CPU2
SERVO OUT
MB Y2SA
CN6A
MB Y2SA
CN6B
MB CPU2
SERVO OUT
MA Y2SA MB Y2SA
一体型サーボアンプ 一体型サーボアンプ
UNITED SERVO AMP UNITED SERVO AMP
2EGMBA0222** 2EGMBA0232**
CN3B
IN
CN3A
OUT
IN
CN3B
IN
CN3A
OUT
IN
MA SERVO
BOX2 IN
MA SERVO
BOX2 OUT
MA CPU2
SERVO IN
MB SERVO
BOX2 IN
MB SERVO
BOX2 OUT
MB CPU2
SERVO IN
MA SERVO BOX2 MB SERVO BOX2
PCB7 PCB7
MA CPU2 MB CPU2
MA 2ロボット仕様 MB 2ロボット仕様
MA 2ROBOT Spc. MB 2ROBOT Spc.
モジュールCPU BOX モジュールCPU BOX
MODULE CPU BOX MODULE CPU BOX
サーボ基板 サーボ基板
SERVO BOARD SERVO BOARD
ACN14 I/O BCN14 I/O
I/F
ACN14
MA CPU1
SERVO I/O
I/F
BCN14
MB CPU1
SERVO I/O
Y1軸サーボアンプ Y1軸サーボアンプ
M1PCB1 M1PCB1
Y1 AXIS SERVO AMP Y1 AXIS SERVO AMP
2EGMBA0488** 2EGMBA0487** 2EGMBA0156** 2EGMBA0155**
OUT
CN6A
IN
CN6B
OUT
OUT
CN6A
IN
CN6B
OUT
MA Y1SA
CN6A
MA Y1SA
CN6B
MA CPU1
SERVO OUT
MB Y1SA
CN6A
MB Y1SA
CN6B
MB CPU1
SERVO OUT
MA Y1SA MB Y1SA
一体型サーボアンプ
一体型サーボアンプ
UNITED SERVO AMP
UNITED SERVO AMP
2EGMBA0135**
2EGXBA0218**
CN3B
IN
CN3A
OUT
IN
CN3B
IN
CN3A
OUT
IN
MA SERVO
BOX1 IN
MA SERVO
BOX1 OUT
MA CPU1
SERVO IN
MB SERVO
BOX1 IN
MB SERVO
BOX1 OUT
MB CPU1
SERVO IN
MA SERVO BOX1
MB SERVO BOX1
PCB7
PCB7
MA CPU1
MB CPU1
:DC線(DC WIRING)
:シールド、通信線(SHIELD、COMMUNICATION WIRING)
:アース線(EARTH WIRING)
:AC、動力用配線(WIRING FOR AC&POWER)
:AC、動力用シールド配線(SHIELD WIRING FOR AC&POWER)
2EGMBA0221**
2EGMBA0132**
2EGMBA0544**
2EGMBA0499**
b0X361Gq
b0X361Gq
Downloaded at 2020/05/19 21:05:96 by 395B4578 DL#wIFD31dS
Downloaded at 2020/05/19 21:05:96 by 395B4578 DL#wIFD31dS