2RGXBA020207ElectricalSchematic(AIMEXII) .pdf - 第236页
NAME T I T L E DRAWING No. 機関接続図 CONNECTION DIAGRAM 2 RGX BA 00 68 05 段取り替え CHANGEOVER TYPE AIMEXⅡ 1 4 79 FUJI SECRET オプション(MB リレ ーBKT) モジュール B O P T I O N ( M B R E L A Y B K T ) M O D U L E B B M 4 C R 1 0 X M B R B C …

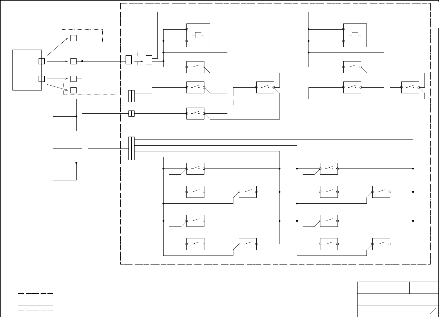
NAME
TITLE
DRAWING No.
機関接続図
CONNECTION DIAGRAM
2RGXBA006805
段取り替え
CHANGEOVER
TYPE
AIMEXⅡ
13
79
FUJI SECRET
26
26
26
63
64
モジュール B
オプション(MB リレーBKT)
MODULE B
OPTION(MB RELAY BKT)
マルチ生産仕様
BM4CR10X BM4CR20X
通常生産仕様
MULTI PRODUCTION Spc.
NORMAL PRODUCTION Spc.
BFY010 BTY008
0 0
コントロールBOX
I/F CN19 SIDE1段取り替え SIDE2段取り替え
SIDE1 CHANGEOVER SIDE2 CHANGEOVER
CONTROL BOX
2EGXBA0062**
GA GA
1 1
インターフェース基板
INTERFACE BOARD
MBRBCN5 MARBCN5
I/F
CN19
2EGMBA0587**
BM4CR1X BM4CR2X
CN19
I/F
CN19
23 24 23 24
BFX00A B+24VA1 BTX00A B+24VA1
I/F
CN32
通常生産仕様
CN32
BM4CR10X BM4CR10X BM4CR20X BM4CR20X
NORMAL PRODUCTION Spc.
I/F
CN32
23 24 BK3108 63 64 23 24 63 64
I/F CN32 BK3107 BK3207 BK3208
MBRBCN7
2EGXBA0064**
M1PCB1
2EGXBA0006**
BM4CR10X
MBRBCN8
I/F BCN10-2 53 54
2EGXBA0047**
B+24VA1
I/F BCN11-2
MBRBCN6
2EGMBA0588**
I/F BCN10-3
I/F BCN23-1
BM4CR14X BM4CR24X
5 9 5 9
BM236 BM236A BM237 BM237A
I/F BCN24-1
BM4CR1X BM4CR14X BM4CR3X BM4CR24X
34 33 6 10 34 33 6 10
BM235 BM235A BM236 BM236C
BM235 BM236
BM4CR14X BM4CR24X
7 11 7 11
BM246 BM246A BM247 BM247A
BM4CR1X BM4CR14X BM4CR3X BM4CR24X
44 43 8 12 44 43 8 12
BM245 BM245A BM246 BM246C
BM245 BM246
:DC線(DC WIRING)
:シールド、通信線(SHIELD、COMMUNICATION WIRING)
:アース線(EARTH WIRING)
:AC、動力用配線(WIRING FOR AC&POWER)
:AC、動力用シールド配線(SHIELD WIRING FOR AC&POWER)
b0X361Gq
b0X361Gq
Downloaded at 2020/05/19 21:05:96 by 395B4578 DL#wIFD31dS
Downloaded at 2020/05/19 21:05:96 by 395B4578 DL#wIFD31dS

NAME
TITLE
DRAWING No.
機関接続図
CONNECTION DIAGRAM
2RGXBA006805
段取り替え
CHANGEOVER
TYPE
AIMEXⅡ
14
79
FUJI SECRET
オプション(MB リレーBKT)
モジュール B
OPTION(MB RELAY BKT)
MODULE B
BM4CR10X
MB RB CN10
マルチ生産仕様
34 33
BM409 +24VM1
MULTI PRODUCTION Spc.
+24VM1
BM4CR10X
BM407
BM408
44 43
BM410 GA
GA
MB RB CN11
BM4CR1X
11 12
BM401 +24VM1
BM4CR1X
BM405
0
SIDE1ライトカーテン確認
SIDE1 LIGHTCURTAIN CHECK
GA
1
MB RB
CN4
BM4CR20X
MB RB CN20
34 33
BM419 +24VM1
+24VM1
BM4CR20X
BM417
BM418
44 43
BM420 GA
GA
MB RB CN21
BM4CR2X
11 12
BM411 +24VM1
BM4CR2X
BM415
0
SIDE1ライトカーテン確認
SIDE1 LIGHTCURTAIN CHECK
GA
1
:DC線(DC WIRING)
:シールド、通信線(SHIELD、COMMUNICATION WIRING)
:アース線(EARTH WIRING)
:AC、動力用配線(WIRING FOR AC&POWER)
:AC、動力用シールド配線(SHIELD WIRING FOR AC&POWER)
2AGXBA0015**
投光器
EMITTER
BM4LS-1T
CN1
2EGXBA0036**
BM4LS-1T
SIDE1安全光電センサ
SIDE1 SAFETY SENSOR
2AGXBA0015**
BM4LS-1R
CN1
2EGXBA0037**
BM4LS-1R
受光器
RECEIVER
2AGXBA0016**
投光器
EMITTER
BM4LS-2T
CN1
2EGXBA0038**
BM4LS-2T
SIDE2安全光電センサ
SIDE2 SAFETY SENSOR
2AGXBA0016**
BM4LS-2R
CN1
2EGXBA0039**
BM4LS-2R
受光器
RECEIVER
I/F
CN30
2EGMBA0462**
コントロールBOX
CONTROL BOX
インターフェース基板
INTERFACE BOARD
I/F
CN30
I/F
CN30-1
2EGMBA0589**
2EGMBA0586**
CN30
I/F
CN30
M1PCB1
NORMAL PRODUCTION Spc.
通常生産仕様
b0X361Gq
b0X361Gq
Downloaded at 2020/05/19 21:05:96 by 395B4578 DL#wIFD31dS
Downloaded at 2020/05/19 21:05:96 by 395B4578 DL#wIFD31dS

NAME
TITLE
DRAWING No.
機関接続図
CONNECTION DIAGRAM
2RGXBA006805
ファン
FAN
TYPE
AIMEXⅡ
15
79
FUJI SECRET
コントロールBOX コントロールBOX
CONTROL BOX CONTROL BOX
インターフェース基板 インターフェース基板
INTERFACE BOARD INTERFACE BOARD
M1FAN1 MA M2FAN3
M1FAN1
-CN1
MA M2FAN3
-CN1
2EGMBA0569** 2AGXBA0065**
冷却ファン1
2EGMBA0504** 2AGXBA0077**
SIDE1モジュール冷却ファン
COOLING FAN 1 SIDE1 MODULE
COOLING FAN
(MODULE A SIDE1)
ACN25
M1FAN2
M1FAN2
-CN1
CN25
I/F
ACN25
2AGXBA0066**
冷却ファン2 MA M2FAN7
COOLING FAN 2
MA M2FAN7
-CN1
(MODULE A SIDE1)
2AGXBA0085**
SIDE1モジュール冷却ファン
SIDE1 MODULE
COOLING FAN
M1FAN3
M1FAN3
-CN1
2AGXBA0067**
冷却ファン3
COOLING FAN 3
I/F
CN25
(MODULE A SIDE1)
MA M2FAN4
MA M2FAN4
-CN1
2AGXBA0079**
SIDE1 天井冷却ファン
SIDE1 UPPER
COOLING FAN
M1FAN5
M1FAN5
-CN1
2AGXBA0069**
冷却ファン5
COOLING FAN 5
(MODULE B SIDE1)
MB M2FAN3
MB M2FAN3
-CN1
M1FAN6
2EGMBA0505** 2AGXBA0078**
SIDE1モジュール冷却ファン
SIDE1 MODULE
COOLING FAN
M1FAN6
-CN1
BCN25
2AGXBA0070**
冷却ファン6
COOLING FAN 6
I/F
BCN25
(MODULE B SIDE1)
M1FAN4 MB M2FAN4
M1FAN4
-CN1
MB M2FAN4
-CN1
2AGXBA0068**
冷却ファン4
2AGXBA0080**
SIDE1 天井冷却ファン
COOLING FAN 4 SIDE1 UPPER
COOLING FAN
(MODULE B SIDE1)
M1FAN13
M1FAN13
冷却ファン13
COOLING FAN 13
MA M2FAN5
MA M2FAN5
-CN1
M1FAN7
2EGXBA0220** 2AGXBA0081**
SIDE2モジュール冷却ファン
SIDE2 MODULE
COOLING FAN
M1FAN7
-CN1
ACN26
2EGMBA0570** 2AGXBA0071**
冷却ファン7
COOLING FAN 7
I/F
ACN26
(MODULE A SIDE2)
M1FAN8 MA M2FAN6
M1FAN8
-CN1
MA M2FAN6
-CN1
CN26
2AGXBA0072**
冷却ファン8
2AGXBA0083**
SIDE2 天井冷却ファン
COOLING FAN 8 SIDE2 UPPER
COOLING FAN
(MODULE A SIDE2)
M1FAN9
M1FAN9
-CN1
I/F
CN26
2AGXBA0073**
冷却ファン9 MB M2FAN5
COOLING FAN 9
MB M2FAN5
-CN1
(MODULE A SIDE2)
2EGXBA0221** 2AGXBA0082**
SIDE2モジュール冷却ファン
M1PCB1
SIDE2 MODULE
COOLING FAN
BCN26
M1FAN10
M1FAN10
-CN1
I/F
BCN26
2AGXBA0074**
冷却ファン10 MB M2FAN8
COOLING FAN 10
MB M2FAN8
-CN1
(MODULE B SIDE2)
2AGXBA0086**
SIDE2モジュール冷却ファン
SIDE2 MODULE
COOLING FAN
M1FAN11
M1FAN11
-CN1
2AGXBA0075**
冷却ファン11
COOLING FAN 11
(MODULE B SIDE2)
MB M2FAN6
M1PCB1
MB M2FAN6
-CN1
M1FAN12
2AGXBA0084**
SIDE2 天井冷却ファン
SIDE2 UPPER
COOLING FAN
M1FAN12
-CN1
2AGXBA0076**
冷却ファン12
COOLING FAN 12
(MODULE B SIDE2)
:DC線(DC WIRING)
:シールド、通信線(SHIELD、COMMUNICATION WIRING)
:アース線(EARTH WIRING)
:AC、動力用配線(WIRING FOR AC&POWER)
:AC、動力用シールド配線(SHIELD WIRING FOR AC&POWER)
b0X361Gq
b0X361Gq
Downloaded at 2020/05/19 21:05:96 by 395B4578 DL#wIFD31dS
Downloaded at 2020/05/19 21:05:96 by 395B4578 DL#wIFD31dS