2RGXBA020207ElectricalSchematic(AIMEXII) .pdf - 第262页
NAME T I T L E DRAWING No. 機関接続図 CONNECTION DIAGRAM 2 RGX BA 00 68 05 操作パネル OPERATION PANEL TYPE AIMEXⅡ 4 0 79 FUJI SECRET コントロールBOX 前側(SIDE1) C O N T R O L B O X F R O N T S I D E ( S I D E 1 ) Side1非常停止PB M 1 P B 1 E S…

NAME
TITLE
DRAWING No.
機関接続図
CONNECTION DIAGRAM
2RGXBA006805
装置カバー
MACHINE COVER
TYPE
AIMEXⅡ
39
79
FUJI SECRET
コントロールBOX
CONTROL BOX
インターフェース基板
INTERFACE BOARD
I/F
ACN29
オプション(MA サイド1 側面カバー)
OPTION(MA SIDE1 SIDE COVER)
ACN29
2EGMBA0382**
I/F
ACN29
MA M2LS16E
-CN1 SIDE1 側面カバー開閉確認
SIDE1 SIDE COVER
CLOSED CHECK
2EGMBA0615** 2EGMBA0398**
MA M2LS16E
リモートI/O基板
REMOTE I/O BOARD
I/F
ACN29
a-3
MA R2
Ya-3
c-4
MA R2
Yc-4
A2PCB12
オプション(MA サイド2 側面カバー)
OPTION(MA SIDE2 SIDE COVER)
MA M2LS26E
-CN1 SIDE2 側面カバー開閉確認
SIDE2 SIDE COVER
CLOSED CHECK
2EGMBA0357**
MA M2LS26E
2EGMBA0613**
I/F
BCN29
オプション(MB サイド1 側面カバー)
BCN29
2EGMBA0383**
OPTION(MB SIDE1 SIDE COVER)
I/F
BCN29
MB M2LS16E
-CN1 SIDE1 側面カバー開閉確認
SIDE1 SIDE COVER
CLOSED CHECK
2EGMBA0616** 2EGMBA0400**
MB M2LS16E
リモートI/O基板
REMOTE I/O BOARD
I/F
BCN29
a-3
MB R2
Ya-3
c-4
MB R2
Yc-4
B2PCB12
オプション(MB サイド2 側面カバー)
OPTION(MB SIDE2 SIDE COVER)
MB M2LS26E
-CN1 SIDE2 側面カバー開閉確認
SIDE2 SIDE COVER
CLOSED CHECK
2EGMBA0358**
M1PCB1
MB M2LS26E
2EGMBA0614**
:DC線(DC WIRING)
:シールド、通信線(SHIELD、COMMUNICATION WIRING)
:アース線(EARTH WIRING)
:AC、動力用配線(WIRING FOR AC&POWER)
:AC、動力用シールド配線(SHIELD WIRING FOR AC&POWER)
b0X361Gq
b0X361Gq
Downloaded at 2020/05/19 21:05:96 by 395B4578 DL#wIFD31dS
Downloaded at 2020/05/19 21:05:96 by 395B4578 DL#wIFD31dS

NAME
TITLE
DRAWING No.
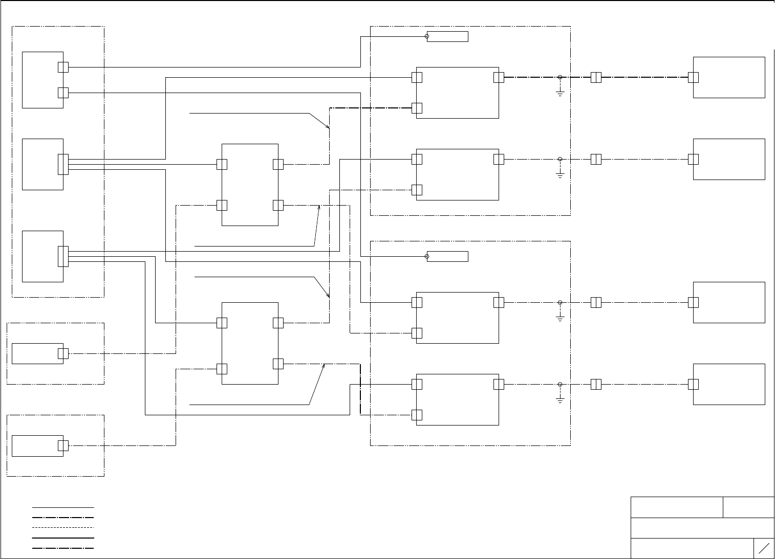
機関接続図
CONNECTION DIAGRAM
2RGXBA006805
操作パネル
OPERATION PANEL
TYPE
AIMEXⅡ
40
79
FUJI SECRET
コントロールBOX 前側(SIDE1)
CONTROL BOX FRONT SIDE(SIDE1)
Side1非常停止PB
M1PB1E
Side1 EMERGENCY
STOP PB
インターフェース基板
デバイス表示ユニット
INTERFACE BOARD
DEVICE DISPLAY UNIT
操作パネル
2EGMBA0509** OPERATION PANEL
CN20
MA DDU1
CN1
I/F CN20
2EGMBA0514** 2EGXBA0171**
DC/IO
DEVICE
IN
DEVICE
OUT
MA PANEL1
DC/IO
MA PANEL1
DEVICE IN
MA DDU1
DEVICE OUT
2EGXBA0222**
CN21
I/F CN21 MA DDU1
DFP IN
M1PCB1
MA PANEL1
DFP IN
MA PANEL1
画像分配器
デバイス表示ユニット
コネクタ基板
CONNECTOR BOARD DEVICE DISPLAY UNIT
操作パネル
PANEL
DISTRIBUTOR
OPERATION PANEL
2EGMBA0506**
MB DDU1
CN1
2EGMBA515** 2EGXBA0109**
DC/IO
DEVICE
IN
DEVICE
OUT
CN12 DC
FRONT
DFP
MB PANEL1
DC/IO
MB PANEL1
DEVICE IN
MB DDU1
DEVICE OUT
MA PDIST
DC
MA PDIST
FRONT DFP
MA CNT
CN12
MB DDU1
DFP IN
AM2PCB1
MB PANEL1
DFP IN
MB PANEL1
DFP
IN
REAR
DFP
MA PDIST
DFP IN
MA PDIST
REAR DFP
コネクタ基板
A2PDIST1
CONNECTOR BOARD
後側(SIDE2)
2EGXBA0116**
REAR SIDE(SIDE2)
CN12
Side2非常停止PB
M1PB2E
Side2 EMERGENCY
STOP PB
MB CNT
CN12
デバイス表示ユニット
DEVICE DISPLAY UNIT
BM2PCB1
操作パネル
画像分配器
OPERATION PANEL
MA DDU2
CN1
PANEL
DISTRIBUTOR 2EGMBA0516** 2EGXBA0110**
DC/IO
DEVICE
IN
DEVICE
OUT
MA PANEL2
DC/IO
MA PANEL2
DEVICE IN
MA DDU2
DEVICE OUT
モジュールCPU BOX
MODULE CPU BOX
DC
FRONT
DFP
MA DDU2
MB PDIST
DC
MB PDIST
FRONT DFP
DFP IN
CPUボード
MA PANEL2
DFP IN
CPU BOARD
MA PANEL2
PANEL
LINK
デバイス表示ユニット
MA CPU2
PANEL
LINK
DEVICE DISPLAY UNIT
REAR
DFP
PCB1
操作パネル
DFP
IN
MB PDIST
REAR DFP
OPERATION PANEL
MB PDIST
DFP IN
MB DDU2
CN1
2EGMBA0517** 2EGXBA0170**
DC/IO
DEVICE
IN
DEVICE
OUT
MA CPU2 B2PDIST1
MB PANEL2
DC/IO
MB PANEL2
DEVICE IN
MB DDU2
DEVICE OUT
モジュールCPU BOX
MB DDU2
MODULE CPU BOX
DFP IN
MB PANEL2
DFP IN
CPUボード
MB PANEL2
CPU BOARD
PANEL
LINK
MB CPU2
PANEL
LINK
PCB1
MB CPU2
:DC線(DC WIRING)
:シールド、通信線(SHIELD、COMMUNICATION WIRING)
:アース線(EARTH WIRING)
:AC、動力用配線(WIRING FOR AC&POWER)
:AC、動力用シールド配線(SHIELD WIRING FOR AC&POWER)
RH3300*
RH3300*
RH3300*
RH3300*
2EGXBA0053**
2EGXBA0054**
ラベルを[図番:2EGXBA0249**]へ貼替えて使用
ラベルを[図番:2EGXBA0249**]へ貼替えて使用
ラベルを[図番:2EGXBA0249**]へ貼替えて使用
ラベルを[図番:2EGXBA0249**]へ貼替えて使用
b0X361Gq
b0X361Gq
Downloaded at 2020/05/19 21:05:96 by 395B4578 DL#wIFD31dS
Downloaded at 2020/05/19 21:05:96 by 395B4578 DL#wIFD31dS

NAME
TITLE
DRAWING No.
機関接続図
CONNECTION DIAGRAM
2RGXBA006805
前後工程インターフェース
F/R INTERFACE
TYPE
AIMEXⅡ
41
79
FUJI SECRET
26 26
1 1
ベースCPU BOX
BASE CPU BOX
CPUボード
CN-ETHER
CPU BOARD
2EGMBA0540**
LAN
BASE CPU
LAN
PCB1
CN-M1 CN-M2
2EGMBA0172** 2EGMBA0171**
前工程基板搬送I/F基板 後工程基板搬送I/F基板
コントロールBOX
PREVIOUS PANEL
TRANSFER BOARD CONTROL BOX
NEXT PANEL
TRANSFER BOARD
インターフェース基板
INTERFACE BOARD
CN2 CN2
SMF
CN2
SMR
CN2
2EGMBA0166** 2EGMBA0167**
CN3 CN7 CN9 CN3
SMF
CN3
SMR
CN3
I/F
CN7
I/F
CN9
2EGMBA0168** 2EGMBA0170**
M1PCB1
CN5
M1LS17
-CN1
M1LS27
-CN1
CN5
SMF
CN5
SMR
CN5
M0PCB1 M0PCB2
LANE1-F CN-CVIF F CN-CVIF R LANE1-R
2EGMBA0169**
LANE2-F LANE2-R
CBB CN6A CBB CN7A
AR111
AS111
AT111
BR111
BS111
BT111
CBB
CN6
CBB
CN7
:DC線(DC WIRING)
:シールド、通信線(SHIELD、COMMUNICATION WIRING)
:アース線(EARTH WIRING)
:AC、動力用配線(WIRING FOR AC&POWER)
:AC、動力用シールド配線(SHIELD WIRING FOR AC&POWER)
b0X361Gq
b0X361Gq
Downloaded at 2020/05/19 21:05:96 by 395B4578 DL#wIFD31dS
Downloaded at 2020/05/19 21:05:96 by 395B4578 DL#wIFD31dS