2RGXBA020207ElectricalSchematic(AIMEXII) .pdf - 第7页
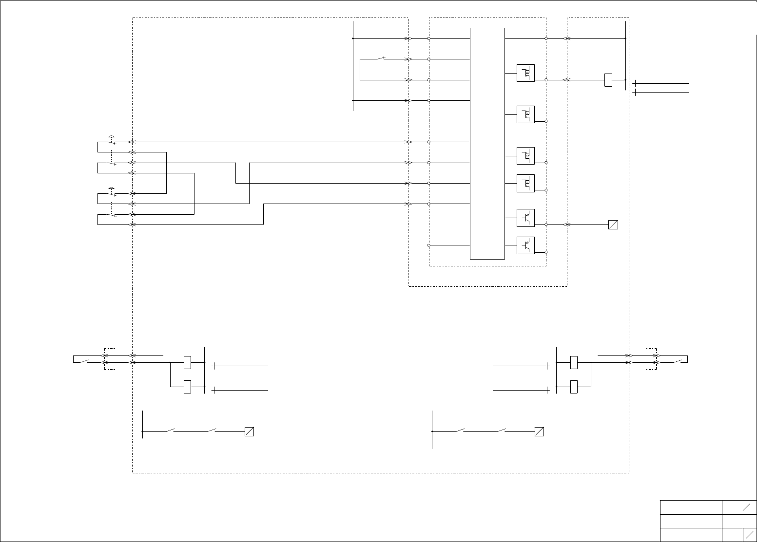
NAME TYPE ブロック図 BLOCK DIAGRAM AIMEX T I T L E AIMEXシステム構成 AIMEX SYSTEM CONFIGURATION DIAGAM DRAWING No. 4 4 RL 038 52 P RE V I O US PA G E R S 4 8 5 R S 4 8 5 I E E E 1 3 9 4 A I R V A C U U M A I R V A C U U M シ ング ル ロ …

NAME TYPE
ブロック図
BLOCK DIAGRAM
AIMEX
TITLE
AIMEXシステム構成
AIMEX SYSTEM CONFIGURATION DIAGAM
DRAWING No.
3
4
RL03852
シングルロボット仕様
Single robot specification
MODULE A
パネル分配器
SIDE1
PANEL DISTRIBUTOR
SIDE2
操作パネル CPU BOX 2 操作パネル
OPERATION PANEL
CPU BOX 2
OPERATION PANEL
SIDE1 SIDE2
ATX POWER SUPPLY
MAIN BOARD
PANEL LINK
M
Y2 AXIS
Y2 AXIS AMP.
CU NET
(LINEAR MOTOR)
デバイス表示器
Y2 SCALE
デバイス表示器
UART8
DEVICE DISPLAY DEVICE DISPLAY
SERVO BOX 2
IEEE1394
SIDE1 SERVO BOX 2 SIDE2
D I/O
POWER SUPPLY
VISION
X AXIS AMP.
M
X2 AXIS
Z AXIS AMP.
M
Z AXIS
R AXIS AMP.
M
R AXIS HEAD 2
Q AXIS AMP.
M
Q AXIS
SERVO
SynqNet
パレット パレット
PALLET PALLET
制御盤
SIDE1 SIDE2
CONTOROL BOX
DC POWER SUPPLY
コンベアコントローラ
CONTROL
CONVEYOR CONTROLER
ヘッドユニット2
HEAD UNIT 2
M
C/V MOTOR 1
DC POWER SUPPLY DC POWER SUPPLY
RS232C
M
C/V MOTOR 2
ACUTUATOR ACUTUATOR
リモートI/O2
M
CLAMP MOTOR 1
RS485
REMOTE I/O 2
INTERFACE BOARD
M
CLAMP MOTOR 2
CONTROL CIRCUIT
48/32
SAFETY CIRCUIT
M
WIDTH MOTOR 1
M
WIDTH MOTOR 2
M
WIDTH MOTOR 3
NEXT PAGE
RS485
RS485
ETHER NET
IEEE1394
AIR
VACUUM
VACUUM
基板搬送BKT(前工程)
RS485
PANEL TRANSFER
SIGNAL
(PREVIOUS)
PANEL TRANSFER BKT(PREVIOUS) AIR
基板搬送BKT(後工程)
RS485
PANEL TRANSFER
SIGNAL
(NEXT)
PANEL TRANSFER BKT(NEXT)
安全確認信号(前工程)
SAFETY CHECK
SIGNAL
(PREVIOUS)
SAFETY CHECK SIGNAL(PREVIOUS)
CPU BOX
CPU BOX
安全確認信号(後工程)
SAFETY CHECK
SIGNAL
(NEXT)
IEEE1394
HUB
SAFETY CHECK SIGNAL(NEXT)
ATX POWER SUPPLY
MAIN BOARD
エア3点セット
AIR REGULATORS
パーツ真空ポンプ制御BKT
D I/O
PARTS VACUUM PUMP CONTROL BKT
IEEE1394
AIR
CU NET
ポンプモータ
M
PUMP MOTOR
LAN
開閉器 ブレーカ ノイズフィルタ サーキットブレーカ
SWITCHI BREAKER NOISE FILTER CIRCUIT BREAKER
AC200~230V 3φ
50/60Hz
リモートI/O1
REMOTE I/O 1
48/32
A
B B B
PARTS1
PARTS2
MARK
HEAD
TRIGER
PARTS CAM 1
MARK CAM 2
HEAD CAM 2
REPETER
B
C
PARTS CAM 2
b0X361Gq
b0X361Gq
Downloaded at 2020/05/19 21:05:96 by 395B4578 DL#wIFD31dS
Downloaded at 2020/05/19 21:05:96 by 395B4578 DL#wIFD31dS

NAME TYPE
ブロック図
BLOCK DIAGRAM
AIMEX
TITLE
AIMEXシステム構成
AIMEX SYSTEM CONFIGURATION DIAGAM
DRAWING No.
4
4
RL03852
PREVIOUS PAGE
RS485
RS485
IEEE1394
AIR
VACUUM
AIR
VACUUM
シングルロボット仕様
Single robot specification
MODULE B
パネル分配器
SIDE1
PANEL DISTRIBUTOR
SIDE2
操作パネル CPU BOX 2 操作パネル
OPERATION PANEL
CPU BOX 2
OPERATION PANEL
SIDE1 SIDE2
ATX POWER SUPPLY
MAIN BOARD
PANEL LINK
M
Y2 AXIS
Y2 AXIS AMP.
CU NET
(LINEAR MOTOR)
デバイス表示器
Y2 SCALE
デバイス表示器
UART8
DEVICE DISPLAY DEVICE DISPLAY
SERVO BOX 2
IEEE1394
SIDE1 SERVO BOX 2 SIDE2
D I/O
POWER SUPPLY
VISION
X AXIS AMP.
M
X2 AXIS
Z AXIS AMP.
M
Z AXIS
R AXIS AMP.
M
R AXIS HEAD 2
Q AXIS AMP.
M
Q AXIS
SERVO
SynqNet
パレット パレット
PALLET PALLET
制御盤
SIDE1 SIDE2
CONTOROL BOX
DC POWER SUPPLY
コンベアコントローラ
CONTROL
CONVEYOR CONTROLER
ヘッドユニット2
HEAD UNIT 2
M
C/V MOTOR 1
DC POWER SUPPLY DC POWER SUPPLY
RS232C
M
C/V MOTOR 2
ACUTUATOR ACUTUATOR
リモートI/O1 リモートI/O2
M
CLAMP MOTOR 1
REMOTE I/O 1
RS485
REMOTE I/O 2
INTERFACE BOARD
M
CLAMP MOTOR 2
48/32
CONTROL CIRCUIT
48/32
SAFETY CIRCUIT
M
WIDTH MOTOR 1
M
WIDTH MOTOR 2
M
WIDTH MOTOR 3
B B B
PARTS CAM 1
PARTS CAM 2
MARK CAM 2
C
HEAD CAM 2
REPETER
B
PARTS1
PARTS2
MARK
HEAD
TRIGER
b0X361Gq
b0X361Gq
Downloaded at 2020/05/19 21:05:96 by 395B4578 DL#wIFD31dS
Downloaded at 2020/05/19 21:05:96 by 395B4578 DL#wIFD31dS

1 01
1 02
1 03
1 04
1 05
1 06
1 07
1 08
1 09
1 10
1 11
1 12
1 13
1 14
1 15
1 16
1 17
1 18
1 19
1 20
1 21
1 22
1 23
1 24
1 25
1 26
1 27
1 28
1 29
1 30
1 31
1 32
1 33
1 34
1 35
1 36
1 37
1 38
1 39
1 40
1 41
1 42
1 43
1 44
1 45
NAME PAGE
安全回路
SAFETY CIRCUIT DIAGRAM
5
1
TITLE TYPE
ベース安全回路
BASE SAFETY CIRCUIT
AIMEXⅡ
DRAWING No.
1
5
FUJI SECRET
2RGXBA014101
M1CR21E
12 11
126
セーフティーリレー正常
M0CR1X
1 16
前工程安全扉閉じ確認
a
b
121 210
M0CR1X1
1 16
前工程安全扉閉じ確認
a
b
121 215
M0CR1X
4 8
118
前工程安全扉閉じ確認
M0CR1X1
13 9
119
前工程安全扉閉じ確認
M0CR2X
4 8
140
後工程安全扉閉じ確認
M0CR2X1
13 9
141
後工程安全扉閉じ確認
M1CR21E
0 1
セーフティーリレー正常
a
b
a
b
210
103
215 410
415
I
O
a
b
143 410
M0CR2X
16 1
後工程安全扉閉じ確認
a
b
143 415
M0CR2X1
16 1
後工程安全扉閉じ確認
I
O
I
O
M1PB1E
11 12
M1PB2E
11 12
(M1PCB1)
AP1/M1
(BM2SR1)
K2/BM2
INTERFACE PCB
インターフェース基板
+24VM4
SIDE1非常停止押しボタン
M153
SIDE1 EMERGENCY STOP BUTTON
-1
M157
-2
M155
-3
M158
-4
CN21
M157
-1
M154
-2
M158
-3
M156
-4
SIDE2非常停止押しボタン
SIDE2 EMERGENCY STOP BUTTON
GA
CN-M1 CN7
B7 B7 (+24VM4)
前工程安全扉閉じ確認
前工程インタフェース
-1C -8
PREVIOUS SIDE SAFETY DOOR CLOSE OK
B8 B8 (M0003)
PREVIOUS INTERFACE
-1D -9
G6A-274P-ST-US
G6A-274P-ST-US
+24VM1
BX010A BX011A
セーフティーリレーユニット
SAFETY RELAY UNIT
(M1SR1)
GA
K1/M1
Control
circuit
A1(+) A2(-)
M151
T31
セーフティーリレー正常
SAFETY RELAY OK
M152 M171
T33 S14
G7SA-5A1B
T32
S44
M153
T12
M154
T11 L1
M155
T22
L2
M156
T21
BX00D BX00D
セーフティーリレー正常
X1
SAFETY RELAY OK
Y1
X2
GA
CN9 CN-M2
(+24VM4) B5 B5
後工程安全扉閉じ確認
-8 -1C
後工程インタフェース
NEXT SIDE SAFETY DOOR CLOSE OK
(M0004) B6 B6
NEXT INTERFACE
-9 -1D
G6A-274P-ST-US
G6A-274P-ST-US
BX010
前工程安全扉閉じ確認
PREVIOUS SIDE SAFETY DOOR CLOSE OK
BX011
後工程安全扉閉じ確認
NEXT SIDE SAFETY DOOR CLOSE OK
+24VM1
LEFT SIDE RIGHT SIDE
CN20
CN2
-3
-5
-6
-7
-8
-9
-10
-11
-4
-12
-13
CN2
21 22
21 22
b0X361Gq
b0X361Gq
Downloaded at 2020/05/19 21:05:96 by 395B4578 DL#wIFD31dS
Downloaded at 2020/05/19 21:05:96 by 395B4578 DL#wIFD31dS