2RGXBA020207ElectricalSchematic(AIMEXII) .pdf - 第299页
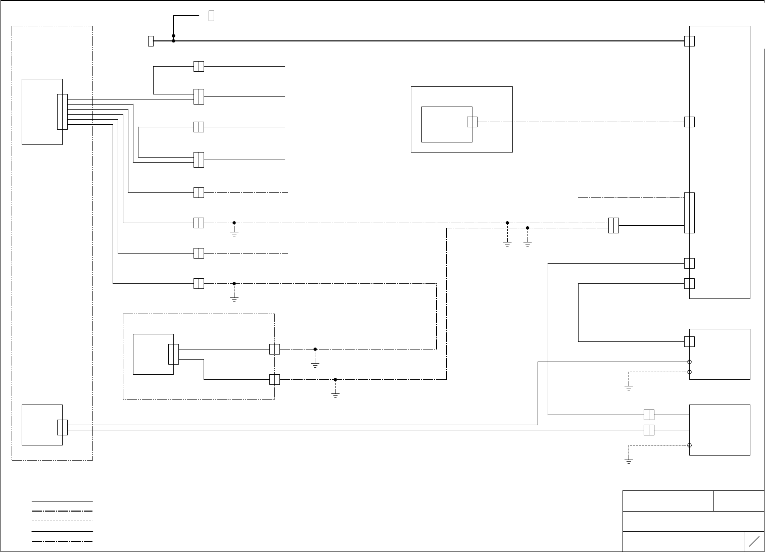
NAME T I T L E DRAWING No. 機関接続図 CONNECTION DIAGRAM 2 RGX BA 00 68 05 コプラナリティ COPLANARITY TYPE AIMEXⅡ 7 7 79 FUJI SECRET 74 78 78 72 76 75 75 5 6 5 6 コントロールBOX モジュールCPU BO X I / F B C N 1 8 - A C O N T R O L B O X M O D …

NAME
TITLE
DRAWING No.
機関接続図
CONNECTION DIAGRAM
2RGXBA006805
コプラナリティ
COPLANARITY
TYPE
AIMEXⅡ
76
79
FUJI SECRET
75
77
56
56
モジュールB SIDE1
:DC線(DC WIRING)
MODULE B SIDE1
:シールド、通信線(SHIELD、COMMUNICATION WIRING)
:アース線(EARTH WIRING)
:AC、動力用配線(WIRING FOR AC&POWER)
:AC、動力用シールド配線(SHIELD WIRING FOR AC&POWER)
LINEAR SCALE
CONTROL BOARD
Y2平型ケーブル
2EGXBA0031**
Y2 FLAT CABLE
交換
CHANGE
MB SIDE1
FAN1,2
取外しハーネス
2EGMBA0596**
CN6
MB SIDE1
MEAS.CNT-CN1
2EGMGH0008**
CN5
MB SCALE
PCB1 CN6
MB SCALE
PCB1 CN5
MB SIDE1
FAN3,4
CN3
MB SCALE
PCB1 CN3
B12PCB1
Yモータ温度確認1
Y AXIS TEMPERATURE
CHECK 1
R1
Y1軸リニア
スケール2
MB46LSI1
Y1 AXIS LINEAR
SCALE 2
Yモータ温度確認2
Y AXIS TEMPERATURE
CHECK 2
R2
取外しハーネス
2AGXSA0013**
交換
CHANGE
2AGXSA0026**
リニアスケール制御基板
MB
COPLA-1
2EGXBA0028**
モジュールCPU BOX
MODULE CPU BOX
MB CPU1
コントロールBOX
CONTROL BOX
M1PCB1
I/F
BCN14
BCN14
SERVO BOARD
サーボ基板
PCB7
I/O
MB CPU1
SERVO I/O
INTERFACE BOARD
インターフェース基板
取外しハーネス
2EGMBA0499**
交換
CHANGE
モジュールB 2ロボット仕様
MODULE B 2ROBOT Spc.
b0X361Gq
b0X361Gq
Downloaded at 2020/05/19 21:05:96 by 395B4578 DL#wIFD31dS
Downloaded at 2020/05/19 21:05:96 by 395B4578 DL#wIFD31dS

NAME
TITLE
DRAWING No.
機関接続図
CONNECTION DIAGRAM
2RGXBA006805
コプラナリティ
COPLANARITY
TYPE
AIMEXⅡ
77
79
FUJI SECRET
74
78
78
72
76
75
75
5
6
5
6
コントロールBOX
モジュールCPU BOX
I/F
BCN18-A
CONTROL BOX
MODULE CPU BOX
CPUボード
インターフェース基板
工業用PC
INTERFACE BOARD
CPU BOARD
MB
COPLA-1
INDUSTRIAL PC
2EGMGH0065**
2EGXGH0033**
UART8 RS232C
MB CPU2
UART8
MB SIDE2
RS232C
PCB1
I/F
BCN18-B
BCN18
2EGXGH0011**
I/F BCN18-B
MB CPU2
POWER
MB SIDE2
POWER
MB
COPLA-2
I/F
BCN18
2EGXBA0029**
MB
COPLA-2
MB SIDE2
MEAS.CNT
M1PCB1
MEAS.CNT
MB SIDE2
MEAS.CNT
I/F
BCN18-C
MB SIDE2
COPLA
2EGXGH0032**
I/F
BCN18-D
SENSOR HEAD
モニタ SIDE1:2EGMGH0016**
モニタ SIDE2:2EGMGH0017**
VGA
I/F
BCB18-4
MB SIDE*
VGA
MB46PC2
I/F
BCB18-5
モニタ
2EGMGH0063**
MONITOR
VGA
MB SIDE*
VGA
リモートI/O基板BKT
REMOTE I/O BOARD BKT
DC24V
2EGXGH0009**
CN-OP1
RH4440*
CN1
MB S2
CN-OP1
CN-1
COPLANARITY
PCB2
MB S2
COPLANARITY
工業用PC付属品(4.5m)
コネクタ基板
CONNECTOR BOARD
2EGMGH0020**
CN13
MB CNT
CN13
BM2PCB1
モジュールB SIDE2
:DC線(DC WIRING)
MODULE B SIDE2
:シールド、通信線(SHIELD、COMMUNICATION WIRING)
:アース線(EARTH WIRING)
:AC、動力用配線(WIRING FOR AC&POWER)
:AC、動力用シールド配線(SHIELD WIRING FOR AC&POWER)
2EGMGH0055**
2EGMGH0050**
2EGXBA0028**
I/F BCN18-A
MB
COPLA-1
2EGXGH0018**
2EGXGH0021**
I/F BCN18-C
I/F BCN18-4
モニタ SIDE1:2EGXGH0023**
モニタ SIDE2:2EGXGH0020**
SIDE2 センサヘッド
SIDE2 SENSOR HEAD
CB BCN3
CB BCN3
CB BCN3-2
CB BCN3-1
RELAY BOARD
リレー基板
b0X361Gq
b0X361Gq
Downloaded at 2020/05/19 21:05:96 by 395B4578 DL#wIFD31dS
Downloaded at 2020/05/19 21:05:96 by 395B4578 DL#wIFD31dS

NAME
TITLE
DRAWING No.
機関接続図
CONNECTION DIAGRAM
2RGXBA006805
コプラナリティ
COPLANARITY
TYPE
AIMEXⅡ
78
79
FUJI SECRET
77
77
58
58
モジュールB SIDE2
:DC線(DC WIRING)
MODULE B SIDE2
:シールド、通信線(SHIELD、COMMUNICATION WIRING)
:アース線(EARTH WIRING)
:AC、動力用配線(WIRING FOR AC&POWER)
:AC、動力用シールド配線(SHIELD WIRING FOR AC&POWER)
リニアスケール制御基板
2EGMGH0067**
LINEAR SCALE
CONTROL BOARD
Y2平型ケーブル
Y2 FLAT CABLE
交換
CHANGE
MB SIDE2
FAN1,2
取外しハーネス
2EGMBA0598**
CN6
2EGMGH0009**
MB SIDE2
MEAS.CNT
CN5
MB SCALE
PCB2 CN6
MB SCALE
PCB2 CN5
MB SIDE2
FAN3,4
CN3
MB SCALE
PCB2 CN3
B22PCB1
Yモータ温度確認1
Y AXIS TEMPERATURE
CHECK 1
R1
Y2軸リニア
スケール2
MB46LSI2
Y2 AXIS LINEAR
SCALE 2
Yモータ温度確認2
Y AXIS TEMPERATURE
CHECK 2
R2
取外しハーネス
2AGXSA0014**
交換
CHANGE
2AGXSA0023**
MB
COPLA-2
2EGXBA0029**
コントロールBOX
CONTROL BOX
モジュールCPU BOX
MODULE CPU BOX
MB CPU2
PCB7
MB CPU2
SERVO I/O
SERVO BOARD
サーボ基板
I/O
M1PCB1
BCN15
I/F
BCN15
INTERFACE BOARD
インターフェース基板
取外しハーネス
2EGMBA0544**
交換
CHANGE
b0X361Gq
b0X361Gq
Downloaded at 2020/05/19 21:05:96 by 395B4578 DL#wIFD31dS
Downloaded at 2020/05/19 21:05:96 by 395B4578 DL#wIFD31dS