2RGXBA020207ElectricalSchematic(AIMEXII) .pdf - 第167页
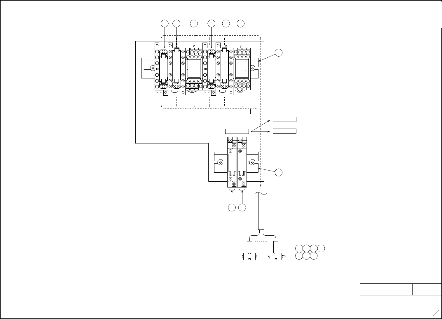
NAME T I T L E DRAWING No. 部品配置図 PARTS ARRANGEMENT 2 R G XB A0 18 00 0 制御盤 CONTROL BOX TYPE AIMEXⅡ 1 3 13 FUJI SECRET FH1452B*F パーツ光源 サーボI/ O1 予備I/O1 予 備I/O2 リモートI/O2 ヘッド中継 SIDE1 モジュール冷却ファン SIDE CO VER P A R T S L I G H …

NAME
TITLE
DRAWING No.
部品配置図
PARTS ARRANGEMENT
2RGXBA018000
制御盤
CONTROL BOX
TYPE
AIMEXⅡ
12
13
FUJI SECRET
FH1452B*F
制御回路 メイン DI/O1 メイン DI/O2 サブ DI/O1 サブ DI/O2 SIDE1 コンベア
CONTROL CIRCUIT MAIN DI/O1 MAIN DI/O2 SUB. DI/O1 SUB. DI/O2 SIDE1 CONVEYOR
BCN2 BCN3 BCN4 BCN5 BCN6 BCN7 BCN9
線番 線番 線番 線番 線番 線番 線番
PIN
NO
PIN
NO
PIN
NO
PIN
NO
PIN
NO
PIN
NO
PIN
NO
WIRE MARK WIRE MARK WIRE MARK WIRE MARK WIRE MARK WIRE MARK WIRE MARK
1 BM202 1 GA 1 GA 1 GA 1 GA 1 BM233 1 BM210A
2 BM203 2 BFX000 2 BFX010 2
BFX000(BTX000)
2
BFY018(BTX010)
2 BM234 2 BM210A
3 BRY03B 3 BFX001 3 BFX011 3 BTX001 3 BTX011 3 BM243 3 B+24VA1
4 BGB 4 BFX002 4 BFX012 4
BFX002(BTX002)
4
BFY019(BTX012)
4 BM244 4 GA
5 BTX000 5 BFX003 5 BFX013 5 BTX003 5
BFX013(BTX013)
5 B+24VA1 5
B+24VA1(BTX018)
6 B+24VAR3 6 BFX004 6 BFX014 6 BTX004 6
BFX014(BTX014)
6 BM205 6
B+24VA1(BTX019)
7 BRX055 7 BFX005 7 BFX015 7 BTX005 7
BFX015(BTX015)
7 BRY039 7 GA
8 8 BFX006 8 8 BTX006 8 8 BGB 8 BK106
9 BGB 9 BFX007 9
B+24VA1(BFX017)
9 BTX007 9 9 B+24VA1 9 OPTOF
10 +24VM4 10 BFX008 10 10 BTX008 10
B+24VA1(BTX018)
10 BFX002
11 GA 11 BFX009 11 11 BTX009 11
B+24VA1(BTX019)
11 B+24VA1
リモートI/O1、SIDE1残テープ
RIMOTE I/O1 SIDE1 WASTE TAPE
12 +24VM4 12 BFX00A 12 BFX01A 12 BTX00A 12
BFY01E(BTX01A)
12 BFX00F
13 BM211 13 BFX00B 13 BFX01B 13 BTX00B 13
BFY01F(BTX01B)
13 BM237
BCN10
14 BM223 14 14 14 BTX00C 14 14 BM238 線番
PIN
NO
15 BM213 15 15
B+24VA1(BFX01D)
15 BTX00D 15
B+24VA1(BTX01D)
15 BM247
WIRE MARK
16 BM214 16 16
B+24VA1(BFX01E)
16 BTX00E 16
B+24VA1(BTX01E)
16 BM248 1 BRY00A
17 BM215 17 BFX00F 17
B+24VA1(BFX01F)
17 BTX00F 17
B+24VA1(BTX01F)
2 BFAN13AL
18 BM216 18 GA 18 GA 18 GA 18 GA 3 B+24VA1A
19 BM251 19 19 19 19 4 BK3107
20 20 20 20 20 5 BK3108
SIDE2
SIDE2
21 21 21 21 21 6 BFY004A
22 GA 22 BFY000 22 BFY010 22 BTY000 22 BTY010 7 B+24VA1C
BCN8
23 GA 23 23 BFY011 23 BTY001 23 BTY011 線番 8 BRY012
PIN
NO
24 24 24 BFY012 24 BTY002 24 BTY012
WIRE MARK
9 BRY012B
25 BFY003 25 BFY013 25 BTY003 25 BTY013 1 BM234 10 BRX055
26 BFY004 26 BFY014 26 BTY004 26 BTY014 2 BM235
リモートI/O2、SIDE2残テープ
RIMOTE I/O2 SIDE2 WASTE TAPE
27 27 BFY015 27 BTY005 27 BTY015 3 BM244
28 28 BFY016 28 BTY006 28 BTY016 4 BM245
BCN11
29 29 BFY017 29 BTY007 29 BTY017 5 B+24VA1 線番
PIN
NO
30 30 BFY018 30 BTY008 30
BFX010(BTY018)
6 BM206
WIRE MARK
31 31 BFY019 31 BTY009 31
BFX012(BTY019)
7 BRY03A 1 BRY02A
32 32 BFY01A 32 BTY00A 32 BTY01A 8 BGB 2 BFAN14AL
33 33 BFY01B 33 BTY00B 33 BTY01B 9 BM2381 3 B+24VA1B
34 34 BFY01C 34 BTY00C 34 BTY01C 10 BM239 4 BK3207
35 35 BFY01D 35 BTY00D 35 BTY01D 11 BM248 5 BK3208
36 BFY00E 36 BFY01E 36 BTY00E 36
BFX01A(BTY01E)
12 BM249 6 BTY003
37 37 BFY01F 37 BTY00F 37
BFX01B(BTY01F)
7 B+24VA1C
38 38 38 38 8 BRY032
39 B+24VA1 39 B+24VA1 39 B+24VA1 39 B+24VA1 9 BRY032B
40 B+24VA1 40 B+24VA1 40 B+24VA1 40 B+24VA1 10 BRX055
b0X361Gq
b0X361Gq
Downloaded at 2020/05/19 21:05:96 by 395B4578 DL#wIFD31dS
Downloaded at 2020/05/19 21:05:96 by 395B4578 DL#wIFD31dS

NAME
TITLE
DRAWING No.
部品配置図
PARTS ARRANGEMENT
2RGXBA018000
制御盤
CONTROL BOX
TYPE
AIMEXⅡ
13
13
FUJI SECRET
FH1452B*F
パーツ光源 サーボI/O1 予備I/O1 予備I/O2 リモートI/O2 ヘッド中継 SIDE1 モジュール冷却ファン SIDE COVER
PARTS LIGHT SERVO I/O1 SPARE I/O1 SPARE I/O2 REMOTE I/O2 HEAD TERMINAL SIDE1 MODULE COOLING FAN SIDE COVER
BCN12 BCN14 BCN17 BCN18 BCN19 BCN22 BCN25 BCN29
線番 線番 線番 線番 線番 線番 線番 線番
PIN
NO
PIN
NO
PIN
NO
PIN
NO
PIN
NO
PIN
NO
PIN
NO
PIN
NO
WIRE MARK WIRE MARK WIRE MARK WIRE MARK WIRE MARK WIRE MARK WIRE MARK WIRE MARK
1 BFY014A 1 1 B+24VA1 1 B+24VA1 1 BRX050 1 BM274 1 B+24VF4 1 BM239
2 BFY015A 2 BK104 2 B+24VA1 2 B+24VA1 2 BRX051 2 BOPTOC 2 GF 2 BM240
3 BGB 3 BK102 3 BTX001 3 BFX001 3 BRX052 3 BFX011 3 B+24VF4 3 BM249
4 BFY016A 4 B+24VB1 4 BTX003 4 BFX003 4 BRX053 4 B+24VA1 4 B+24VF4 4 BM250
5 BFY017A 5 BK105 5 GA 5 GA 5 B+24VAR3 5 BM274 5 GF 5 B+24VAR3
6 BGB 6 B+24VB1 6 GA 6 GA 6 6 BOPTOC2 6 GF 6 BRX059
7 BTY010 7 GA 7 B+24VA1 7 BTY006 7 BRX057 7 BTX011 7 BRY02B
8 BTY011 8 8 B+24VA1 8 BTY007 8 BRX058 8 B+24VA1 8 BGB
9 BGB 9 9 BTX005 9 GA 9 BRX059 9 BTX00C 9 BM240
10 BTY012 10 BOPTOE 10 BTX006 10 GA 10 BRX05A 10 B+24VA1 10 BM214
SIDE2 モジュール冷却ファン
SIDE2 MODULE COOLING FAN
11 BTY013 11 BOPTOF 11 GA 11 B+24VA1 11 BRY037 11 GA 11 BM250
12 BGB 12 BOPTOA 12 GA 12 B+24VA1 12 BRY038 12 BM216
BCN26
13 BOPTOB 13 BTY000 13 BK117 13 BRY039 線番 13 B+24VAR3
SIDE1デバイスパレット
PIN
NO
SIDE1 DEVICE PALLET
14 BOPTOC 14 BTY001 14 BOPTOE2 14 BRY03A
WIRE MARK
14 BRX05A
15 BXESTOP 15 GA 15 BK118 15 BRY03B 1 B+24VH4 15 BRY036
BCN23
16 GA 16 BOPTOB2 16 BRY02B 線番 2 GH 16 BGB
PIN
NO
17 BTY002 17 GA 17 BRY036
WIRE MARK
3 B+24VH4
18 BTY005 18 GA 18 1 BM235 4 B+24VH4
19 GA 19 BTX000 19 B+24VAR3 2 BM236 5 GH
SIDE1カメラトリガ サーボI/O2
SIDE1 CAMERA TRIGGER SERVO I/O2
20 GA 20 GA 20 GA 3 BM245 6 GH
21 BTY00C 21 BTX000 4 BM246
BCN13 BCN15
線番 線番 22 GA 22 GA 5 GA
PIN
NO
PIN
NO
WIRE MARK WIRE MARK
23 B+24VA1 23 BFY00E 6 BK3109
1 BFY01C 1 24 B+24VA1 24 GA 7 BK3109
SIDE2カメラトリガ
SIDE2 CAMERA TRIGGER
2 BGB 2 BK114 25 BK107 25 BTY00E 8 BK3109
3 BFY01B 3 BK112 26 BOPTOE 26 GA
BCN21
4 BGB 4 B+24VB1 27 BK108 27 BTY00D 線番
PIN
NO
SIDE2デバイスパレット
SIDE2 DEVICE PALLET
5 BOPTOA 5 BK115 28 BOPTOB 28 BTY00F
WIRE MARK
6 BGB 6 B+24VB1 29 GA 29 GA 1 BTY01C
BCN24
7 BFY01A 7 GA 30 GA 30 GA 2 BGB 線番
PIN
NO
8 BGB 8 3 BTY01A
WIRE MARK
9 BFY01D 9 4 BGB 1 BM236
10 BGB 10 BOPTOE2 5 BOPTOA2 2 BM237
11 B+24VAR3 11 BOPTOF 6 BGB 3 BM246
12 BRX058 12 BOPTOA2 7 BTY01B 4 BM247
13 BOPTOB2 8 BGB 5 GA
14 BOPTOC2 9 BTY01D 6 BK3209
15 BXESTOP2 10 BGB 7 BK3209
8 BK3209
b0X361Gq
b0X361Gq
Downloaded at 2020/05/19 21:05:96 by 395B4578 DL#wIFD31dS
Downloaded at 2020/05/19 21:05:96 by 395B4578 DL#wIFD31dS

NAME
TITLE
DRAWING No.
部品配置図
PARTS ARRANGEMENT
2RGXBA020000
リレーBKT
RELAY BKT
TYPE
AIMEXⅡ
1
3
FUJI SECRET
M4CR1X M4CR10X M4CR14X M4CR2X M4CR20X M4CR24X
******* *******
A32CR1X B32CR1X
A31CR1X B31CR1X
SIDE1
SIDE2
CN1
CN21
リレーBKT
RELAY BKT
1 1
2
3 34 45 5
6
11
7 8 9 10
12 13
b0X361Gq
b0X361Gq
Downloaded at 2020/05/19 21:05:96 by 395B4578 DL#wIFD31dS
Downloaded at 2020/05/19 21:05:96 by 395B4578 DL#wIFD31dS