2RGXBA020207ElectricalSchematic(AIMEXII) .pdf - 第304页
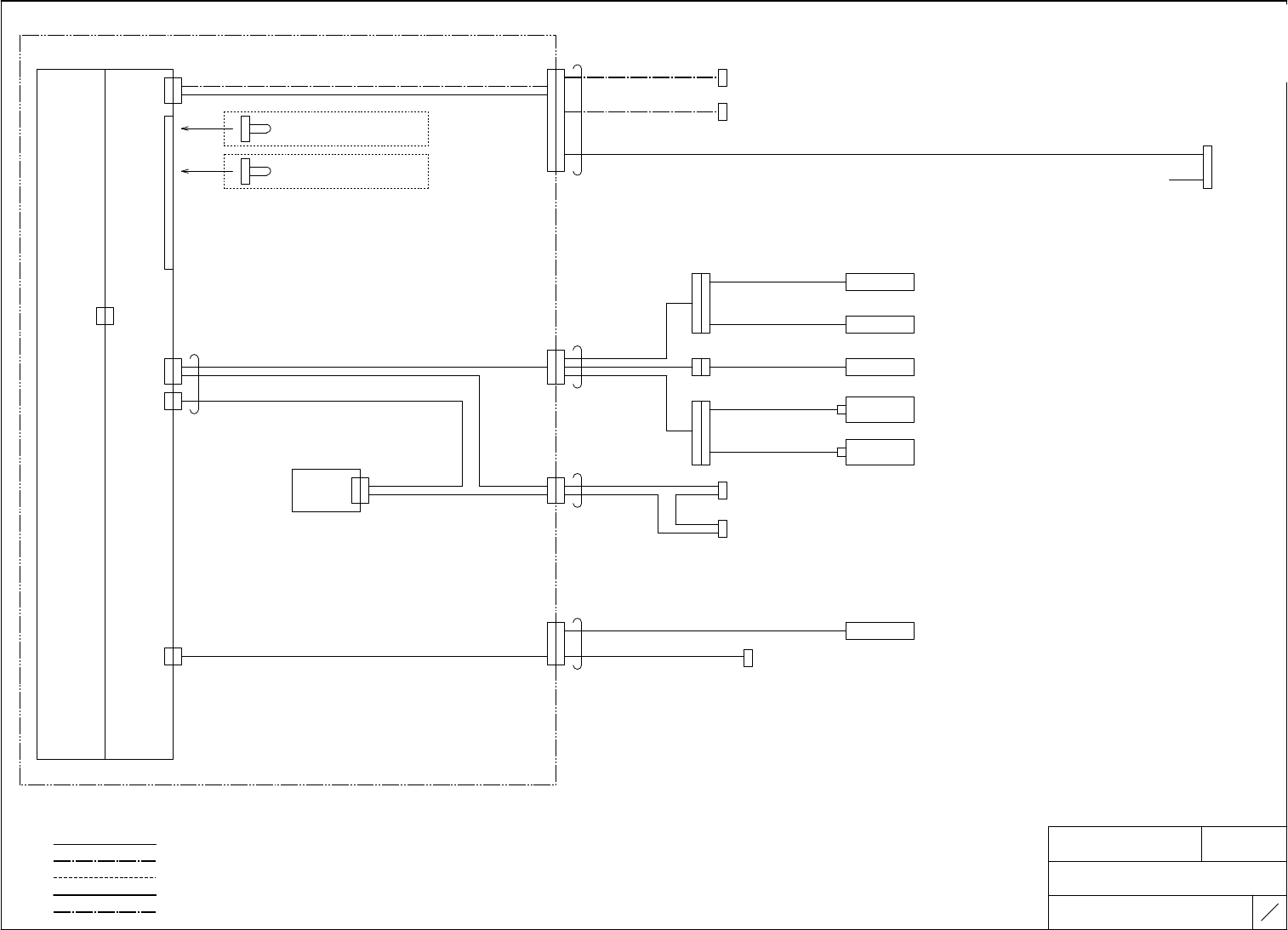
NAME T I T L E DRAWING No. 機関接続図 CONNECTION DIAGRAM 2 RGX YL 00 02 01 MA LCRチェッカ MA LCR CHECKER TYPE AIMEXⅡ 3 6 FUJI SECRET 2 : D C 線 ( D C W I R I N G ) : シ ー ル ド 、 通 信 線 ( S H I E L D 、 C O M M U N I C A T I O N W I R …

NAME
TITLE
DRAWING No.
機関接続図
CONNECTION DIAGRAM
2RGXYL000201
MA LCRチェッカ
MA LCR CHECKER
TYPE
AIMEXⅡ
2
6
FUJI SECRET
3
:DC線(DC WIRING)
:シールド、通信線(SHIELD、COMMUNICATION WIRING)
:アース線(EARTH WIRING)
:AC、動力用配線(WIRING FOR AC&POWER)
:AC、動力用シールド配線(SHIELD WIRING FOR AC&POWER)
リモートI/O基板BKT
REMOTE I/O BOARD BKT
S1
CU-NET MA R1 CN17
2EGMGC0009**
MA SIDE1のプレースヘッドへ
2EGTYL0003**
CN-A
MA R1 CN17
MA SIDE1のリモートI/O基板へ
OR
リモートI/O基板(3) CN1-2へ
AM2PCB1
CN14
2EGKYL0008**
プローブTYPE1単載仕様
コネクタ基板
CN14へ
2EGYYL0010**
MA CNT
CN14
CN-C プローブTYPE1 オプション混載仕様
36CN2 MA SIDE1LCR測定プローブ源位置確認
MA SIDE1 LCR MEASUREMENT PROBE
ORIGIN POSITION CHECK
2AGKYL0003**
36LS1
MA SIDE1LCR測定台源位置確認
MA SIDE1 LCR MEASUREMENT STAND
ORIGIN POSITION CHECKER OK
36LS2
S1
LCR CN1
2EGXYL0011**
36CN3
MA SIDE1LCR測定台着座確認
MA SIDE1 LCR MEASUREMENT
STAND SET CHECK
2EGYYL0008** 2AGKYL0001**
CN-B 36LS3
36CN4
MA SIDE1 LCR測定プローブ前進
MA SIDE1 LCR MEASUREMENT
PROBE FORWARD
2AGKYL0004**
36SOL1
MA SIDE1 LCR測定台後退
MA SIDE1 LCR MEASUREMENT
STAND BACKWARD
36SOL2
S1
LCR CN3
NZ1 CN1A
2EGXYL0008**
CN-E
CN1 MA SIDE1 ノズルチェンジャー着座確認中継側へ
MA42PCB11
NZ1 CN1A
MA SIDE1 ノズルチェンジャー着座確認センサ側へ
S1
LCR CN2
2EGXYL0012**
MA SIDE1 LCR用
NGパーツ廃棄BOX着座確認
36LS4
MA SIDE1 PARTS
EJECT BOX SET CHECK(LCR)
36CN5
2EGTYL0005**
CN-D
前側(SIDE1)
MA42PCB21
FRONT SIDE(SIDE1)
MODULE A
インターロック基板
INTERLOCK BOARD
制御基板
CONTROL BOARD
電源基板
POWER BOARD
CN3 CN6
MA42PCB31
b0X361Gq
b0X361Gq
Downloaded at 2020/05/19 21:05:96 by 395B4578 DL#wIFD31dS
Downloaded at 2020/05/19 21:05:96 by 395B4578 DL#wIFD31dS

NAME
TITLE
DRAWING No.
機関接続図
CONNECTION DIAGRAM
2RGXYL000201
MA LCRチェッカ
MA LCR CHECKER
TYPE
AIMEXⅡ
3
6
FUJI SECRET
2
:DC線(DC WIRING)
:シールド、通信線(SHIELD、COMMUNICATION WIRING)
:アース線(EARTH WIRING)
:AC、動力用配線(WIRING FOR AC&POWER)
:AC、動力用シールド配線(SHIELD WIRING FOR AC&POWER)
リモートI/O基板BKT
REMOTE I/O BOARD BKT
S2
CU-NET MA R1 CN17
2EGXGC0001**
MA SIDE2のプレースヘッドへ
2EGTYL0003**
CN-A
MA R1 CN17
MA CNT
CN14
2EGKYL0008**
MA CNT
CN14
プローブTYPE1単載仕様
2EGYYL0010**
CN-C プローブTYPE1 オプション混載仕様
36CN2 MA SIDE2LCR測定プローブ源位置確認
MA SIDE2 LCR MEASUREMENT PROBE
ORIGIN POSITION CHECK
2AGKYL0003**
36LS1
MA SIDE2LCR測定台源位置確認
MA SIDE2 LCR MEASUREMENT STAND
ORIGIN POSITION CHECKER OK
36LS2
S2
LCR CN1
2EGXYL0013**
36CN3
MA SIDE2LCR測定台着座確認
MA SIDE2 LCR MEASUREMENT
STAND SET CHECK
2EGYYL0008** 2AGKYL0001**
CN-B 36LS3
36CN4
MA SIDE2 LCR測定プローブ前進
MA SIDE2 LCR MEASUREMENT
PROBE FORWARD
2AGKYL0004**
36SOL1
MA SIDE2 LCR測定台後退
MA SIDE2 LCR MEASUREMENT
STAND BACKWARD
36SOL2
S2
LCR CN3
NZ2 CN1A
2EGXYL0010**
CN-E
CN1 MA SIDE2 ノズルチェンジャー着座確認中継側へ
MA42PCB12
NZ2 CN1A
MA SIDE2 ノズルチェンジャー着座確認センサ側へ
S2
LCR CN2
2EGXYL0014**
MA SIDE2 LCR用
NGパーツ廃棄BOX着座確認
36LS4
MA SIDE2 PARTS
EJECT BOX SET CHECK(LCR)
36CN5
2EGTYL0005**
CN-D
後側(SIDE2)
MA42PCB22
REAR SIDE(SIDE2)
MODULE A
MA SIDE2のリモートI/O基板へ
OR
リモートI/O基板(4) CN1-2へ
インターロック基板
INTERLOCK BOARD
MA42PCB32
CN3 CN6
POWER BOARD
電源基板
CONTROL BOARD
制御基板
b0X361Gq
b0X361Gq
Downloaded at 2020/05/19 21:05:96 by 395B4578 DL#wIFD31dS
Downloaded at 2020/05/19 21:05:96 by 395B4578 DL#wIFD31dS

NAME
TITLE
DRAWING No.
機関接続図
CONNECTION DIAGRAM
2RGXYL000201
MB LCRチェッカ
MB LCR CHECKER
TYPE
AIMEXⅡ
4
6
FUJI SECRET
1
1
サーキット
ブレーカーBKT
LAN HUB
PORT5
MB SIDE1 LCRメーター MB SIDE2 LCRメーター
MB SIDE1 LCR METER MB SIDE2 LCR METER
POWER
LAN
POWER
LAN
MB SIDE1 LCR測定台 MB SIDE2 LCR測定台
MB SIDE1 LCR MEASUREMENT STAND MB SIDE2 LCR MEASUREMENT STAND
測定プローブ(固定側) 測定プローブ(固定側)
2EGXYL0019** MEASUREMENT PROBE(FXIED SIDE) 2EGXYL0019** MEASUREMENT PROBE(FXIED SIDE)
Hpot Hpot
MB H1
CUR/POT
MB H2
CUR/POT
Hcur Hcur
測定プローブ(可動側) 測定プローブ(可動側)
MEASUREMENT PROBE(MOVABLE SIDE) MEASUREMENT PROBE(MOVABLE SIDE)
Lpot Lpot
MB L1
CUR/POT
MB L2
CUR/POT
Lcur Lcur
2EGXYL0020** 2EGXYL0020**
GUARD GUARD
B36MT1 B36MT1 B36MT2 B36MT2
:DC線(DC WIRING)
:シールド、通信線(SHIELD、COMMUNICATION WIRING)
:アース線(EARTH WIRING)
:AC、動力用配線(WIRING FOR AC&POWER)
:AC、動力用シールド配線(SHIELD WIRING FOR AC&POWER)
CBB CN9
2EGXYL0015***
LAN HUB
PORT7
2EGXYL0016**
B36MT1
POWER
B36MT2
LAN
MB SIDE2
MODULE CPU LAN
ダブルロボットLCR仕様
DOUBLE ROBOT LCR SPEC.
MB シングルロボット SIDE2 LCR仕様
MB SINGLE ROBOT SIDE2 LCR SPEC.
B36MT1
LAN
B36MT2
POWER
MB シングルロボット SIDE1 LCR仕様
MB SINGLE ROBOT SIDE1 LCR SPEC.
2EGXYL0016**
MB SIDE2
MODULE CPU LAN
MODULE B
b0X361Gq
b0X361Gq
Downloaded at 2020/05/19 21:05:96 by 395B4578 DL#wIFD31dS
Downloaded at 2020/05/19 21:05:96 by 395B4578 DL#wIFD31dS