2RGXBA020207ElectricalSchematic(AIMEXII) .pdf - 第81页
5 2 0 1 5 2 0 2 5 2 0 3 5 2 0 4 5 2 0 5 5 2 0 6 5 2 0 7 5 2 0 8 5 2 0 9 5 2 1 0 5 2 1 1 5 2 1 2 5 2 1 3 5 2 1 4 5 2 1 5 5 2 1 6 5 2 1 7 5 2 1 8 5 2 1 9 5 2 2 0 5 2 2 1 5 2 2 2 5 2 23 5 2 24 5 2 25 5 2 26 5 2 27 5 2 28 5 …

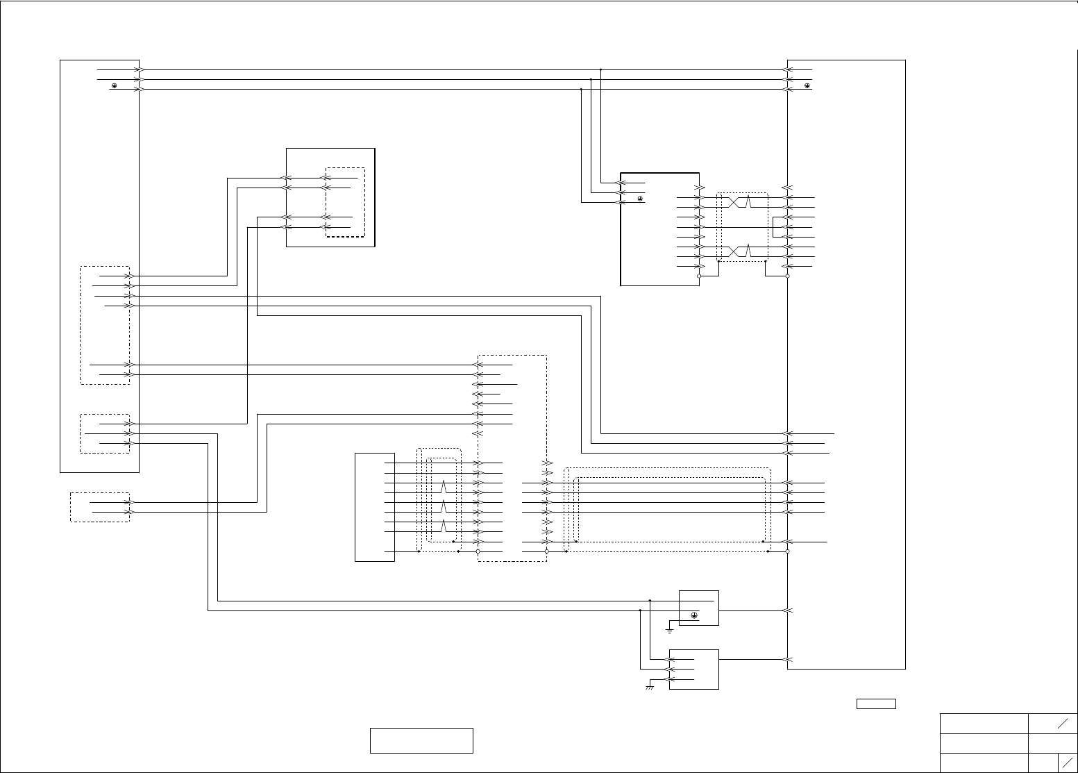
51 01
51 02
51 03
51 04
51 05
51 06
51 07
51 08
51 09
51 10
51 11
51 12
51 13
51 14
51 15
51 16
51 17
51 18
51 19
51 20
51 21
51 22
51 23
51 24
51 25
51 26
51 27
51 28
51 29
51 30
51 31
51 32
51 33
51 34
51 35
51 36
51 37
51 38
51 39
51 40
51 41
51 42
51 43
51 44
51 45
NAME PAGE
モジュールA回路図
MODULE A CIRCUIT DIAGRAM
52
51
TITLE TYPE
コプラナリティ
COPLANARITY
AIMEXⅡ
DRAWING No.
1
2
FUJI SECRET
2RGXBA016300
(M1PCB1)
AP1/M1
(AM2PCB1)
AP1/AM2
(A2PCB11)
AP11/A2
(A12PCB1)
AP1/A12
制御盤
CONTROL BOX
CB ACN2
AR111
-1
AS111
-2
-3
オプションリモートI/O BKT
OPTION REMOTE I/O BKT
リレー基板
RELAYBOARD
MA S1
CN-OP1
CN1
AFX000
-1 -1
GA
-2 -2
MA S1
COPLANARITY
I/L
-1 -13
AGB
-2 -14
インターフェース基板
INTERFACE BOARD
ACN18
GA
-19
AFX000
-20
AFY00E
-23
GA
-24
コネクタ基板
リニアスケール制御基板
CONNECTOR BOARD
LINEAR SCALE CONTROL BOARD
CN27 CN1
+24VA+24VF3
-1 -A1
GAGF
-2 -A2
A+24VB4
-A3
AGB
-A4
DIN3
-B1
ARX007
CN16 -B2
+24VA
A+24VB5
-1
-B3
AGB
-2
-B4
Y1軸リニアスケール
Y1 AXIS LINEAR SCALE
CN3 CN5
5V 5V
-5
0V SG
-1
A+ A+ A+
リモートI/O1
-2
REMOTE I/O 1
A- A- A-
CN3 -6
B+ B+ B+ARX007
-2 -4
B- B- B-A+24VAR1
-1 -8
Z+ Z+
-3
Z- Z-
-7
SHIELD INNER
-9
SHIELD SHIELD OUTER
CASE
工業用コンピュータ
INDUSTRIAL COMPUTER
POWER
AR111
-1
AS111
-2
-3
CPU BOX
CPU BOX
POWER
AR111
UART8 RS232C
-1
AS111
-1 -1
RXD RXD
-2
-2 -2
TXD TXD
-3
-3 -3
DTR DTR
-4 -4
GND SG
-5 -5
DSR DSR
-6 -6
RTS RTS
-7 -7
CTS CTS
-8 -8
RI RI
-9 -9
CASE CASE
MEAS.CNT
AFY00E
-5
GA
-10
I/L
-6
-5
-1 MEAS.CNT
A+
-2 -17
A-
-6 -18
B+
-4 -19
B-
-8 -20
-3
-7
SHIELD
-9 -1
CASE CASE
コプラナリティセンサヘッド
COPLANARITY SENSOR HEAD
A+24VB5
SENSOR HEAD
AGB
モニタ
MONITOR
POWER VGA
A+24VB5
-1
AGB
-2
FG
-3
OPTION
シングルロボットの時ありません
It is not at a single robot
-4
AGB
b0X361Gq
b0X361Gq
Downloaded at 2020/05/19 21:05:96 by 395B4578 DL#wIFD31dS
Downloaded at 2020/05/19 21:05:96 by 395B4578 DL#wIFD31dS

52 01
52 02
52 03
52 04
52 05
52 06
52 07
52 08
52 09
52 10
52 11
52 12
52 13
52 14
52 15
52 16
52 17
52 18
52 19
52 20
52 21
52 22
52 23
52 24
52 25
52 26
52 27
52 28
52 29
52 30
52 31
52 32
52 33
52 34
52 35
52 36
52 37
52 38
52 39
52 40
52 41
52 42
52 43
52 44
52 45
NAME PAGE
モジュールA回路図
MODULE A CIRCUIT DIAGRAM
52
52
TITLE TYPE
コプラナリティ
COPLANARITY
AIMEXⅡ
DRAWING No.
2
2
FUJI SECRET
2RGXBA016300
(M1PCB1)
AP1/M1
(AM2PCB1)
AP1/AM2
(A2PCB12)
AP12/A2
(A12PCB1)
AP1/A12
制御盤
CONTROL BOX
CB ACN3
AR111
-1
AS111
-2
-3
オプションリモートI/O BKT
OPTION REMOTE I/O BKT
リレー基板
RELAYBOARD
CN1
AFX000
-1 -1
GA
-2 -2
I/L
-1 -13
AGB
-2 -14
インターフェース基板
INTERFACE BOARD
ACN18
AFX000
-21
GA
-22
ATY00E
-25
GA
-26
コネクタ基板
リニアスケール制御基板
CONNECTOR BOARD
LINEAR SCALE CONTROL BOARD
CN28 CN1
+24VA+24VH3
-1 -A1
GAGH
-2 -A2
A+24VB4
-A3
AGB
-A4
DIN3
-B1
ARX027
CN13 -B2
+24VA
A+24VB6
-1
-B3
AGB
-2
-B4
Y2軸リニアスケール
Y2 AXIS LINEAR SCALE
CN3 CN5
5V 5V
-5
0V SG
-1
A+ A+ A+
リモートI/O2
-2
REMOTE I/O 2
A- A- A-
CN3 -6
B+ B+ B+ARX027
-2 -4
B- B- B-A+24VAR2
-1 -8
Z+ Z+
-3
Z- Z-
-7
SHIELD INNER
-9
SHIELD SHIELD OUTER
CASE
工業用コンピュータ2
INDUSTRIAL COMPUTER 2
POWER
AR111
-1
AS111
-2
-3
CPU BOX2
CPU BOX 2
POWER
AR111
UART8 RS232C
-1
AS111
-1 -1
RXD RXD
-2
-2 -2
TXD TXD
-3
-3 -3
DTR DTR
-4 -4
GND SG
-5 -5
DSR DSR
-6 -6
RTS RTS
-7 -7
CTS CTS
-8 -8
RI RI
-9 -9
CASE CASE
MEAS.CNT
ATY00E
-5
GA
-10
I/L
-6
-5
-1 MEAS.CNT
A+
-2 -17
A-
-6 -18
B+
-4 -19
B-
-8 -20
-3
-7
SHIELD
-9 -1
CASE CASE
コプラナリティセンサヘッド2
COPLANARITY SENSOR HEAD 2
A+24VB6
SENSOR HEAD
AGB
モニタ2
MONITOR 2
POWER VGA
A+24VB6
-1
AGB
-2
FG
-3
OPTION
-4
AGB
MA S2
CN-OP1
MA S2
COPLANARITY
b0X361Gq
b0X361Gq
Downloaded at 2020/05/19 21:05:96 by 395B4578 DL#wIFD31dS
Downloaded at 2020/05/19 21:05:96 by 395B4578 DL#wIFD31dS

1 01
1 02
1 03
1 04
1 05
1 06
1 07
1 08
1 09
1 10
1 11
1 12
1 13
1 14
1 15
1 16
1 17
1 18
1 19
1 20
1 21
1 22
1 23
1 24
1 25
1 26
1 27
1 28
1 29
1 30
1 31
1 32
1 33
1 34
1 35
1 36
1 37
1 38
1 39
1 40
1 41
1 42
1 43
1 44
1 45
NAME PAGE
モジュールB回路図
MODULE B CIRCUIT DIAGRAM
52
1
TITLE TYPE
AC200V供給回路
AC200V SUPPLY CIRCUIT
AIMEXⅡ
DRAWING No.
1
1
FUJI SECRET
2RGXBA016500
BM2MS2X
221
BM2MS1X
421
BM2MS3X
403
BM2MS4X
405
制御盤
CONTROL BOX
BR111
BR112
BS111
BS112
サーキットブレーカBKT
CIRCUIT BRAKER BKT
BT111
BT112
BR113
BS113
BT113
-1
-2
-3
-1
-2
-3
NEXT PAGE
制御盤
CONTROL BOX
BR111
BS111
BT111
2
1.25mm
SIDE1パレット
SIDE 1 PALETTE
BR114
-1 -1
BS114
-2 -2
BT114
-3 -4
-4 -5
2
1.25mm
2
1.25mm
BM2REC3
-3
L
CN1-1
B+24VC
+V
-1
CN51-5
N
CN1-3
BGC
-V
-2
CN51-1
FG
CN1-5
B+24VC
+V
-5
CN51-6
BGC
-V
-4
CN51-2
DC24V
240W
PEAK
-3
-V
CN51-4
2
1.25mm
SIDE2パレット
SIDE 2 PALETTE
BR115
-1 -1
BS115
-2 -2
BT115
-3 -4
-4 -5
2
1.25mm
2
1.25mm
BM2REC4
-3
L
CN1-1
B+24VD
+V
-1
CN51-5
N
CN1-3
BGD
-V
-2
CN51-1
FG
CN1-5
B+24VD
+V
-5
CN51-6
BGD
-V
-4
CN51-2
DC24V
240W
PEAK
-3
-V
CN51-4
サーボアンプ制御電源
SERVO AMP CONTROL POWER
CPUBOX ATX電源
CPU BOX ATX POWER
CPUBOX2 ATX電源
CPU BOX 2 ATX POWER
※
※印
シングルロボットの時ありません
※ mark
It is not at a single robot
CBB CN2
CB BCN1
-A1
-A2
-B1
-B2
CB BCN6
-A
-B
CB BCN7
-A
-B
-C
サーボアンプ動力電源
SERVO AMP POWER SOURCE
CB BCN2
CB BCN3
CB BCN4
CB BCN5
MB SIDE2
M/C CN1
MB SIDE2
M/C CN3
MB SIDE1
M/C CN1
MB SIDE1
M/C CN3
BT112
-C
b0X361Gq
b0X361Gq
Downloaded at 2020/05/19 21:05:96 by 395B4578 DL#wIFD31dS
Downloaded at 2020/05/19 21:05:96 by 395B4578 DL#wIFD31dS