2RGXBA020207ElectricalSchematic(AIMEXII) .pdf - 第269页
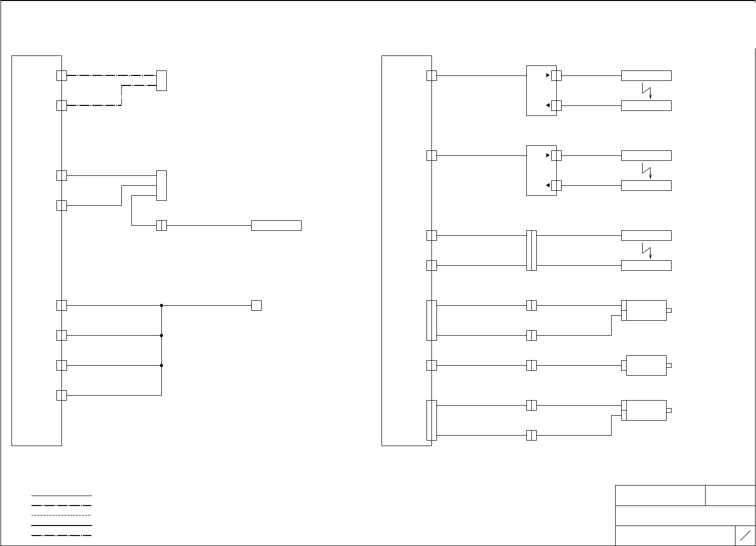
NAME T I T L E DRAWING No. 機関接続図 CONNECTION DIAGRAM 2 RGX BA 00 68 05 シングルコンベア SINGLE CONVEYOR TYPE AIMEXⅡ 4 7 79 FUJI SECRET 42 42 48 モジュールA M O D U L E A コンベアコントロール基板 コ ンベアコントロール基板 C O N V E Y O R C O N T R O L B O A R…

NAME
TITLE
DRAWING No.
機関接続図
CONNECTION DIAGRAM
2RGXBA006805
ダブルコンベア
DOUBLE CONVEYOR
TYPE
AIMEXⅡ
46
79
FUJI SECRET
モジュールB
MODULE B
コンベアコントロール基板 コンベアコントロール基板
CONVEYOR CONTROL BOARD CONVEYOR CONTROL BOARD
MB T2LS6
投光器
EMITTER
MB
T2M3-CN1
2AGXCF0027** 2EGMCF0050** 2AGXCF0031**
CN10-2-1
c-1
MB T2LS6T
レーン2 搬送モータ
MB T2M3
MB C1
c-1
LANE2 C/V MOTOR
レーン2コンベア基板通過確認L
CN6-1
LANE2 CONVEYOR PANEL
PASS CHECK L
MB
T2M3-CN2
MB T2LS6R
受光器
RECEIVER
MB C1
CN6-1
MB
T2M4
2EGMCF0049**
レーン2 基準幅替モータ
CN6-2 MB T2M4
LANE2 STANDARD
WIDTH MOTOR
MB C1
CN6-2
MB T2LS7
投光器
EMITTER
2AGXCF0028**
CN10-2-1
c-2
MB T2LS7T
MB C1
c-2
レーン2コンベア基板通過確認R
LANE2 CONVEYOR PANEL
PASS CHECK R
MA
T2M6-CN1
2EGMCF0051** 2AGXCF0032**
MB T2LS7R
レーン2 クランプモータ
MB T2M6
受光器
RECEIVER
LANE2 CLAMP MOTOR
CN6-3
MA
T2M6-CN2
MB C1
CN6-3
MB
T2LS10-CN1 投光器/EMITTER
MB
T2M7
2EGMCF0042** 2AGXCF0029** 2EGXCF0008**
レーン2 従属幅替モータ
CN10-2-2
d-1
MB T2LS10T CN7-1 MB T2M7
LANE2 SUB.
WIDTH MOTOR
MB C1
d-1
MB C1
CN7-1
レーン2従属コンベア
バックアップピン検知
LANE2 SIDE CONVEYOR
BACK-UP PIN CHECK
CN10-2-2
d-2
MB T2LS10R
MB C1
d-2
受光器/RECEIVER
MB
T2LS11-CN1 投光器/EMITTER
2EGXCF0011** 2AGXCF0030**
CN10-2-2
d-3
MB T2LS11T
MB C1
d-3
レーン2基準コンベア
バックアップピン検知
LANE2 SIDE CONVEYOR
BACK-UP PIN CHECK
CN10-2-2
d-4
MB T2LS11R
MB C1
d-4
受光器/RECEIVER
BT2PCB1 BT2PCB1
:DC線(DC WIRING)
:シールド、通信線(SHIELD、COMMUNICATION WIRING)
:アース線(EARTH WIRING)
:AC、動力用配線(WIRING FOR AC&POWER)
:AC、動力用シールド配線(SHIELD WIRING FOR AC&POWER)
2AGXCF0009**
2AGXCF0010**
b0X361Gq
b0X361Gq
Downloaded at 2020/05/19 21:05:96 by 395B4578 DL#wIFD31dS
Downloaded at 2020/05/19 21:05:96 by 395B4578 DL#wIFD31dS

NAME
TITLE
DRAWING No.
機関接続図
CONNECTION DIAGRAM
2RGXBA006805
シングルコンベア
SINGLE CONVEYOR
TYPE
AIMEXⅡ
47
79
FUJI SECRET
42
42
48
モジュールA
MODULE A
コンベアコントロール基板 コンベアコントロール基板
CONVEYOR CONTROL BOARD CONVEYOR CONTROL BOARD
MA T2LS1
MA
EXCN C/V2
投光器
EMITTER
2EGMCE0023** 2AGXCE0016**
CN1
CN10-1-1
a-1
MA T2LS1T
MA C1
CN1
MA C1
a-1
レーン1コンベア基板通過確認L
LANE1 CONVEYOR PANEL
PASS CHECK L
CN3 MA T2LS1R
MA C1
CN3
受光器
RECEIVER
MA T2LS2
投光器
EMITTER
2AGXCE0017**
CN10-1-1
a-2
MA T2LS2T
MA C1
a-2
MA
EXCN C/V1 レーン1コンベア基板通過確認R
LANE1 CONVEYOR PANEL
PASS CHECK R
2EGMCE0022**
CN2
MA C1
CN2
MA T2LS2R
受光器
RECEIVER
CN4
MA C1
CN4
MA 2LS1
-CN1
2AGXCE0009**
Z0高さセンサ
MA 2LS1
Z0 HIGHT SENSOR
MA
T2LS5-CN1 投光器/EMITTER
2EGMCE0032** 2AGXCE0010**
CN10-1-2
b-2
MA T2LS5T
MA C1
b-2
レーン1従属コンベア
バックアップピン検知
LANE1 CONVEYOR
BACK-UP PIN CHECK
CN10-1-2
b-4
MA T2LS5R
MA C1
b-4
受光器/RECEIVER
EXCN C/V3
MA
T2M1-CN1
2EGMCE0036** 2EGMCE0024** 2AGXCE0011**
CN10-1-1
a-3
レーン1 搬送モータ
MA T2M1
MA C1
a-3
LANE1 C/V MOTOR
CN5-1
MA
T2M1-CN2
CN10-1-1
a-4
MA C1
a-4
MA C1
CN5-1
MA
T2M2
2EGMCE0021**
レーン1 従属幅替モータ
CN10-1-2
b-1
CN5-2 MA T2M2
LANE1 SUB.
WIDTH MOTOR
MA C1
b-1
MA C1
CN5-2
CN8-1
MA
T2M5-CN1
MA C1
CN8-1
2EGMCE0033** 2AGXCE0012**
レーン1 クランプモータ
MA T2M5
LANE1 CLAMP MOTOR
CN5-3
MA
T2M5-CN2
MA C1
CN5-3
AT2PCB1 AT2PCB1
:DC線(DC WIRING)
:シールド、通信線(SHIELD、COMMUNICATION WIRING)
:アース線(EARTH WIRING)
:AC、動力用配線(WIRING FOR AC&POWER)
:AC、動力用シールド配線(SHIELD WIRING FOR AC&POWER)
2AGXCE0007**
b0X361Gq
b0X361Gq
Downloaded at 2020/05/19 21:05:96 by 395B4578 DL#wIFD31dS
Downloaded at 2020/05/19 21:05:96 by 395B4578 DL#wIFD31dS

NAME
TITLE
DRAWING No.
機関接続図
CONNECTION DIAGRAM
2RGXBA006805
シングルコンベア
SINGLE CONVEYOR
TYPE
AIMEXⅡ
48
79
FUJI SECRET
42
42
47
モジュールB
MODULE B
コンベアコントロール基板 コンベアコントロール基板
CONVEYOR CONTROL BOARD CONVEYOR CONTROL BOARD
MB T2LS1
MB
EXCN C/V2
投光器
EMITTER
2EGMCE0013** 2AGXCE0019**
CN1
CN10-1-1
a-1
MB T2LS1T
MB C1
CN1
MB C1
a-1
レーン1コンベア基板通過確認L
LANE1 CONVEYOR PANEL
PASS CHECK L
CN3 MB T2LS1R
MB C1
CN3
受光器
RECEIVER
MB T2LS2
投光器
EMITTER
CN10-1-1
a-2
MB T2LS2T
MB C1
a-2
MB
EXCN C/V1 レーン1コンベア基板通過確認R
LANE1 CONVEYOR PANEL
PASS CHECK R
2EGMCE0027**
CN2
MB C1
CN2
MB T2LS2R
受光器
RECEIVER
CN4
MB C1
CN4
MB 2LS1
-CN1
2AGXCE0018**
Z0高さセンサ
MB 2LS1
Z0 HIGHT SENSOR
MB
T2LS5-CN1 投光器/EMITTER
2EGMCE0034**
CN10-1-2
b-2
MB T2LS5T
MB C1
b-2
レーン1従属コンベア
バックアップピン検知
LANE1 CONVEYOR
BACK-UP PIN CHECK
CN10-1-2
b-4
MB T2LS5R
MB C1
b-4
受光器/RECEIVER
EXCN C/V3
MB
T2M1-CN1
2EGMCE0014** 2EGMCE0028**
CN10-1-1
a-3
レーン1 搬送モータ
MB T2M1
MB C1
a-3
LANE1 C/V MOTOR
CN5-1
MB
T2M1-CN2
CN10-1-1
a-4
MB C1
a-4
MB C1
CN5-1
MB
T2M2
2EGMCE0026**
レーン1 従属幅替モータ
CN10-1-2
b-1
CN5-2 MB T2M2
LANE1 SUB.
WIDTH MOTOR
MB C1
b-1
MB C1
CN5-2
CN8-1
MB
T2M5-CN1
MB C1
CN8-1
2EGMCE0035**
レーン1 クランプモータ
MB T2M5
LANE1 CLAMP MOTOR
CN5-3
MB
T2M5-CN2
MB C1
CN5-3
BT2PCB1 BT2PCB1
:DC線(DC WIRING)
:シールド、通信線(SHIELD、COMMUNICATION WIRING)
:アース線(EARTH WIRING)
:AC、動力用配線(WIRING FOR AC&POWER)
:AC、動力用シールド配線(SHIELD WIRING FOR AC&POWER)
2AGXCE0008**
2AGXCE0020**
2AGXCE0013**
2AGXCE0014**
2AGXCE0015**
b0X361Gq
b0X361Gq
Downloaded at 2020/05/19 21:05:96 by 395B4578 DL#wIFD31dS
Downloaded at 2020/05/19 21:05:96 by 395B4578 DL#wIFD31dS