2RGXBA020207ElectricalSchematic(AIMEXII) .pdf - 第286页
NAME T I T L E DRAWING No. 機関接続図 CONNECTION DIAGRAM 2 RGX BA 00 68 05 デバイスベース DEVICE BASE TYPE AIMEXⅡ 6 4 79 FUJI SECRET 5 6 13 63 63 63 20 コントロールBOX C O N T R O L B O X デバイスパレットベー ス D E V I C E P A L L E T B A S E C B B…

NAME
TITLE
DRAWING No.
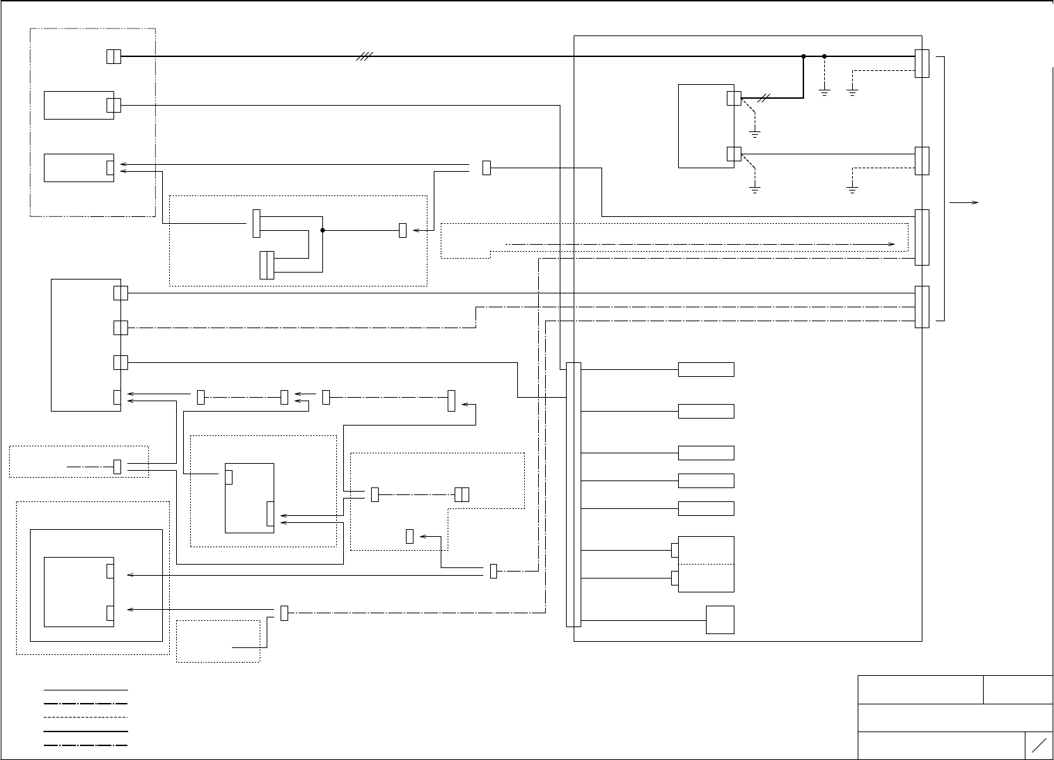
機関接続図
CONNECTION DIAGRAM
2RGXBA006805
デバイスベース
DEVICE BASE
TYPE
AIMEXⅡ
63
79
FUJI SECRET
5
6
13
64
20
20
64
64
60
70
60
コントロールBOX
CONTROL BOX
デバイスパレットベース
DEVICE PALLET BASE
CB BCN4
BR114
BS114
BT114
2EGMBA0525**
DC電源
MB SIDE1
M/C CN3
コネクタ基板
DC POWER
CONNECTOR BOARD
BT114
BS114
CN1
2EGMBA0523**
CN10
MB SIDE1
PLT REC CN1
MB CNT
CN10
BM2PCB1
インターフェース基板
INTERFACE BOARD
CN51
I/F
BCN23
PLT CN51
BM2REC3
BCN23
M/C CN1
部品供給ユニット
MB マルチ生産仕様
PARTS SUPPLY
UNIT
I/F
BCN23
MB MULTI PRODUCTION Spc.
M1PCB1
I/F BCN23
I/F
BCN23
2EGMBA0526**
2EGMBA0421**
MB SIDE1
M/C CN4
I/F BCN23-1
MB RB
CN6
2EGMBA0524**
リモートI/O基板
REMOTE I/O BOARD
CN6
MB R1
CN6
MB SIDE1
M/C CN2
CN-PLT
MB SIDE1
CN-PLT
CN16
2RGMPB0001**
SIDE1 フィーダパレット密着確認(右)
31LS1
MB R1
CN16
SIDE1 FEEDER PALLET
SET CHECK(RIGHT)
CN5
MB R1
CN5
SIDE1 フィーダパレット密着確認(左)
31LS2
SIDE1 FEEDER PALLET
SET CHECK(LEFT)
CN17
B2PCB11
SIDE1 フィーダパレット確認
31LS3
SIDE1 FEEDER PALLET CHECK
MB 2ロボット仕様
SIDE1 フィーダパレットクランプ確認
31LS6
SIDE1 FEEDER PALLET CLAMP CHECK
MB 2ROBOT Spc.
モジュールCPU BOX
SIDE1 フィーダパレットアンクランプ確認
31LS7
SIDE1 FEEDER PALLET UNCLAMP CHECK
MODULE CPU BOX
Spc.1ROBOT
MB CPU2 UART6
OR
CPUボード
CPU BOARD
Spc.2ROBOT
MB CPU1 UART6
SIDE1 フィーダパレット クランプ
31SOL1
SIDE1 FEEDER PALLET CLAMP
UART6
MB CPU1
UART6
SIDE1 フィーダパレット アンクランプ
31SOL2
SIDE1 FEEDER PALLET UNCLAMP
MB CPU1
CUNET
CUNET
モジュールB
M2FAN1
MB CPU1
CUNET
MODULE B
PCB1
SIDE1パレット冷却ファン
SIDE1 PALLET COOLING FAN
MB CPU1
CUNET
前側(SIDE1)
MB CPU1
FRONT SIDE(SIDE1)
:DC線(DC WIRING)
:シールド、通信線(SHIELD、COMMUNICATION WIRING)
:アース線(EARTH WIRING)
:AC、動力用配線(WIRING FOR AC&POWER)
:AC、動力用シールド配線(SHIELD WIRING FOR AC&POWER)
MB 1ROBOT Spc.
MB 1ロボット仕様
2EGXBA0157**
RH3348*
OPTION(RFID Spc.)
オプション(RFID)
MB SIDE1 M/C CN4へ挿入
2EGXBA0139**
MB R3
CN1-1
リモートI/O基板(3)
REMOTE I/O BOARD(3)
CN1-1
2EGXBA0123**
CN1-2
MB R3
CN1-2
B2PCB13
MB 1ロボット仕様
MB 1ROBOT Spc.
MB R3
CN1-2A
MB CPU2
UART6
MB R1
CN17
MB R3
CN1-2
MB R3
CN1-2
MB R3
CN1-1
OPTION
オプション
MB R1
CN17
オプション(SIDE1サイドライト)
OPTION(SIDE1 SIDE LIGHT)
MB R1 CN17
2EGXBA0082**
MB R3
CN1-2
b0X361Gq
b0X361Gq
Downloaded at 2020/05/19 21:05:96 by 395B4578 DL#wIFD31dS
Downloaded at 2020/05/19 21:05:96 by 395B4578 DL#wIFD31dS

NAME
TITLE
DRAWING No.
機関接続図
CONNECTION DIAGRAM
2RGXBA006805
デバイスベース
DEVICE BASE
TYPE
AIMEXⅡ
64
79
FUJI SECRET
5
6
13
63
63
63
20
コントロールBOX
CONTROL BOX
デバイスパレットベース
DEVICE PALLET BASE
CB BCN5
BR115
BS115
BT115
2EGMBA0529**
DC電源
MB SIDE2
M/C CN3
コネクタ基板
DC POWER
CONNECTOR BOARD
BT115
BS115
CN1
2EGMBA0527**
CN6
MB SIDE2
PLT REC CN1
MB CNT
CN6
BM2PCB1
インターフェース基板
INTERFACE BOARD
RH3348*
CN51
I/F
BCN24
PLT CN51
BM2REC4
BCN24
M/C CN1
部品供給ユニット
MB マルチ生産仕様
PARTS SUPPLY
UNIT
I/F
BCN24
MB MULTI PRODUCTION Spc.
M1PCB1
I/F BCN24
2EGMBA0528**
I/F
BCN24
2EGMBA0422**
MB SIDE2
M/C CN4
I/F BCN24-1
MB RB
CN6
2EGXBA0125**
リモートI/O基板
REMOTE I/O BOARD
CN6
MB R2
CN6
MB SIDE2
M/C CN2
CN-PLT
MB SIDE2
CN-PLT
2RGMPB0001**
SIDE2 フィーダパレット密着確認(右)
CN16 32LS1
SIDE2 FEEDER PALLET
SET CHECK(RIGHT)
MB R2
CN16
SIDE2 フィーダパレット密着確認(左)
CN5 32LS2
SIDE2 FEEDER PALLET
SET CHECK(LEFT)
MB
R2 CN5
B2PCB12
SIDE2 フィーダパレット確認
32LS3
SIDE2 FEEDER PALLET CHECK
モジュールCPU BOX
2EGMBA0341**
MODULE CPU BOX
SIDE2 フィーダパレットクランプ確認
32LS6
SIDE2 FEEDER PALLET CLAMP CHECK
MB CPU2
CUNET
MB CPU1
CUNET
CPUボード
CPU BOARD
SIDE2 フィーダパレットアンクランプ確認
32LS7
SIDE2 FEEDER PALLET UNCLAMP CHECK
UART7
Spc.2ROBOT
MB CPU2 CUNET
MB CPU2
UART7
OR
SIDE2 フィーダパレット クランプ
32SOL1
SIDE2 FEEDER PALLET CLAMP
Spc.1ROBOT
MB R3 CN1-2A
CUNET
MB CPU2
CUNET
SIDE2 フィーダパレット アンクランプ
32SOL2
SIDE2 FEEDER PALLET UNCLAMP
UART6
MB SIDE1
M/C CN4
モジュールB
M2FAN2
MB CPU2
UART6
MODULE B
PCB1
SIDE2パレット冷却ファン
SIDE2 PALLET COOLING FAN
MB R3
CN1-2A
後側(SIDE2)
MB CPU2
REAR SIDE(SIDE2)
:DC線(DC WIRING)
:シールド、通信線(SHIELD、COMMUNICATION WIRING)
:アース線(EARTH WIRING)
:AC、動力用配線(WIRING FOR AC&POWER)
:AC、動力用シールド配線(SHIELD WIRING FOR AC&POWER)
MB 1ロボット仕様
MB 1ROBOT Spc.
MB 1ROBOT Spc.
MB 1ロボット仕様
2EGXBA0158**
OPTION(RFID Spc.)
オプション(RFID)
MB SIDE2 M/C CN4へ挿入
b0X361Gq
b0X361Gq
Downloaded at 2020/05/19 21:05:96 by 395B4578 DL#wIFD31dS
Downloaded at 2020/05/19 21:05:96 by 395B4578 DL#wIFD31dS

NAME
TITLE
DRAWING No.
機関接続図
CONNECTION DIAGRAM
2RGXBA006805
デバイスパレット確認
DEVICE PALLET CHECK
TYPE
AIMEXⅡ
65
79
FUJI SECRET
モジュールA モジュールB
MODULE A MODULE B
リモートI/O基板 リモートI/O基板
REMOTE I/O BOARD REMOTE I/O BOARD
2EGXBA0119**
SIDE1 部品廃棄BOX着座確認
2EGXBA0130**
SIDE2 部品廃棄BOX着座確認
CN23 MA M2LS7
CN23 MA M2LS8
SIDE1 NG EJECT BOX
SET CHECK
SIDE2 NG EJECT BOX
SET CHECK
MA R1
CN23
MA R2
CN23
2EGMBA0244**
SIDE1 フィーダパレット前進位置確認
2EGMBA0256**
SIDE2 フィーダパレット前進位置確認
a-3 MA M2LS9
a-3 MA M2LS11
SIDE1 FEEDER PALLET
FRONT POSITION CHECK
SIDE2 FEEDER PALLET
FRONT POSITION CHECK
MA R1
Xa-3
MA R2
Xa-3
2EGMBA0245**
SIDE1 フィーダパレット標準位置確認
2EGMBA0257**
SIDE2 フィーダパレット標準位置確認
a-4 MA M2LS10
a-4 MA M2LS12
SIDE1 FEEDER PALLET
NORMAL POSITION CHECK
SIDE2 FEEDER PALLET
NORMAL POSITION CHECK
MA R1
Xa-4
MA R2
Xa-4
A2PCB11
:DC線(DC WIRING)
:シールド、通信線(SHIELD、COMMUNICATION WIRING)
:アース線(EARTH WIRING)
:AC、動力用配線(WIRING FOR AC&POWER)
:AC、動力用シールド配線(SHIELD WIRING FOR AC&POWER)
2EGXBA0128**
SIDE2 部品廃棄BOX着座確認
CN23 MB M2LS8
SIDE2 NG EJECT BOX
SET CHECK
MB R2
CN23
2EGMBA0288**
SIDE2 フィーダパレット前進位置確認
a-3 MB M2LS11
SIDE2 FEEDER PALLET
FRONT POSITION CHECK
MB R2
Xa-3
2EGMBA0289**
SIDE2 フィーダパレット標準位置確認
a-4 MB M2LS12
SIDE2 FEEDER PALLET
NORMAL POSITION CHECK
MB R2
Xa-4
2EGXBA0127**
SIDE1 部品廃棄BOX着座確認
CN23 MB M2LS7
SIDE1 NG EJECT BOX
SET CHECK
MB R1
CN23
2EGMBA0276**
SIDE1 フィーダパレット前進位置確認
a-3 MB M2LS9
SIDE1 FEEDER PALLET
FRONT POSITION CHECK
MB R1
Xa-3
2EGMBA0277**
SIDE1 フィーダパレット標準位置確認
a-4 MB M2LS10
SIDE1 FEEDER PALLET
NORMAL POSITION CHECK
MB R1
Xa-4
B2PCB12A2PCB12
REMOTE I/O BOARD
リモートI/O基板
B2PCB11
REMOTE I/O BOARD
リモートI/O基板
MA
M2LS7
MA
M2LS8
MB
M2LS7
MB
M2LS8
2EGYBA0379**
2EGYBA0379**
2EGYBA0379**
2EGYBA0379**
b0X361Gq
b0X361Gq
Downloaded at 2020/05/19 21:05:96 by 395B4578 DL#wIFD31dS
Downloaded at 2020/05/19 21:05:96 by 395B4578 DL#wIFD31dS