2RGXBA020207ElectricalSchematic(AIMEXII) .pdf - 第227页
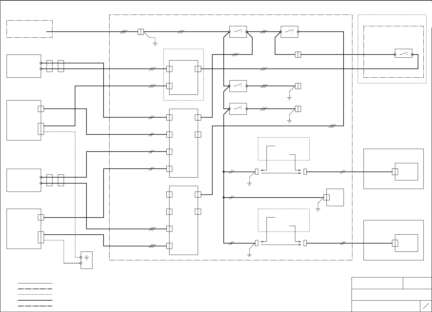
NAME T I T L E DRAWING No. 機関接続図 CONNECTION DIAGRAM 2 RGX BA 00 68 05 コントロールBOX CONTROL BOX TYPE AIMEXⅡ 5 79 FUJI SECRET 1 63 64 75 75 77 77 コントロール BOX C O N T R O L B O X サーキットブレーカ B KT C I R C U I T B R A K E R B K T B…

NAME
TITLE
DRAWING No.
機関接続図
CONNECTION DIAGRAM
2RGXBA006805
コントロールBOX
CONTROL BOX
TYPE
AIMEXⅡ
4
79
FUJI SECRET
1
61
62
71
71
73
73
コントロールBOX
CONTROL BOX
サーキットブレーカ BKT
CIRCUIT BRAKER BKT
AM2MS2X AM2MS1X
1
3
5
2
4
6
1
3
5
2
4
6
CB ACN1
AR111
AS111
AT111
AR111
AS111
AT111
AR112
AS112
AT112
CBB CN2
マグネットSW BKT
MAGNET SW BKT
AM2MS11X
1
3
5
2
4
6
Y1軸サーボアンプ
CB CN10
AR112
AS112
AT112
Y1 AXIS SERVO AMP 2EGMBA0432**
フェライトコア
FERRITE CORE
CB ACN8
L1C、L2C
AR116
AS116
AT116
2EGMBA0485**
L1、L2、L3 3 2
H3019E
TAKEUCHI
SFT72-SNLCB-026K
MA Y1SA
AR116
AS116
AT116
2EGMBA0482**
1
AR116
AS116
AT116
2EGMBA0433**
一体型サーボアンプ
UNITED SERVO AMP
CB ACN6
J1
AR113
AS113
AT113
MA SERVO
BOX1 J1
AR112
AT112
2EGMBA0486**
2 3
AM2MS3X
1
3
5
2
4
6
CB ACN4
AR114
AS114
AT114
J2
AR112
AS112
1 6
MA SERVO
BOX1 J2
MA SERVO BOX1
AM2MS4X
1
3
5
2
4
6
モジュールCPU BOX
CB ACN5
AS112
AT112
AR115
AS115
AT115
2EGMBA0534**
MODULE CPU BOX
4
ATX電源
Y2軸サーボアンプ
ATX POWER
AR112
AS112
Y2 AXIS SERVO AMP 2EGMBA0571**
5
フェライトコア
AR111
AT111
FERRITE CORE
2EGMBA0127**
POWER
L1C、L2C
AR111
AT111
MA CPU1
POWER
L1、L2、L3
REC1
CB ACN7
H3019E
TAKEUCHI
SFT72-SNLCB-026K
MA Y2SA
MA CPU1
2 3
DC電源
DC POWER
一体型サーボアンプ
AS111
AT111
UNITED SERVO AMP
CN1
モジュールCPU BOX
1 6
MODULE CPU BOX
J1
AM2REC1
MA SERVO
BOX2 J1
ATX電源
AR113
AS113
AT113
ATX POWER
4
2EGMBA0313**
AS111
AT111
AS111
AT111
2EGMBA0220**
J2
POWER
MA CPU2
POWER
SIDE1
MA SERVO
BOX2 J2
AR113
AS113
AT113
5
アースBKT
REC1
MA SERVO BOX2
EARTH BKT
MA CPU2
マルチ生産用
:DC線(DC WIRING)
FOR MULTI PRODUCTION
:シールド、通信線(SHIELD、COMMUNICATION WIRING)
:アース線(EARTH WIRING)
:AC、動力用配線(WIRING FOR AC&POWER)
:AC、動力用シールド配線(SHIELD WIRING FOR AC&POWER)
OPTION(MULTI PRODUCTION Spc.)
MODULE A
モジュールA
オプション(マルチ生産仕様)
OPTION(MULTI PRODUCTION Spc.)
オプション(マルチ生産仕様)
2EGXBA0169**
2EGXBA0226**
オプション(コプラナリティ仕様)
OPTION(COPRANALITY Spc.)
CB ACN2CB ACN2
オプション(コプラナリティ仕様)
OPTION(COPRANALITY Spc.)
CB ACN3 CB ACN3
CB ACN3-1
CB ACN3-2
CB ACN2-2
CB ACN2-1
b0X361Gq
b0X361Gq
Downloaded at 2020/05/19 21:05:96 by 395B4578 DL#wIFD31dS
Downloaded at 2020/05/19 21:05:96 by 395B4578 DL#wIFD31dS

NAME
TITLE
DRAWING No.
機関接続図
CONNECTION DIAGRAM
2RGXBA006805
コントロールBOX
CONTROL BOX
TYPE
AIMEXⅡ
5
79
FUJI SECRET
1
63
64
75
75
77
77
コントロールBOX
CONTROL BOX
サーキットブレーカ BKT
CIRCUIT BRAKER BKT
BM2MS2X BM2MS1X
1
3
5
2
4
6
1
3
5
2
4
6
CB BCN1
BR111
BS111
BT111
BR111
BS111
BT111
BR112
BS112
BT112
CBB CN3
Y1軸サーボアンプ
MB 2ROBOT Spc.
CB CN10
BR112
BS112
BT112
Y1 AXIS SERVO AMP
フェライトコア
FERRITE CORE
L1C、L2C
BR113
BS113
BT113
2EGMBA0500**
L1、L2、L3
H3019E
TAKEUCHI
SFT72-SNLCB-026K
MB Y1SA
BR113
BS113
BT113
2EGMBA0497**
一体型サーボアンプ
UNITED SERVO AMP
CB BCN6
J1
BR113
BS113
BT113
MB SERVO
BOX1 J1
BS112
BT112
2EGMBA0501**
BM2MS3X
1
3
5
2
4
6
CB BCN4
BR114
BS114
BT114
J2
BR112
BS112
2EGMBA0498**
MB SERVO
BOX1 J2
MB 2ROBOT Spc.
MB SERVO BOX1
BM2MS4X
1
3
5
2
4
6
モジュールCPU BOX
CB BCN5
BR112
BT112
BR115
BS115
BT115
2EGMBA0535** MODULE CPU BOX
4
ATX電源
Y2軸サーボアンプ
ATX POWER
BR112
BS112
Y2 AXIS SERVO AMP
2EGMBA0536**
5
フェライトコア
BS111
BT111
FERRITE CORE
2EGMBA0494**
POWER
L1C、L2C
BS111
BT111
MB CPU1
POWER
L1、L2、L3
REC1
CB BCN7
H3019E
TAKEUCHI
SFT72-SNLCB-026K
MB Y2SA
MB CPU1
2 3
DC電源
DC POWER
2EGXBA0227**
一体型サーボアンプ
BS111
BT111
UNITED SERVO AMP
CN1
モジュールCPU BOX
1 6
MODULE CPU BOX
J1
BM2REC1
MB SERVO
BOX2 J1
ATX電源
BR113
BS113
BT113
ATX POWER
4
2EGMBA0533**
BR111
BT111
BR111
BT111
2EGMBA0532**
J2 POWER
MB CPU2
POWER
SIDE2
MB SERVO
BOX2 J2
BR113
BS113
BT113
5
アースBKT
REC1
MB SERVO BOX2
EARTH BKT
MB CPU2
:DC線(DC WIRING)
:シールド、通信線(SHIELD、COMMUNICATION WIRING)
:アース線(EARTH WIRING)
:AC、動力用配線(WIRING FOR AC&POWER)
:AC、動力用シールド配線(SHIELD WIRING FOR AC&POWER)
MODULE B
モジュールB
1
2 3
6
MB 2ロボット仕様
MB 2ロボット仕様
オプション(マルチ生産仕様)
OPTION(MULTI PRODUCTION Spc.)
3
1
2
CB BCN8
CB BCN2 CB BCN2
CB BCN3 CB BCN3
オプション(コプラナリティ仕様)
OPTION(COPRANALITY Spc.)
オプション(コプラナリティ仕様)
OPTION(COPRANALITY Spc.)
CB BCN2-1
CB BCN2-2
CB BCN3-1
CB BCN3-2
b0X361Gq
b0X361Gq
Downloaded at 2020/05/19 21:05:96 by 395B4578 DL#wIFD31dS
Downloaded at 2020/05/19 21:05:96 by 395B4578 DL#wIFD31dS

NAME
TITLE
DRAWING No.
機関接続図
CONNECTION DIAGRAM
2RGXBA006805
コントロールBOX
CONTROL BOX
TYPE
AIMEXⅡ
6
79
FUJI SECRET
1
63
64
75
75
77
77
コントロールBOX
CONTROL BOX
サーキットブレーカ BKT
OPTION(MULTI PRODUCTION Spc.)
CIRCUIT BRAKER BKT
BM2MS2X BM2MS1X
1
3
5
2
4
6
1
3
5
2
4
6
CB BCN1
BR111
BS111
BT111
BR111
BS111
BT111
BR112
BS112
BT112
CBB CN3
マグネットSW BKT
MAGNET SW BKT
BM2MS11X
1
3
5
2
4
6
Y1軸サーボアンプ
CB CN10
BR112
BS112
BT112
Y1 AXIS SERVO AMP 2EGMBA0432**
フェライトコア
FERRITE CORE
CB BCN8
L1C、L2C
BR116
BS116
BT116
2EGMBA0500**
L1、L2、L3 3 2
H3019E
TAKEUCHI
SFT72-SNLCB-026K
MB Y1SA
BR116
BS116
BT116
2EGMBA0497**
1
BR116
BS116
BT116
2EGMBA0434**
一体型サーボアンプ
UNITED SERVO AMP
CB BCN6
J1
BR113
BS113
BT113
MB SERVO
BOX1 J1
BR112
BT112
2EGMBA0501**
2 3
BM2MS3X
1
3
5
2
4
6
CB BCN4
BR114
BS114
BT114
J2
BS112
BT112
2EGMBA0498**
1 6
MB SERVO
BOX1 J2
MB SERVO BOX1
BM2MS4X
1
3
5
2
4
6
モジュールCPU BOX
CB BCN5
BR112
BT112
BR115
BS115
BT115
2EGMBA0535**
MODULE CPU BOX
4
ATX電源
Y2軸サーボアンプ
ATX POWER
BR112
BS112
Y2 AXIS SERVO AMP 2EGMBA0536**
5
フェライトコア
FERRITE CORE
2EGMBA0494**
POWER
L1C、L2C
BS111
BT111
MB CPU1
POWER
L1、L2、L3
REC1
CB BCN7
H3019E
TAKEUCHI
SFT72-SNLCB-026K
MB Y2SA
MB CPU1
2 3
DC電源
DC POWER
一体型サーボアンプ
BS111
BT111
UNITED SERVO AMP
CN1
モジュールCPU BOX
1 6
MODULE CPU BOX
J1
BM2REC1
MB SERVO
BOX2 J1
ATX電源
BR113
BS113
BT113
ATX POWER
4
2EGMBA0533**
BR111
BT111
2EGMBA0532**
J2
POWER
MB CPU2
POWER
SIDE2
MB SERVO
BOX2 J2
BR113
BS113
BT113
5
アースBKT
REC1
MB SERVO BOX2
EARTH BKT
MB CPU2
モジュールB
:DC線(DC WIRING)
MODULE B
:シールド、通信線(SHIELD、COMMUNICATION WIRING)
:アース線(EARTH WIRING)
:AC、動力用配線(WIRING FOR AC&POWER)
:AC、動力用シールド配線(SHIELD WIRING FOR AC&POWER)
BS111
BT111
BR111
BT111
マルチ生産用
FOR MULTI PRODUCTION
オプション(マルチ生産仕様)
OPTION(MULTI PRODUCTION Spc.)
オプション(マルチ生産仕様)
2EGXBA0227**
CB BCN2 CB BCN2
CB BCN3 CB BCN3
オプション(コプラナリティ仕様)
OPTION(COPRANALITY Spc.)
オプション(コプラナリティ仕様)
OPTION(COPRANALITY Spc.)
b0X361Gq
b0X361Gq
Downloaded at 2020/05/19 21:05:96 by 395B4578 DL#wIFD31dS
Downloaded at 2020/05/19 21:05:96 by 395B4578 DL#wIFD31dS