2RGXBA020207ElectricalSchematic(AIMEXII) .pdf - 第233页
NAME T I T L E DRAWING No. 機関接続図 CONNECTION DIAGRAM 2 RGX BA 00 68 05 段取り替え CHANGEOVER TYPE AIMEXⅡ 1 1 79 FUJI SECRET モジュール A M O D U L E A マルチ生産仕様 オプション(MA リレ ーBKT) O P T I O N ( M A R E L A Y B K T ) M U L T I P R O D …

NAME
TITLE
DRAWING No.
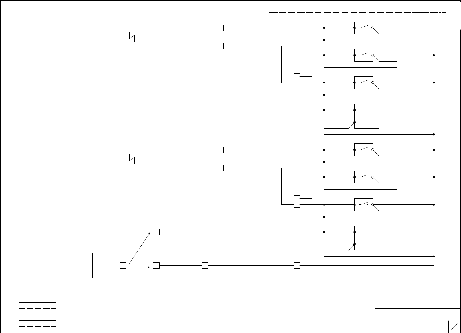
機関接続図
CONNECTION DIAGRAM
2RGXBA006805
段取り替え
CHANGEOVER
TYPE
AIMEXⅡ
10
79
FUJI SECRET
26
26
26
61
62
モジュール A
オプション(MA リレーBKT)
MODULE A
OPTION(MA RELAY BKT)
マルチ生産仕様
AM4CR10X AM4CR20X
通常生産仕様
MULTI PRODUCTION Spc.
NORMAL PRODUCTION Spc.
AFY010 ATY008
0 0
コントロールBOX
I/F CN18 SIDE1段取り替え SIDE2段取り替え
SIDE1 CHANGEOVER SIDE2 CHANGEOVER
CONTROL BOX
2EGXBA0061**
GA GA
1 1
インターフェース基板
INTERFACE BOARD
MARBCN5 MARBCN5
I/F
CN18
2EGMBA0582**
AM4CR1X AM4CR2X
CN18
I/F
CN18
23 24 23 24
AFX00A A+24VA1 ATX00A A+24VA1
I/F
CN31
通常生産仕様
CN31
AM4CR10X AM4CR10X AM4CR20X AM4CR20X
NORMAL PRODUCTION Spc.
I/F
CN31
23 24 AK3108 63 64 23 24 63 64
I/F CN31 AK3107 AK3207 AK3208
MARBCN7
2EGXBA0063**
M1PCB1
2EGXBA0005**
AM4CR10X
MARBCN8
2EGXBA0015**
53 54
A+24VA1
I/F ACN10-2
I/F ACN11-2
MARBCN6
2EGMBA0455**
I/F ACN10-3
AM4CR14X AM4CR24X
5 9 5 9
AM236 AM236A AM237 AM237A
I/F ACN23-1
I/F ACN24-1
AM4CR1X AM4CR14X AM4CR3X AM4CR24X
34 33 6 10 34 33 6 10
AM235 AM235A AM236 AM236C
AM235 AM236
AM4CR14X AM4CR24X
7 11 7 11
AM246 AM246A AM247 AM247A
AM4CR1X AM4CR14X AM4CR3X AM4CR24X
44 43 8 12 44 43 8 12
AM245 AM245A AM246 AM246C
AM245 AM246
:DC線(DC WIRING)
:シールド、通信線(SHIELD、COMMUNICATION WIRING)
:アース線(EARTH WIRING)
:AC、動力用配線(WIRING FOR AC&POWER)
:AC、動力用シールド配線(SHIELD WIRING FOR AC&POWER)
b0X361Gq
b0X361Gq
Downloaded at 2020/05/19 21:05:96 by 395B4578 DL#wIFD31dS
Downloaded at 2020/05/19 21:05:96 by 395B4578 DL#wIFD31dS

NAME
TITLE
DRAWING No.
機関接続図
CONNECTION DIAGRAM
2RGXBA006805
段取り替え
CHANGEOVER
TYPE
AIMEXⅡ
11
79
FUJI SECRET
モジュール A
MODULE A
マルチ生産仕様
オプション(MA リレーBKT)
OPTION(MA RELAY BKT)
MULTI PRODUCTION Spc.
AM4CR10X
MA RB CN10
34 33
AM409 +24VM1
+24VM1
AM4CR10X
44 43
AM410 GA
AM407
AM408
GA
MA RB CN11
AM4CR1X
11 12
AM401 +24VM1
+24VM1
AM4CR1X
AM405
0
SIDE1ライトカーテン確認
SIDE1 LIGHTCURTAIN CHECK
GA
1
コントロールBOX
CONTROL BOX
インターフェース基板
INTERFACE BOARD
I/F
CN29-1 MA RB CN4
2EGMBA0583**
2EGMBA0581**
CN29
I/F
CN29
M1PCB1
:DC線(DC WIRING)
:シールド、通信線(SHIELD、COMMUNICATION WIRING)
:アース線(EARTH WIRING)
:AC、動力用配線(WIRING FOR AC&POWER)
:AC、動力用シールド配線(SHIELD WIRING FOR AC&POWER)
AM4CR20X
MA RB CN20
34 33
AM419 +24VM1
+24VM1
AM4CR20X
AM417
AM418
44 43
AM420 GA
GA
MA RB CN21
AM4CR2X
11 12
AM411 +24VM1
+24VM1
AM4CR2X
AM415
0
SIDE2ライトカーテン確認
SIDE2 LIGHTCURTAIN CHECK
GA
1
2AGXBA0013**
投光器
EMITTER
AM4LS-1T
CN1
2EGXBA0032**
AM4LS-1T
SIDE1安全光電センサ
SIDE1 SAFETY SENSOR
2AGXBA0013**
AM4LS-1R
CN1
2EGXBA0033**
AM4LS-1R
受光器
RECEIVER
2AGXBA0014**
投光器
EMITTER
AM4LS-2T
CN1
2EGXBA0034**
AM4LS-2T
SIDE2安全光電センサ
SIDE2 SAFETY SENSOR
2AGXBA0014**
AM4LS-2R
CN1
2EGXBA0035**
AM4LS-2R
受光器
RECEIVER
I/F
CN29
2EGMBA0459**
NORMAL PRODUCTION Spc.
通常生産仕様
I/F
CN29
b0X361Gq
b0X361Gq
Downloaded at 2020/05/19 21:05:96 by 395B4578 DL#wIFD31dS
Downloaded at 2020/05/19 21:05:96 by 395B4578 DL#wIFD31dS

NAME
TITLE
DRAWING No.
機関接続図
CONNECTION DIAGRAM
2RGXBA006805
段取り替え
CHANGEOVER
TYPE
AIMEXⅡ
12
79
FUJI SECRET
8
26
モジュール B
MODULE B
マルチ生産仕様
MULTI PRODUCTION Spc.
オプション(MB リレーBKT) オプション(マグネットSW BKT)
OPTION(MB RELAY BKT) OPTION(MAGNET SW BKT)
MB RB CN1
MB RB
CN3 MSB BCN1
2EGMBA0584** 2EGMBA0585** 2EGMBA0436**
CB BCN10
BM4CR14X BM2MS11X
BM202 BM252B
I/F
BCN10-1
14 A1
SIDE1デバイスパレット取外し
SIDE1セーフティーリレー
OK(ディレー)
SIDE1 DEVICE PALLET
RELEASE
SIDE1 SAFETY RELAY
OK(DELAY)
GA GA
13 A2
BM4CR24X
BM203
14
SIDE2デバイスパレット取外し
SIDE2 DEVICE PALLET
RELEASE
GA
13
BM4CR10X BM2MS11X
11 12 21 22
BM252 BM252B BM212 BM212A
BM4CR20X AM2MS11X
11 12 13 14
BM252 BM252A B+24VAR2 BRX055
:DC線(DC WIRING)
:シールド、通信線(SHIELD、COMMUNICATION WIRING)
:アース線(EARTH WIRING)
:AC、動力用配線(WIRING FOR AC&POWER)
:AC、動力用シールド配線(SHIELD WIRING FOR AC&POWER)
MB RB
CN3
b0X361Gq
b0X361Gq
Downloaded at 2020/05/19 21:05:96 by 395B4578 DL#wIFD31dS
Downloaded at 2020/05/19 21:05:96 by 395B4578 DL#wIFD31dS