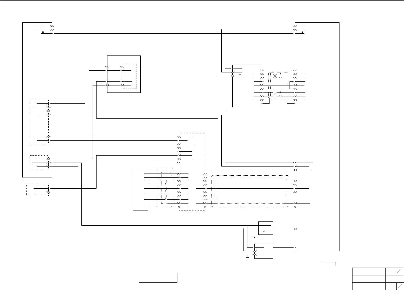
2RGXBA020207ElectricalSchematic(AIMEXII) .pdf - 第133页
5 2 0 1 5 2 0 2 5 2 0 3 5 2 0 4 5 2 0 5 5 2 0 6 5 2 0 7 5 2 0 8 5 2 0 9 5 2 1 0 5 2 1 1 5 2 1 2 5 2 1 3 5 2 1 4 5 2 1 5 5 2 1 6 5 2 1 7 5 2 1 8 5 2 1 9 5 2 2 0 5 2 2 1 5 2 2 2 5 2 23 5 2 24 5 2 25 5 2 26 5 2 27 5 2 28 5 …

51 01
51 02
51 03
51 04
51 05
51 06
51 07
51 08
51 09
51 10
51 11
51 12
51 13
51 14
51 15
51 16
51 17
51 18
51 19
51 20
51 21
51 22
51 23
51 24
51 25
51 26
51 27
51 28
51 29
51 30
51 31
51 32
51 33
51 34
51 35
51 36
51 37
51 38
51 39
51 40
51 41
51 42
51 43
51 44
51 45
NAME PAGE
モジュールB回路図
MODULE B CIRCUIT DIAGRAM
52
51
TITLE TYPE
コプラナリティ
COPLANARITY
AIMEXⅡ
DRAWING No.
1
2
FUJI SECRET
2RGXBA017800
(M1PCB1)
AP1/M1
(BM2PCB1)
AP1/BM2
(B2PCB11)
AP11/B2
(B12PCB1)
AP1/B12
制御盤
CONTROL BOX
CB BCN2
BR111
-1
BS111
-2
-3
オプションリモートI/O BKT 1
OPTION REMOTE I/O BKT 1
リレー基板
RELAYBOARD
CN1
BFX000
-1 -1
GA
-2 -2
I/L
-1 -13
BGB
-2 -14
インターフェース基板
INTERFACE BOARD
BCN18
GA
-19
BFX000
-20
BFY00E
-23
GA
-24
コネクタ基板
リニアスケール制御基板
CONNECTOR BOARD
LINEAR SCALE CONTROL BOARD
CN27 CN1
+24VA+24VF3
-1 -A1
GAGF
-2 -A2
B+24VB4
-A3
BGB
-A4
DIN3
-B1
BRX007
CN16 -B2
+24VA
B+24VB5
-1
-B3
BGB
-2
-B4
Y1軸リニアスケール
Y1 AXIS LINEAR SCALE
CN3 CN5
5V 5V
-5
0V SG
-1
A+ A+ A+
リモートI/O1
-2
REMOTE I/O 1
A- A- A-
CN3 -6
B+ B+ B+BRX007
-2 -4
B- B- B-B+24VAR1
-1 -8
Z+ Z+
-3
Z- Z-
-7
SHIELD INNER
-9
SHIELD SHIELD OUTER
CASE
工業用コンピュータ
INDUSTRIAL COMPUTER
POWER
BR111
-1
BS111
-2
-3
CPU BOX
CPU BOX
POWER
AR111
UART8 RS232C
-1
AS111
-1 -1
RXD RXD
-2
-2 -2
TXD TXD
-3
-3 -3
DTR DTR
-4 -4
GND SG
-5 -5
DSR DSR
-6 -6
RTS RTS
-7 -7
CTS CTS
-8 -8
RI RI
-9 -9
CASE CASE
MEAS.CNT
BFY00E
-5
GA
-10
I/L
-6
-5
-1 MEAS.CNT
A+
-2 -17
A-
-6 -18
B+
-4 -19
B-
-8 -20
-3
-7
SHIELD
-9 -1
CASE CASE
コプラナリティセンサヘッド
COPLANARITY SENSOR HEAD
B+24VB5
SENSOR HEAD
BGB
モニタ
MONITOR
POWER VGA
B+24VB5
-1
BGB
-2
FG
-3
OPTION
シングルロボットの時ありません
It is not at a single robot
-4
BGB
MB S1
CN-OP1
MB S1
COPLANARITY
b0X361Gq
b0X361Gq
Downloaded at 2020/05/19 21:05:96 by 395B4578 DL#wIFD31dS
Downloaded at 2020/05/19 21:05:96 by 395B4578 DL#wIFD31dS

52 01
52 02
52 03
52 04
52 05
52 06
52 07
52 08
52 09
52 10
52 11
52 12
52 13
52 14
52 15
52 16
52 17
52 18
52 19
52 20
52 21
52 22
52 23
52 24
52 25
52 26
52 27
52 28
52 29
52 30
52 31
52 32
52 33
52 34
52 35
52 36
52 37
52 38
52 39
52 40
52 41
52 42
52 43
52 44
52 45
NAME PAGE
モジュールB回路図
MODULE B CIRCUIT DIAGRAM
52
52
TITLE TYPE
コプラナリティ
COPLANARITY
AIMEXⅡ
DRAWING No.
2
2
FUJI SECRET
2RGXBA017800
(M1PCB1)
AP1/M1
(BM2PCB1)
AP1/BM2
(B2PCB12)
AP12/B2
(B12PCB1)
AP1/B12
制御盤
CONTROL BOX
CB BCN3
BR111
-1
BS111
-2
-3
オプションリモートI/O BKT2
OPTION REMOTE I/O BKT 2
リレー基板
RELAYBOARD
CN1
BFX000
-1 -1
GA
-2 -2
I/L
-1 -13
BGB
-2 -14
インターフェース基板
INTERFACE BOARD
BCN18
BFX000
-21
GA
-22
BTY00E
-25
GA
-26
コネクタ基板
リニアスケール制御基板
CONNECTOR BOARD
LINEAR SCALE CONTROL BOARD
CN28 CN1
+24VA+24VH3
-1 -A1
GAGH
-2 -A2
B+24VB4
-A3
BGB
-A4
DIN3
-B1
BRX027
CN13 -B2
+24VA
B+24VB6
-1
-B3
BGB
-2
-B4
Y2軸リニアスケール
Y2 AXIS LINEAR SCALE
CN3 CN5
5V 5V
-5
0V SG
-1
A+ A+ A+
リモートI/O2
-2
REMOTE I/O 2
A- A- A-
CN3 -6
B+ B+ B+BRX027
-2 -4
B- B- B-B+24VAR2
-1 -8
Z+ Z+
-3
Z- Z-
-7
SHIELD INNER
-9
SHIELD SHIELD OUTER
CASE
工業用コンピュータ2
INDUSTRIAL COMPUTER 2
POWER
BR111
-1
BS111
-2
-3
CPU BOX2
CPU BOX 2
POWER
BR111
UART8 RS232C
-1
BS111
-1 -1
RXD RXD
-2
-2 -2
TXD TXD
-3
-3 -3
DTR DTR
-4 -4
GND SG
-5 -5
DSR DSR
-6 -6
RTS RTS
-7 -7
CTS CTS
-8 -8
RI RI
-9 -9
CASE CASE
MEAS.CNT
ATY00E
-5
GA
-10
I/L
-6
-5
-1 MEAS.CNT
A+
-2 -17
A-
-6 -18
B+
-4 -19
B-
-8 -20
-3
-7
SHIELD
-9 -1
CASE CASE
コプラナリティセンサヘッド2
COPLANARITY SENSOR HEAD 2
B+24VB6
SENSOR HEAD
AGB
モニタ2
MONITOR 2
POWER VGA
B+24VB6
-1
BGB
-2
FG
-3
OPTION
-4
BGB
MB S2
CN-OP1
MB S2
COPLANARITY
b0X361Gq
b0X361Gq
Downloaded at 2020/05/19 21:05:96 by 395B4578 DL#wIFD31dS
Downloaded at 2020/05/19 21:05:96 by 395B4578 DL#wIFD31dS

1 01
1 02
1 03
1 04
1 05
1 06
1 07
1 08
1 09
1 10
1 11
1 12
1 13
1 14
1 15
1 16
1 17
1 18
1 19
1 20
1 21
1 22
1 23
1 24
1 25
1 26
1 27
1 28
1 29
NAME PAGE
電気回路線図
CIRCUIT DIAGRAM
18
1
TITLE TYPE
ベース総合制御回路1
BASE GENERAL CIRCUIT 1
AIMEXⅡ
DRAWING No.
1
1
M1
2RGXYL000101
1 30
FUJI SECRET
R102
T102
R102
S102
R102
S102
R102
T102
S102
T102
303
703
1103
1503
202
CBB CN8
1
2
3
AWG16
AWG16
CBB CN10
1
2
3
AWG16
サーキットブレーカーBKT
CBB CN9
1
2
3
AWG16 AWG16
AWG16
AWG16
AWG16
b0X361Gq
b0X361Gq
Downloaded at 2020/05/19 21:05:96 by 395B4578 DL#wIFD31dS
Downloaded at 2020/05/19 21:05:96 by 395B4578 DL#wIFD31dS