2RGXBA020207ElectricalSchematic(AIMEXII) .pdf - 第274页
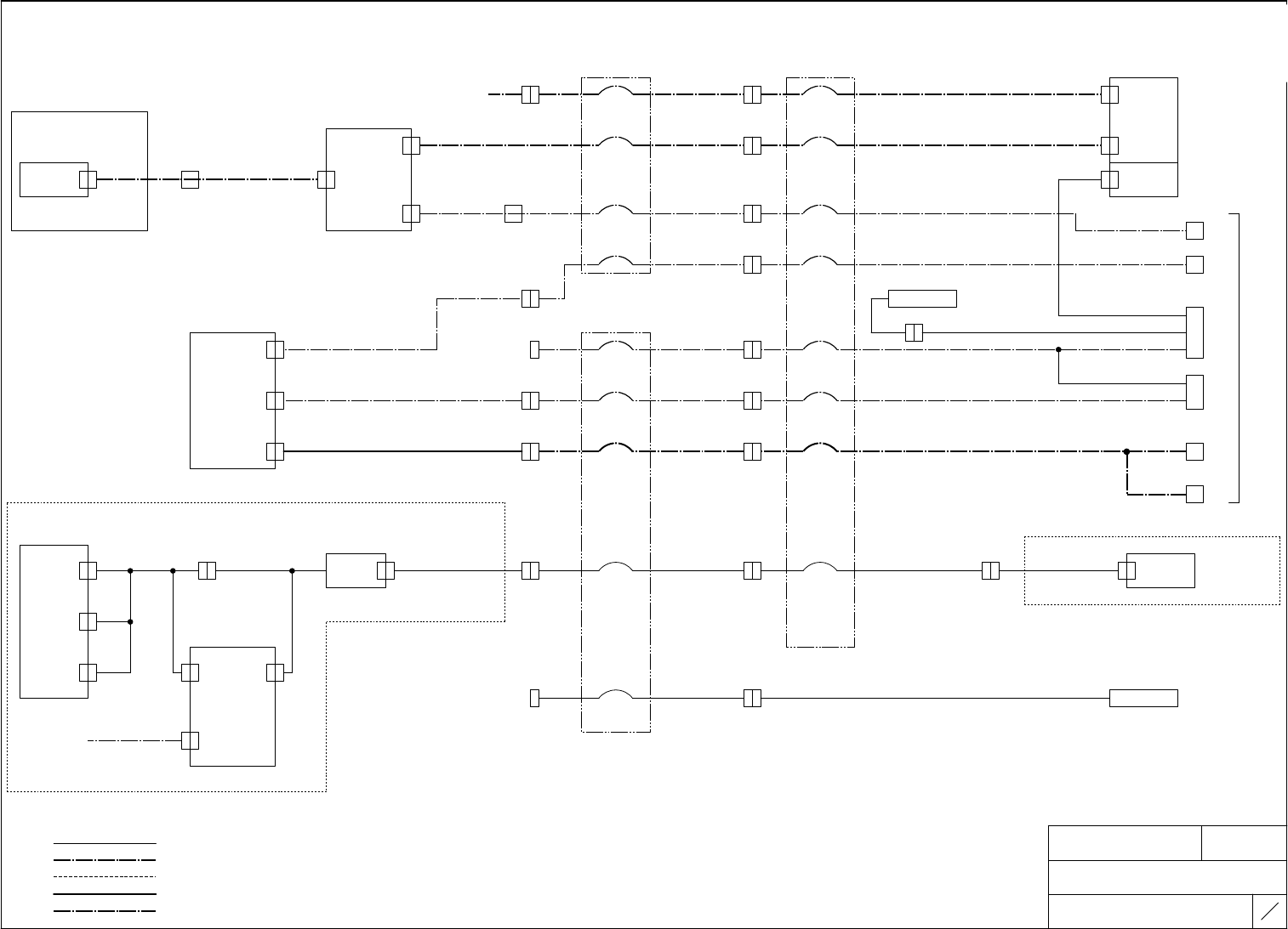
NAME T I T L E DRAWING No. 機関接続図 CONNECTION DIAGRAM 2 RGX BA 00 68 05 プレースヘッド PLACE HEAD TYPE AIMEXⅡ 5 2 79 FUJI SECRET 22 55 55 18 モジュールA 2ロボット仕様 M O D U L E A 2 R O B O T S p c . Y1平型ケーブル X1平型 ケーブル Y 1 F L A T C A B L …

NAME
TITLE
DRAWING No.
機関接続図
CONNECTION DIAGRAM
2RGXBA006805
プレースヘッド
PLACE HEAD
TYPE
AIMEXⅡ
51
79
FUJI SECRET
56
72
72
72
リニアスケール制御基板
リモートI/O基板
REMOTE I/O BOARD
LINEAR SCALE
CONTROL BOARD
Y2平型ケーブル
Y2 FLAT CABLE
FAN1
MA
Y1CN8
MA
Y1CN8
MA SIDE1
FAN1,2
2EGMBA0548**
RH6291*
2EGMBA0595** 2AGXSA0021**
Y軸モータ冷却ファン1
CN3
CN1
Y AXIS MOTOR
COOLING FAN 1
MA R1
CN3
MA SCALE
PCB1 CN1
FAN2
A2PCB11
MA
Y1CN8
CN6
2EGMBA0339**
Y軸モータ冷却ファン2
Y AXIS MOTOR
COOLING FAN 2
MA 1ロボット仕様
コントロールBOX
MA 1ROBOT Spc.
CONTROL BOX
MA SCALE
PCB1 CN6
FAN3
インターフェース基板
リモートI/O基板
MA SIDE1
FAN3,4
INTERFACE BOARD
REMOTE I/O BOARD
2AGXSA0022**
Y軸モータ冷却ファン3
A12PCB1
Y AXIS MOTOR
COOLING FAN 3
FAN4
CN3
CN27
MB R1
CN3
Y軸モータ冷却ファン4
Y AXIS MOTOR
COOLING FAN 4
I/F
CN27
MB
Y1CN8
MB
Y1CN8
B2PCB11
M1PCB1
Yモータ温度確認1
R1
Y AXIS TEMPERATURE
CHECK 1
MB
Y1CN8
2EGMBA0346**
Y1軸サーボアンプ
MB 1ロボット仕様
Y1 AXIS SERVO AMP
Yモータ温度確認2
R2
Y AXIS TEMPERATURE
CHECK 2
MB 1ROBOT Spc.
MA
Y1 SCALE
RH6295*
Y1軸リニアスケール
CN2 MA 12LSI1
Y1 AXIS LINEAR SCALE
MA Y1SA
CN2
フェライトコア
MA 12M1
FERRITE CORE
MA
12M1
2EGMBA0091**
Y1軸リニアモーター
U,V
W
M
Y1 AXIS LINEAR MOTOR
H3019E
TAKEUCHI
SFT72-SNLCB-026K
2AGXSA0011**
2EGMBA0590**
Y軸回生抵抗
B1,B2 R
Y AXIS
RESISTOR
MA Y1SA
一体型サーボアンプ
UNITED SERVO AMP
Y1平型ケーブル
Y1 FLAT CABLE
MA
Y1CN10
2EGMBA0484** RH6275*
PGX
11SA
MA SERVO
BOX1 11SA
X1軸サーボモータ
X1 AXIS MOTOR
BACKUP
BAT
MA X1
-BAT
MA
Y1CN9
2EGMBA0483** RH6273*
TB
MA 11M1
MA SERVO
BOX1 TB
2AGXSA0007**
前側(SIDE1)
MA SERVO BOX1
FRONT SIDE(SIDE1)
MA 2ロボット仕様
MA 2ROBOT Spc.
モジュールA
:DC線(DC WIRING)
MODULE A
:シールド、通信線(SHIELD、COMMUNICATION WIRING)
:アース線(EARTH WIRING)
:AC、動力用配線(WIRING FOR AC&POWER)
:AC、動力用シールド配線(SHIELD WIRING FOR AC&POWER)
MB 1ROBOT Spc.
MB 2ロボット仕様
MA SIDE1
FAN1,2
オプション(コプラナリティ仕様)
OPTION(COPRANALITY Spc.)
オプション(コプラナリティ仕様)
OPTION(COPRANALITY Spc.)
MA SIDE1
FAN3,4
OPTION(COPRANALITY Spc.)
オプション(コプラナリティ仕様)
b0X361Gq
b0X361Gq
Downloaded at 2020/05/19 21:05:96 by 395B4578 DL#wIFD31dS
Downloaded at 2020/05/19 21:05:96 by 395B4578 DL#wIFD31dS

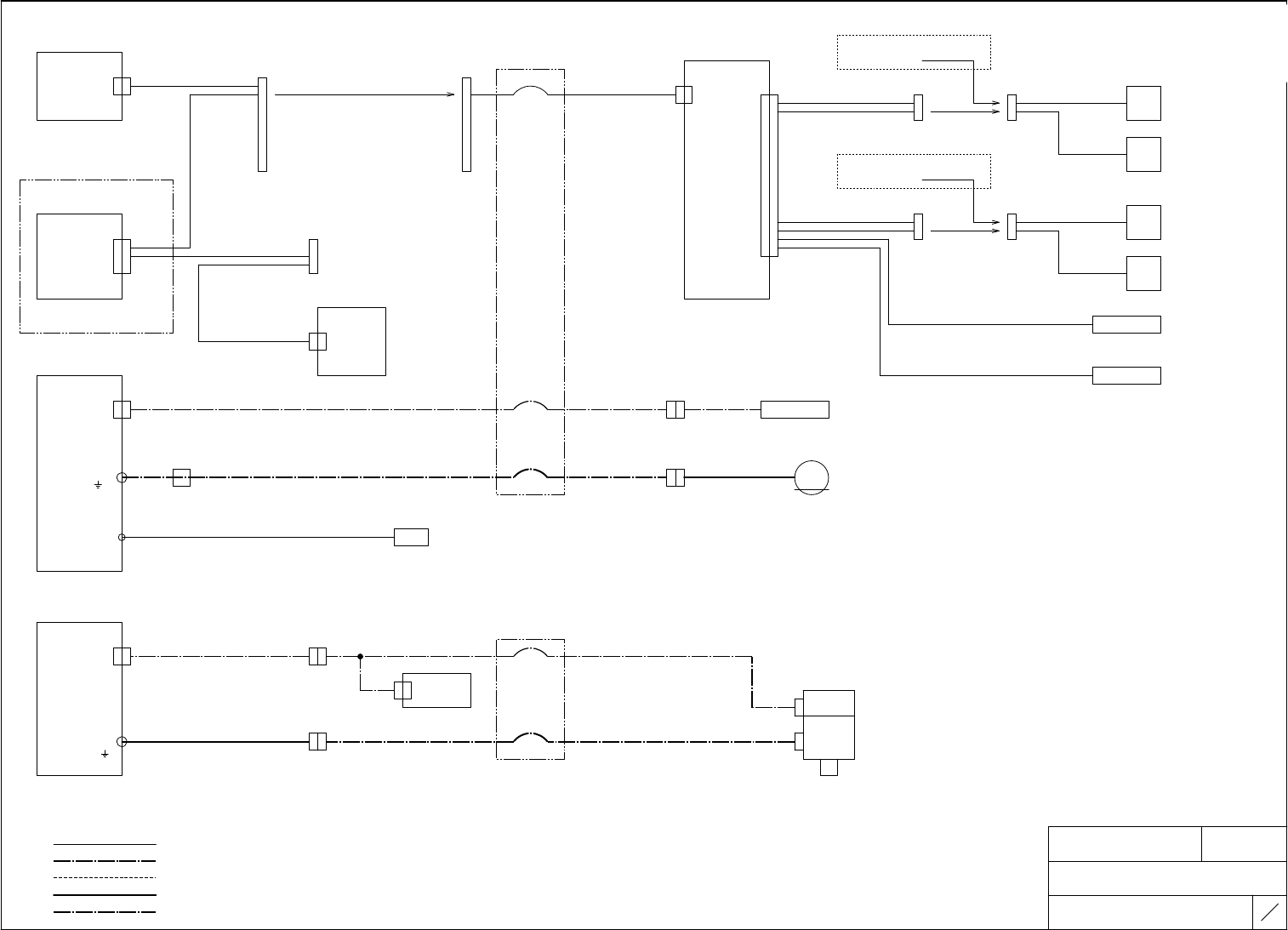
NAME
TITLE
DRAWING No.
機関接続図
CONNECTION DIAGRAM
2RGXBA006805
プレースヘッド
PLACE HEAD
TYPE
AIMEXⅡ
52
79
FUJI SECRET
22
55
55
18
モジュールA 2ロボット仕様
MODULE A 2ROBOT Spc.
Y1平型ケーブル X1平型ケーブル
Y1 FLAT CABLE X1 FLAT CABLE
MA MARK
CAMERA1
MA
Y1CN2
MA
X1CN2
RH6279* RH6299*
マークカメラ
TRIG
モジュールCPU BOX
MARK CAMERA
MODULE CPU BOX
リピーター
REPEATER
MA
X1CN1
RH6277* RH6297*
CH2 CAMERA
画像基板
フェライトコア
MA
REPEATER1
CH2
VISION BOARD
FERRITE CORE
マークカメラ光源
2EGMBA0599**
HEAD CH1 LED
MA CPU1
HEAD
XH00810
SEIWA
E04SR301334
MA
REPEATER1
CH1
MARK
LED
MARK CAMERA
LAMP
PCB5 A14MCL1
フェライトコア
CH3
FERRITE CORE
MA
X1CN3
MA
REPEATER1
CH3
RH6281* RH6301*
MA CPU1 MA REPEATER1
XH00810
SEIWA
E04SR301334
2AGXSA0007**
HEAD CAM
ヘッド接続確認1
MA 14LS12
HEAD CONNECTION
CHECK 1
CN-H3
2EGXSA0029**
Y2平型ケーブル
Y2 FLAT CABLE
MA
Y1CN4
MA
X1CN4
RH6283*
ヘッド
HEAD
一体型サーボアンプ
CN-H2
UNITED SERVO AMP
MA
Y1CN5
MA
X1CN5
2EGMBA0489** RH6285*
PG2
MA SERVO
BOX1 PG2
MA
Y1CN6
MA
X1CN6 CN-H1
2EGXBA0101** 2EGXSA0021** 2EGXSA0001**
M2
MA SERVO
BOX1 M2
MA SERVO BOX1
2AGXSA0015**
MA
Y1CN7
MA
X1CN7
RH6289* 2AGXSA0027**
Y軸インターロック確認
MA 12LS1
Y AXIS
INTERLOCK CHECK
前側(SIDE1)
FRONT SIDE(SIDE1)
:DC線(DC WIRING)
:シールド、通信線(SHIELD、COMMUNICATION WIRING)
:アース線(EARTH WIRING)
:AC、動力用配線(WIRING FOR AC&POWER)
:AC、動力用シールド配線(SHIELD WIRING FOR AC&POWER)
レーザー基板高さセンサアンプ
リモートI/O基板
REMOTE I/O BOARD
SENSOR AMPLIFIER
FOR PANEL HEIGHT LASER
MA
HS-CNC1
MA
Y1CN11
MA
X1CN8
2EGXBA0070** 2AGXBA0028** 2AGXBA0032** 2EGXSA0005** 2EGXSA0009**
CN25
MA R1
CN25
A13AMP1
d-1
通信変換基板
MA R1
Yd-1
COMMUNICATION
CONVERSION BOARD
d-2 CN3 CN1
MA R1
Yd-2
A2PCB11
2EGXBA0074**
CN2
A1_UART3
A2PCB1
基板高さセンサ
MA
HS-CNA1
2AGXBA0032**
CN1
PANEL
HEIGHT SENSOR
A13LS1
PG1
MA
Y1CN12
MA
X1CN12
2EGXBA0102**
2EGXSA0013** 2EGXSA0017**
MA SERVO
BOX1 PG1
OPTION(PANEL HEIGHT SENSOR)
オプション(基板高さセンサ)
OPTION(PANEL HEIGHT SENSOR)
オプション(基板高さセンサ)
CN-H5
CN-H4
2AGXSA0011**
b0X361Gq
b0X361Gq
Downloaded at 2020/05/19 21:05:96 by 395B4578 DL#wIFD31dS
Downloaded at 2020/05/19 21:05:96 by 395B4578 DL#wIFD31dS

NAME
TITLE
DRAWING No.
機関接続図
CONNECTION DIAGRAM
2RGXBA006805
プレースヘッド
PLACE HEAD
TYPE
AIMEXⅡ
53
79
FUJI SECRET
58
74
74
74
リニアスケール制御基板
リモートI/O基板
REMOTE I/O BOARD
LINEAR SCALE
CONTROL BOARD
Y2平型ケーブル
Y2 FLAT CABLE
FAN1
MA
Y2CN8
MA SIDE2
FAN1,2
2EGMBA0558**
RH6327*
2EGMBA0597** 2AGXSA0019**
Y軸モータ冷却ファン1
CN3
CN1
Y AXIS MOTOR
COOLING FAN 1
MA R2
CN3
MA SCALE
PCB2 CN1
FAN2
A2PCB12
リモートI/O基板
CN6
REMOTE I/O BOARD
Y軸モータ冷却ファン2
Y AXIS MOTOR
COOLING FAN 2
コントロールBOX
CONTROL BOX
CN3
MB R2
CN3
MA SCALE
PCB2 CN6
FAN3
インターフェース基板
MA SIDE2
FAN3,4
INTERFACE BOARD
2AGXSA0020**
Y軸モータ冷却ファン3
2PCB12
A22PCB1
Y AXIS MOTOR
COOLING FAN 3
FAN4
CN28
Y軸モータ冷却ファン4
Y AXIS MOTOR
COOLING FAN 4
I/F
CN28
M1PCB1
Yモータ温度確認1
R1
Y AXIS TEMPERATURE
CHECK 1
Y2軸サーボアンプ
Y2 AXIS SERVO AMP
Yモータ温度確認2
R2
Y AXIS TEMPERATURE
CHECK 2
RH6329*
Y2軸リニアスケール
CN2 MA 22LSI1
Y2 LINEAR SCALE
MA Y2SA
CN2
フェライトコア
MA 22M1
FERRITE CORE
MA
22M1
2EGMBA0036**
Y2軸サーボモーター
U,V
W
M
Y2 AXIS MOTOR
H3019E
TAKEUCHI
SFT72-SNLCB-026K
2AGXSA0012**
2EGMBA0590**
Y軸回生抵抗
B1,B2 R
Y AXIS
RESISTOR
MA Y2SA
一体型サーボアンプ
UNITED SERVO AMP
Y1平型ケーブル
Y1 FLAT CABLE
MA
Y2CN10
2EGXBA0233** RH6311*
PGX
11SA
MA SERVO
BOX2 11SA
X2軸サーボモータ
X2 AXIS MOTOR
BACKUP
BAT
MA X2
-BAT
MA
Y2CN9
2EGMBA0320** RH6309*
TB
MA 21M1
MA SERVO
BOX2 TB
後側(SIDE2)
2AGXSA0008**
REAR SIDE(SIDE2)
MA SERVO BOX2
:DC線(DC WIRING)
:シールド、通信線(SHIELD、COMMUNICATION WIRING)
:アース線(EARTH WIRING)
:AC、動力用配線(WIRING FOR AC&POWER)
:AC、動力用シールド配線(SHIELD WIRING FOR AC&POWER)
オプション(コプラナリティ仕様)
OPTION(COPRANALITY Spc.)
MA SIDE2
FAN1,2
オプション(コプラナリティ仕様)
OPTION(COPRANALITY Spc.)
MA SIDE2
FAN3,4
OPTION(COPRANALITY Spc.)
オプション(コプラナリティ仕様)
MA
Y2CN8
MB
Y2CN8
b0X361Gq
b0X361Gq
Downloaded at 2020/05/19 21:05:96 by 395B4578 DL#wIFD31dS
Downloaded at 2020/05/19 21:05:96 by 395B4578 DL#wIFD31dS