2RGXBA020207ElectricalSchematic(AIMEXII) .pdf - 第307页
NAME T I T L E DRAWING No. 機関接続図 CONNECTION DIAGRAM 2 RGX YL 00 02 01 MB LCRチェッカ MB LCR CHECKER TYPE AIMEXⅡ 6 6 FUJI SECRET 5 後側(SIDE2) R E A R S I D E ( S I D E 2 ) リモートI/O基板BKT R E M O T E I / O B O A R D B K T S2 CU-N…

NAME
TITLE
DRAWING No.
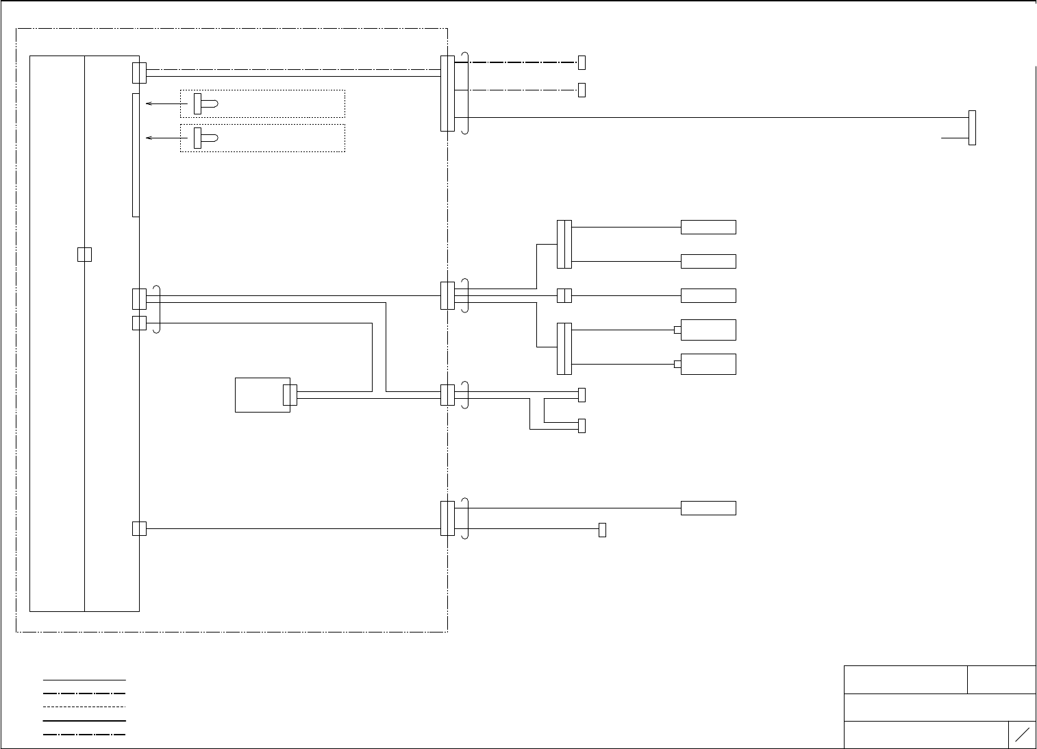
機関接続図
CONNECTION DIAGRAM
2RGXYL000201
MB LCRチェッカ
MB LCR CHECKER
TYPE
AIMEXⅡ
5
6
FUJI SECRET
6
:DC線(DC WIRING)
:シールド、通信線(SHIELD、COMMUNICATION WIRING)
:アース線(EARTH WIRING)
:AC、動力用配線(WIRING FOR AC&POWER)
:AC、動力用シールド配線(SHIELD WIRING FOR AC&POWER)
前側(SIDE1)
FRONT SIDE(SIDE1)
リモートI/O基板BKT
REMOTE I/O BOARD BKT
S1
CU-NET MB R1 CN17
2EGXGC0002**
MB SIDE1のプレースヘッドへ
2EGTYL0003**
CN-A
MB R1 CN17
BM2PCB1
CN14
2EGKYL0008**
プローブTYPE1単載仕様
コネクタ基板
CN14へ
2EGYYL0010**
MB CNT
CN14
CN-C プローブTYPE1 オプション混載仕様
36CN2 MB SIDE1LCR測定プローブ源位置確認
MB SIDE1 LCR MEASUREMENT PROBE
ORIGIN POSITION CHECK
2AGKYL0003**
36LS1
MB SIDE1LCR測定台源位置確認
MB SIDE1 LCR MEASUREMENT STAND
ORIGIN POSITION CHECKER OK
36LS2
S1
LCR CN1
2EGXYL0025**
36CN3
MB SIDE1LCR測定台着座確認
MB SIDE1 LCR MEASUREMENT
STAND SET CHECK
2EGYYL0008** 2AGKYL0001**
CN-B 36LS3
36CN4
MB SIDE1 LCR測定プローブ前進
MB SIDE1 LCR MEASUREMENT
PROBE FORWARD
2AGKYL0004**
36SOL1
MB SIDE1 LCR測定台後退
MB SIDE1 LCR MEASUREMENT
STAND BACKWARD
36SOL2
S1
LCR CN3
NZ1 CN1A
2EGXYL0023**
CN-E
CN1 MB SIDE1 ノズルチェンジャー着座確認中継側へ
MB42PCB11
NZ1 CN1A
MB SIDE1 ノズルチェンジャー着座確認センサ側へ
S1
LCR CN2
2EGXYL0026**
MB SIDE1 LCR用
NGパーツ廃棄BOX着座確認
36LS4
MB SIDE1 PARTS
EJECT BOX SET CHECK(LCR)
36CN5
2EGTYL0005**
CN-D
MB42PCB21
MODULE B
MB SIDE1のリモートI/O基板へ
OR
リモートI/O基板(3) CN1-2へ
制御基板
CONTROL BOARD
電源基板
POWER BOARD
MB42PCB31
CN6CN3
インターロック基板
INTERLOCK BOARD
b0X361Gq
b0X361Gq
Downloaded at 2020/05/19 21:05:96 by 395B4578 DL#wIFD31dS
Downloaded at 2020/05/19 21:05:96 by 395B4578 DL#wIFD31dS

NAME
TITLE
DRAWING No.
機関接続図
CONNECTION DIAGRAM
2RGXYL000201
MB LCRチェッカ
MB LCR CHECKER
TYPE
AIMEXⅡ
6
6
FUJI SECRET
5
後側(SIDE2)
REAR SIDE(SIDE2)
リモートI/O基板BKT
REMOTE I/O BOARD BKT
S2
CU-NET MB R1 CN17
2EGXGC0004**
MB SIDE2のプレースヘッドへ
2EGTYL0003**
CN-A
MB R1 CN17
2EGKYL0008**
プローブTYPE1単載仕様
2EGYYL0010**
CN-C プローブTYPE1 オプション混載仕様
36CN2 MB SIDE2LCR測定プローブ源位置確認
MB SIDE2 LCR MEASUREMENT PROBE
ORIGIN POSITION CHECK
2AGKYL0003**
36LS1
MB SIDE2LCR測定台源位置確認
MB SIDE2 LCR MEASUREMENT STAND
ORIGIN POSITION CHECKER OK
36LS2
S2
LCR CN1
2EGXYL0027**
36CN3
MB SIDE2LCR測定台着座確認
MB SIDE2 LCR MEASUREMENT
STAND SET CHECK
2EGYYL0008** 2AGKYL0001**
CN-B 36LS3
36CN4
MB SIDE2 LCR測定プローブ前進
MB SIDE2 LCR MEASUREMENT
PROBE FORWARD
2AGKYL0004**
36SOL1
MB SIDE2 LCR測定台後退
MB SIDE2 LCR MEASUREMENT
STAND BACKWARD
36SOL2
S2
LCR CN3
NZ2 CN1A
2EGXYL0022**
CN-E
CN1 MB SIDE2 ノズルチェンジャー着座確認中継側へ
MB42PCB12
NZ2 CN1A
MB SIDE2 ノズルチェンジャー着座確認センサ側へ
S2
LCR CN2
2EGXYL0028**
MB SIDE2 LCR用
NGパーツ廃棄BOX着座確認
36LS4
MB SIDE2 PARTS
EJECT BOX SET CHECK(LCR)
36CN5
2EGTYL0005**
CN-D
MB42PCB22
MB CNT
CN14
MB CNT
CN14
MODULE B
インターロック基板
INTERLOCK BOARD
CN3 CN6
電源基板
POWER BOARD
制御基板
CONTROL BOARD
MB42PCB32
MB SIDE2のリモートI/O基板へ
OR
リモートI/O基板(4) CN1-2へ
:DC線(DC WIRING)
:シールド、通信線(SHIELD、COMMUNICATION WIRING)
:アース線(EARTH WIRING)
:AC、動力用配線(WIRING FOR AC&POWER)
:AC、動力用シールド配線(SHIELD WIRING FOR AC&POWER)
b0X361Gq
b0X361Gq
Downloaded at 2020/05/19 21:05:96 by 395B4578 DL#wIFD31dS
Downloaded at 2020/05/19 21:05:96 by 395B4578 DL#wIFD31dS

NAME TYPE
I/F接続図
I/F JUNCTION DIAGRAM
AIMEX
TITLE
機械間I/F
INTERFACE BETWEEN MACHINES
DRAWING No.
1
4
RL03860
AIMEX
CN-M2
レーン2-R
LANE2-R
レーン1-R
LANE1-R
後工程側
(Next side)
RH3902*(1.0m)
RH3902*(1.0m)
前工程側
(Previous side)
CN-M1
レーン2-F
LANE2-F
レーン1-F
LANE1-F
前工程基板搬送信号BKT
AIMEX
後工程基板搬送信号BKT
CN-M2
レーン2-R
LANE2-R
レーン1-R
LANE1-R
後工程側
(Next side)
CN-M2
RH6078*
RH3902*(1.0m)
RH3902*(1.0m)
RH6079*
CN-M1
前工程側
(Previous side)
CN-M1
レーン2-F
LANE2-F
レーン1-F
LANE1-F
AIMEX
接続
CONNECTION
接続
CONNECTION
接続
CONNECTION
接続
CONNECTION
接続
CONNECTION
接続
CONNECTION
接続
CONNECTION
接続
CONNECTION
PANEL TRANSFER I/F BOXPANEL TRANSFER I/F BOX
前工程基板搬送信号BKT
PANEL TRANSFER I/F BOX
後工程基板搬送信号BKT
PANEL TRANSFER I/F BOX
RH6078*
CN-M2
RH6079*
CN-M1
AIMEXとAIMEXの接続
CONNECTION OF AIMEX AND AIMEX
b0X361Gq
b0X361Gq
Downloaded at 2020/05/19 21:05:96 by 395B4578 DL#wIFD31dS
Downloaded at 2020/05/19 21:05:96 by 395B4578 DL#wIFD31dS