2RGXBA020207ElectricalSchematic(AIMEXII) .pdf - 第5页
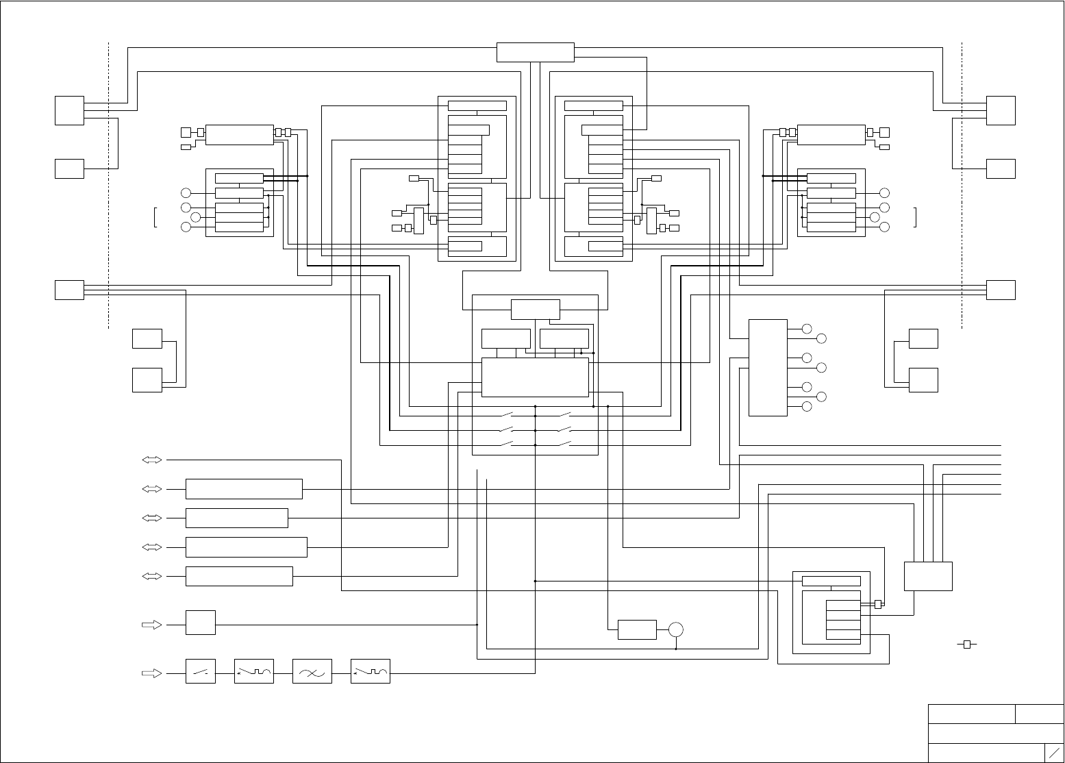
NAME TYPE ブロック図 BLOCK DIAGRAM AIMEX T I T L E AIMEXシステム構成 AIMEX SYSTEM CONFIGURATION DIAGAM DRAWING No. 2 4 RL 038 52 P RE V I O US PA G E R S 4 8 5 R S 4 8 5 I E E E 1 3 9 4 I E E E 1 3 9 4 V A C U U M A I R M O D U L E…

NAME TYPE
ブロック図
BLOCK DIAGRAM
AIMEX
TITLE
AIMEXシステム構成
AIMEX SYSTEM CONFIGURATION DIAGAM
DRAWING No.
1
4
RL03852
開閉器 ブレーカ ノイズフィルタ
SWITCHI BREAKER NOISE FILTER
AC200~230V 3φ
50/60Hz
サーキットブレーカ
CIRCUIT BREAKER
基板搬送BKT(前工程)
RS485
PANEL TRANSFER
SIGNAL
(PREVIOUS)
PANEL TRANSFER BKT(PREVIOUS)
基板搬送BKT(後工程)
RS485
PANEL TRANSFER
SIGNAL
(NEXT)
PANEL TRANSFER BKT(NEXT)
安全確認信号(前工程)
SAFETY CHECK
SIGNAL
(PREVIOUS)
SAFETY CHECK SIGNAL(PREVIOUS)
安全確認信号(後工程)
SAFETY CHECK
SIGNAL
(NEXT)
SAFETY CHECK SIGNAL(NEXT)
エア3点セット
AIR REGULATORS
AIR
SIDE1
操作パネル
OPERATION PANEL
SIDE1
デバイス表示器
DEVICE DISPLAY
SIDE1
パレット
PALLET
SIDE1
SIDE2
操作パネル
OPERATION PANEL
SIDE2
デバイス表示器
DEVICE DISPLAY
SIDE2
パレット
PALLET
SIDE2
MODULE A
パーツ真空ポンプ制御BKT
PARTS VACUUM PUMP CONTROL BKT
ポンプモータ
M
PUMP MOTOR
IEEE1394
HUB
CPU BOX
CPU BOX
ATX POWER SUPPLY
MAIN BOARD
LAN
IEEE1394
CU NET
D I/O
SERVO BOX 2
SERVO BOX 2
POWER SUPPLY
X AXIS AMP.
M
X2 AXIS
Y2 AXIS AMP.
Z AXIS AMP.
M
Z AXIS
R AXIS AMP.
M
R AXIS HEAD 2
Q AXIS AMP.
M
Q AXIS
M
Y2 AXIS
Y2 SCALE
(LINEAR MOTOR)
CPU BOX 2
CPU BOX 2
ATX POWER SUPPLY
MAIN BOARD
PANEL LINK
CU NET
UART8
IEEE1394
D I/O
VISION
SERVO
SynqNet
コンベアコントローラ
CONVEYOR CONTROLER
M
C/V MOTOR 1
RS232C
M
C/V MOTOR 2
RS485
M
CLAMP MOTOR 1
M
CLAMP MOTOR 2
M
WIDTH MOTOR 1
M
WIDTH MOTOR 2
M
WIDTH MOTOR 3
パネル分配器
PANEL DISTRIBUTOR
HEAD UNIT 2
ヘッドユニット2
REMOTE I/O 2
リモートI/O2
48/32
制御盤
CONTOROL BOX
DC POWER SUPPLY
CONTROL
DC POWER SUPPLY
ACUTUATOR
INTERFACE BOARD
CONTROL CIRCUIT
SAFETY CIRCUIT
DC POWER SUPPLY
ACUTUATOR
ETHER NET
CPU BOX 1
CPU BOX 1
ATX POWER SUPPLY
MAIN BOARD
PANEL LINK
M
Y1 AXIS
Y1 AXIS AMP.
CU NET
(LINEAR MOTOR)
Y1 SCALE
UART8
SERVO BOX 1
IEEE1394
SERVO BOX 1
D I/O
POWER SUPPLY
VISION
PARTS1
PARTS CAM 1
X AXIS AMP.
M
X1 AXIS
PARTS2
Z AXIS AMP.
M
Z AXIS
MARK
MARK CAM 1
R AXIS AMP.
M
R AXISHEAD 1
HEAD
Q AXIS AMP.
M
Q AXIS
HEAD CAM 1
SERVO
SynqNet
ヘッドユニット1
HEAD UNIT 1
リモートI/O1
REMOTE I/O 1
48/32
AIR
VACUUM
VACUUM
AIR
IEEE1394
IEEE1394
RS485
RS485
NEXT PAGE
ダブルボット仕様
Double robot specification
:フェライトコア
:FERRITE CORE
A:TFT-274015S (TKK)
B:SFT-72SN (TKK)
C:E04SR301334 (SEIWA)
A
BB BBBB
B
C
REPETER
TRIGER
PARTS CAM 2
MARK CAM 2
HEAD CAM 2
REPETER
B
C
PARTS1
PARTS2
MARK
HEAD
TRIGER
b0X361Gq
b0X361Gq
Downloaded at 2020/05/19 21:05:96 by 395B4578 DL#wIFD31dS
Downloaded at 2020/05/19 21:05:96 by 395B4578 DL#wIFD31dS

NAME TYPE
ブロック図
BLOCK DIAGRAM
AIMEX
TITLE
AIMEXシステム構成
AIMEX SYSTEM CONFIGURATION DIAGAM
DRAWING No.
2
4
RL03852
PREVIOUS PAGE
RS485
RS485
IEEE1394
IEEE1394
VACUUM
AIR
MODULE B
パネル分配器
SIDE1
PANEL DISTRIBUTOR
操作パネル CPU BOX 1 CPU BOX 2
OPERATION PANEL
CPU BOX 1 CPU BOX 2
SIDE1
ATX POWER SUPPLY ATX POWER SUPPLY
MAIN BOARD MAIN BOARD
PANEL LINK PANEL LINK
Y1 AXIS
M
Y1 AXIS AMP.
(LINEAR MOTOR)
CU NET CU NET
デバイス表示器
Y1 SCALE
UART8 UART8
DEVICE DISPLAY
SERVO BOX 1
IEEE1394 IEEE1394
SIDE1 SERVO BOX 1
D I/O D I/O
POWER SUPPLY
VISION VISION
X AXIS
M
X AXIS AMP.
Z AXIS
M
Z AXIS AMP.
HEAD 1 R AXIS
M
R AXIS AMP.
Q AXIS
M
Q AXIS AMP.
SERVO SERVO
SynqNet SynqNet
パレット
PALLET
制御盤
SIDE1
CONTOROL BOX
DC POWER SUPPLY
CONTROL
ヘッドユニット1
HEAD UNIT 1
DC POWER SUPPLY DC POWER SUPPLY
ACUTUATOR ACUTUATOR
リモートI/O1
REMOTE I/O 1
INTERFACE BOARD
48/32
CONTROL CIRCUIT
SAFETY CIRCUIT
SIDE2
操作パネル
OPERATION PANEL
SIDE2
M
Y2 AXIS
Y2 AXIS AMP.
(LINEAR MOTOR)
Y2 SCALE
デバイス表示器
DEVICE DISPLAY
SERVO BOX 2
SERVO BOX 2 SIDE2
POWER SUPPLY
X AXIS AMP.
M
X2 AXIS
Z AXIS AMP.
M
Z AXIS
R AXIS AMP.
M
R AXIS HEAD 2
Q AXIS AMP.
M
Q AXIS
パレット
PALLET
SIDE2
コンベアコントローラ
CONVEYOR CONTROLER
ヘッドユニット2
HEAD UNIT 2
M
C/V MOTOR 1
RS232C
M
C/V MOTOR 2
リモートI/O2
M
CLAMP MOTOR 1
RS485
REMOTE I/O 2
M
CLAMP MOTOR 2
48/32
M
WIDTH MOTOR 1
M
WIDTH MOTOR 2
M
WIDTH MOTOR 3
AIR
VACUUM
ダブルボット仕様
Double robot specification
B B BBBB
PARTS CAM 1
MARK CAM 1
HEAD CAM 1
REPETER
B
C
PARTS1
PARTS2
MARK
HEAD
TRIGER
PARTS1
PARTS2
TRIGER
PARTS CAM 2
MARK CAM 2
HEAD CAM 2
REPETER
B
C
MARK
HEAD
b0X361Gq
b0X361Gq
Downloaded at 2020/05/19 21:05:96 by 395B4578 DL#wIFD31dS
Downloaded at 2020/05/19 21:05:96 by 395B4578 DL#wIFD31dS

NAME TYPE
ブロック図
BLOCK DIAGRAM
AIMEX
TITLE
AIMEXシステム構成
AIMEX SYSTEM CONFIGURATION DIAGAM
DRAWING No.
3
4
RL03852
シングルロボット仕様
Single robot specification
MODULE A
パネル分配器
SIDE1
PANEL DISTRIBUTOR
SIDE2
操作パネル CPU BOX 2 操作パネル
OPERATION PANEL
CPU BOX 2
OPERATION PANEL
SIDE1 SIDE2
ATX POWER SUPPLY
MAIN BOARD
PANEL LINK
M
Y2 AXIS
Y2 AXIS AMP.
CU NET
(LINEAR MOTOR)
デバイス表示器
Y2 SCALE
デバイス表示器
UART8
DEVICE DISPLAY DEVICE DISPLAY
SERVO BOX 2
IEEE1394
SIDE1 SERVO BOX 2 SIDE2
D I/O
POWER SUPPLY
VISION
X AXIS AMP.
M
X2 AXIS
Z AXIS AMP.
M
Z AXIS
R AXIS AMP.
M
R AXIS HEAD 2
Q AXIS AMP.
M
Q AXIS
SERVO
SynqNet
パレット パレット
PALLET PALLET
制御盤
SIDE1 SIDE2
CONTOROL BOX
DC POWER SUPPLY
コンベアコントローラ
CONTROL
CONVEYOR CONTROLER
ヘッドユニット2
HEAD UNIT 2
M
C/V MOTOR 1
DC POWER SUPPLY DC POWER SUPPLY
RS232C
M
C/V MOTOR 2
ACUTUATOR ACUTUATOR
リモートI/O2
M
CLAMP MOTOR 1
RS485
REMOTE I/O 2
INTERFACE BOARD
M
CLAMP MOTOR 2
CONTROL CIRCUIT
48/32
SAFETY CIRCUIT
M
WIDTH MOTOR 1
M
WIDTH MOTOR 2
M
WIDTH MOTOR 3
NEXT PAGE
RS485
RS485
ETHER NET
IEEE1394
AIR
VACUUM
VACUUM
基板搬送BKT(前工程)
RS485
PANEL TRANSFER
SIGNAL
(PREVIOUS)
PANEL TRANSFER BKT(PREVIOUS) AIR
基板搬送BKT(後工程)
RS485
PANEL TRANSFER
SIGNAL
(NEXT)
PANEL TRANSFER BKT(NEXT)
安全確認信号(前工程)
SAFETY CHECK
SIGNAL
(PREVIOUS)
SAFETY CHECK SIGNAL(PREVIOUS)
CPU BOX
CPU BOX
安全確認信号(後工程)
SAFETY CHECK
SIGNAL
(NEXT)
IEEE1394
HUB
SAFETY CHECK SIGNAL(NEXT)
ATX POWER SUPPLY
MAIN BOARD
エア3点セット
AIR REGULATORS
パーツ真空ポンプ制御BKT
D I/O
PARTS VACUUM PUMP CONTROL BKT
IEEE1394
AIR
CU NET
ポンプモータ
M
PUMP MOTOR
LAN
開閉器 ブレーカ ノイズフィルタ サーキットブレーカ
SWITCHI BREAKER NOISE FILTER CIRCUIT BREAKER
AC200~230V 3φ
50/60Hz
リモートI/O1
REMOTE I/O 1
48/32
A
B B B
PARTS1
PARTS2
MARK
HEAD
TRIGER
PARTS CAM 1
MARK CAM 2
HEAD CAM 2
REPETER
B
C
PARTS CAM 2
b0X361Gq
b0X361Gq
Downloaded at 2020/05/19 21:05:96 by 395B4578 DL#wIFD31dS
Downloaded at 2020/05/19 21:05:96 by 395B4578 DL#wIFD31dS