2RGXBA020207ElectricalSchematic(AIMEXII) .pdf - 第280页
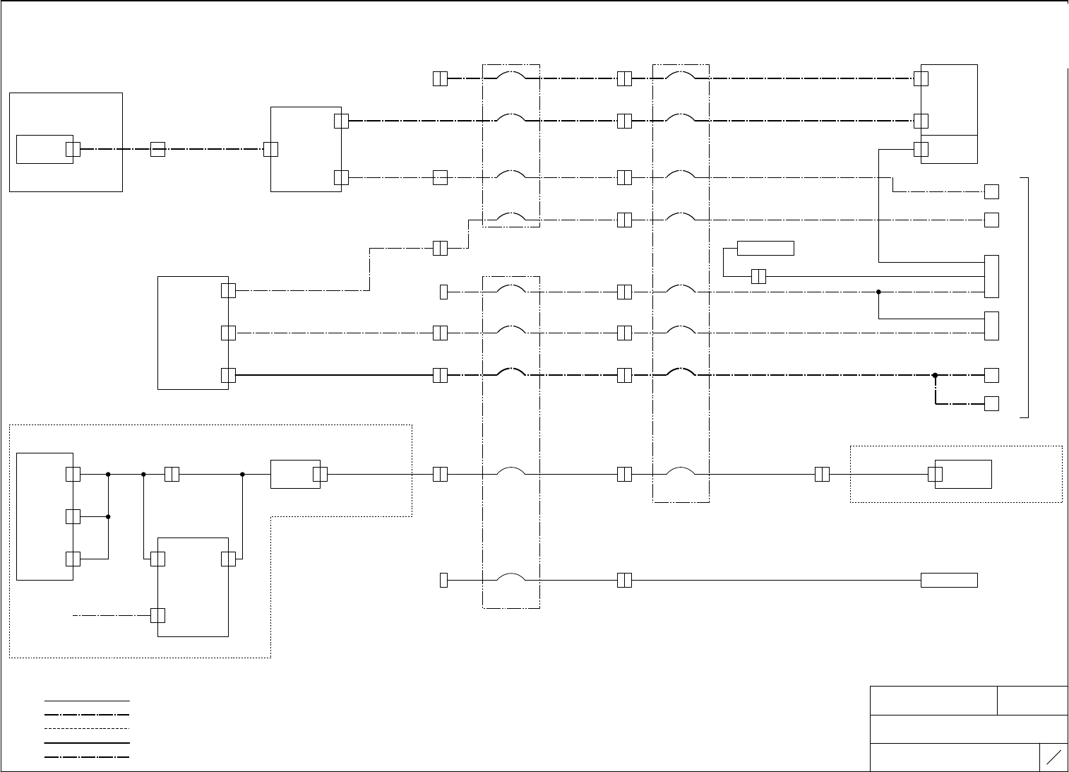
NAME T I T L E DRAWING No. 機関接続図 CONNECTION DIAGRAM 2 RGX BA 00 68 05 プレースヘッド PLACE HEAD TYPE AIMEXⅡ 5 8 79 FUJI SECRET 53 74 78 78 モジュールB リニアスケール制御基 板 M O D U L E B L I N E A R S C A L E C O N T R O L B O A R D Y2平型ケーブル…

NAME
TITLE
DRAWING No.
機関接続図
CONNECTION DIAGRAM
2RGXBA006805
プレースヘッド
PLACE HEAD
TYPE
AIMEXⅡ
57
79
FUJI SECRET
23
60
60
20
モジュールB 2ロボット仕様
MODULE B 2ROBOT Spc.
Y1平型ケーブル X1平型ケーブル
Y1 FLAT CABLE X1 FLAT CABLE
MB MARK
CAMERA1
MB
Y1CN2
MB
X1CN2
RH6280* RH6300*
マークカメラ
TRIG
モジュールCPU BOX
MARK CAMERA
MODULE CPU BOX
リピーター
REPEATER
MB
X1CN1
RH6278* RH6298*
CH2 CAMERA
画像基板
フェライトコア
MB
REPEATER1
CH2
VISION BOARD
FERRITE CORE
マークカメラ光源
2EGMBA0600**
HEAD CH1 LED
MB CPU1
HEAD
XH00810
SEIWA
E04SR301334
MB
REPEATER1
CH1
MARK
LED
MARK CAMERA
LAMP
PCB5 B14MCL1
フェライトコア
CH3
FERRITE CORE
MB
X1CN3
MB
REPEATER1
CH3
RH6282* RH6302*
MB CPU1 MB REPEATER1
XH00810
SEIWA
E04SR301334
2AGXSA0009**
HEAD CAM
ヘッド接続確認1
MB 14LS12
HEAD CONNECTION
CHECK 1
CN-H3
2EGXSA0031**
Y2平型ケーブル
Y2 FLAT CABLE
MB
Y1CN4
MB
X1CN4
RH6284*
ヘッド
HEAD
一体型サーボアンプ
CN-H2
UNITED SERVO AMP
MB
Y1CN5
MB
X1CN5
2EGXBA0217** RH6286*
PG2
MB SERVO
BOX1 PG2
MB
Y1CN6
MB
X1CN6 CN-H1
2EGXBA0103** 2EGXSA0023** 2EGXSA0003**
M2
MB SERVO
BOX1 M2
MB SERVO BOX1
2AGXSA0017**
MB
Y1CN7
MB
X1CN7
2AGXSA0028**RH6290*
Y軸インターロック確認
MB 12LS1
Y AXIS
INTERLOCK CHECK
2AGXSA0013**
前側(SIDE1)
FRONT SIDE(SIDE1)
:DC線(DC WIRING)
:シールド、通信線(SHIELD、COMMUNICATION WIRING)
:アース線(EARTH WIRING)
:AC、動力用配線(WIRING FOR AC&POWER)
:AC、動力用シールド配線(SHIELD WIRING FOR AC&POWER)
レーザー基板高さセンサアンプ
リモートI/O基板
REMOTE I/O BOARD
SENSOR AMPLIFIER
FOR PANEL HEIGHT LASER
MB
HS-CNC1
MB
Y1CN11
MB
X1CN8
2EGXBA0072** 2AGXBA0028** 2AGXBA0032** 2EGXSA0007** 2EGXSA0011**
CN25
MB R1
CN25
B13AMP1
d-1
通信変換基板
MB R1
Yd-1
COMMUNICATION
CONVERSION BOARD
d-2 CN3 CN1
MB R1
Yd-2
B2PCB11
2EGXBA0076**
CN2
B1_UART3
B2PCB1
基板高さセンサ
MB
HS-CNA1
2AGXBA0032**
CN1
PANEL
HEIGHT SENSOR
B13LS1
PG1
MB SERVO
BOX1 PG1
MB
Y1CN12
MB
X1CN12
2EGXSA0015** 2EGXSA0019**
2EGXBA0104**
オプション(基板高さセンサ)
OPTION(PANEL HEIGHT SENSOR)
オプション(基板高さセンサ)
OPTION(PANEL HEIGHT SENSOR)
CN-H5
CN-H4
b0X361Gq
b0X361Gq
Downloaded at 2020/05/19 21:05:96 by 395B4578 DL#wIFD31dS
Downloaded at 2020/05/19 21:05:96 by 395B4578 DL#wIFD31dS

NAME
TITLE
DRAWING No.
機関接続図
CONNECTION DIAGRAM
2RGXBA006805
プレースヘッド
PLACE HEAD
TYPE
AIMEXⅡ
58
79
FUJI SECRET
53
74
78
78
モジュールB
リニアスケール制御基板
MODULE B
LINEAR SCALE
CONTROL BOARD
Y2平型ケーブル
Y2 FLAT CABLE
FAN1
MB
Y2CN8
MB SIDE2
FAN1,2
RH6328*
2EGMBA0598** 2AGXSA0021**
Y軸モータ冷却ファン1
CN1
Y AXIS MOTOR
COOLING FAN 1
MB SCALE
PCB2 CN1
FAN2
CN6
Y軸モータ冷却ファン2
Y AXIS MOTOR
COOLING FAN 2
MB SCALE
PCB2 CN6
FAN3
MB SIDE2
FAN3,4
2AGXSA0022**
Y軸モータ冷却ファン3
B22PCB1
Y AXIS MOTOR
COOLING FAN 3
FAN4
Y軸モータ冷却ファン4
Y AXIS MOTOR
COOLING FAN 4
Yモータ温度確認1
R1
Y AXIS TEMPERATURE
CHECK 1
Y2軸サーボアンプ
Y2 AXIS SERVO AMP
Yモータ温度確認2
R2
Y AXIS TEMPERATURE
CHECK 2
MB
Y2 SCALE
RH6330*
Y2軸リニアスケール
CN2 MB 22LSI1
Y2 LINEAR SCALE
MB Y2SA
CN2
フェライトコア
MB 22M1
FERRITE CORE
MB
22M1
2EGMBA0038*
Y2軸サーボモーター
U,V
W
M
Y2 AXIS MOTOR
SFT72-SNLCB-026K
H3019E
TAKEUCHI
2AGXSA0014**
2EGMBA0590**
Y軸回生抵抗
B1,B2 R
Y AXIS
RESISTOR
MB Y2SA
一体型サーボアンプ
UNITED SERVO AMP
Y1平型ケーブル
Y1 FLAT CABLE
MB
Y2CN10
2EGMBA0580** RH6312*
PGX
11SA
MB SERVO
BOX2 11SA
X2軸サーボモータ
X2 AXIS MOTOR
BACKUP
BAT
MB X2
-BAT
MB
Y2CN9
2EGMBA0579** RH6310*
TB
MB 21M1
MB SERVO
BOX2 TB
後側(SIDE2)
2AGXSA0010**
REAR SIDE(SIDE2)
MB SERVO BOX2
:DC線(DC WIRING)
:シールド、通信線(SHIELD、COMMUNICATION WIRING)
:アース線(EARTH WIRING)
:AC、動力用配線(WIRING FOR AC&POWER)
:AC、動力用シールド配線(SHIELD WIRING FOR AC&POWER)
オプション(コプラナリティ仕様)
OPTION(COPRANALITY Spc.)
オプション(コプラナリティ仕様)
OPTION(COPRANALITY Spc.)
MB SIDE2
FAN1,2
b0X361Gq
b0X361Gq
Downloaded at 2020/05/19 21:05:96 by 395B4578 DL#wIFD31dS
Downloaded at 2020/05/19 21:05:96 by 395B4578 DL#wIFD31dS

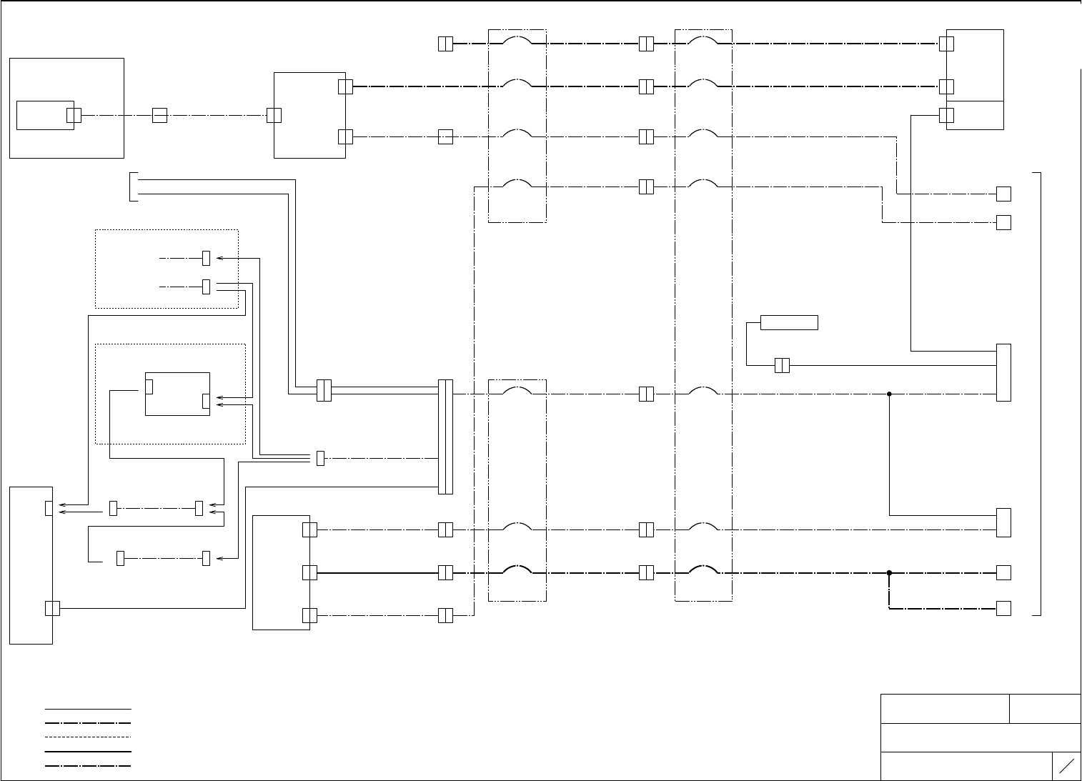
NAME
TITLE
DRAWING No.
機関接続図
CONNECTION DIAGRAM
2RGXBA006805
プレースヘッド
PLACE HEAD
TYPE
AIMEXⅡ
59
79
FUJI SECRET
21
23
70
60
70
Y1平型ケーブル X2平型ケーブル
Y1 FLAT CABLE X2 FLAT CABLE
MB MARK
CAMERA2
MB
Y2CN2
MB
X2CN2
RH6316* RH6336*
マークカメラ
TRIG
モジュールCPU BOX
MARK CAMERA
MODULE CPU BOX
リピーター
REPEATER
MB
X2CN1
RH6314* RH6334*
CH2 CAMERA
画像基板
フェライトコア
MB
REPEATER2
CH2
VISION BOARD
FERRITE CORE
マークカメラ光源
2EGMBA0612**
HEAD CH1 LED
フェライトコア
MB CPU2
HEAD
XH00810
SEIWA
E04SR301334
MB
REPEATER2
CH1
MARK
LED
FERRITE CORE
MB
X2CN3
MARK CAMERA
LAMP
PCB5 B24MCL1
RH6318* RH6338*
CH3
MB
REPEATER2
CH3
XH00810
SEIWA
E04SR301334
2AGXSA0010**
MB CPU2 MB REPEATER2
HEAD CAM
ヘッド接続確認2
MB 24LS12
HEAD CONNECTION
CHECK 2
CN-H3
2EGXSA0032**
Y2平型ケーブル
Y2 FLAT CABLE
MB EXCN-6
MB
Y2CN4
MB
X2CN4
2EGXBA0148**
RH6320*
MB R2 CN17
MB R4
CN1-2
ヘッド
HEAD
一体型サーボアンプ
CN-H2
UNITED SERVO AMP
MB
Y2CN5
MB
X2CN5
2EGMBA0577** RH6322*
PG2
MB SERVO
BOX2 PG2
MB
Y2CN6
MB
X2CN6 CN-H1
2EGXBA0107** 2EGXSA0024**
2EGXSA0004**
M2
MB SERVO
BOX2 M2
MB SERVO
BOX2
後側(SIDE2)
2AGXSA0014** 2AGXSA0018**
REAR SIDE(SIDE2)
モジュールB
:DC線(DC WIRING)
MODULE B
:シールド、通信線(SHIELD、COMMUNICATION WIRING)
:アース線(EARTH WIRING)
:AC、動力用配線(WIRING FOR AC&POWER)
:AC、動力用シールド配線(SHIELD WIRING FOR AC&POWER)
PG1
MB SERVO
BOX2 PG1
MB
Y2CN12
2EGXBA0108**
2EGXSA0016**
MB
X2CN12
CN-H4
2EGXSA0020**
リモートI/O基板
REMOTE I/O BOARD
CN17
MB R2
CN17
MB R4
CN1-1
CN22
MB R2
CN22
B2PCB12
CN-H5
2EGXBA0154**
オプション(SIDE2サイドライト)
OPTION(SIDE2 SIDE LIGHT)
オプション
OPTION
MB R2 CN17
B2PCB14
CN1-2
CN1-1
REMOTE I/O BOARD(4)
リモートI/O基板(4)
MB R4
CN1-1
MB R4
CN1-2
2EGXBA0083**
MB R4
CN1-2
2EGXBA0142**
MB R2
CN17
MB R4
CN1-1
b0X361Gq
b0X361Gq
Downloaded at 2020/05/19 21:05:96 by 395B4578 DL#wIFD31dS
Downloaded at 2020/05/19 21:05:96 by 395B4578 DL#wIFD31dS