2RGXBA020207ElectricalSchematic(AIMEXII) .pdf - 第64页
3 5 0 1 3 5 0 2 3 5 0 3 3 5 0 4 3 5 0 5 3 5 0 6 3 5 0 7 3 5 0 8 3 5 0 9 3 5 1 0 3 5 1 1 3 5 1 2 3 5 1 3 3 5 1 4 3 5 1 5 3 5 1 6 3 5 1 7 3 5 1 8 3 5 1 9 3 5 2 0 3 5 2 1 3 5 2 2 3 5 2 3 3 5 2 4 3 5 2 5 3 5 2 6 3 5 2 7 3 5 …

34 01
34 02
34 03
34 04
34 05
34 06
34 07
34 08
34 09
34 10
34 11
34 12
34 13
34 14
34 15
34 16
34 17
34 18
34 19
34 20
34 21
34 22
34 23
34 24
34 25
34 26
34 27
34 28
34 29
34 30
34 31
34 32
34 33
34 34
34 35
34 36
34 37
34 38
34 39
34 40
34 41
34 42
34 43
34 44
34 45
NAME PAGE
モジュールA回路図
MODULE A CIRCUIT DIAGRAM
52
34
TITLE TYPE
CPU BOX
CPU BOX
AIMEXⅡ
DRAWING No.
6
9
FUJI SECRET
2RGXBA015700
(A2PCB2)
AP2/A2
(AT2PCB1)
AP1/AT2
(PCB1) AP1
MA CPU2
(PCB1) AP1
MA CPU2
(M1PCB1)
AP1/M1
(M1PCB1)
AP1/M1
(PCB1) AP1
MA CPU2
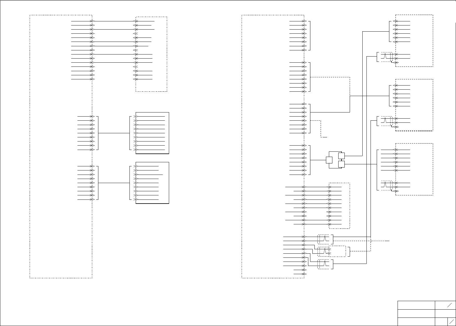
ロードセルコントローラ
EXTENSION BOARD 2
EXTENSION BOARD 2
ロードセル
LOAD CELL CONTROLLER
UART ch1~4
LOAD CELL
CN5 CN1
RX_1 RX
赤 RED
1 -2 -1
TX_1 TX
黒 BLK
2 -3 -2
CTS_1 SG
青 BLU
3 -5 -4
RTS_1 RTS
白 WHT
4 -7 -7
GND CTS
5 -8 -8
GND
6
RX_2
7
TX_2
RFID (OPTION)
8
CTS_2
9
RTS_2
10
RX_3
11
TX_3
12
CTS_3
13
RTS_3
14
GND
15
GND
16
RX_4
17
TX_4
RFID (SIDE1)
18
CTS_4
19
RTS_4
20
UART ch5
DCD5
1
RXD5
2
TXD5
3
DSR5
4
GND
5
DTR5
6
RTS5
7
CTS5
8
RI
9
SHELL
UART ch6
DCD6
1
RXD6
パレットユニット2
2
PALETT UNIT 2
TXD6
3
DSR6
4
-7
GND
5
-6
DTR6
6
-9
RTS6
7
-10
CTS6
8
-8
RI
9
-5
SHELL
UART ch7
DCD7
1
RXD7
2
TXD7
3
DSR7
4
GND
シングルロボット時
5
FOR A SINGLE ROBOT
DTR7
6
RTS7
7
CTS7
8
RI
9
工業用コンピュータ
INDUSTRIAL COMPUTER
UART ch8
RS232C
DCD8 DCD
1 -1
RXD8 RXD
2 -2
TXD8 TXD
3 -3
DSR8 DTR
4 -4
GND SG
5 -5
DTR8 DSR
6 -6
RTS8 RTS
7 -7
CTS8 CTS
8 -8
RI RI
9 -9
SHELL
CASE
インターフェース基板 インターフェース基板
EXTENSION BOARD 2
INTERFACE BOARD INTERFACE BOARD
DIO 1 DIO 2
ACN5 ACN6
DI1COM_1 GA DI2COM_1 GA
1 -1 1 -1
DI1 00 ATX000 DI2 00 ATX010
2 -2 2 -2
DI1 01 ATX001 DI2 01 ATX011
3 -3 3 -3
DI1 02 ATX002 DI2 02 ATX012
4 -4 4 -4
DI1 03 ATX003 DI2 03 ATX013
5 -5 5 -5
DI1 04 ATX004 DI2 04 ATX014
6 -6 6 -6
DI1 05 ATX005 DI2 05 ATX015
7 -7 7 -7
DI1 06 ATX006 DI2 06 ATX016
8 -8 8 -8
DI1 07 ATX007 DI2 07 ATX017
9 -9 9 -9
DI1 08 ATX008 DI2 08 ATX018
10 -10 10 -10
DI1 09 ATX009 DI2 09 ATX019
11 -11 11 -11
DI1 10 ATX00A DI2 10 ATX01A
12 -12 12 -12
DI1 11 ATX00B DI2 11 ATX01B
13 -13 13 -13
DI1 12 ATX00C DI2 12 ATX01C
14 -14 14 -14
DI1 13 ATX00D DI2 13 ATX01D
15 -15 15 -15
DI1 14 ATX00E DI2 14 ATX01E
16 -16 16 -16
DI1 15 ATX00F DI2 15 ATX01F
17 -17 17 -17
DI1COM_0 GA DI2COM_0 GA
18 -18 18 -18
NC NC NC NC
19 -19 19 -19
NC NC NC NC
20 -20 20 -20
NC NC NC NC
21 -21 21 -21
DO1 00 ATY000 DO2 00 ATY010
22 -22 22 -22
DO1 01 ATY001 DO2 01 ATY011
23 -23 23 -23
DO1 02 ATY002 DO2 02 ATY012
24 -24 24 -24
DO1 03 ATY003 DO2 03 ATY013
25 -25 25 -25
DO1 04 ATY004 DO2 04 ATY014
26 -26 26 -26
DO1 05 ATY005 DO2 05 ATY015
27 -27 27 -27
DO1 06 ATY006 DO2 06 ATY016
28 -28 28 -28
DO1 07 ATY007 DO2 07 ATY017
29 -29 29 -29
DO1 08 ATY008 DO2 08 ATY018
30 -30 30 -30
DO1 09 ATY009 DO2 09 ATY019
31 -31 31 -31
DO1 10 ATY00A DO2 10 ATY01A
32 -32 32 -32
DO1 11 ATY00B DO2 11 ATY01B
33 -33 33 -33
DO1 12 ATY00C DO2 12 ATY01C
34 -34 34 -34
DO1 13 ATY00D DO2 13 ATY01D
35 -35 35 -35
DO1 14 ATY00E DO2 14 ATY01E
36 -36 36 -36
DO1 15 ATY00F DO2 15 ATY01F
37 -37 37 -37
NC NC NC NC
38 -38 38 -38
DO1COM_1 A+24VA1 DO2COM_1 A+24VA1
39 -39 39 -39
DO1COM_0 A+24VA1 DO2COM_0 A+24VA1
40 -40 40 -40
コンベアコントロール基板
CONVEYOR CONTROL BOARD
CN1
(NC)
-1
RXD
-2
TXD
-3
(NC)
-4
SG
RS232C インターフェース
-5
(NC)
RS232C INTERFACE
-6
RTS
-7
CTS
-8
(NC)
-9
SHELL
SHELL
SIDE1 パレットユニット
SIDE 1 PALETT UNIT
シングルロボット時
FOR A SINGLE ROBOT
CN2
1
2
3
通信変換基板
COMMUNICATION
CONVERSION BOARD
基板高さセンサ
OPTION
PANEL HIGHT SENSOR
b0X361Gq
b0X361Gq
Downloaded at 2020/05/19 21:05:96 by 395B4578 DL#wIFD31dS
Downloaded at 2020/05/19 21:05:96 by 395B4578 DL#wIFD31dS

35 01
35 02
35 03
35 04
35 05
35 06
35 07
35 08
35 09
35 10
35 11
35 12
35 13
35 14
35 15
35 16
35 17
35 18
35 19
35 20
35 21
35 22
35 23
35 24
35 25
35 26
35 27
35 28
35 29
35 30
35 31
35 32
35 33
35 34
35 35
35 36
35 37
35 38
35 39
35 40
35 41
35 42
35 43
35 44
35 45
NAME PAGE
モジュールA回路図
MODULE A CIRCUIT DIAGRAM
52
35
TITLE TYPE
CPU BOX
CPU BOX
AIMEXⅡ
DRAWING No.
7
9
FUJI SECRET
2RGXBA015700
(PCB2)
AP2
(A2PCB12) AP12/A2
(A2PCB11)
AP11/A2
(A2PCB12) AP12/A2
(A2PCB14) AP12/A2
(PCB2)
AP2
(A2PCB13)
AP13/A2
(A2PCB12) AP12/A2
MAIN BOARD 2
リモートI/O2
REMOTE I/O 2
パレットユニット2
PALET UNIT 2
CN16
CT+
CUnet -1
CT-
CN2
CU-A
-2
SHIELD
1 -1
CU-B
-3
2 -2
FG
3 -4
リモートI/O1
REMOTE I/O 1
パレットユニット
PALET UNIT
CN16
CT+
CUnet -1
CT-
CN2
CU-A
-2
SHIELD
1 -1
CU-B
-3
2 -2
FG
CN17
CT+
3 -4
-1
CT-
-2
SHIELD
-3
リモートI/O2
REMOTE I/O 2
パレットユニット2
PALET UNIT 2
CN16
CT+
-1
CT-
CN2
-2
SHIELD
-1
-3
-2
CN17
CT+
-4
-1
CT-
-2
SHIELD
-3
シングルロボット時
For a single robot
ダブルロボット時
For a double robot
オプションリモートI/O4
OPTION REMOTE I/O 4
CUnet
1
2
3
CN17
CT+
-1
CT-
-2
SHIELD
-3
HEAD UNIT 2
100Ω
CN-H3
R
-A1
-B1
-A2
ADDRESS
5026
CN1-1
CT+
-1
CT-
-2
SHIELD
-3
CN1-2
CT+
-1
CT-
-2
SHIELD
-3
MAIN BOARD 2
オプションリモートI/O3
OPTION REMOTE I/O 3
CN1-1
CT+
-1
CT-
-2
SHIELD
-3
CN1-2
CT+
-1
CT-
-2
SHIELD
-3
ADDRESS
5026
HEAD UNIT 2
100Ω
CN-H3
R
-A1
-B1
-A2
CUnet
1
2
3
オプションリモートI/O4
OPTION REMOTE I/O 4
CN1-1
CT+
-1
CT-
-2
SHIELD
-3
CN1-2
CT+
-1
CT-
-2
SHIELD
-3
b0X361Gq
b0X361Gq
Downloaded at 2020/05/19 21:05:96 by 395B4578 DL#wIFD31dS
Downloaded at 2020/05/19 21:05:96 by 395B4578 DL#wIFD31dS

36 01
36 02
36 03
36 04
36 05
36 06
36 07
36 08
36 09
36 10
36 11
36 12
36 13
36 14
36 15
36 16
36 17
36 18
36 19
36 20
36 21
36 22
36 23
36 24
36 25
36 26
36 27
36 28
36 29
36 30
36 31
36 32
36 33
36 34
36 35
36 36
36 37
36 38
36 39
36 40
36 41
36 42
36 43
36 44
36 45
NAME PAGE
モジュールA回路図
MODULE A CIRCUIT DIAGRAM
52
36
TITLE TYPE
CPU BOX
CPU BOX
AIMEXⅡ
DRAWING No.
8
9
FUJI SECRET
2RGXBA015700
PARTSCAM1
PARTSTRG1
ADDRESS
3133
ADDRESS
3134
(PCB7) AP7
MA CPU2
(M1PCB1)
AP1/M1
(M1PCB1)
AP1/M1
(PCB5) AP5
MA CPU2
SERVO BOARD 2
I/O INTERFACE
OPTO_A
1
OPTO_B
2
OPTO_C
3
OPTO_D
4
OPTO_E
5
OPTO_F
6
XESTOP
7
SHIELD
8
OPTO_A_RTN
9
OPTO_B_RTN
10
OPTO_C_RTN
11
OPTO_D_RTN
12
OPTO_E_RTN
13
OPTO_F_RTN
14
XESTOP_RTN
15
サーボBOX 2
SERVO BOX 2
IN
CN3A
TD+ CONN_RD1+
1 -1
NC1+ RD1_COMM
2 -2
GND EARTHGND_OUT
3 -3
NC2+ TD1_COMM
4 -4
RD+ CONN_TD1+
5 -5
TD- CONN_RD1-
6 -6
NC1- RD1_COMM
7 -7
NC2- TD1_COMM
8 -8
RD- CONN_TD1-
9 -9
Y2軸サーボアンプ
Y2 AXIS SERVO AMP
OUT
CN6B
RD+ CONN_TD0+
1 -1
NC1+ TD0_COMM
2 -2
GND EARTHGND_IN
3 -3
NC2+ RD0_COMM
4 -4
TD+ CONN_RD0+
5 -5
RD- CONN_TD0-
6 -6
NC1- TD0_COMM
7 -7
NC2- RD0_COMM
8 -8
TD- CONN_RD0-
9 -9
VISION BOARD 2 MARK CAMERA 2
MARK IEEE1394
VP1 VP1
1 11
VG1 VG1
2 2
TPB1- TPB1-
3 3
TPB1+ TPB1+
4 4
TPA1- TPA1-
5 5
TPA1+ TPA1+
6 6
FG
7
FG
TRIGER
8
TRIGER+
1
TRIGER-
PART2
2
VP1
1 CASE
VG1
2
TPB1-
3
TPB1+
4
PARTS CAMERA 2
TPA1-
5 IEEE1394
TPA1+
VP1
6
FG
11
VG1
7
FG
2
TPB1-
8
3
TPB1+
PART1 4
TPA1-
VP1
5
TPA1+
1
VG1
6
2
TPB1-
3 TRIGER
TPB1+
TRIGER+
4
TPA1-
1
TRIGER-
5
TPA1+
2
6
FG
CASE
7
FG
8
HEAD
HEAD CAMERA 2
VP1
IEEE1394
1
VG1 VP1
2 11
TPB1- VG1
3 2
TPB1+ TPB1-
4 3
TPA1- TPB1+
5 4
TPA1+ TPA1-
6 5
FG TPA1+
7 6
FG
8
インターフェース基板
TRIGER
INTERFACE BOARD
TRIGER+
TRIG IN
ACN21 1
TRIG IN0 ATY01A TRIGER-
1 -3 2
GND AGB
2 -4 CASE
TRIG IN1
3
GND
4
TRIG IN2 ATY01C
5 -1
GND AGB
6 -2
TRIG IN3
7
GND
8
TRIG IN4 AOPTOA2
9 -5
GND AGB
10 -6
TRIG OUT
TROUT0+
1
TROUT0-
2
TROUT1+
3
TROUT1ー
4
TROUT2+
5
TROUT2-
6
TROUT3+
7
TROUT3-
8
FG
9
FG
10
SIDE1 パーツカメラ
SIDE 1 PARTS CAMERA
シングルロボット時
FOR A SINGLE ROBOT
-7
ATY01B
-8
AGB
-9
AGB
-10
ATY01D
SIDE1 パーツカメラ
SIDE 1 PARTS CAMERA
シングルロボット時
FOR A SINGLE ROBOT
REPEATER 2
CH2
CH1
CH3
リピータ2
未使用
NOT USED
インターフェース基板
INTERFACE BOARD
ACN15
A+24VB1
-4
AK115
-5
A+24VB1
-6
-1
AK114
-2
AK112
-3
GA
-7
-8
AOPTOA2
-12
AOPTOB2
-13
AOPTOC2
-14
-9
AOPTOE2
-10
AOPTOF
-11
AXESTOP2
-15
シングルロボット時
FOR A SINGLE ROBOT
シングルロボット時
FOR A SINGLE ROBOT
-2
-1
PARTS TRIG2
b0X361Gq
b0X361Gq
Downloaded at 2020/05/19 21:05:96 by 395B4578 DL#wIFD31dS
Downloaded at 2020/05/19 21:05:96 by 395B4578 DL#wIFD31dS