2RGXBA020207ElectricalSchematic(AIMEXII) .pdf - 第295页
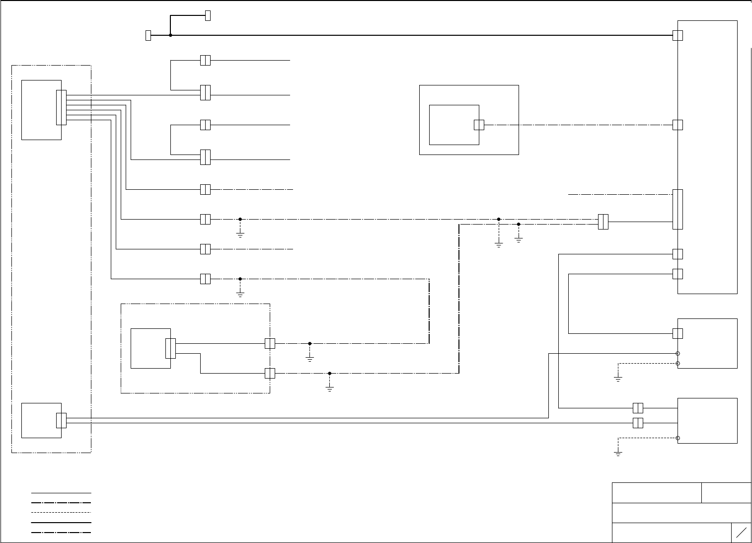
NAME T I T L E DRAWING No. 機関接続図 CONNECTION DIAGRAM 2 RGX BA 00 68 05 コプラナリティ COPLANARITY TYPE AIMEXⅡ 7 3 79 FUJI SECRET 74 74 74 72 72 71 71 3 4 3 4 コントロールBOX モジュールCPU B OX I / F A C N 1 8 - A C O N T R O L B O X M O D …

NAME
TITLE
DRAWING No.
機関接続図
CONNECTION DIAGRAM
2RGXBA006805
コプラナリティ
COPLANARITY
TYPE
AIMEXⅡ
72
79
FUJI SECRET
73
71
77
73
56
51
51
51
:DC線(DC WIRING)
:シールド、通信線(SHIELD、COMMUNICATION WIRING)
:アース線(EARTH WIRING)
:AC、動力用配線(WIRING FOR AC&POWER)
:AC、動力用シールド配線(SHIELD WIRING FOR AC&POWER)
モジュールA SIDE1
MODULE A SIDE1
リモートI/O基板
リニアスケール制御基板
REMOTE I/O BOARD
Y2平型ケーブル
LINEAR SCALE
CONTROL BOARD
2EGMGH0068**
MA
Y1CN8
Y2 FLAT CABLE
2EGMBA0548**
CN3
MA R1
CN3
交換
CHANGE
MA SIDE1
FAN1,2
A2PCB11
MA
Y1CN8
2EGMBA0339**
取外しハーネス
2EGMBA0595**
MA 1ロボット仕様
MA 1ROBOT Spc.
CN6
MA SCALE
PCB1 CN6
コントロールBOX
CONTROL BOX
2EGMGH0050**
MA SIDE1
MEAS.CNT-CN1
I/F ACN18-A
2EGMGH0006**
CN5
I/F BCN18-A
MA SCALE
PCB1 CN5
インターフェース基板
MA SIDE1
FAN3,4
INTERFACE BOARD
MB
Y1CN8
CN3
MA SCALE
PCB1 CN3
CN27
I/F
CN27
M1PCB1
MB
Y1CN8
A12PCB1
リモートI/O基板
2EGMBA0346**
Yモータ温度確認1
Y AXIS TEMPERATURE
CHECK 1
REMOTE I/O BOARD
R1
MB 1ロボット仕様
MB 1ROBOT Spc.
Y1軸リニア
スケール2
Yモータ温度確認2
CN3
MA46LSI1
Y1 AXIS LINEAR
SCALE 2
Y AXIS TEMPERATURE
CHECK 2
R2
MB R1
CN3
B2PCB11
取外しハーネス
2AGXSA0011**
交換
CHANGE
2AGXSA0025**
MA 2ロボット仕様
MA 2ROBOT Spc.
ATX電源
MA CPU1
MA
COPLA-1
I/F
ACN14
2EGMGH0040**
ACN14
MODULE CPU BOX
モジュールCPU BOX
SERVO BOARD
サーボ基板
PCB7
I/O
MA CPU1
SERVO I/O
交換
CHANGE
取外しハーネス
2EGMBA0132**
MA Y1CN8
b0X361Gq
b0X361Gq
Downloaded at 2020/05/19 21:05:96 by 395B4578 DL#wIFD31dS
Downloaded at 2020/05/19 21:05:96 by 395B4578 DL#wIFD31dS

NAME
TITLE
DRAWING No.
機関接続図
CONNECTION DIAGRAM
2RGXBA006805
コプラナリティ
COPLANARITY
TYPE
AIMEXⅡ
73
79
FUJI SECRET
74
74
74
72
72
71
71
3
4
3
4
コントロールBOX
モジュールCPU BOX
I/F
ACN18-A
CONTROL BOX
MODULE CPU BOX
CPUボード
インターフェース基板
工業用PC
INTERFACE BOARD
CPU BOARD
MA
COPLA-1
INDUSTRIAL PC
2EGMGH0064**
2EGXGH0013**
UART8 RS232C
MA CPU2
UART8
MA SIDE2
RS232C
PCB1
I/F
ACN18-B
ACN18
2EGXGH0011**
I/F ACN18-B
MA CPU2
POWER
MA SIDE2
POWER
MA
COPLA-2
I/F
ACN18
2EGMGH0041**
MA
COPLA-2
MA SIDE2
MEAS.CNT
M1PCB1
MEAS.CNT
MA SIDE2
MEAS.CNT
I/F
ACN18-C
MA SIDE2
COPLA
2EGXGH0014**
I/F
ACN18-D
SENSOR HEAD
モニタ SIDE1:2EGMGH0014**
モニタ SIDE2:2EGMGH0015**
VGA
I/F
ACB18-4
MA SIDE*
VGA
MA46PC2
I/F
ACB18-5
モニタ
2EGMGH0061**
MONITOR
VGA
MA SIDE*
VGA
リモートI/O基板BKT
REMOTE I/O BOARD BKT
DC24V
2EGXGH0009**
CN-OP1
RH4440*
CN1
MA S2
CN-OP1
CN-1
COPLANARITY
PCB2
MA S2
COPLANARITY
工業用PC付属品(4.5m)
コネクタ基板
CONNECTOR BOARD
2EGMGH0020**
CN13
MA CNT
CN13
AM2PCB1
モジュールA SIDE2
:DC線(DC WIRING)
MODULE A SIDE2
:シールド、通信線(SHIELD、COMMUNICATION WIRING)
:アース線(EARTH WIRING)
:AC、動力用配線(WIRING FOR AC&POWER)
:AC、動力用シールド配線(SHIELD WIRING FOR AC&POWER)
2EGMGH0053**
2EGMGH0050**
I/F ACN18-A
2EGMGH0040**
MA
COPLA-1
2EGXGH0006**
I/F ACN18-C
2EGMGH0060**
I/F ACN18-4
モニタ SIDE1:2EGXGH0008**
モニタ SIDE2:2EGXGH0004**
SIDE2 センサヘッド
SIDE2 SENSOR HEAD
CB ACN3
CB ACN3
CB ACN3-1
CB ACN3-2
RELAY BOARD
リレー基板
b0X361Gq
b0X361Gq
Downloaded at 2020/05/19 21:05:96 by 395B4578 DL#wIFD31dS
Downloaded at 2020/05/19 21:05:96 by 395B4578 DL#wIFD31dS

NAME
TITLE
DRAWING No.
機関接続図
CONNECTION DIAGRAM
2RGXBA006805
コプラナリティ
COPLANARITY
TYPE
AIMEXⅡ
74
79
FUJI SECRET
73
77
73
73
58
53
53
53
モジュールA SIDE2
:DC線(DC WIRING)
MODULE A SIDE2
:シールド、通信線(SHIELD、COMMUNICATION WIRING)
:アース線(EARTH WIRING)
:AC、動力用配線(WIRING FOR AC&POWER)
:AC、動力用シールド配線(SHIELD WIRING FOR AC&POWER)
リニアスケール制御基板
2EGXBA0050**
リモートI/O基板
REMOTE I/O BOARD
Y2平型ケーブル
LINEAR SCALE
CONTROL BOARD
交換
CHANGE
Y2 FLAT CABLE
MA
Y2CN8
2EGMBA0558**
MA SIDE2
FAN1,2
CN3
取外しハーネス
2EGMBA0597**
MA R2
CN3
A2PCB12
CN6
MA SCALE
PCB2 CN6
コントロールBOX
MA SIDE2
MEAS.CNT
2EGXGH0011**
I/F ACN18-B
CONTROL BOX
2EGMGH0007**
I/F BCN18-B
CN5
MA SCALE
PCB2 CN5
インターフェース基板
MA SIDE2
FAN3,4
INTERFACE BOARD
MB
Y2CN8
CN3
MA SCALE
PCB2 CN3
CN28
I/F
CN28
A22PCB1
リモートI/O基板
M1PCB1
REMOTE I/O BOARD
Yモータ温度確認1
Y AXIS TEMPERATURE
CHECK 1
R1
Y2軸リニア
スケール2
MA46LSI2
CN3
Y2 AXIS LINEAR
SCALE 2
MB R2
CN3
Yモータ温度確認2
Y AXIS TEMPERATURE
CHECK 2
R2
2PCB12
取外しハーネス
2AGXSA0012**
交換
CHANGE
2AGXSA0024**
MA
COPLA-2
2EGMGH0041**
ACN15
I/F
ACN15
MODULE CPU BOX
モジュールCPU BOX
MA CPU2
PCB7
MA CPU2
SERVO I/O
I/O
SERVO BOARD
サーボ基板
交換
CHANGE
取外しハーネス
2EGMBA0221**
b0X361Gq
b0X361Gq
Downloaded at 2020/05/19 21:05:96 by 395B4578 DL#wIFD31dS
Downloaded at 2020/05/19 21:05:96 by 395B4578 DL#wIFD31dS