2RGXBA020207ElectricalSchematic(AIMEXII) .pdf - 第310页
NAME TYPE I/F接続図 I/F JUNCTION DIAGRAM AIMEX T I T L E 機械間I/F INTERFACE BETWEEN MACHINES DRAWING No. 3 4 RL 038 60 C N - M 2 レ ー ン 2 - R L A N E 2 - R レ ー ン 1 - R L A N E 1 - R 後工程側 ( N e x t s i d e ) R H 6 0 7 8 * RH039…

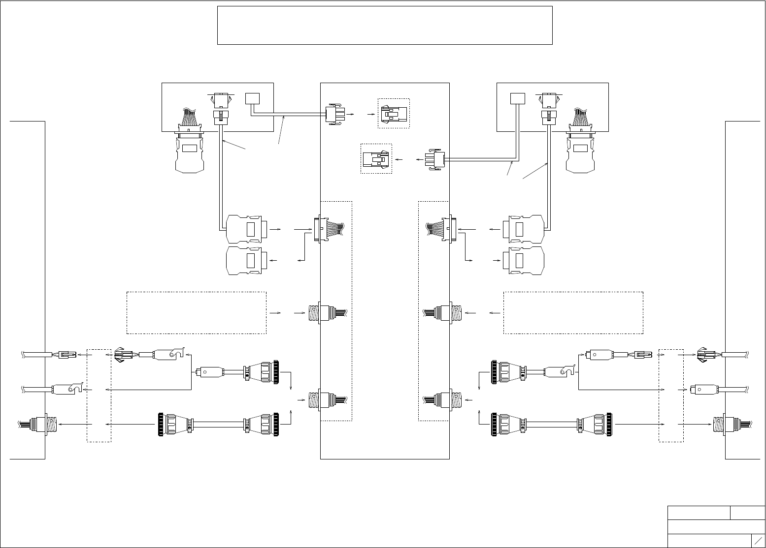
NAME TYPE
I/F接続図
I/F JUNCTION DIAGRAM
AIMEX
TITLE
機械間I/F
INTERFACE BETWEEN MACHINES
DRAWING No.
2
4
RL03860
後工程からの送れ信号
後工程からの送れ信号
既存機
後工程側
(Next side)
RH2136*
RH2138*(1.5m)
RH2137*(3m)
RH2139*(5m)
RH0814*(3m)
接続済
RH6079*
CN-M1
前工程側
(Previous side)
CN-M1
レーン2-F
LANE2-F
レーン1-F
LANE1-F
CN-M2
レーン2-R
LANE2-R
レーン1-R
LANE1-R
後工程側
(Next side)
CN-M2
RH6078*
接続済
RH2138*(1.5m)
RH2137*(3m)
RH2139*(5m)
RH0816*(3m)
変換ハーネス
RH2135*
[FUJI仕様]
MLコネクタ
[FUJI仕様]
ヒルシュマンコネクタ
[SMEMA規格]
前工程側
(Previous side)
前工程への基板送れ信号
前工程への基板送れ信号
既存機AIMEX
EXISTING MACHINEEXISTING MACHINE
前工程基板搬送信号BKT
PANEL TRANSFER I/F BOX
後工程基板搬送信号BKT
PANEL TRANSFER I/F BOX
IT CONNECTSIT CONNECTS
Please connect like a lane 1 at the time of lane 2 use.
レーン2使用時、レーン1と同様に接続して下さい。
いずれかを接続して下さい。
接続
CONNECTION
接続
CONNECTION
接続
CONNECTION
Please connect either.
接続
CONNECTION
PANEL REQUEST
PANEL REQUEST
FROM NEXT(BUSY)
ML CONNECTOR
[FUJI STANDARD]
HIRSCHMANN CONNECTOR
[SMEMA STANDARD]
[FUJI STANDARD]
CONVERSION HARNESS
FROM NEXT(BUSY)
[FUJI仕様]
[FUJI STANDARD]
MLコネクタ
ML CONNECTOR
[FUJI仕様]
[FUJI STANDARD]
ヒルシュマンコネクタ
HIRSCHMANN CONNECTOR
[SMEMA規格]
[SMEMA STANDARD]
いずれかを接続して下さい。
Please connect either.
CONVERSION HARNESS
変換ハーネス
接続
CONNECTION
レーン2使用時、レーン1と同様に接続して下さい。
Please connect like a lane 1 at the time of lane 2 use.
接続
CONNECTION
接続
CONNECTION
接続
CONNECTION
接続は図のいずれか一つを選択して下さい。
Connection should choose any one of the figures.
接続は図のいずれか一つを選択して下さい。
Connection should choose any one of the figures.
EEHH174*(1.5m)
EEHH143*(3m)
EEHH175*(5m)
EEHH174*(1.5m)
EEHH143*(3m)
EEHH175*(5m)
( ) ( )
(EEHH118*) (EEHH117*)
RH3902*(1.0m) RH3902*(1.0m)
AIMEXと既存機の接続
CONNECTION OF AIMEX AND THE EXISTING MACHINE
b0X361Gq
b0X361Gq
Downloaded at 2020/05/19 21:05:96 by 395B4578 DL#wIFD31dS
Downloaded at 2020/05/19 21:05:96 by 395B4578 DL#wIFD31dS

NAME TYPE
I/F接続図
I/F JUNCTION DIAGRAM
AIMEX
TITLE
機械間I/F
INTERFACE BETWEEN MACHINES
DRAWING No.
3
4
RL03860
CN-M2
レーン2-R
LANE2-R
レーン1-R
LANE1-R
後工程側
(Next side)
RH6078*
RH0399*を取り外し
RH0406*を接続する
CN-M2CN-M2
RH0399*
CN-SUM
RH6078*を取り外し
RH0406*を接続する
RH0406*
CN-SUM
CN-SUM
RH2138*(1.5m)
RH2137*(3m)
RH2139*(5m)
RH2138*(1.5m)
RH2137*(3m)
RH2139*(5m)
周辺装置(シャトル・ダブルコンベアなど)
CN-SU
RH0398*
CP
RH6079*を取り外し
RH0398*を接続する
CN-M1 CN-M1
RH6079*
RH0397*
前工程側
(Previous side)
CN-M1
レーン2-F
LANE2-F
レーン1-F
LANE1-F
サーキットブレーカBKT1
CP1CN6
サーキットブレーカBKT*
CP1CN7
CN-M2
レーン2-R
LANE2-R
レーン1-R
LANE1-R
後工程側
(Next side)
RH0397*
RH6078*
CN-M1CN-M2
CP
RH6078*を取り外し
RH0398*を接続する
周辺装置(シャトル・ダブルコンベアなど)
CN-SU
RH2138*(1.5m)
RH2137*(3m)
RH2139*(5m)
RH2138*(1.5m)
RH2137*(3m)
RH2139*(5m)
CN-SUM
CN-SUM
RH0399*
CN-SUM
RH6079*を取り外し
RH0406*を接続する
CN-M2 CN-M1
RH0399*を取り外し
RH0406*を接続する
RH6079*
前工程側
(Previous side)
CN-M1
レーン2-F
LANE2-F
レーン1-F
LANE1-F
PANEL TRANSFER I/F BOX
前工程基板搬送信号BKT
PANEL TRANSFER I/F BOX
後工程基板搬送信号BKT
BREAKER BOX1
BREAKER BOX*
AIMEX
接続
CONNECTION
接続
CONNECTION
接続
CONNECTION
接続
CONNECTION
接続
CONNECTION
接続
CONNECTION
接続
CONNECTION
接続
CONNECTION
接続
CONNECTION
接続
CONNECTION
周辺装置付属ケーブル
PERIPHERAL EQUIPMENT ATTACHED HARNESS
取り外し
REMOVAL
接続
CONNECTION
接続
CONNECTION
取り外し
REMOVAL
接続
CONNECTION
取り外し
REMOVAL
接続
CONNECTION
取り外し
REMOVAL
周辺装置付属ケーブル
PERIPHERAL EQUIPMENT ATTACHED HARNESS
接続
CONNECTION
取り外し
REMOVAL
AIMEX AIMEX
CONNECTION
取り外し
REMOVAL
接続
PERIPHERAL EQUIPMENT(SHUTTLE,DOUBLE CONVEYOR ETC.) PERIPHERAL EQUIPMENT(SHUTTLE,DOUBLE CONVEYOR ETC.)
前工程基板搬送信号BKT
PANEL TRANSFER I/F BOX
後工程基板搬送信号BKT
PANEL TRANSFER I/F BOX
RH0398* RH0406*
REMOVE RH0399*,
CONNECT RH0406*
REMOVE RH0399*,
CONNECT RH0406*
REMOVE RH6078*,
CONNECT RH0406*
REMOVE RH6079*,
CONNECT RH0398*
REMOVE RH6079*,
CONNECT RH0406*
REMOVE RH6078*,
CONNECT RH0398*
EEHH175*(5m)
EEHH174*(1.5m)
EEHH143*(3m)
( )
EEHH174*(1.5m)
EEHH143*(3m)
( )
EEHH175*(5m)
EEHH174*(1.5m)
EEHH143*(3m)
( )
EEHH175*(5m)
EEHH174*(1.5m)
EEHH143*(3m)
( )
EEHH175*(5m)
RH3902*(1.0m)
RH3902*(1.0m)
RH3902*(1.0m)
RH3902*(1.0m)
AIMEXと周辺装置、AIMEXの接続
CONNECTION OF AIMEX ,AIMEX AND PERIPHERAL EQUIPMENT
b0X361Gq
b0X361Gq
Downloaded at 2020/05/19 21:05:96 by 395B4578 DL#wIFD31dS
Downloaded at 2020/05/19 21:05:96 by 395B4578 DL#wIFD31dS

NAME TYPE
I/F接続図
I/F JUNCTION DIAGRAM
AIMEX
TITLE
機械間I/F
INTERFACE BETWEEN MACHINES
DRAWING No.
4
4
RL03860
後工程からの送れ信号
FROM NEXT(BUSY)
後工程からの送れ信号
FROM NEXT(BUSY)
後工程側
(Next side)
既存機
EXISTING MACHINE
MLコネクタ
ML CONNECTOR
ヒルシュマンコネクタ
HIRSCHMANN CONNECTOR
[FUJI仕様]
[FUJI STANDARD]
[FUJI仕様]
[FUJI STANDARD]
[SMEMA規格]
[SMEMA STANDARD]
接続
CONNECTION
接続
CONNECTION
接続
CONNECTION
変換ハーネス
CONVERSION HARNESS
RH2136*
レーン2使用時、レーン1と同様に接続して下さい。
Please connect like a lane 1 at the time of lane 2 use.
RH2138*(1.5m)
RH2137*(3m)
RH2139*(5m)
RH0814*(3m)
接続
CONNECTION
いずれかを接続して下さい。
Please connect either.
前工程側
(Previous side)
前工程基板搬送信号BKT
PANEL TRANSFER I/F BOX
CN-M1
レーン2-F
LANE2-F
レーン1-F
LANE1-F
AIMEX
CN-M2
レーン2-R
LANE2-R
レーン1-R
LANE1-R
後工程基板搬送信号BKT
PANEL TRANSFER I/F BOX
後工程側
(Next side)
いずれかを接続して下さい。
Please connect either.
接続
CONNECTION
RH0816*(3m)
RH2138*(1.5m)
RH2137*(3m)
RH2139*(5m)
レーン2使用時、レーン1と同様に接続して下さい。
Please connect like a lane 1 at the time of lane 2 use.
変換ハーネス
CONVERSION HARNESS
RH2135*
接続
CONNECTION
接続
CONNECTION
接続
CONNECTION
[FUJI仕様]
[FUJI STANDARD]
[FUJI仕様]
[FUJI STANDARD]
[SMEMA規格]
[SMEMA STANDARD]
MLコネクタ
ML CONNECTOR
ヒルシュマンコネクタ
HIRSCHMANN CONNECTOR
既存機
EXISTING MACHINE
前工程側
(Previous side)
前工程への基板送れ信号
PANEL REQUEST
前工程への基板送れ信号
PANEL REQUEST
接続
CONNECTION
取り外し
REMOVAL
CN-M1CN-M2
RH6078*を取り外し
RH0398*を接続する
RH0398*
RH6078*
RH0397*
周辺装置付属ケーブル
PERIPHERAL EQUIPMENT ATTACHED HARNESS
CP
CN-SU
周辺装置(シャトル・ダブルコンベアなど)
PERIPHERAL EQUIPMENT(SHUTTLE,DOUBLE CONVEYER ETC.)
CN-SUM
PERIPHERAL EQUIPMENT ATTACHED HARNESS
接続
CONNECTION
サーキットブレーカBKT1
BREAKER BOX1
CP1CN6
CP1CN7
サーキットブレーカBKT*
BREAKER BOX*
接続
CONNECTION
CN-SUM
周辺装置(シャトル・ダブルコンベアなど)
PERIPHERAL EQUIPMENT(SHUTTLE,DOUBLE CONVEYER ETC.)
CN-SU
CP
RH0397*
RH6079*を取り外し
RH0398*を接続する
CN-M1 CN-M1
周辺装置付属ケーブル
接続
CONNECTION
取り外し
REMOVAL
RH0398*
RH6079*
CN-SUM
RH0399*
CN-SUM
RH0399*
接続済
IT CONNECTS
接続済
IT CONNECTS
Connection should choose any one of the figures.
接続は図のいずれか一つを選択して下さい。
Connection should choose any one of the figures.
接続は図のいずれか一つを選択して下さい。
REMOVE RH6078*,
CONNECT RH0398*
REMOVE RH6079*,
CONNECT RH0398*
EEHH174*(1.5m)
EEHH143*(3m)
( )
EEHH175*(5m)
EEHH174*(1.5m)
EEHH143*(3m)
( )
EEHH175*(5m)
(EEHH118*) (EEHH117*)
RH3902*(1.0m) RH3902*(1.0m)
AIMEXと周辺装置、既存機の接続
CONNECTION OF AIMEX ,PERIPHERAL EQUIPMENT AND EXISTING MACHINE
b0X361Gq
b0X361Gq
Downloaded at 2020/05/19 21:05:96 by 395B4578 DL#wIFD31dS
Downloaded at 2020/05/19 21:05:96 by 395B4578 DL#wIFD31dS