2RGXBA020207ElectricalSchematic(AIMEXII) .pdf - 第243页
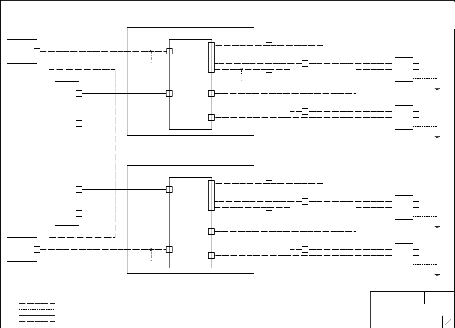
NAME T I T L E DRAWING No. 機関接続図 CONNECTION DIAGRAM 2 RGX BA 00 68 05 パーツカメラ PARTS CAMERA TYPE AIMEXⅡ 2 1 79 FUJI SECRET 54 59 1ロボット仕様 1 R O B O T S p c . モジュールCPU B OX M O D U L E C P U B O X 画像分配器 画像基板 フェライトコア P A N E …

NAME
TITLE
DRAWING No.
機関接続図
CONNECTION DIAGRAM
2RGXBA006805
MODULE CPU BOX
MODULE CPU BOX
TYPE
AIMEXⅡ
20
79
FUJI SECRET
60
57
63
64
63
モジュールB
:DC線(DC WIRING)
MODULE B
:シールド、通信線(SHIELD、COMMUNICATION WIRING)
:アース線(EARTH WIRING)
:AC、動力用配線(WIRING FOR AC&POWER)
:AC、動力用シールド配線(SHIELD WIRING FOR AC&POWER)
モジュールCPU BOX
MODULE CPU BOX
UART1
UART2
UART3
B2_UART3
MB 1ロボット仕様
MB 1ROBOT Spec.
UART4
MB 2ロボット仕様
MB 2ROBOT Spec.
モジュールCPU BOX
MODULE CPU BOX
UART1
UART2
UART3
B1_UART3
UART4
オプション(RFID)
OPTION(RFID)
B2_UART2
B2_UART4
B1_UART4
CPUボード
CPU BOARD
UART1~4
PCB1
MB CPU2
CPUボード
CPU BOARD
UART1~4
PCB1
MB CPU1
オプション(基板高さセンサ)
OPTION(PANEL HEIGHT SENSOR)
オプション(基板高さセンサ)
OPTION(PANEL HEIGHT SENSOR)
2EGYBA0213**
2EGYBA0213**
b0X361Gq
b0X361Gq
Downloaded at 2020/05/19 21:05:96 by 395B4578 DL#wIFD31dS
Downloaded at 2020/05/19 21:05:96 by 395B4578 DL#wIFD31dS

NAME
TITLE
DRAWING No.
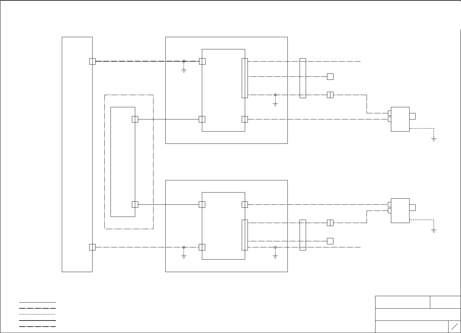
機関接続図
CONNECTION DIAGRAM
2RGXBA006805
パーツカメラ
PARTS CAMERA
TYPE
AIMEXⅡ
21
79
FUJI SECRET
54
59
1ロボット仕様
1ROBOT Spc.
モジュールCPU BOX
MODULE CPU BOX
画像分配器
画像基板
フェライトコア
PANEL DISTRIBUTOR VISION BOARD
FERRITE CORE
2EGMBA0603**
MA
Y2CN2
ATTACHED HARNESS
RGB IN2 RGB IN
MA PARTS
CAMERA2
TRIG
OUT
MA PARTS
TRIG2
MA PARTS
CAM2 TRIG
2EGMBA0604**
TRIGGER
A2PDIST1
コントロールBOX
SIDE2パーツカメラ
SIDE2
PARTS CAMERA
CONTROL BOX
IEEE1394
MA PARTS
CAM2 IEEE1394
MA CPU2
TRIG OUT
H3019E
TAKEUCHI
SFT72-SNLCB-026K
インターフェース基板
INTERFACE BOARD
2EGMBA0217** 2EGMBA0205**
ACN21
TRIG
IN
PARTS2
I/F
ACN21
MA CPU2
TRIG IN
MA CPU2
PARTS2
MA PARTS
CAMERA1
MA PARTS
TRIG1
MA PARTS
CAM1 TRIG
2EGMBA0609**
TRIGGER
SIDE1パーツカメラ
SIDE1
PARTS CAMERA
RH6897*
PARTS1
IEEE1394
MA PARTS
CAM1 IEEE1394
MA CPU2
PARTS1
2EGMBA0333**
ACN13
I/F
ACN13
PCB5
MA CPU2
モジュールCPU BOX
MODULE CPU BOX
画像基板
フェライトコア
VISION BOARD
FERRITE CORE
2EGMBA0481**
MB
Y2CN2
2EGMBA0541**
BCN21
TRIG
IN
I/F
BCN21
MB CPU2
TRIG IN
MB PARTS
CAMERA2
TRIG
OUT
MB PARTS
TRIG2
MB PARTS
CAM2 TRIG
2EGMBA0605**
TRIGGER
SIDE2パーツカメラ
SIDE2
PARTS CAMERA
IEEE1394
MB PARTS
CAM2 IEEE1394
MB CPU2
TRIG OUT
SFT72-SNLCB-026K
H3019E
TAKEUCHI
BCN13
2EGMBA0340**
I/F
BCN13
M1PCB1
2EGMBA0206**
PARTS2
画像分配器
MB CPU2
PARTS2
PANEL DISTRIBUTOR
MB PARTS
CAMERA1
MB PARTS
TRIG1
MB PARTS
CAM1 TRIG
ATTACHED HARNESS 2EGMBA0610**
TRIGGER
RGB IN2 RGB IN
SIDE1パーツカメラ
SIDE1
PARTS CAMERA
RH6898*
PARTS1
IEEE1394
MB PARTS
CAM1 IEEE1394
MB CPU2
PARTS1
B2PDIST1
PCB5
MB CPU2
:DC線(DC WIRING)
:シールド、通信線(SHIELD、COMMUNICATION WIRING)
:アース線(EARTH WIRING)
:AC、動力用配線(WIRING FOR AC&POWER)
:AC、動力用シールド配線(SHIELD WIRING FOR AC&POWER)
2EGXBA0234**
2EGXBA0234**
2EGXBA0234**
2EGXBA0234**
b0X361Gq
b0X361Gq
Downloaded at 2020/05/19 21:05:96 by 395B4578 DL#wIFD31dS
Downloaded at 2020/05/19 21:05:96 by 395B4578 DL#wIFD31dS

NAME
TITLE
DRAWING No.
機関接続図
CONNECTION DIAGRAM
2RGXBA006805
パーツカメラ
PARTS CAMERA
TYPE
AIMEXⅡ
22
79
FUJI SECRET
54
52
モジュールA
MODULE A
2ロボット仕様
2ROBOT Spc.
画像分配器 モジュールCPU BOX
PANEL DISTRIBUTOR MODULE CPU BOX
画像基板
VISION BOARD
フェライトコア
FERRITE CORE
ATTACHED HARNESS
2EGMBA0603**
RGB IN2 J22
MA
Y2CN2
TRIG
OUT
コントロールBOX
MA PARTS
TRIG1
CONTROL BOX 2EGMBA0604**
MA CPU2
TRIG OUT
SFT72-SNLCB-026K
H3019E
TAKEUCHI
インターフェース基板
INTERFACE BOARD
MA PARTS
CAMERA2
MA PARTS
CAM2 TRIG
TRIGGER
SIDE2パーツカメラ
SIDE2
PARTS CAMERA
2EGMBA0217** 2EGMBA0205**
ACN21
TRIG
IN
PARTS1
IEEE1394
MA PARTS
CAM2 IEEE1394
I/F
ACN21
MA CPU2
TRIG IN
MA CPU2
PARTS1
PCB5
MA CPU2
モジュールCPU BOX
MODULE CPU BOX
画像基板
VISION BOARD
MA PARTS
CAMERA1
MA PARTS
CAM1 IEEE1394
2EGMBA0126** RH6897*
ACN13
TRIG
IN
PARTS1
IEEE1394
SIDE1パーツカメラ
I/F
ACN13
MA CPU1
TRIG IN
MA CPU1
PARTS1
SIDE1
PARTS CAMERA
TRIGGER
MA PARTS
CAM1 TRIG
M1PCB1
フェライトコア
FERRITE CORE
MA PARTS
TRIG3
2EGMBA0480** 2EGMBA0609**
TRIG
OUT
ATTACHED HARNESS
RGB IN J22
MA
Y1CN2
MA CPU1
TRIG OUT
SFT72-SNLCB-026K
H3019E
TAKEUCHI
PCB5
A2PDIST1 MA CPU1
:DC線(DC WIRING)
:シールド、通信線(SHIELD、COMMUNICATION WIRING)
:アース線(EARTH WIRING)
:AC、動力用配線(WIRING FOR AC&POWER)
:AC、動力用シールド配線(SHIELD WIRING FOR AC&POWER)
MA PARTS
TRIG2
MA PARTS
TRIG2
2EGXBA0234**
2EGXBA0234**
b0X361Gq
b0X361Gq
Downloaded at 2020/05/19 21:05:96 by 395B4578 DL#wIFD31dS
Downloaded at 2020/05/19 21:05:96 by 395B4578 DL#wIFD31dS