2RGXBA020207ElectricalSchematic(AIMEXII) .pdf - 第37页
8 01 8 02 8 03 8 04 8 05 8 06 8 07 8 08 8 09 8 10 8 11 8 12 8 13 8 14 8 15 8 16 8 17 8 18 8 19 8 20 8 21 8 22 8 2 3 8 2 4 8 2 5 8 2 6 8 2 7 8 2 8 8 2 9 8 3 0 8 3 1 8 3 2 8 3 3 8 3 4 8 3 5 8 3 6 8 3 7 8 3 8 8 3 9 8 4 0 8 …

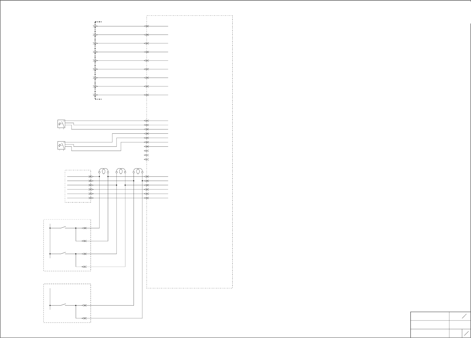
7 01
7 02
7 03
7 04
7 05
7 06
7 07
7 08
7 09
7 10
7 11
7 12
7 13
7 14
7 15
7 16
7 17
7 18
7 19
7 20
7 21
7 22
7 23
7 24
7 25
7 26
7 27
7 28
7 29
7 30
7 31
7 32
7 33
7 34
7 35
7 36
7 37
7 38
7 39
7 40
7 41
7 42
7 43
7 44
7 45
NAME PAGE
モジュールA回路図
MODULE A CIRCUIT DIAGRAM
52
7
TITLE TYPE
リモートI/O基板
REMOTE I/O BOARD
AIMEXⅡ
DRAWING No.
1
12
FUJI SECRET
2RGXBA015402
+24VA
GA
+24VA
A+24VB3
GA
AGB
GA
A+24VB3
A+24VB3
AGB
AGB
A+24VAR1
GA
ARX000
ARX001
ARX002
ARX003
ARX004
ARX006
A+24VAR1
ARX005
A+24VAR1
ARX008
A+24VAR1
ARX009
GA
A+24VAR1
ARX007
GA
A+24VAR1
ARX00D
A+24VAR1
ARX00E
A+24VAR1
ARX00F
+24VA
ARX007
A+24VAR1
ARX010
GA
A+24VAR1
ARX011
GA
A+24VAR1
ARX012
GA
A+24VAR1
ARX015
A+24VAR1
ARX016
+24VA
+24VA
GA
A+24VB3
AGB
A+24VAR1
ARX018
ARX018
21LS7
p
MA JOF PS1
PSE305
31LS1
E2S-W25
31LS2
E2S-W25
31LS3
PM-R45-P
31LS6
31LS7
804
ARX018
(A2PCB11)
AP11/A2
(A2PCB11)
AP11/A2
(AM2PCB1)
AP1/AM2
(A12PCB1)
AP1/A12
(A25PCB1)
AP1/A25
(A2PCB13)
AP13/A2
リモートI/O1
REMOTE I/O 1
コネクタ基板
CONNECTOR BOARD
CN18
−3
−1
−4
−2
−3
−6
−4
CN19
−1
−2
−3
−4
リモートI/O1
REMOTE I/O 1
ノズルセンサー基板
NOZZLE SENSOR BOARD
CN1
−1
−2
SENSOR1
−3
PL
SENSOR2
−4
PL
SENSOR3
−5
PL
SENSOR4
−6
PL
SENSOR5
−7
PL
−8
CN1
−1
Side1ノズルチェンジャー上昇端1確認
−2
Side1 NOZZLE CHANGER UPPER LIMIT 1 CHECK
−3
Side1ノズルチェンジャー上昇端2確認
Side1 NOZZLE CHANGER UPPER LIMIT 2 CHECK
−4
Side1ノズルチェンジャー下降端確認
Side1 NOZZLE CHANGER LOWER LIMIT CHECK
−5
Side1ノズルチェンジャーテーブルシャッター閉確認
Side1 NOZZLE CHANGER TABLE SHUTTER CLOSED CHECK
−6
Side1ノズルチェンジャーテーブルシャッター開確認
Side1 NOZZLE CHANGER TABLE SHUTTER OPEN CHECK
−7
Side1ノズルチェンジャー接続確認
Side1 NOZZLE CHANGER CONNECTION CHECK
−8
Side1ノズルチェンジャー着座確認
−9
Side1 NOZZLE CHANGER DOCKING CHECK
−10
Side1ノズルチェンジャ右側
−23
Side1 NOZZLE CHANGER RIGHT SIDE
−24
CN2
茶 BRW
−1
黒 BLK
−2
青 BLU
−3
Side1ハイブリッドキャリブ吸着確認
Side1 HYBRID CALIBRATION PICKUP CHECK
−4
−5
−6
−7
−8
CN3
−1
−2
−3
−4
−5
−6
−7
−8
−9
−10
Y1 AXIS LINEAR MOTOR
TEMPERATURE OK
Y1軸リニアモータ温度正常
ROBOT 1 TYPE CHECK 1
ロボット1種確認1
ROBOT 1 TYPE CHECK 2
ロボット1種確認2
ROBOT 1 TYPE CHECK 3
ロボット1種確認3
MA Y1CN8
−4
−5
−7
−8
−9
−10
−11
−12
リニアスケール制御基板
LINEAR SCALE CONTROL BOARD
CN1
−B3
−B2
CN5
Side1フィーダパレット密着確認(右)
茶 BRW
−1
Side1 FEEDER PALLET SET CHECK (RIGHT)
黒 BLK
−2
青 BLU
−3
Side1フィーダパレット密着確認(左)
−4
Side1 FEEDER PALLET SET CHECK (LEFT)
−5
茶 BRW
−6
Side1フィーダパレット確認
黒 BLK
−7
Side1 FEEDER PALLET CHECK
青 BLU
−8
−9
Side1フィーダパレットクランプ確認
−10
Side1 FEEDER PALLET CLAMP CHECK
L ON 茶 BRW
−11
Side1フィーダパレットアンクランプ確認
黒 BLK
−12
Side1 FEEDER PALLET UNCLAMP CHECK
青 BLU
−13
−5
CN7
※
※印
シングルロボットの時ありません
※ mark
It is not at a single robot
−7
−8
−9
−10
−11
−12
RX00D,RX00E and RX00F
short at single robot.
RX00E and RX00F
short at standerd.
There is no "NOZZLE CHANGER UPPER LIMIT 2 CHECK"
when the palette advances.
パレット前進時、「ノズルチェンジャー上昇端2確認」はありません
−23
−24
NOZZLE CHANGER RIGHT SIDE
ノズルチェンジャー右側
−1
−2
−3
−4
−5
−6
−7
−8
−9
−10
オプションリモートI/O3
OPTION REMOTE I/O3
CN2−1
−1
−2
−3
−4
CN2−2
−1
−2
−3
−4
−1
−2
−3
−4
Side1基板高さセンサあり確認
Side1 PANEL HIGHT SENSOR CHECK
CN25
b0X361Gq
b0X361Gq
Downloaded at 2020/05/19 21:05:96 by 395B4578 DL#wIFD31dS
Downloaded at 2020/05/19 21:05:96 by 395B4578 DL#wIFD31dS

8 01
8 02
8 03
8 04
8 05
8 06
8 07
8 08
8 09
8 10
8 11
8 12
8 13
8 14
8 15
8 16
8 17
8 18
8 19
8 20
8 21
8 22
8 23
8 24
8 25
8 26
8 27
8 28
8 29
8 30
8 31
8 32
8 33
8 34
8 35
8 36
8 37
8 38
8 39
8 40
8 41
8 42
8 43
8 44
8 45
NAME PAGE
モジュールA回路図
MODULE A CIRCUIT DIAGRAM
52
8
TITLE TYPE
リモートI/O基板
REMOTE I/O BOARD
AIMEXⅡ
DRAWING No.
2
12
FUJI SECRET
2RGXBA015402
A+24VAR1
ARX018
ARX018
A+24VBR3
ARY01C
A+24VBR3
ARY01D
ARY015
AGB
AGB
AGB
742
ARX018
(A2PCB11)
AP11/A2
(A2PCB1)
AP1/A2
(A13LS1)
(A13AMP1)
AP1/A13
リモートI/O1
通信変換基板
REMOTE I/O1
COMMUNICATION
CONVERSION BOARD
CN3 CN1
1 1
SIDE1基板高さセンサあり確認
SIDE1 PANEL HIGHT SENSOR
CHECK
2
2
3
CN25
−3 3 4
SIDE1基板高さセンサON
SIDE1 PANEL HIGHT
SENSOR ON
5
CN25
−4 4
6
CN−YD
d1−1
CN−YD
d1−2
CN−YD
d1−3
CN−YD
d1−4
CN−YD
d2−1
CN−YD
d2−2
CN−YD
d2−3
CN−YD
d2−4
レーザー基板高さセンサアンプ
SENSOR AMPLIFIER
FOR PANEL HEIGHT LASER
レーザー基板高さセンサヘッド
SENSOR HEAD
FOR PANEL HEIGHT LASER
茶 BRW 紫 PRL
+24V +6V
青 BLU 桃 PNK
GND +4V
白 WHT
RS485+
黒 BLK
RS485−
アナログ電圧出力
シールド シールド
ANALOG VOLTAGE
OUTPUT
(0.5∼4V)
GND
アナログ電圧出力
黒 BLK
ANALOG VOLTAGE
OUTPUT
(GND)
ゼロシフト(外部入力)
桃 PNK
ZERO SHIFT
(EXTERNAL INPUT)
レーザー投光停止入力
紫 PRL
LASER LIGHT
STOP INPUT
ダブルロボット仕様時のみ
b0X361Gq
b0X361Gq
Downloaded at 2020/05/19 21:05:96 by 395B4578 DL#wIFD31dS
Downloaded at 2020/05/19 21:05:96 by 395B4578 DL#wIFD31dS

9 01
9 02
9 03
9 04
9 05
9 06
9 07
9 08
9 09
9 10
9 11
9 12
9 13
9 14
9 15
9 16
9 17
9 18
9 19
9 20
9 21
9 22
9 23
9 24
9 25
9 26
9 27
9 28
9 29
9 30
9 31
9 32
9 33
9 34
9 35
9 36
9 37
9 38
9 39
9 40
9 41
9 42
9 43
9 44
9 45
NAME PAGE
モジュールA回路図
MODULE A CIRCUIT DIAGRAM
52
9
TITLE TYPE
リモートI/O基板
REMOTE I/O BOARD
AIMEXⅡ
DRAWING No.
3
12
FUJI SECRET
2RGXBA015402
ARX013
ARX014
ARX01B
ARX01E
ARX01F
A+24VA1A
AK3107
AK3108
AFY004A
A+24VAR1
ARX019
GA
ARX01A
GA
A+24VA1C
A+24VA1AA+24VA1A
AK3107AK3107
AK3108AK3108
AFY004AAFY004A
A+24VA1CA+24VA1C
A+24VAR1
ARX055ARX055
A+24VA1 A+24VA1
31LS10
PM-L45-P
31LS11
PM-L45-P
(AM4CR10X)
24 23
(AM4CR10X)
54 53
(AM4CR10X)
64 63
(A2PCB11)
AP11/A2
(M1PCB1)
AP1/M1
リモートI/O1
REMOTE I/O 1
Side1フィーダパレットイベント報告
CN6
Side1 EVENT REPORT
−1
Side1フィーダパレット異常イベント報告
−2
Side1 ERROR EVENT REPORT
−3
Side1フィーダユニット接続確認0
−4
Side1 UNIT CONNECTION CHECK 0
−5
Side1フィーダユニット接続確認1
−6
Side1 UNIT CONNECTION CHECK 1
−7
Side1フィーダユニット接続確認2
−8
Side1 UNIT CONNECTION CHECK 2
−9
CN2
−7
−8
−10
−11
−12
トレイ非常停止PB
TRAY EMG STOP PB
トレイ扉閉じ
TRAY DOOR CLOSE
フィーダDO信号
FEEDER DO SIGNAL
−9
−3
−5
−6
CN7
−1
−2
−3
−17
−5
−6
D ON 茶 BRW
白 WHT
青 BLU
D ON 茶 BRW
白 WHT
青 BLU
Side1残テープカッター動作端確認
Side1 TAPE CUTTER STROKE END CHECK
Side1残テープカッター原位置確認
Side1 TAPE CUTTER ORIGIN POSITION CHECK
−11
−12
−13
−14
−15
−4
−19
−20
−21
−22
インターフェース基板
INTERFACE BOARD
ACN10
−3
−4
−5
−6
−7
−10
PALET UNIT
パレットユニット
MA RB
CN7
3
オプション:マルチ生産
OPTION:MULTI PRODUCTION
MA RB
CN7
2
MA RB
CN7
1
オプション:マルチ生産
OPTION:MULTI PRODUCTION
MA RB
CN8
1
MA RB
CN8
2
MA RB
CN7
4
※)
※)マルチ生産時は、短絡しません。
※)No short when multi production are used.
SHORT
※)
SHORT
※)
SHORT
b0X361Gq
b0X361Gq
Downloaded at 2020/05/19 21:05:96 by 395B4578 DL#wIFD31dS
Downloaded at 2020/05/19 21:05:96 by 395B4578 DL#wIFD31dS