00198828-01_SM_X-Series-S_Hxxxx_DE.pdf - 第136页
6 Portale 6.4 Kabelschlepp und Leiterplatten 136 Serviceanleitung SIPLACE X-Serie S (ab Hxxxx) 01/2021 Einbau ► Übernehmen Sie die Einstellung der DIP-Schalter vom alten Kopf-Interface. Verfahren Sie für den weiteren Ein…

6 Portale
6.4 Kabelschlepp und Leiterplatten
Serviceanleitung SIPLACE X-Serie S (ab Hxxxx) 01/2021 135
6.4.6 Kopf-Interface tauschen
Teile, Hilfsmittel und Werkzeug
HINWEIS
SIPLACE C&P20 P/P2
Wird auf einen SIPLACE C&P20 P/P2 umgerüstet, dann müssen folgende Voraussetzun-
gen erfüllt sein:
► Das Kopf-Interface muss für einen SIPLACE C&P20 P mindestens FS03, für einen
SIPLACE C&P20 P2 mindestens FS04 haben.
► Der Powercube [03055514-xx] muss mindestens FS02 haben. Kopf-Interfaces ab
FS03 erfüllen diese Voraussetzung.
► Der Betrieb eines SIPLACE C&P20 P2 ist erst ab Serien-Nr. H1440 möglich.
► Ein Mix zwischen SIPLACE C&P20 P und SIPLACE C&P20 P2 ist nicht möglich.
●
Wählen Sie das passende Kopf-Interface:
Maschinentyp Portal Kopf-Interface
SIPLACE X3 S, X4 S (micron) Alle Modul Kopf-Interface C700X-L HR
[03091013‑xx]
SIPLACE X4i S (micron) 1 und 3
SIPLACE X4i S (micron) 2 und 4 (gedreht) Modul Kopf-Interface C700X-R HR
[03091023‑xx]
●
Loctite 241 oder 243
Übersicht
Abb.171: Platinen auf dem Portal (ab Hxxxx, mit GigE)
1. Vision-Head-Interface (VHI)
2. Kopf-Interface inkl. Power-Cube (unter
dem VHI)
Ausbau
► Schalten Sie die Maschine aus, trennen Sie diese vom Stromversorgungsnetz und sichern
Sie die Maschine gegen Wiedereinschalten.
1.2 "Was vor Beginn der Arbeiten zu tun ist..." [}17]
► Demontieren Sie eine ggf. vorhandene Abdeckung über den Platinen.
6.4.1 "Abdeckung über den Platinen tauschen" [}122]
► Demontieren Sie das Vision-Head-Interface.
6.4.8 "Vision-Head-Interface (VHI) tauschen" [}141]
► Ziehen Sie alle Stecker am Kopf-Interface ab und entfernen Sie die Kabelbinder. Markieren Sie
sich ggf. deren Positionen, um diese später wieder eindeutig zuordnen bzw. ersetzen zu können.
► Entfernen Sie die Befestigungsschrauben am Kopf-Interface.
► Nehmen Sie das Kopf-Interface vorsichtig ab. Achten Sie dabei darauf, den Verbindungsste-
cker zum Kopfadapter MHCU nicht zu beschädigen.

6 Portale
6.4 Kabelschlepp und Leiterplatten
136 Serviceanleitung SIPLACE X-Serie S (ab Hxxxx) 01/2021
Einbau
► Übernehmen Sie die Einstellung der DIP-Schalter vom alten Kopf-Interface.
Verfahren Sie für den weiteren Einbau in umgekehrter Reihenfolge. Beachten Sie dabei folgende
Hinweise:
Abb.172: Leerstecker
► Sichern Sie den Stecker X1 am Kopf-
Interface, wenn vorhanden, mit zwei
Leersteckern(1)
.
VORSICHT!
Ohne die Leerstecker besteht Kurz-
schlussgefahr durch die Platinenab-
deckung!
.

6 Portale
6.4 Kabelschlepp und Leiterplatten
Serviceanleitung SIPLACE X-Serie S (ab Hxxxx) 01/2021 137
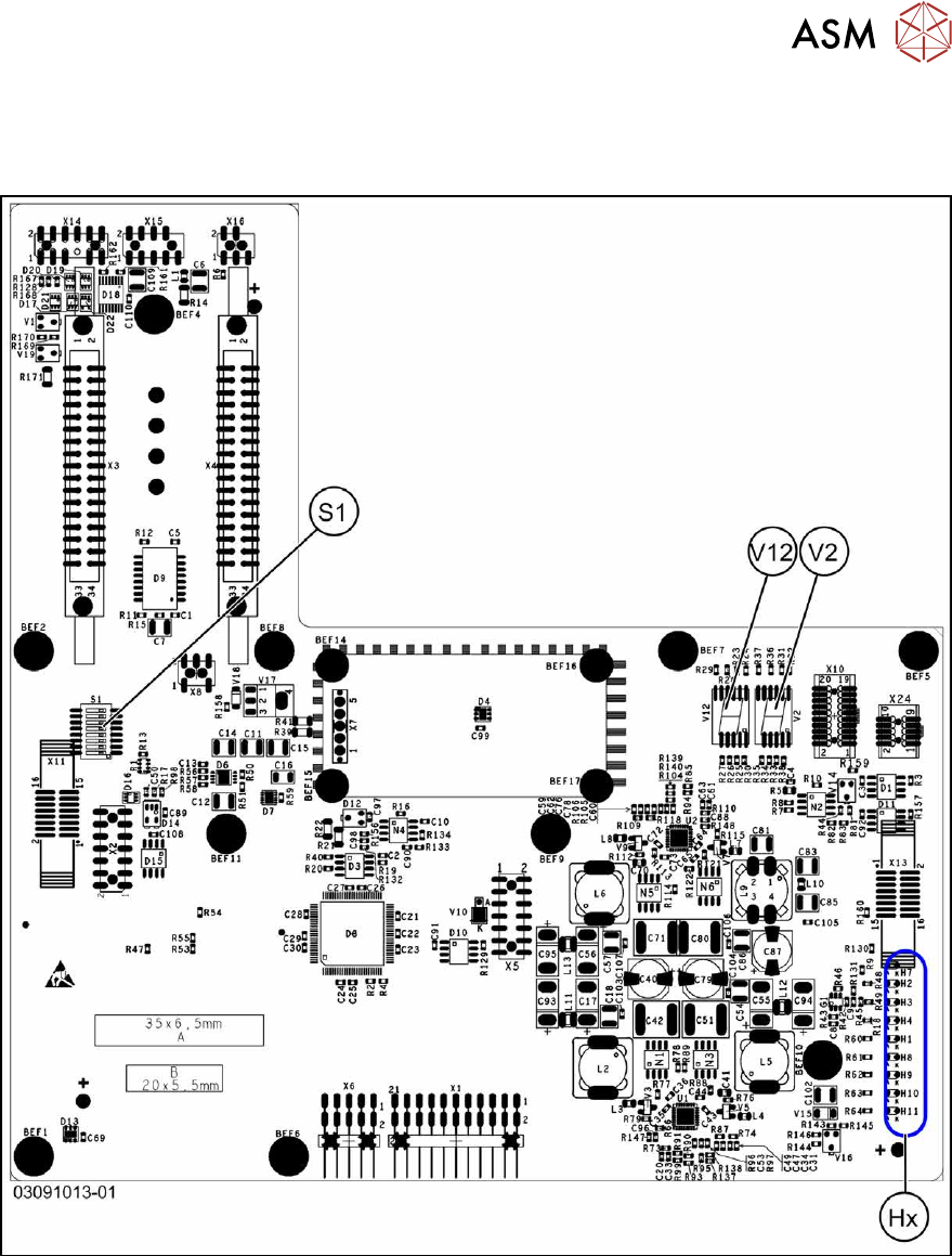
Platinenbeschreibung Kopf-Interface C700X-L/R HR
Es gibt zwei Bauformen für das Kopf-Interface. Je nach Portal wird das Kopf-Interface C700X‑L
oder C700X‑R verwendet.
Abb.173: Standardportal (nicht gedreht) [03091013-01]