CX-1_使用说明书.pdf - 第101页
第 1 部 基本编 第 1 章 设备概要 1-81 1-8 略语说明 意 义 略语 中文 英文 ATC 自动工具交换装置 (Auto Tool Changer) BMR 坏板标记阅读器 (Bad Mark Reader) CVS 元件检验系统 (Component V erification System) DTS 双托盘支架 (Dual Tray Server) EPU 外部编程装置 (External Programming Uni…

第 1 部 基本编 第 1 章 设备概要
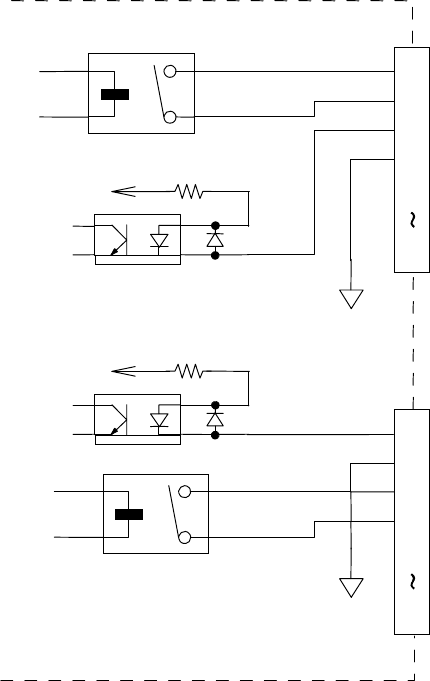
◇ READY OUT/IN(准备输出/入)信号、BOARD AVAILABLE (可以搬基板)信号的接口电路
见下图。
依据SMEMA规格。
GND
(
24V
)
+
+ 24
V
3.3K 1/4W
READY OUT +
BOAD AVAILABLE IN +
READY OUT -
BOAD AVAILABLE IN -
N.C.
1
2
3
4
5
14
READY IN +
BOAD AVAILABLE OUT +
READY IN -
BOAD AVAILABLE OUT -
N.C.
1
2
3
4
5
14
+ 24
V
3.3K 1/4W
+
GND
(
24V
)
1-80

第 1 部 基本编 第 1 章 设备概要
1-81
1-8 略语说明
意 义
略语
中文 英文
ATC 自动工具交换装置 (Auto Tool Changer)
BMR 坏板标记阅读器 (Bad Mark Reader)
CVS 元件检验系统 (Component Verification System)
DTS 双托盘支架 (Dual Tray Server)
EPU 外部编程装置 (External Programming Unit)
FPI 送料器位置指示器 (Feeder Position Indicator)
HLC 主生产线计算机 (Host Line Computer)
HMS 高度测量装置 (Height Measurement System)
HOD 手控操作盘 (Handheld Operating Device)
MNLA 多贴片头(多吸嘴)激光校准 (Multi Nozzle Laser Align)
FMLA 聚焦模块激光校准 (Focused Modular Laser Align)
MNVC 多贴片头(多吸嘴)图像定心 (Multi Nozzle Vision Centering)
MTS 矩阵托盘服务器 (Matrix Tray Server)
OCC 位置校正摄像机 (Offset Correction Camera)
PWB 基板 (Printed Wiring Board)
VCS 图像识别元件位置校正装置 (Vision Centering System)

第1部 基本篇 第2章 生产
第 2 章 生产
2-1 流程图
本章将对 No2~No5、No9~No12 进行说明。
No. 流程图 备注
1
对主压力(0.50MPa)、ATC 周围进行日
常检查。
2
3
装置检查
在实施前检查装置内部是否有异物等。
4
节假日结束后以及在寒冷地区使用时,
务必执行预热(10 分钟左右)。
5
6
日常检查、设置基板、清扫吸嘴、改
变基准销位置后机器的初始设置有变
化时,请重新进行“机器设置”。
(参见“第 8 章 机器设置”)
7
参考“第 5 章 数据库”
8
9
出现贴片位置偏移、定心不良等,未
能正常贴片时,可用“程序编辑”进
行修正。但部分元件数据可在“生产”
中进行修正。
10
11
12
13
定期性实施
(参见“第 3 章 保养”)
必要时
电源 OFF
日常检修
退出生产
生产
必要时
上设置变更部分
不必时
用“数据库”来
制作元件数据
无异常
贴片确认
存在问题时
修正
不必时
制作、编辑生产程序
制作元件数据库
在“机器设置”
机器设置状况的
变更
设置基板
预热
返回原点
电源ON
2-1