KE-3010_20V_使用说明书.pdf - 第396页
第 1 部 基本編 第 3 章 维护 3-54 ● 吸气阀、排气阀的更换 1) 松开圆头螺钉 (M3×5) , 按下并取下排气阀。 2) 擦干净泵头盘,更换新的排气阀。 3) 盖上排气阀按压件, 使用 0.8N ・ m 的力, 用涂抹了螺钉松动防止剂 ( Loctite242 ) 的圆头螺钉 (M3×5) 对泵头盘进行固定。 4) 松开固定吸气阀的圆头螺钉 (M3×5) ,取下吸气阀和垫片。 5) 擦干净泵头盘, 更换新的吸气阀。在将吸…

第 1 部 基本編 第 3 章 维护
3-53
●碗形密封垫圈、防止吸气阀碰触胶垫的更换
1) 取下 3 个(共 6 个)平头小螺丝(M4×8),取下固定器、防止吸气阀碰触胶垫、碗形密封垫圈。
2) 将气缸与固定器之间异物清除干净。
3) 清扫之后的气缸设置在支柱上,将新碗形密封垫圈的中心与连杆安装碗形密封垫圈位置的中心
对齐,用手将气缸推入。
4) 安装了新防止吸气阀碰触胶垫的固定器放置在碗形密封垫圈之上,使用涂抹了螺钉松动防止剂
(NK-4)的平头小螺丝(M4×8),用 3.0N・m 的力拧紧安装。
※请按照密封材料更换步骤实施护罩的安装。在更换其它消耗部件时,请不要关闭护罩,参照各部
位的更换步骤操作。
平头小螺钉 固定器
连杆
防止吸气阀碰
触胶垫
碗形密封垫
※注意朝向
平头小螺钉
固定器

第 1 部 基本編 第 3 章 维护
3-54
●
吸气阀、排气阀的更换
1) 松开圆头螺钉(M3×5) ,按下并取下排气阀。
2) 擦干净泵头盘,更换新的排气阀。
3) 盖上排气阀按压件,使用 0.8N・m 的力,用涂抹了螺钉松动防止剂(Loctite242)的圆头螺钉(M3×5)
对泵头盘进行固定。
4) 松开固定吸气阀的圆头螺钉(M3×5),取下吸气阀和垫片。
5) 擦干净泵头盘,更换新的吸气阀。在将吸气孔、排气孔完全覆盖状态下,安装吸气阀、排气阀。
6) 叠好垫片,使用 0.8N・m 的力,用涂抹了螺钉松动防止剂(Loctite242)的圆头螺钉(M3×5)对
泵头盘进行固定。
※请按照密封材料更换步骤安装护罩。在更换其它消耗部件时,请不要关闭护罩,参照各部位的更换
步骤操作。
泵头盘
吸气阀
排气阀
垫片
排气阀按压件
※涂抹在螺钉头纹路2~3圈。
※螺钉前端处不要涂抹。
Loctite涂抹量

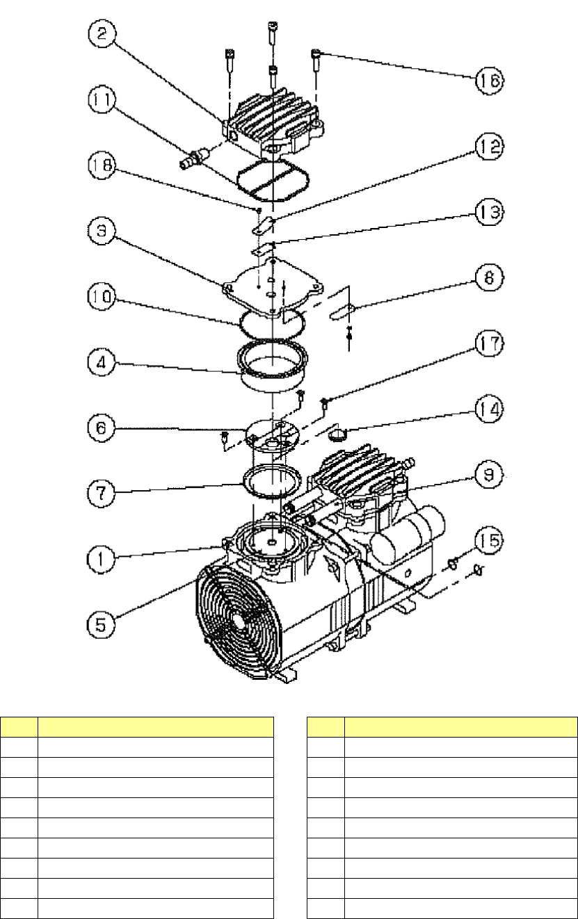
第 1 部 基本編 第 3 章 维护
3-55
真空泵分解图
No. 名称 No. 名称
1 壳 10 O 环 S-67
2 泵头护罩 11 密封圈
3 泵头盘 12 排气阀按压件
4 碗形密封气缸 13 排气阀
5 连杆 14 防止吸气阀碰触胶垫
6 固定器 15 O 环 P-10
7 碗形密封垫 16 内六角螺栓(M5×20)
8 吸气阀 17 平头小螺钉(M4×8)
9 连接管 18 圆头小螺钉(M3×5)