KE-3010_20V_使用说明书.pdf - 第405页
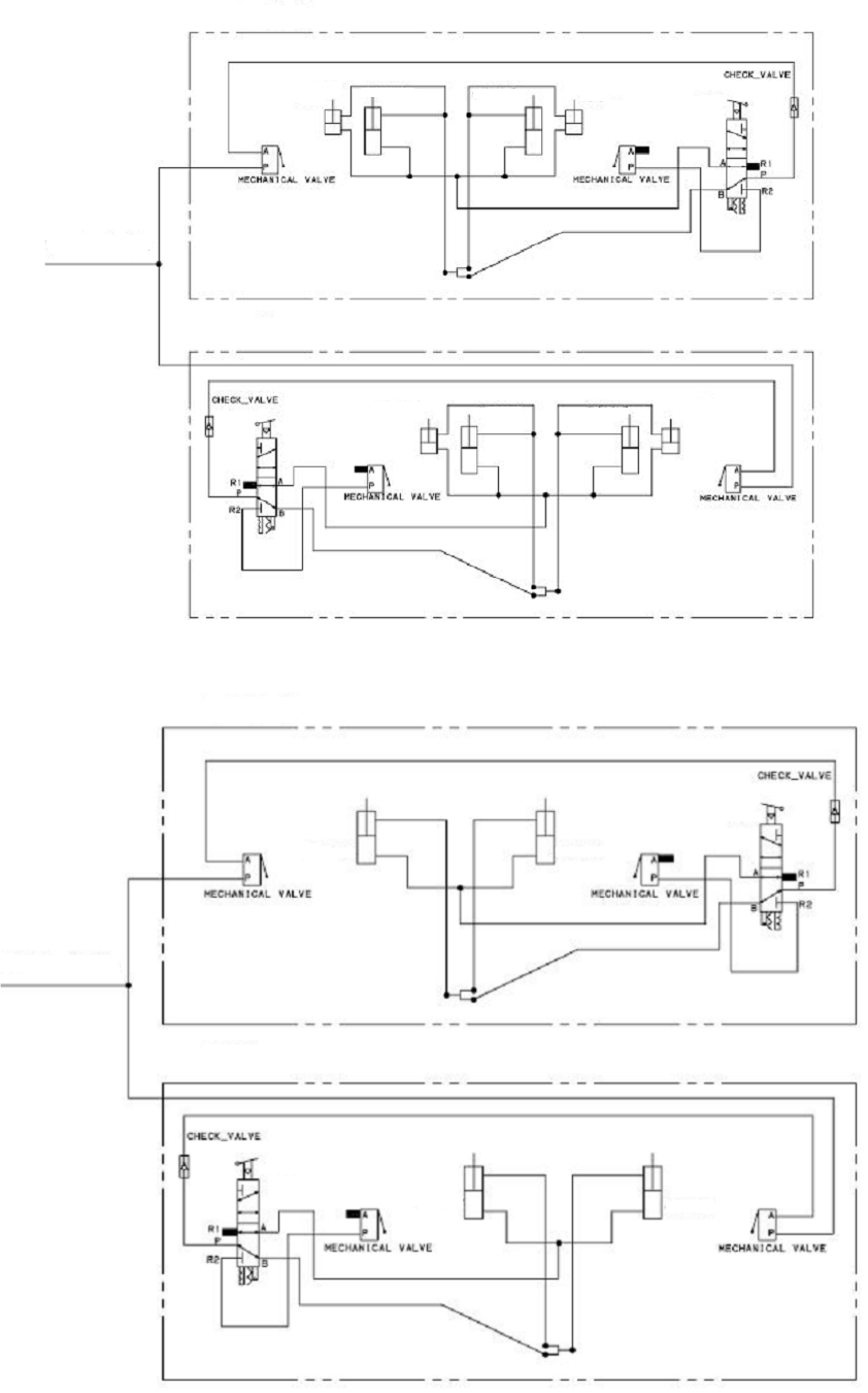
第 1 部 基本編 第 3 章 维护 3-63 (4) 管道系统图 ( 切带器, 2 处通用 ) No. 货 号 品 名 ① 40093969 AIR_CYLINDER ② 40093976 SPEED_CONTROLLER ③ 40093977 5PORT_SOLENOID_V AL VE ④ PX055104000 SILENCER 切断方向 通向联管节 Y

第 1 部 基本編 第 3 章 维护
3-62
<电动更换台专用规格>
前侧
后侧
通向歧管
台架支撑气缸
台架支撑气缸
台架气缸
台架气缸
台架
SW
台架支撑气缸 台架支撑气缸
台架气缸
台架气缸
台架
SW
<机械更换台专用规格>
后侧
前侧
通向歧管
台架气缸 台架气缸
台架
SW
台架
SW
台架气缸
台架气缸

第 1 部 基本編 第 3 章 维护
3-63
(4) 管道系统图(切带器,2 处通用)
No. 货 号 品 名
① 40093969 AIR_CYLINDER
② 40093976 SPEED_CONTROLLER
③ 40093977 5PORT_SOLENOID_VALVE
④ PX055104000 SILENCER
切断方向
通向联管节 Y

第 1 部 基本编 第 4 章 制作生产程序
第
4
章
制作生产程序
4-1 流程图
本章将对 No8 进行说明。同时,也将对 No9 的“校正”部分予以说明。
No.
生产流程图
备注
1
确认 ATC
周围的状况,进行日常检查。
2
确认主气压(0.5MPa)。
3
在实施前确认装置内部是否有异物等。
4
节假日后或寒冷地区
,
必须进行预热
(10
分钟左右
)
。
5
6
如果因日常检查、设置基板时清扫吸
嘴、改变基准销位置等而改变了机器
的初始设置状态时,请重新进行“机器
设置”。
(参见“第 8 章 机器设置”)
7
参见
“
第
5
章
数据库
”
8
9
发生贴片位置偏移、定心不良等贴片
不正常时,可在“程序编辑”中进行校
正。部分元件数据可在“生产”中进行校
正。
10
11
12
13
定期实施。
(
参见
“
第
3
章
维护
”)
检查设备
预热
设置基板
调整
机器设置
在“机器设置”中
设置变更部分
制作元件数据库
检查贴片
有错误贴片
生产
日常检查
结束生产
关闭电源
无错误贴片
必要
不必要
不必要
校正
<制作、编辑生产程序>
●基板数据
●贴片数据
●元件数据
●吸取数据
返回原点
必要
在数据库中
制作元件数据
接通电源
4-1