文档中心
/
SL940-Install-Ops-Maintenance-7210918_B.pdf
SL940-Install-Ops-Maintenance-7210918_B.pdf - 第179页
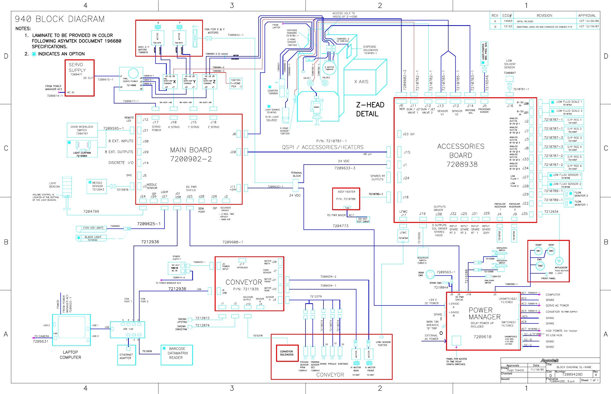
CIRCULATING HEATER
目录
100%
显示:宽度
宽度
1 / 208
回到旧版
旧版
?
CIRCULATING
HEATER
该页面需要启用 JavaScript 才能进行交互式预览。