2OM-1088-002.pdf - 第394页
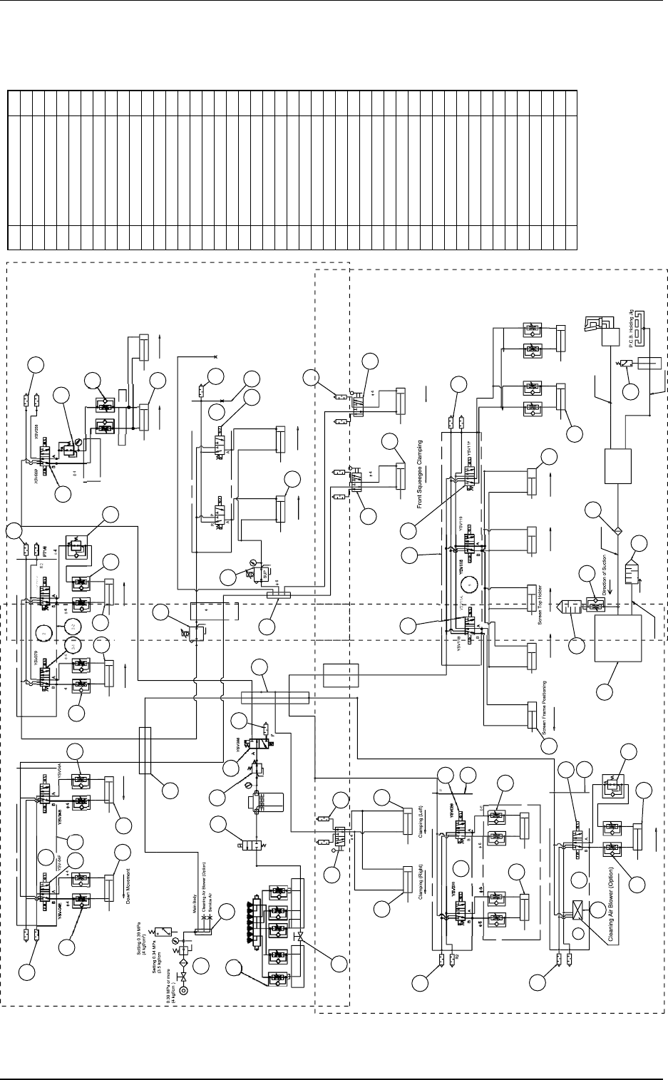
Tg0699-PM-D2 Pneumatic Diagram (Details A) 0207-001-(M782XA---0002) Chapter 3 3-3 Pneumatic Diagram (Details A) 30 3 1 3 2 37 38 39 36 47 2 - 1 2 - 2 2 3 4 4 - 1 4 - 2 13 14 15 16 X 2 X2 26 27 Up Movement P . C .B. C huc…

Tg0699-PM-D2
1. Pneumatic Diagrams
0207-001-(M782XA---0002) Chapter 3 3-2
1. Pneumatic Diagrams
A
B
C
D
30
3
1
3
2
33
3
4
3
7
3
7
3
7
38
4
1
40
39
4
1
41
5
2
35
36
R
Conve
y
or Section
L
Conve
y
or Section
φ
4
P.C.B. Stopper
on Conveyor
Up
Movement
P
.C.B. Sto
pp
er
on Conveyor
Up
Movement
P
.C.B. Sto
pp
er
Up Movement
p
P.C.B. Holding
41
42
43
44
45
46
46
47
48
49
50
1
-1
1
-
2
1
3
4
4
-1
4
-2
5
-1
5
-2
5
-
3
6
6
-1
6
-2
7
7
-1
7
-
2
5
1
5
1
8
9
10
10
1
0
1
1
1
2
13
14
15
16
17
1
8
19
20
2
1
2
2
23
24
X2
X
2
X2
X4
X2
X2
25
25
25
26
27
28
29
19
D
uc
t
Loc
k
Loc
k
Screen Lock
(Front)
C
leanin
g
Unit
50
D
uc
t
D
ir
ec
ti
o
n
o
f Exh
aus
t
Loc
k
Loc
k
Vacuu
m
Suc
ti
o
n
Sec
t
o
n
C
leanin
U
nit
V
acuum
S
uction
S
ection
S
creen Holder
S
ection
C
h
uc
k
Sec
ti
o
n
3
2 D
uc
t
50
D
uc
t
B
lower Unit Chan
g
eover Section
B
lower Unit Chan
g
eover Section
φ
6
φ
6
φ
8
φ
1
0
φ
4
φ
6
φ
6
φ
4
φ
4
43
φ
4
φ
6
φ
YS
V
089
YS
V
088
YS
V
08
A
YSV078
Cab
l
e
Bea
r
e
r
C
h
uc
k
Suc
ti
o
n
C
reanin
g
Suction
R1
R
2
R
1
P
C
leanin
g
Unit
Loc
k
C
leanin
g
Unit
φ
6
6
φ
6
Cab
l
e
B
ea
r
ee
C
able Bearee
φ
1
0
P
T1
/8
R1
P
P
.C.B. Chuck
(
Front Side
)
C
huck Backward Movement
P
.C.B. Chuck
(
Front Side
)
C
huck Backward Movement
C
leanin
g
Up/Down
(
Front
)
P
R1
R
2
R1
R2
φ
6
EXH
OU
T
SU
P
P
ositionin
g
MS
-
5
P
φ
4
φ
4
φ
4
φ
4
φ
4
φ
6
φ
φ
6
φ
6
φ
6
Y
SV069
YS
V
068
OU
T
EXH
φ
4
F
ront Squee
g
ee Up/Dowen
φ
6
R
1
P
Up
Movement
R
ear Squee
g
ee Up/Dowen
Up
Movement
Loc
k
φ
4
Loc
k
R
ear Squee
g
ee Clampin
g
S
creen To
p
H
older
(
Left Side
)
Loc
k
Loc
k
S
creen To
p
Holder
(
Ri
g
ht Side
)
Loc
k
S
creen To
p
H
older
(
Ri
g
ht Side
)
Loc
k
φ
6
φ
6
φ
6
φ
1
0
Do
wn M
o
v
e
m
e
nt
1
1
2
2
1
1
2
2
1
1
1
1
2
2
1
1
2
8
2
2
4
1
3
2
4
1
1
1
1
5
1
1
2
2
2
1
2
2
2
1
2
1
1
1
1
1
No.
1
2
3
4
5
6-1
6-2
7
8
9
10
11
12
13
14
15-1
15-2
16
17
18
19
20
21
22
23
24
25
26
27
28
29
30
31
32
33
34-1
34-2
35
36
37
38
39
40
41
42
43
Q'ty
Name
Combination Unit
Solenoid Valve
Silencer
Speed Controller
Air Cylinder
Manifold
Solenoid Valve
Silencer
Air Cylinder
Air Cylinder
Solenoid Valve
Precision Pressure Reducing Valve
Speed Controller
Air Cylinder
Electropneumatic Regulator
Manifold
Solenoid Valve
Silencer
Air Cylinder
Air Cylinder
Speed Controller
Solenoid Valve
Mechanical Valve
Air Cylinder
Air Cylinder
Solenoid Valve
Precision Pressure Reducing Valve
Solenoid Valve
Valve
Speed Controller
Air Cylinder
Solenoid Valve
Speed Controller
Silencer
Air Cylinder
Manifold
Solenoid Valve
Silencer
Speed Controller
Blower
Silencer
Speed Controller
Air Filter
Power Switch
Joint
Joint
2
)
2
P.C.B. Recognition
.
R
S
ection
(
Left Sid
e
e)
Air
Sou
r
ce
in Pr
o
fl
o
w in
s
t
a
ll
a
ti
o
n
(
Standard condition is that hose is folded
)
.
(
Vertical
)

Tg0699-PM-D2
Pneumatic Diagram (Details A)
0207-001-(M782XA---0002) Chapter 3 3-3
Pneumatic Diagram (Details A)
30
3
1
3
2
37
38
39
36
47
2
-
1
2
-
2
2
3
4
4
-
1
4
-
2
13
14
15
16
X
2
X2
26
27
Up
Movement
P
.
C
.B.
C
huck
S
ection
φ
4
φ
4
φ
4
φ
4
φ
6
Cab
l
e
B
ea
r
e
r
Cab
l
e
B
ea
r
e
r
P
.C.B. Holdin
g
R2
R1
YS
V
058
YS
V
059
P
.C.B. Chuck
(
Front Side
)
C
h
uc
k B
ac
kw
a
r
d
M
o
v
e
m
e
nt
P
.C.B. Chuck
(
Front Side
)
C
h
uc
k B
ac
kw
a
r
d
M
o
v
e
m
e
nt
R1
R2
A
B
EXH
SU
P
MS
-
5
P
φ
4
A
φ
4
φ
4
φ
4
φ
4
φ
6
φ
6
φ
6
φ
6
YS
V
068
SU
P
OU
T
F
ront Squee
g
ee Up/Down
φ
6
R1
P
A
Up
Movement
R
ear Squee
g
ee Up/Down
Up
Movement
P
.E.C. Reco
g
nition Section
A
ir
Sou
r
ce
in Pr
o
fl
o
w in
s
t
a
ll
a
ti
o
n
(
Standard condition is that hose is folded
)
.

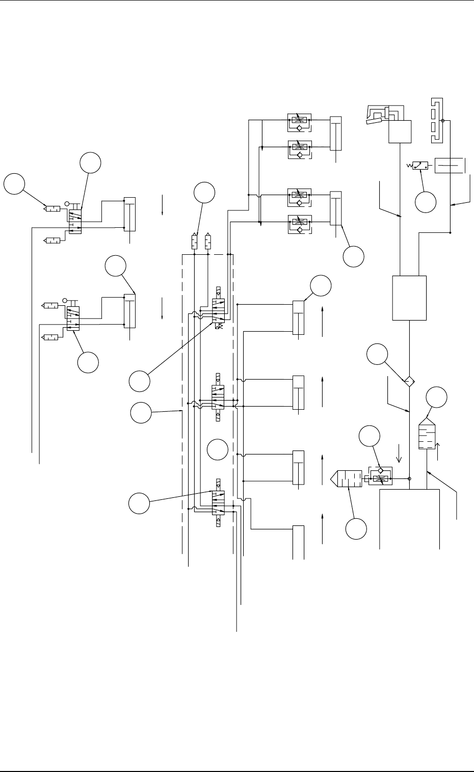
Tg0699-PM-D2
Pneumatic Diagram (Details B)
0207-001-(M782XA---0002) Chapter 3 3-4
Pneumatic Diagram (Details B)
41
YSV11F
43
44
50
5
5-1
5-2
5-3
51
51
10
10
17
19
20
X2
X4
X2
19 Duct
Lock
Lock
Screen Lock
(Front)
50 Duct
Direction of Exhaust
Direction of Suction
Lock
Vacuum Suction Section
32 Duct
50 Duct
Blower Unit Changeover
φ 4
φ 4
YSV11A
YSV11B
YSV118
YSV119
P.C.B. Holding Jig
R1
R2
A
B
A
B
LockLock
φ 6
φ 6
φ 4
φ 4
Lock
φ 4
φ 4
Front Squeegee Clamping
Lock
Rear Squeegee Clamping
Screen Top Holder
(Right Side)
Screen Top Holder
(Right Side)
Lock
Screen Top Holder
(Left Side)
Screen Top Holder
41