2OM-1088-002.pdf - 第477页
Tg0699-PM-D2 R Conveyor Section Motor 0207-001-(M782WHR--0001) Chapter 3 3-61 R Conveyor Section Motor Bus Speed Control Pack R Conveyor Motor Origin White Violet Red Blue Black Brown Green Y ellow R Conveyor Width Axis …

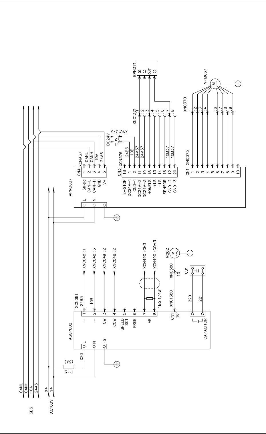
Tg0699-PM-D2
L Conveyor Section Motor
0207-001-(M782WHL--0001) Chapter 3 3-60
L Conveyor Section Motor
Bus
Speed Control Pack
L Conveyor Motor
Origin
White
Violet
Red
Blue
Black
Brown
Green
Yellow
L Conveyor Width Axis
Pulse Motor

Tg0699-PM-D2
R Conveyor Section Motor
0207-001-(M782WHR--0001) Chapter 3 3-61
R Conveyor Section Motor
Bus
Speed Control Pack
R Conveyor Motor
Origin
White
Violet
Red
Blue
Black
Brown
Green
Yellow
R Conveyor Width Axis
Pulse Motor

Tg0699-PM-D2
Cleaning Section I/O
0207-001-(M782WM---0001) Chapter 3 3-62
Cleaning Section I/O
Bus
Cleaning Nozzle Up/Down
Up Movement
Cleaning Nozzle Up/Down
Down Movement
Solvent Discharge Driving
Paper Take-Up Motor Driving
Paper Shortage Alarm
(Lighting Emitting Side)
Cleaning Nozzle
Upper Limit
Cleaning Nozzle
Lower Limit
Paper Feed
Pitch Detection
Solvent Shortage Alarm
Paper Shortage Alarm
Manual Operation
Nozzle Up/down
Manual Operation
Solvent Discharge
Manual Operation
Paper Take-Up
Brown
Blue
Solvent Discharge
Brown
Black
Blue
Brown
Black
Blue
Brown
Black
Blue
Brown
Black
Blue