2OM-1088-002.pdf - 第479页
Tg0699-PM-D2 Cleaning Section T ake-Up Motor 0207-001-(M782WM---0002) Chapter 3 3-63 Cleaning Section T ake-Up Motor Black Red White Paper T ake-Up Moto r

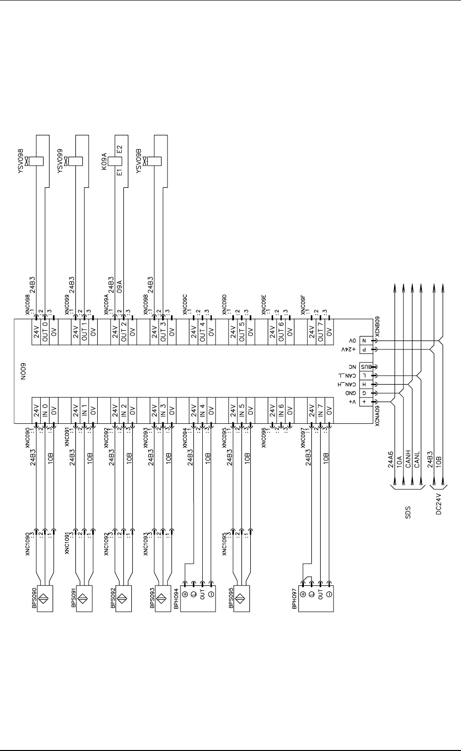
Tg0699-PM-D2
Cleaning Section I/O
0207-001-(M782WM---0001) Chapter 3 3-62
Cleaning Section I/O
Bus
Cleaning Nozzle Up/Down
Up Movement
Cleaning Nozzle Up/Down
Down Movement
Solvent Discharge Driving
Paper Take-Up Motor Driving
Paper Shortage Alarm
(Lighting Emitting Side)
Cleaning Nozzle
Upper Limit
Cleaning Nozzle
Lower Limit
Paper Feed
Pitch Detection
Solvent Shortage Alarm
Paper Shortage Alarm
Manual Operation
Nozzle Up/down
Manual Operation
Solvent Discharge
Manual Operation
Paper Take-Up
Brown
Blue
Solvent Discharge
Brown
Black
Blue
Brown
Black
Blue
Brown
Black
Blue
Brown
Black
Blue

Tg0699-PM-D2
Cleaning Section Take-Up Motor
0207-001-(M782WM---0002) Chapter 3 3-63
Cleaning Section Take-Up Motor
Black
Red
White
Paper Take-Up Moto
r

Tg0699-PM-D2
Utility Section I/O
0207-001-(M782WMM--0001) Chapter 3 3-64
Utility Section I/O
Bus
Cleaning Suction
Chuck Suction
Power Supply to
Vacuum Pump
Solvent Discharge
Pressure Application
Brown
Black
Blue
Brown
Black
Blue
Brown
Black
Blue
Brown
Black
Blue
Brown
Black
Blue
Cleaning Suction Side
Cleaning Suction
Standby Side
Chuck Suction Side
Chuck Suction
Standby Side
Cleaning Unit Clamping
Cleaning Unit
Unit Detection
Cleaning Unit
Up Movement I.L