2OM-1088-002.pdf - 第395页
Tg0699-PM-D2 Pneumatic Diagram (Details B) 0207-001-(M782XA---0002) Chapter 3 3-4 Pneumatic Diagram (Details B) 41 YSV11F 43 44 50 5 5-1 5-2 5-3 51 51 10 10 17 19 20 X2 X4 X2 19 Duct Lock Lock Screen Lock (Front) 50 Duct…

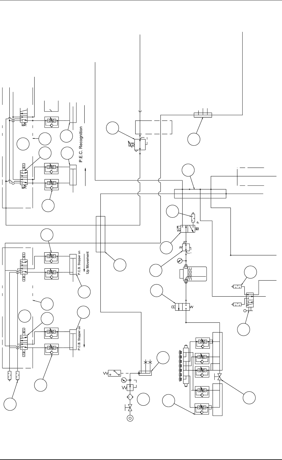
Tg0699-PM-D2
Pneumatic Diagram (Details A)
0207-001-(M782XA---0002) Chapter 3 3-3
Pneumatic Diagram (Details A)
30
3
1
3
2
37
38
39
36
47
2
-
1
2
-
2
2
3
4
4
-
1
4
-
2
13
14
15
16
X
2
X2
26
27
Up
Movement
P
.
C
.B.
C
huck
S
ection
φ
4
φ
4
φ
4
φ
4
φ
6
Cab
l
e
B
ea
r
e
r
Cab
l
e
B
ea
r
e
r
P
.C.B. Holdin
g
R2
R1
YS
V
058
YS
V
059
P
.C.B. Chuck
(
Front Side
)
C
h
uc
k B
ac
kw
a
r
d
M
o
v
e
m
e
nt
P
.C.B. Chuck
(
Front Side
)
C
h
uc
k B
ac
kw
a
r
d
M
o
v
e
m
e
nt
R1
R2
A
B
EXH
SU
P
MS
-
5
P
φ
4
A
φ
4
φ
4
φ
4
φ
4
φ
6
φ
6
φ
6
φ
6
YS
V
068
SU
P
OU
T
F
ront Squee
g
ee Up/Down
φ
6
R1
P
A
Up
Movement
R
ear Squee
g
ee Up/Down
Up
Movement
P
.E.C. Reco
g
nition Section
A
ir
Sou
r
ce
in Pr
o
fl
o
w in
s
t
a
ll
a
ti
o
n
(
Standard condition is that hose is folded
)
.

Tg0699-PM-D2
Pneumatic Diagram (Details B)
0207-001-(M782XA---0002) Chapter 3 3-4
Pneumatic Diagram (Details B)
41
YSV11F
43
44
50
5
5-1
5-2
5-3
51
51
10
10
17
19
20
X2
X4
X2
19 Duct
Lock
Lock
Screen Lock
(Front)
50 Duct
Direction of Exhaust
Direction of Suction
Lock
Vacuum Suction Section
32 Duct
50 Duct
Blower Unit Changeover
φ 4
φ 4
YSV11A
YSV11B
YSV118
YSV119
P.C.B. Holding Jig
R1
R2
A
B
A
B
LockLock
φ 6
φ 6
φ 4
φ 4
Lock
φ 4
φ 4
Front Squeegee Clamping
Lock
Rear Squeegee Clamping
Screen Top Holder
(Right Side)
Screen Top Holder
(Right Side)
Lock
Screen Top Holder
(Left Side)
Screen Top Holder
41

Tg0699-PM-D2
Pneumatic Diagram (Details C)
0207-001-(M782XA---0002) Chapter 3 3-5
Pneumatic Diagram (Details C)
3
2
3
4
37
4
1
5
2
35
Do
wn M
o
v
e
m
e
nt
R Conve
y
or Section
φ
4
φ
4
φ
6
C
onve
y
or
A
B
YS
V
0
4B
41
4
2
45
46
46
47
1
-1
1
-
2
1
2
-
1
2
-2
2
YS
V-
0
4E
YS
V-
0
4F
8
9
10
1
1
1
2
13
14
25
25
25
Se
rvi
ce
Air
C
reanin
g
Air Blower
(
Option
)
Ma
in M
ac
hin
e
Up
movement
Up
Movement
C
leanin
g
Section
L
Conve
y
or Section
S
ection
φ
6
φ
6
φ
8
φ
1
0
φ
4
φ
4
φ
6
φ
4
φ
4
φ
4
φ
4
φ
4
YS
V
08A
YS
V
098
YS
V
0
7
9
YS
V
0
4A
Cab
l
e
B
ea
r
e
r
φ
6
φ
6
φ
6
φ
1
0
φ
1
0
φ
6
φ
6
C
onve
y
or
A
B
P
.C.B. Holdin
g
P
.C.B. Sto
pp
er
P
T1
/8
P
A
B
B
A
A
φ
6
EXH
SU
P
φ
6
φ
6
S
ettin
g
0.34 MPa
(
3.5 k
g
f/cm
2
)
S
ettin
g
0.39 MPa
(
4 k
g
f/cm
2
)
0
.
39
MP
a
o
r m
o
r
e
(
4 k
g
f/cm
2
)
OUT
O