2OM-1088-002.pdf - 第466页
Tg0699-PM-D2 P .C.B. Chuck Motor 0207-001-(M782WE---0003) Chapter 3 3-50 P .C.B. Chuck Motor White Violet Red Blue Black Brown Green Y ellow T able Width Axis Pulse Motor Bus Origin T able Conveyor Motor Speed Control Pa…

Tg0699-PM-D2
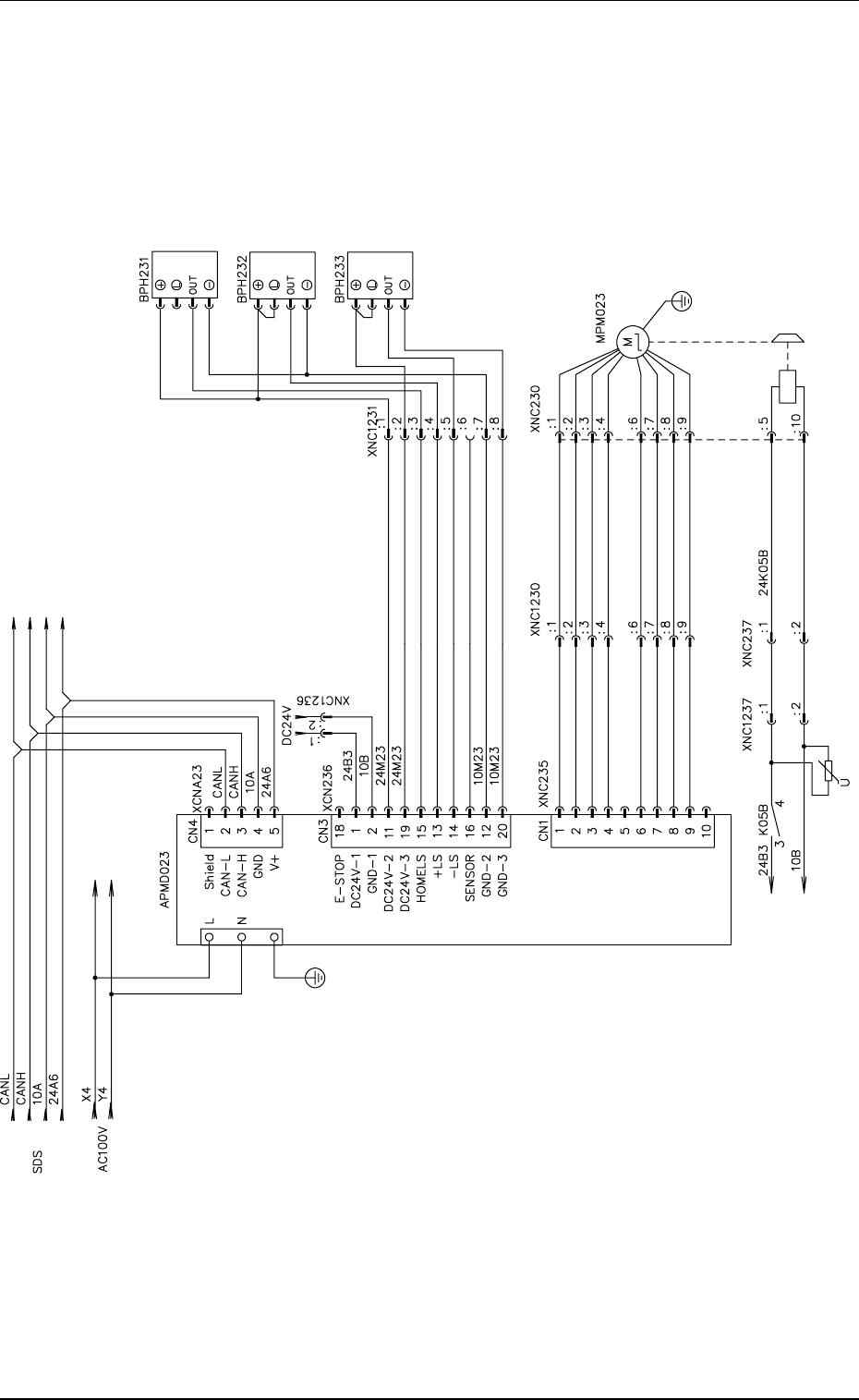
P.C.B. Up/Down Axis Pulse Motor
0207-001-(M782WE---0002) Chapter 3 3-49
P.C.B. Up/Down Axis Pulse Motor
Bus
Origin
Limit (+)
Limit (-)
White
Violet
Red
Blue
Black
Brown
Green
Yellow
Orange/Black
Gray
P.C.B. Up/Down
Axis Pulse Motor

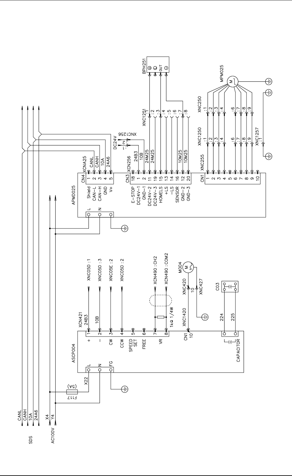
Tg0699-PM-D2
P.C.B. Chuck Motor
0207-001-(M782WE---0003) Chapter 3 3-50
P.C.B. Chuck Motor
White
Violet
Red
Blue
Black
Brown
Green
Yellow
Table Width Axis
Pulse Motor
Bus
Origin
Table Conveyor Motor
Speed Control Pack

Tg0699-PM-D2
Screen Holder I/O
0207-001-(M782WF---0001) Chapter 3 3-51
Screen Holder I/O
Brown
Black
Blue
Bus
Screen Brake
Screen Top Positioning
Output Side
Screen Top Positioning
Return Side
Screen Horizontal Positioning
Output Side
Screen Horizontal Positioning
Return Side
Screen Horizontal Positioning
Front End