2OM-1088-002.pdf - 第463页
Tg0699-PM-D2 T able Pulse Motor 0207-001-(M782WB---0002) Chapter 3 3-47 T able Pulse Motor Bus White Violet Red Blue Black Brown Green Y ellow T able X-Axis Pulse Motor White Violet Red Blue Black Brown Green Y ellow T a…

Tg0699-PM-D2
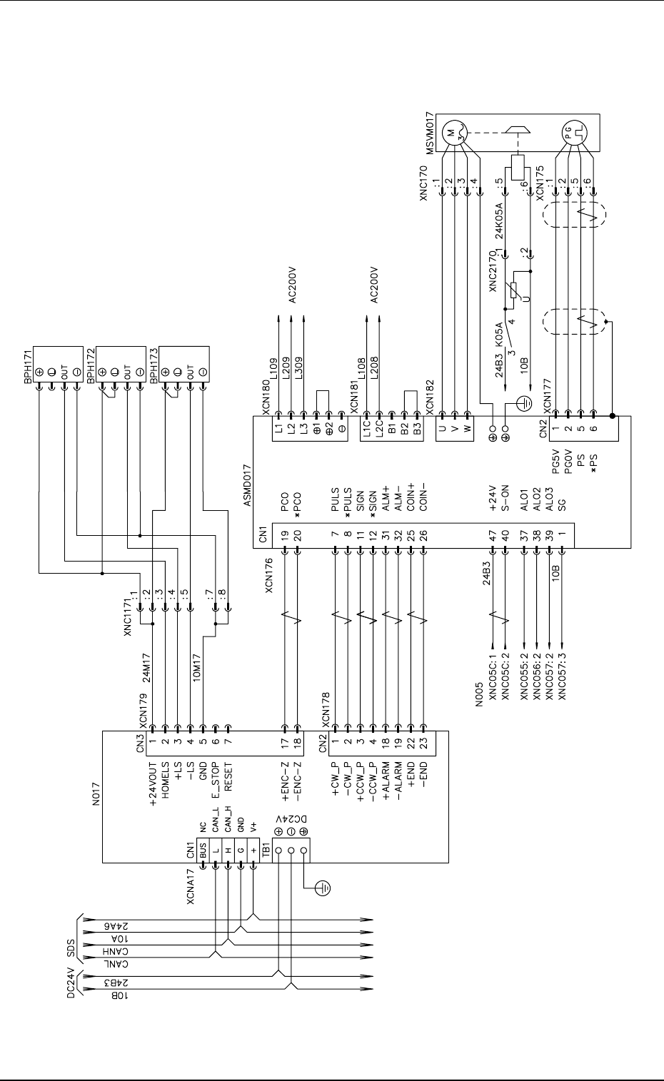
Table Z-Axis Servomotor
0207-001-(M782WB---0001) Chapter 3 3-46
Table Z-Axis Servomotor
Bus
Motor Controller
P.C.B. Chuck IO
Table Z-Axis
Origin
Table Z-Axis
Limit (+)
Table Z-Axis
Limit (-)
Power Supply to Main Circuit
Power Supply to Control Circuit
Table Z-Axis
Servomotor
Red
White
Blue
Green/
Yellow
Black
Brown
Connected to Connector Shell

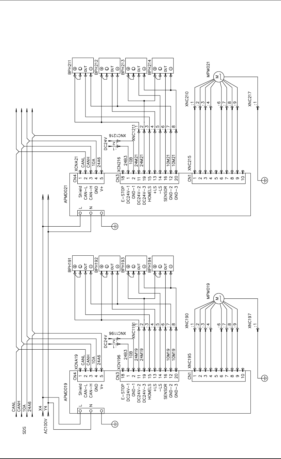
Tg0699-PM-D2
Table Pulse Motor
0207-001-(M782WB---0002) Chapter 3 3-47
Table Pulse Motor
Bus
White
Violet
Red
Blue
Black
Brown
Green
Yellow
Table X-Axis
Pulse Motor
White
Violet
Red
Blue
Black
Brown
Green
Yellow
Table θ-Axis
Pulse Motor
Origin
Limit (+)
Limit (-)
Rotational
Origin
Origin
Limit (+)
Limit (-)
Rotational
Origin

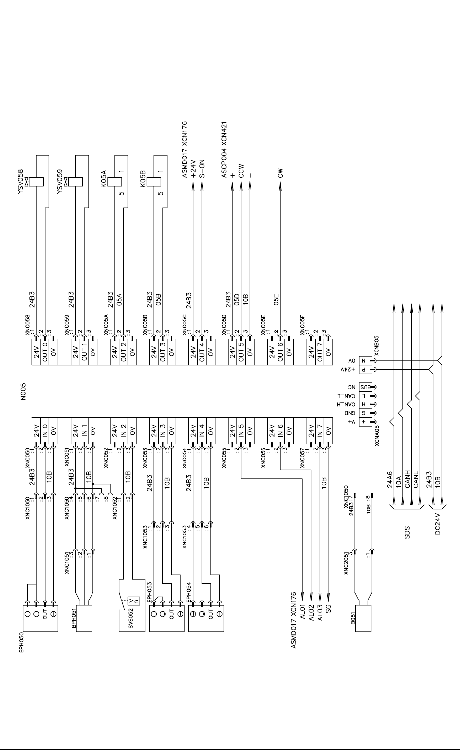
Tg0699-PM-D2
P.C.B. Chuck I/O
0207-001-(M782WE---0001) Chapter 3 3-48
P.C.B. Chuck I/O
P.C.B. Horizontal Clamping
Forward Limit
Width Error Detection
Vacuum Switch
Table Z-Axis
Interlock
Table Z-Axis
Correction Position
Blown
Black
Blue
Brown
Blue
Width Error Detection
(Light Emitting Side)
Bus
P.C.B. Horizonal Clamping
Output Side
P.C.B. Horizonal Clamping
Return Side
Table Z-Axis Brake OFF
P.C.B. Up/Down Axis
Brake OFF
Table Z-Axis
Servomotor Servo ON
Conveyor Motor
Normal Rotation
Conveyor Motor
Reverse Rotation
Servo Alarm