2OM-1088-002.pdf - 第478页
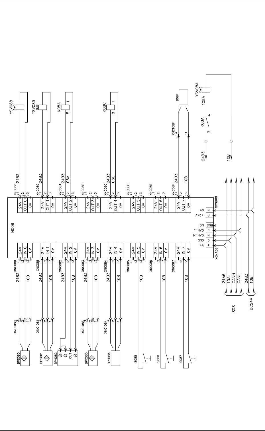
Tg0699-PM-D2 Cleaning Section I/O 0207-001-(M782WM---0001) Chapter 3 3-62 Cleaning Section I/O Bus Cleaning Nozzle Up/Down Up Movement Cleaning Nozzle Up/Down Down Movement Solvent Discharge Driving Paper T ake-Up Motor …

Tg0699-PM-D2
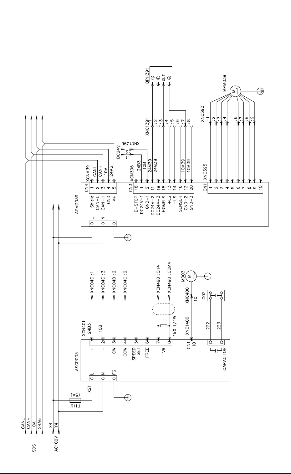
R Conveyor Section Motor
0207-001-(M782WHR--0001) Chapter 3 3-61
R Conveyor Section Motor
Bus
Speed Control Pack
R Conveyor Motor
Origin
White
Violet
Red
Blue
Black
Brown
Green
Yellow
R Conveyor Width Axis
Pulse Motor

Tg0699-PM-D2
Cleaning Section I/O
0207-001-(M782WM---0001) Chapter 3 3-62
Cleaning Section I/O
Bus
Cleaning Nozzle Up/Down
Up Movement
Cleaning Nozzle Up/Down
Down Movement
Solvent Discharge Driving
Paper Take-Up Motor Driving
Paper Shortage Alarm
(Lighting Emitting Side)
Cleaning Nozzle
Upper Limit
Cleaning Nozzle
Lower Limit
Paper Feed
Pitch Detection
Solvent Shortage Alarm
Paper Shortage Alarm
Manual Operation
Nozzle Up/down
Manual Operation
Solvent Discharge
Manual Operation
Paper Take-Up
Brown
Blue
Solvent Discharge
Brown
Black
Blue
Brown
Black
Blue
Brown
Black
Blue
Brown
Black
Blue

Tg0699-PM-D2
Cleaning Section Take-Up Motor
0207-001-(M782WM---0002) Chapter 3 3-63
Cleaning Section Take-Up Motor
Black
Red
White
Paper Take-Up Moto
r