2OM-1088-002.pdf - 第451页
Tg0699-PM-D2 3.7 Location of Sensors and Loads in Cleaning Section/Air Blow Section (Option) 0207-001-(M782YMA--0001) Chapter 3 3-38-21 Solvent Discharge Air Blow Nozzle Down Movement Nozzle Up Movement Air Blow Fluctuat…

Tg0699-PM-D2
3.7 Location of Sensors and Loads in Cleaning Section/Air Blow Section (Option)
0207-001-(M782YMM--0001) Chapter 3 3-38-20

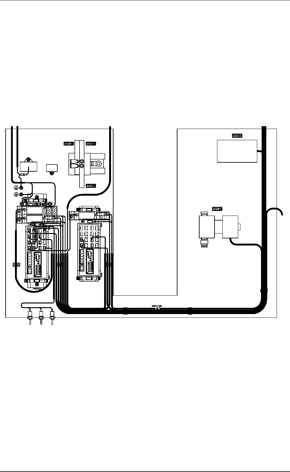
Tg0699-PM-D2
3.7 Location of Sensors and Loads in Cleaning Section/Air Blow Section (Option)
0207-001-(M782YMA--0001) Chapter 3 3-38-21
Solvent Discharge
Air Blow
Nozzle Down
Movement
Nozzle Up
Movement
Air Blow Fluctuation
Air Blow Driving

Tg0699-PM-D2
3.7 Location of Sensors and Loads in Cleaning Section/Air Blow Section (Option)
0207-001 Chapter 3 3-38-22
Table 5C9
Symbols Name
BPS080 Cleaning Nozzle U/D Upper Limit
BPS081 Cleaning Nozzle U/D Lower Limit
BPH082 Paper Feed Pitch Detection
BPX083 Solvent Shortage Alarm
BPH084 Paper Shortage Alarm
BPH094 Cleaning Unit Detection
BPS095 Cleaning Unit Clamping
BPS120 Air Blow Fluctuation Output Side
BPS121 Air Blow Fluctuation Return Side
M009 Cleaning Paper Supply Motor
BPS090 Cleaning Suction Side
BPS091 Cleaning Suction Standby Side
BPS092 Chuck Suction Side Air Blow Fluctuation (Return Side)
BPS093 Chuck Section Standby Side
YSV098 Cleaning Suction Solenoid Valve
YSV099 Chuck Suction Solenoid Valve
YSV088 Nozzle Up Movement Solenoid Valve
YSV089 Nozzle Down Movement Solenoid Valve
YSV08A Solvent Discharge Solenoid Valve
YSV128 Air Blow Fluctuation Solenoid Valve
YSV129 Air Blow Solenoid Valve