2OM-1088-002.pdf - 第473页
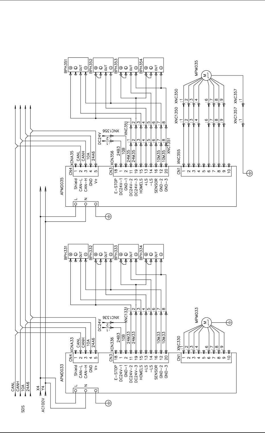
Tg0699-PM-D2 P .E.C. Recognition Section Pulse Motor 0207-001-(M782WG---0002) Chapter 3 3-57 P .E.C. Recognition Section Pulse Motor Bus Origin Limit (+) Limit (-) Rotational Origin P .E.C. Recognition Y -Axis Pulse Moto…

Tg0699-PM-D2
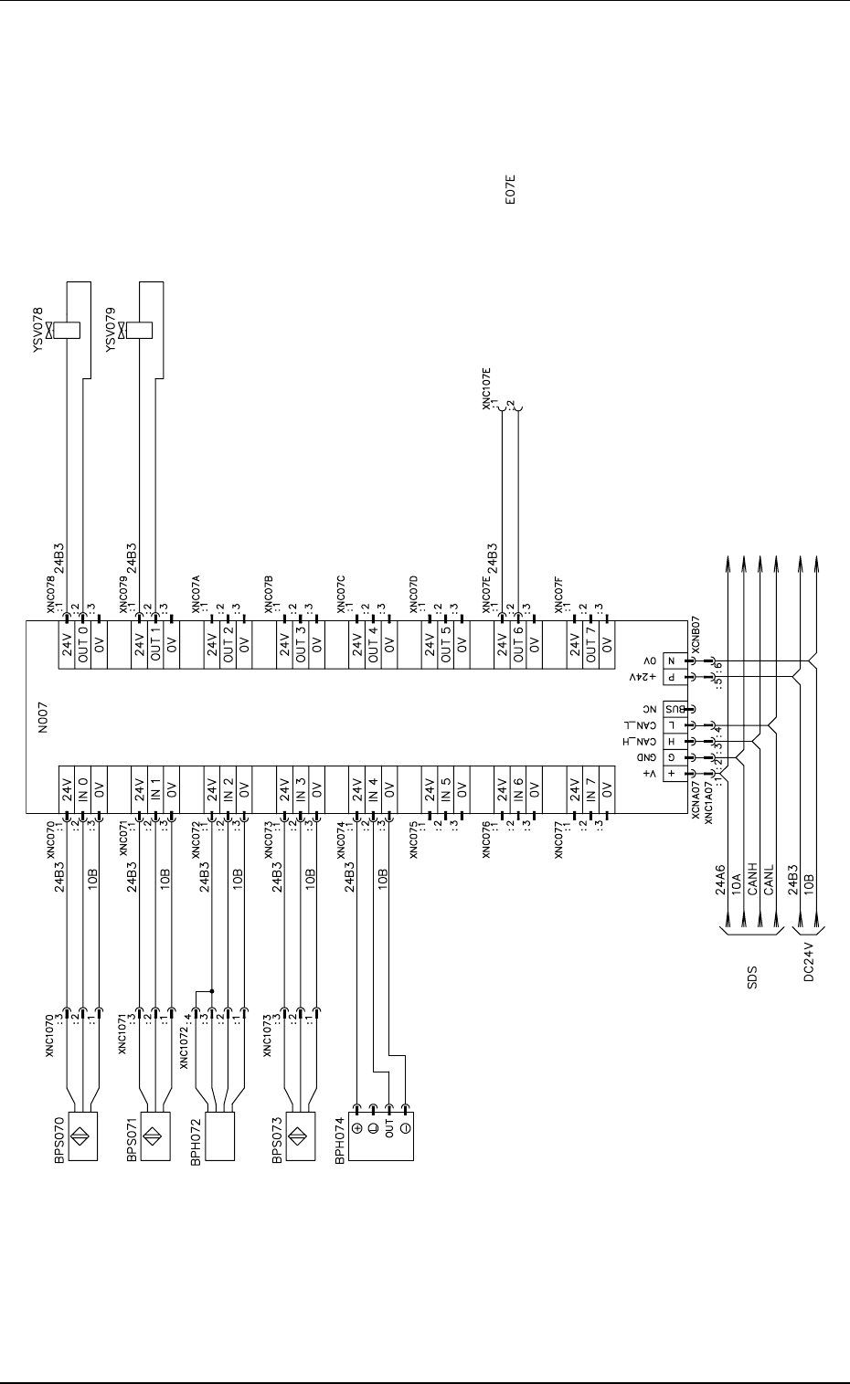
P.E.C. Recognition Section I/O
0207-001-(M782WG---0001) Chapter 3 3-56
P.E.C. Recognition Section I/O
P.C.B. Stopper
Upper Limit
P.C.B. Stopper
Lower Limit
R.E.C. Recognition
P.C.B. Wapage Holding
Output Side
Overlapped
P.C.B. Detection
Brown
Black
Blue
Brown
Black
Blue
Brown
Black
Blue
Brown
Pink
Black
Blue
Bus
P.C.B. Warpage Top
Holding ON (Out)
P.C.B. Stopper
Stopper Position (Out)
Lighting for P.E.C. Recognition

Tg0699-PM-D2
P.E.C. Recognition Section Pulse Motor
0207-001-(M782WG---0002) Chapter 3 3-57
P.E.C. Recognition Section Pulse Motor
Bus
Origin
Limit (+)
Limit (-)
Rotational Origin
P.E.C. Recognition Y-Axis
Pulse Motor
White
Violet
Red
Blue
Black
Brown
Green
Yellow
Origin
Limit (+)
Limit (-)
Rotational Origin
P.E.C. Recognition
X-Axis Pulse Motor
White
Violet
Red
Blue
Black
Brown
Green
Yellow

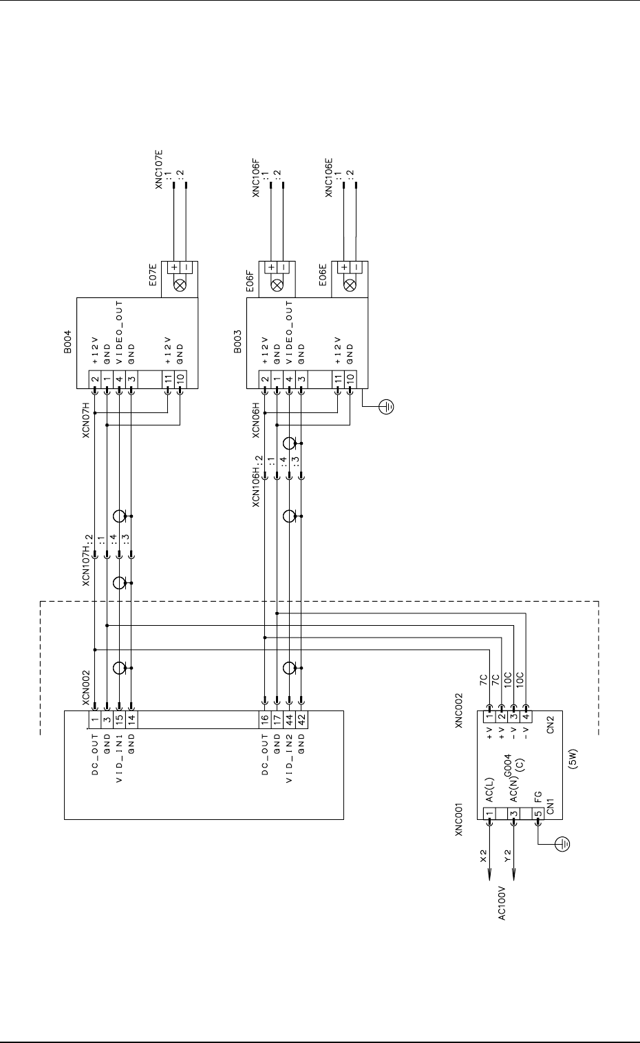
Tg0699-PM-D2
Recognition Camera Connection Diagram
0207-001-(M782WG---0003) Chapter 3 3-58
Recognition Camera Connection Diagram
Control BOX
Image Board
Power Supply
for Camera
P.E.C. Recognition
Camera
Lighting for P.E.C.
Recognition
Lighting for Screen
Recognition (Ring)
Screen Recognition
Camera
Lighting for Screen
Recognition