2OM-1088-002.pdf - 第481页
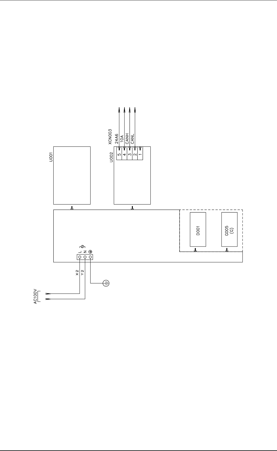
Tg0699-PM-D2 Control Box Circuit Diagram 0207-001-(M782WRC--0001) Chapter 3 3-65 Control Box Circuit Diagram Panel Computer Image Board I/O Board FDD Unit Minus Power Supply Unit

Tg0699-PM-D2
Utility Section I/O
0207-001-(M782WMM--0001) Chapter 3 3-64
Utility Section I/O
Bus
Cleaning Suction
Chuck Suction
Power Supply to
Vacuum Pump
Solvent Discharge
Pressure Application
Brown
Black
Blue
Brown
Black
Blue
Brown
Black
Blue
Brown
Black
Blue
Brown
Black
Blue
Cleaning Suction Side
Cleaning Suction
Standby Side
Chuck Suction Side
Chuck Suction
Standby Side
Cleaning Unit Clamping
Cleaning Unit
Unit Detection
Cleaning Unit
Up Movement I.L

Tg0699-PM-D2
Control Box Circuit Diagram
0207-001-(M782WRC--0001) Chapter 3 3-65
Control Box Circuit Diagram
Panel Computer
Image Board
I/O Board
FDD Unit
Minus Power Supply Unit

Tg0699-PM-D2
Operation Panel I/O
0207-001-(M782WRD--0001) Chapter 3 3-66
Operation Panel I/O
Bus
START
STOP
OPERATION/SET UP
Buzzer
START Indicato
r