XPF-1.0S编程手册.pdf - 第301页
6. 编辑程序 PRG-XPF-1.0S 292 XPF 编程手册 6.4.7 扩展器执行例 将生产程序以电路板全体展开为 4 个子电路板。生产程序原点是电路板右下设定 的东西。 1. 决定基准元件。范例中以右上的 元件为基准。 2. 设定作为基准的元件的各子电路 板内的位置和修正值角度。 3. 按下 [ 展开 ] 按键,展开生产程序。 4. 按下 [ 返回 ] 按键,保存展开的生产程序。 子电路板 1 : 输入到基准元件的 原点的距离…

PRG-XPF-1.0S 6. 编辑程序
XPF 编程手册 291
6.4.6 项目说明
子电路板 No.
设定子电路板 No.。第 1 行的子电路板 No. 必须设定为 1。
第 2 行以后的 No. 可以设定为任意的号码。
修正值 X
在第 1 行设定作为生产程序的基准的 X 坐标 ( 离程序原点的距离 ),第 2 行以后的基准坐标
以其电路板所在的坐标 ( 离第 1 行的程序原点的距离 ) 来指定。
注意 )修正值角度 0 度以外时,请输入旋转后的 X 坐标。
修正值 Y
在第 1 行设定作为生产程序的基准的 Y 坐标 ( 离程序原点的距离 ),第 2 行以后的基准坐标
以其电路板所在的坐标 ( 离第 1 行的程序原点的距离 ) 来指定。
注意 )修正值角度 0 度以外时,请输入旋转后的 Y 坐标。
修正值角度
设定作为基准的元件角度。
注意 )第 1 行无视这个数值。
0度 : 维持生产程序的角度
90 度 : 对生产程序修正 90 度
180 度 : 对生产程序修正 180 度
270 度 : 对生产程序修正 270 度

6. 编辑程序 PRG-XPF-1.0S
292 XPF 编程手册
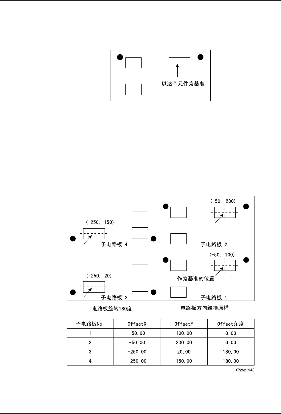
6.4.7 扩展器执行例
将生产程序以电路板全体展开为 4 个子电路板。生产程序原点是电路板右下设定的东西。
1. 决定基准元件。范例中以右上的元件为基准。
2. 设定作为基准的元件的各子电路板内的位置和修正值角度。
3. 按下 [ 展开 ] 按键,展开生产程序。
4. 按下 [ 返回 ] 按键,保存展开的生产程序。
子电路板 1 : 输入到基准元件的原点的距离 (Offset X、Offset Y)。第 1 块子电路
板的 Offset 角度必须为 0。
子电路板 2 : 输入从原点到同一元件的距离 (Offset X、Offset Y)。
子电路板 3,4 : 输入从原点到同一元件的距离 (Offset X、Offset Y)。
此外,由于两块电路板都旋转了 180 度,所以 Offset 角度着定为 180
度。
XP2S2058S

XPF 编程手册
关于 FUJI Internet
Fuji Internet 致力于以最快捷高效的方式为本公司的用户提供即时信息
服务。本网站涵盖了从手册更新、模拟训练到在线技术报告等广泛内容。
Fuji 衷心希望本网站能够在代理店所提供的技术服务之外,作为信息中心
助您一臂之力。
网址: http://www.fuji.co.jp/
如果您是 Fuji Internet 会员,将被允许访问网站中的技术信息部分。欲
了解入会详情, 请与您的代理商联络。
如果您对本手册有任何意见和疑问,敬请发送电子邮件与我们联系。
电子邮件地址: intnetqst@fuji.co.jp
管理号码 发行日期 备注
PRG-XPF-1.0S 2007 年 7 月 2 日
发行
Copyright©2007 by Fuji Machine Manufacturing Co., Ltd.
Printed in Japan