XPF-1.0S编程手册.pdf - 第31页
2. 生产程序概要 PRG-XPF-1.0S 22 XPF 编程手册 备注 )要在所有的机器上共用文件时,请用相同的 NickName。要使每台机器分别拥有文件, 作为记忆装置使用时,请分别设定 NickName。 对应于远程访问的文件如下所示。下述以外的文件种类,按原来的方法保存到 XP 机器 内的硬盘中。 为了收存各个库文件 、 模板文件 、 影像文件 。 请在 F T P 服务器侧创建以下的文件夹 。 (%NickName% 是固…

PRG-XPF-1.0S 2. 生产程序概要
XPF 编程手册 21
2.5.3 关于元件数据 / 定位点数据共有功能的注意事项
元件数据 / 定位点数据共有功能,是能一元化管理散乱的数据的方便的功能。另一方面,因
为在其他生产程序和其他机器上改变了数据,给共有范围内其他的生产程序带来影响,有产
生在生产时不能预期的结果。
譬如,由于在机器 I 的生产中使用的元件 A 的供应者更换,不得不变更元件供应角度
(Direction) 了。在这里如果从 「0」变更到 「2」将元件 A 的 Direction 保存到程序库的
话,参照这个程序库的全部的机器今后读入的元件A的Direction 就成为 「2」。因此就不
适合旧供应者的元件 A,如果其被使用到生产中的话,会造成贴装方向差异和影像处理错
误。
为了避开这样的问题,程序库管理的数据需要在管理范围内保持普遍性。由于有不能保持普
遍性的可能性的数据,在程序库中不管理而仅仅限定在生产程序内的管理就可以回避以上
的情况。
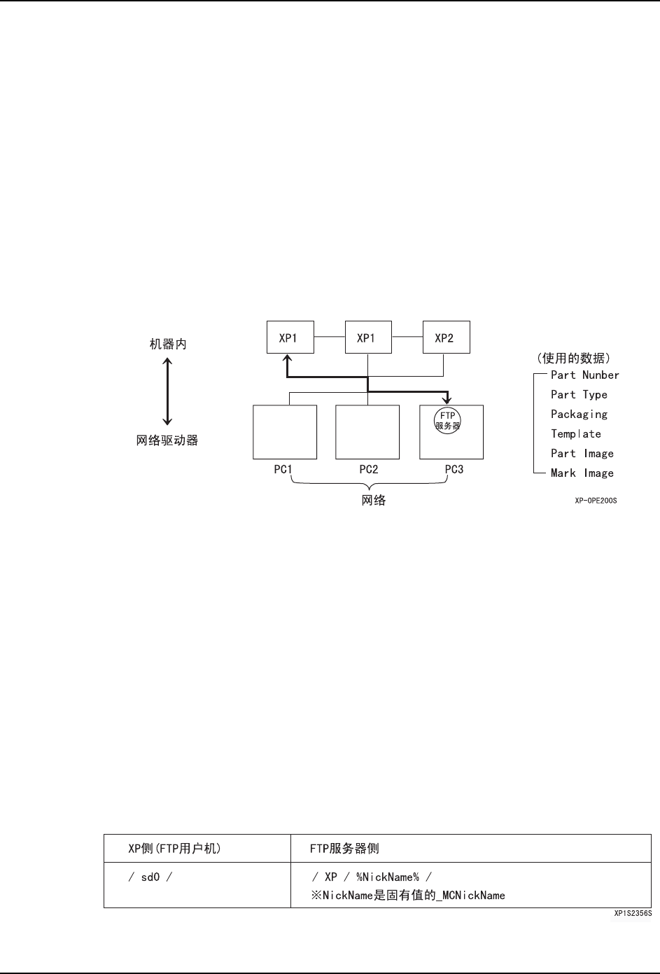
2.5.4 共有数据设定 1 - 使用网络驱动器 (FTP)的时候
注意 )有必要结束网络的设定。网络的设定请垂询网络管理员。
设定方法
使用网络驱动器时,请设定以下的固有值。
·__PCFtpUse:1(1: 使用远程访问,0: 不使用 )
·__PCIpAdr:FTP 服务器的IP地址 (dot 记法 )
·__PCUserName:FTP 帐号 ( 匿名进入的时候 :anonymous)
·__PCPassword:FTP 口令 ( 匿名进入的时候 : 空白 )
·__MCNickName: 机器呢称 ( 最大 31 个字符 )
与机器在网络驱动器间要复制文件,在 [ 文件操作 ] 画面进行。要显示 [ 文件操作 ] 画面,
请从主画面按顺序选择 [ 生产程序 ]、[ 文件操作 ]。
在机器上创建的元件数据与全部的 XPF 机共有的时候,请在 FTP 服务器一侧的用户主目录正
下面准备一定 「XP」的目录。
访问外部的 FTP 服务器时的接口号码是 21( 固定 )。

2. 生产程序概要 PRG-XPF-1.0S
22 XPF 编程手册
备注 )要在所有的机器上共用文件时,请用相同的 NickName。要使每台机器分别拥有文件,
作为记忆装置使用时,请分别设定 NickName。
对应于远程访问的文件如下所示。下述以外的文件种类,按原来的方法保存到 XP 机器
内的硬盘中。
为了收存各个库文件、模板文件、影像文件。请在 FTP 服务器侧创建以下的文件夹。
(%NickName% 是固有值的 __MCNickName)
/ XP / %NickName% / FUJI
/ XP / %NickName% / FUJI / USER
/ XP / %NickName% / FUJI / USER / PARTDATA
/ XP / %NickName% / TEMPLATE
/ XP / %NickName% / IMAGE
/ XP / %NickName% / FMIMAGE /
注意 )%NickName% 以下的文件夹的构成请与 XP 主机硬盘内的文件夹构成相同。
将机器内的文件夹传输到 FTP 服务器侧时,请使用文件操作画面。

PRG-XPF-1.0S 2. 生产程序概要
XPF 编程手册 23
2.5.5 共有数据设定 2 - 使用 Fuji Flexa 数据访问功能时
在 XPF 上,有直接读写 Fuji Flexa Job 的功能。使用这个功能,不仅可以共用元件数据 /
定位点数据,也可以共用 Job。此外,从 Fuji Flexa 的 Job 创建生产程序后有可以保存在
机器中的功能以及从在机器中保存的生产程序反映到 Fuji Flexa Job 上的功能。
以及本机器的型号名的 Job (生产程序)到 XP 机器上 , 将读取的 Job 或者元件 / 定位点数
据进行编辑后重新保存到 Fuji Flexa 上后,不用 Fuji Flexa 操作也可以将编辑结果反映到
其他机器上。数据不仅可以与几台的 XP 机器共有,也可以在与 Fuji Flexa 共有时使用。
使用 Fuji Flexa 数据存取功能的话,能使用 Fuji Flexa 元件数据服务器共有元件数据。同
时,也能共有 Fuji Flexa 的 Job 及元件数据。
注意 )有必要结束网络的设定。网络的设定请垂询网络管理员。
使用 Fuji Flexa 元件数据服务器共有元件数据时。
在使用 Fuji Flexa 元件数据伺服器共有元件数据的时候,请设定以下的固有值。
在机器和 Fuji Flexa 元件数据服务器间要复制文件时,在 [ 文件操作 ] 画面进行。要表示
[ 文件操作 ] 画面,请从主画面顺序选择 [ 生产程序 ]、[ 文件操作 ]。
__FlexaDataShareMode: 1(1: 使用 Fuji Flexa 数据存取功能,0: 不使用 )
__FlexaServerPort: 1024 ~ 65535(Fuji Flexa 的端口号码 )
__FlexaUserServerIpAddr: IP 地 1iop@ 「6 「址 (Fuji Flexa 用户服务器 PC)
__FlexaUserName: 最大 31 个字符 ( 用户名 )
__FlexaPassword: Fuji Flexa 的口令 ( 最大 31 个字符 )