CAN Bus Workshop_Version 03__ 06_2008_DE.pdf - 第149页
CACCIA Handbuch 1 Caccia Bedienungskurzanleitung Ausgabe 04/2007 57 Abb. 1 - 32 A24-Downlo ad → Betätigen Sie unten rechts das Ikon Serial Firmware Download . Das A24-Download-F enster öffnet sich. HINWEIS: Unter Serial …

1 Caccia Bedienungskurzanleitung CACCIA Handbuch
Ausgabe 04/2007
56
Aufbau
Abb. 1 - 31 Verbindung des Service-Laptops mit der Adapterkarte A364
→ Stecken Sie die Adapterkarte auf die entspre-
chende Achskarte.
→ Verbinden Sie den Service-Laptop (1) über die
serielle Schnittstelle V24/RS232 mit der Adap-
terkarte (2).
→ Starten Sie das Programm CACCIA.

CACCIA Handbuch 1 Caccia Bedienungskurzanleitung
Ausgabe 04/2007
57
Abb. 1 - 32 A24-Download
→ Betätigen Sie unten rechts das Ikon
Serial
Firmware Download
.
Das A24-Download-Fenster öffnet sich.
HINWEIS:
Unter
Serial Port Properties
sind
keine Einstellungen notwendig. Die
Standardeinstellungen können
übernommen werden.
Legende
1. Ikon
Serial Firmware Download
2. A24-Download-Dialogfenster
3. Button
Open Serial Port
4. Button
Start

1 Caccia Bedienungskurzanleitung CACCIA Handbuch
Ausgabe 04/2007
58
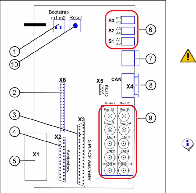
Abb. 1 - 33 Schematische Darstellung der Adapterkarte für die Achs-
karte A364
→ Schalten Sie jetzt an der Adapterkarte den
Bootstrap-Schalter 1 bzw. 2 auf ON.
Siehe (1) – Schalter 1 für die beiden oberen
Achsen (A1, A2) und Schalter 2 für die beiden
unteren Achsen (A3, A4).
ACHTUNG:
Es darf immer nur ein Schalter auf ON
stehen, also Bootstrap-Schalter 1 für
A1/A2 oder Schalter 2 für die Achsen
A3/A4.
→ Betätigen Sie den Reset-Schalter. Beide Pro-
zessoren werden daraufhin zurückgesetzt.
→ Betätigen Sie in CACCIA den Button
Open
Serial Port
und gleich danach den Button
Start
.
HINWEIS:
Das Betätigen des Reset-Schalters
und der Buttons
Open Serial Port
sowie
Start
muss innerhalb von ca.
10 Sekunden erfolgen, da sonst keine
Kommunikation aufgebaut werden
kann.