CAN Bus Workshop_Version 03__ 06_2008_DE.pdf - 第170页
1 Caccia Bedienungskurzanleitung CACCIA Handbuch Ausgabe 04/2007 78 Der Aufbau des One wire Bus ist im BB2 identisch, abhängig der Maschinenkonfiguration (1 oder 2 Portale) . Funktionsbeschreibung: 1 Jedem One Wire Bus w…

CACCIA Handbuch 1 Caccia Bedienungskurzanleitung
Ausgabe 04/2007
77
1.11.1.3 One Wire Bus in der SIPLACE X
Der One Wire Bus wird bei der SIPLACE X Maschine über ein separates CAT5 Kabel vom SUB-
bzw. Maindistributor bis zum Schleppinterface geführt. Vom Schleppinterface bis zum Kopfinter-
face verläuft der 1 Wire Bus im Kabelschlepp. Damit hat sich die Struktur der Kabelverlegung ge-
ändert, aber die Funktion wurde beibehalten.
Abb. 1 - 49 Übersicht One Wire Teilnehmer Bsp. BB1 an der SIPLACE X
Vision
Steuereinheit
Sektor 4
Transport
Steuerung
Axis unit
BB 1
Option: Abfrage Abwurf-
behälter oder Abschluß-
stecker
Achtung: kein CAN-
Abschlußwiderstand
COM Board
E/A SUB Modul
Sektor 4
One W ire Bridge
(T re ib er)
Pipettenwechsler
Hub (Coupler)
Portal 4
B E -T is ch 4
Gurtschneider
Steuerplatine
PPW (C&P20)
Reihe 1
Steuerplatine
PPW (C&P20)
Reihe 2
Schlepp-Interface
Portal 4
Pipettenwechsler
Hub (Coupler)
Portal 1
B E -T is ch 1
Gurtschneider
Steuerplatine
PPW (C&P20)
Reihe 1
Steuerplatine
PPW (C&P20)
Reihe 2
Schlepp-Interface
Portal 1
Temp.sensor
Kopf-
platte
Temp.sensor
Portalerkennung
Option: Abfrage Abwurf-
behälter oder Abschluß-
stecker
Achtung: kein CAN-
Abschlußwiderstand
TQM Modul
(M aster)
RS232
Maschinen CAN Bus
1 W ire CAT5
Portal
Kopfinterface
1 W ire CAT5
Portal
Temp.sensor
Kopf-
platte
Temp.sensor
Portalerkennung
Kopfinterface
1 W ire CAT5
V e rte ile r
24V für die
Pipettenwechsler
1 W ire CAT5 Kabel
1 W ire CAT5 Kabel
1 W ire CAT5 Kabel
1 W ire CAT5 Kabel
1 W ire CAT5 Kabel

1 Caccia Bedienungskurzanleitung CACCIA Handbuch
Ausgabe 04/2007
78
Der Aufbau des One wire Bus ist im BB2 identisch, abhängig der Maschinenkonfiguration (1 oder
2 Portale).
Funktionsbeschreibung: 1
Jedem One Wire Bus wird beim Einschalten der Maschine eine feste CAN ID vergeben.
One Wire im BB1 --> CAN ID: 07d0
One Wire im BB2 --> CAN ID:07c0
Während der Initialisierung des Bussystems meldet sich jeder Teilnehmer am Master an und der
Bus ist betriebsbereit.
Im Ruhezustand beträgt der Spannungspegel auf dem one wire bus 5V.
Eine nochmalige Initialisierung ist über das CACCIA Tool möglich (siehe Kontrolle der Funktionen
und Troubleshooting im Servicefall).
Steckerbelegung Maschinen CAN Bus:
Abb. 1 - 50 Pinbelegung Sub D-Stecker
120
Ohm
CAN Interrupt95
+24V 1-wire-Bus89
Power Fail74
CAN Reset68
GND53
CAN High47
CAN Low32
GND26
1-wire-Bus 11
AderPin
PIN 1 nur bei HF Maschinen

CACCIA Handbuch 1 Caccia Bedienungskurzanleitung
Ausgabe 04/2007
79
Bestandteile des One Wire Bus 1
Baugruppen:
(1) 1 Wire RS232- Bridge auf dem SUB/MAIN Modul (später integriert im E/A Modul)
(2) 1 Wire CAT5 Portal am Schleppinterface (Platine zwischen CAN Bus und Schleppinterface)
(3) 1 Wire CAT5 Verteiler
(4) 1 Wire Hub Pipettenwechsler
(5) Steuerplatine Pipettenwechsler (im PPW integriert, nicht bei DLM Köpfen)
(6) 1 Satz Temperatursensoren (kann nur komplett getauscht werden, da Seriennummer-
abhängig)
(7) Portalerkennung (EEPROM)
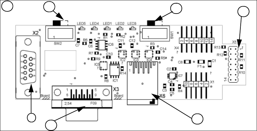
Abb. 1 - 51 1 Wire RS232 Interface (03041578-01)
(1) CAN Bus Interface zum E/A Modul (2) RS 232 Interface
(3) CAN Bus interface zur Maschine (4) Schalter muss je nach Funktionsstand des E/A
Modul stehen
(5) Schalter MA / PC Schalter muss
auf MA (Maschine) stehen
(6) Anschluß CAT5 Kabel
LED 1 PPW 1/3 LED 2 Temperatursensoren
LED 3 PPW 4/2 LED 4 Grün "OK"
LED 5 Grün "Fehler"
4
1
2
3
1
5
6