00197041-04_SM_X-Serie-S_Kunde_DE.pdf - 第174页
6 Portale 6.4 Kabelschlepp und Leiterplatten 174 Serviceanleitung SIPLACE X-Serie S 06/2019 6.4.5 Kopf-Interface tauschen Teile, Hilfsmittel und Werkzeug HINWEIS SIPLACE C&P20 P Wird auf einen SIPLACE C&P20 P umg…

6 Portale
6.4 Kabelschlepp und Leiterplatten
Serviceanleitung SIPLACE X-Serie S 06/2019 173
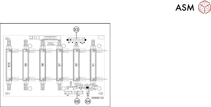
Abb.217: Portal-Interface [03089221-03]
Portal-Interface [03089221-03]:
Dieses Portal-Interface wird an den Porta-
len2 und4 eingesetzt.
X3) Y-Achse Motor-Power
X4) Y-Achse Motor-Temperatursensor
X6) Y-Achse Inkrementalgeber
Ausbau
► Schalten Sie die Maschine aus, trennen Sie diese vom Stromversorgungsnetz und sichern
Sie die Maschine gegen Wiedereinschalten.
1.2 "Was vor Beginn der Arbeiten zu tun ist..." [}16]
► Stecken Sie alle elektrischen Verbindungen zum Portal-Interface ab. Markieren Sie sich ggf.
die Positionen, so dass Sie diese später wieder eindeutig zuordnen können.
► Entfernen Sie die Befestigungsschrauben des Portal-Interface und nehmen Sie es aus der
Maschine.
Einbau
► Verfahren Sie für den Einbau in umgekehrter Reihenfolge.

6 Portale
6.4 Kabelschlepp und Leiterplatten
174 Serviceanleitung SIPLACE X-Serie S 06/2019
6.4.5 Kopf-Interface tauschen
Teile, Hilfsmittel und Werkzeug
HINWEIS
SIPLACE C&P20 P
Wird auf einen SIPLACE C&P20 P umgerüstet, dann müssen folgende Voraussetzungen
erfüllt sein:
► Das Kopf-Interface muss mindestens FS03 haben.
► Der Powercube [03055514-xx] muss mindestens FS02 haben. Kopf-Interfaces ab
FS03 erfüllen diese Voraussetzung.
●
Wählen Sie das passende Kopf-Interface:
Maschinentyp Portal Kopf-Interface
SIPLACE X3 S, X4 S (micron) Alle Modul Kopf-Interface C700X-L HR
[03091013‑xx]
SIPLACE X4i S (micron) 1 und 3
SIPLACE X4i S (micron) 2 und 4 (gedreht) Modul Kopf-Interface C700X-R HR
[03091023‑xx]
●
Ggf. Abdeckblech Kopfplatine kpl. [03108367-xx] oder
Abdeckblech Kopfplatine gedreht kpl. [03108392-xx]
●
Ggf. 2x Leerstecker (Kunststoffabdeckungen) [00368931-xx]
●
Loctite 241 oder 243
Übersicht
Abb.218: Platinen auf dem Portal (bis Gxxxx, ohne GigE)
Abb.219: Platinen auf dem Portal (ab Hxxxx, mit GigE)
1 Vision-Board-Spread-Spectrum / Vision-
Head-Interface (VHI)
2 Kopf-Interface
3 Power-Cube auf dem Kopf-Interface
Ausbau
► Schalten Sie die Maschine aus, trennen Sie diese vom Stromversorgungsnetz und sichern
Sie die Maschine gegen Wiedereinschalten.
1.2 "Was vor Beginn der Arbeiten zu tun ist..." [}16]

6 Portale
6.4 Kabelschlepp und Leiterplatten
Serviceanleitung SIPLACE X-Serie S 06/2019 175
Abb.220: Platinenabdeckung
1. Befestigungsschrauben 5x
2. Wenn vorhanden:
Befestigungsschrauben 2x (mitLoctite)
► Entfernen Sie die Befestigungsschrau-
ben(1).
► Wenn vorhanden: Entfernen Sie die
Befestigungsschrauben(2).
► Nehmen Sie die Platinenabdeckung ab.
VORSICHT!
Um Kurzschlüsse zu vermeiden darf die
Abdeckung nur bei ausgeschalteter
Maschine demontiert werden!
.
► Demontieren Sie das Vision-Board-Spread-Spectrum. Lesen Sie dazu den Abschnitt 6.4.7
"Vision-Board-Spread-Spectrum HCU tauschen" [}180].
► Ziehen Sie alle Stecker am Kopf-Interface ab und entfernen Sie die Kabelbinder. Markieren
Sie sich ggf. deren Positionen, um diese später wieder eindeutig zuordnen bzw. ersetzen zu
können.
► Entfernen Sie die Befestigungsschrauben am Kopf-Interface.
► Nehmen Sie das Kopf-Interface vorsichtig ab. Achten Sie dabei darauf, den Verbindungsste-
cker zum Kopfadapter HCU nicht zu beschädigen.
Einbau
► Übernehmen Sie die Einstellung der DIP-Schalter vom alten Kopf-Interface.
Siehe auch: 6.4.5.1 "Kopf-Interface C700X-L/R HR" [}176]
► Verfahren Sie für den weiteren Einbau in umgekehrter Reihenfolge. Beachten Sie dabei fol-
gende Hinweise:
Abb.221: Leerstecker
► Sichern Sie den Stecker X1(2) am Kopf-
Interface, wenn vorhanden, mit zwei
Leersteckern(1).
VORSICHT!
Ohne die Leerstecker besteht Kurz-
schlussgefahr durch die Platinenabde-
ckung!
.
Abb.222: Platinenabdeckung
1. Befestigungsschrauben 5x
2. Befestigungsschrauben 2x (mitLoctite)
► Sichern Sie die beiden Schrauben(2) an
der Platinenabdeckung mit Loctite 241
oder 243.