KE2040取扱説明書Ver.2.01和文Rev.04.pdf - 第378页
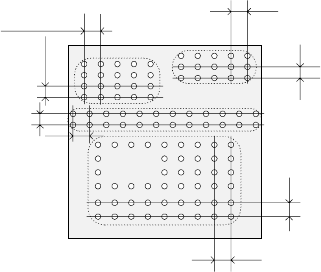
5 - 62 Bottom View 13 24 5 列番号 1234 56 ライン(行)番 号 ①「名前」 ①「名前」 ①「名前」 ①「名前」 エレメントグループには名前をつけて扱います。変更時にはこの名前を指定し編集します。 名前は自動的に連番で付けられます。 ユーザは英数字32文字以内で名前を付け直すことができます。 ・例題ではそのまま自動連番を使用します。 ②「第 ②「第 ②「第 …

5 -
61
5-2-4-4-2. ボール部品類(エレメントグループ/エレメントフォーマット)
ボール部品類(エレメントグループ/エレメントフォーマット)ボール部品類(エレメントグループ/エレメントフォーマット)
ボール部品類(エレメントグループ/エレメントフォーマット)
■ ボール部品類(複合アレイ部品)のデータ作成手順を説明します。
ボール部品類(複合アレイ部品)のデータ作成手順を説明します。ボール部品類(複合アレイ部品)のデータ作成手順を説明します。
ボール部品類(複合アレイ部品)のデータ作成手順を説明します。
1.拡張ビジョン画面
1.拡張ビジョン画面1.拡張ビジョン画面
1.拡張ビジョン画面
・「部品種別」でボール部品類を選択します。
・「データフォーマット定義」でエレメントグループ/エレメントフォーマットを選択し
ます。
・「エレメントグループ一覧」で追加を選択します。
2.エレメントグループ画面
2.エレメントグループ画面2.エレメントグループ画面
2.エレメントグループ画面
エレメントグループ(EG)を定義します。
エレメントグループは同じサイズ、同じピッチのリード集まりで構成します。
複合アレイ部品とは、サイズが異なるか、異なるピッチのボール/ランドを持つエリアア
レイ部品のことを指します。
同一電極であっても、ピッチが異なるものはEGエレメントグループ、リージョンとして
は別に設定しなければなりません。同一電極とは同じ大きさで、同じ形状の電極の事で
す。
(図
(図(図
(図5
55
5-
--
-2
22
2-
--
-4
44
4-
--
-4
44
4-
--
-11
1111
11)
))
)に例題として4つのエレメントグループ(EG)で構成される複合アレイ
部品を載せます。
●
この部品でデータ作成手順を説明
この部品でデータ作成手順を説明この部品でデータ作成手順を説明
この部品でデータ作成手順を説明します
しますします
します。
。。
。
第2,3エレメントグループは同じサイズで同じピッチの配列ですが、お互いの列がずれて
配置されているので別エレメントグループとなります。
複合アレイ部品の姿勢はエリアアレイ部品BGA、FBGAと同様にBottom View裏を基本と
します。
図
図図
図5-2-4-4-11.
(図
(図(図
(図5
55
5-
--
-2
22
2-
--
-4
44
4-
--
-4
44
4-
--
-12
1212
12)
))
)のように、一部千鳥配列がある場合は、2つの正方格子配列のグループ
に分けて定義します。
図
図図
図5-2-4-4-12.
Bottom View
第 3 エレメントグループ
第 4 エレメントグループ
第 2 エレメントグループ
第 1 エレメントグループ
エレメントグループ 1
エレメントグループ 2

5 -
62
Bottom View
13245
列番号
123456
ライン(行)番号
①「名前」
①「名前」①「名前」
①「名前」
エレメントグループには名前をつけて扱います。変更時にはこの名前を指定し編集します。
名前は自動的に連番で付けられます。
ユーザは英数字32文字以内で名前を付け直すことができます。
・例題ではそのまま自動連番を使用します。
②「第
②「第②「第
②「第
エレメントの配置」
エレメントの配置」エレメントの配置」
エレメントの配置」
エレメントグループの配置は、エレメントグループの位置(X,Y)と向き(θ)で指定します。
エレメントグループの位置は、部品中心位置からの距離(オフセット)として指定します。
通常、部品中心位置は外形中心位置と同じと考えて下さい。
・ 生産プログラムの搭載データの搭載座標が部品外形中心位置を基点としていない場合、基点
とする部品中心位置を外形中心位置とは異なる座標に設定することが可能です。
(図
(図(図
(図5
55
5-
--
-2
22
2-
--
-4
44
4-
--
-4
44
4-
--
-13
1313
13)
))
)は、部品外形中心位置を部品中心位置とした場合です。
図
図図
図5-2-4-4-13.
◆ 位置は正確には、部品中心から第エレメントまでの距離
(オフセット)となります。
エレメントグループの向き角度は基本的に0°です。
(図
(図(図
(図5
55
5-
--
-2
22
2-
--
-4
44
4-
--
-4
44
4-
--
-14
1414
14)
))
)にライン行と列の関係を示します。
第ボール、ランドエレメントは最左下隅のボール、
ランドエレメントの座標となります。
・ この配置は標準外周BGA部品の指定と異なります。
図
図図
図5
55
5-
--
-2
22
2-
--
-4
44
4-
--
-4
44
4-
--
-14.
14.14.
14.
◆
◆◆
◆
(図
(図(図
(図5
55
5-
--
-2
22
2-
--
-4
44
4-
--
-4
44
4-
--
-15
1515
15)
))
)は例題の部品での第ボール、ランド エレメント位置を示したもの
です。ボール、ランド エレメントの場合、部品中心位置から見た第ボール、ランド
の中心位置が第ボール、ランド エレメント座標となります。
図
図図
図5
55
5-
--
-2
22
2-
--
-4
44
4-
--
-4
44
4-
--
-15.
15.15.
15.
Bottom View
部品中心位置
(外形中心位置)
Bottom View
部品中心位置
(外形中心位置)

5 -
63
③「第一エレメンントの配置」で、例題が第
③「第一エレメンントの配置」で、例題が第③「第一エレメンントの配置」で、例題が第
③「第一エレメンントの配置」で、例題が第1
11
1リードの先端位置が(−
リードの先端位置が(−リードの先端位置が(−
リードの先端位置が(−6.0mm
6.0mm6.0mm
6.0mm、−
、−、−
、−5.0mm
5.0mm5.0mm
5.0mm)の場合
)の場合)の場合
)の場合、
X オフセット: -6.0
Y オフセット: -5.0
Z オフセット: 0 (使用せず)
θオフセット: 0
と入力します。
・トレランスは、通常 “0(ゼロ)” に設定します。
● 次にエレメントグループの配列を
次にエレメントグループの配列を次にエレメントグループの配列を
次にエレメントグループの配列を設定
設定設定
設定します。
します。します。
します。
配列データには、次元(ディメンジョン)と列・行のピッチ、数があります。
④
④④
④「ディメンション」
「ディメンション」「ディメンション」
「ディメンション」
ボール/ランドエレメントの場合は次元となるので、「ディメンジョン」で2Dを選択し
ます。
(注)1列、1行のみの配列でも2次元を指定します。
◆各エレメントグループのピッチを(図
(図(図
(図5
55
5-
--
-2
22
2-
--
-4
44
4-
--
-4
44
4-
--
-3
33
3)
))
)に示します。
・例題の部品では第エレメントグループは9列なので、「列」の「数:9」と入力します。
(注)1行のみの配列の時は、“1”を入力します。
・ピッチが1.5mmとすると「列」の「ピッチ:1.5」と入力します。
(注)1行のみの配列の時は、同じ1.5を入力します。
・トレランスは、通常“0(ゼロ)” に設定します。
・また行は、例題の部品では第エレメントグループは6行なので、「列」の「数:6」と入
力します。
(注)1列のみの配列の時は、1を入力します。
・ピッチが1.27mmとすると、「列」の「ピッチ:1.27」と入力します。
(注)1行のみの配列の時は、同じ1.27を入力します。
・トレランスは、通常“0(ゼロ)” に設定します。
◆各エレメントグループのピッチを(図
(図(図
(図5
55
5-
--
-2
22
2-
--
-4
44
4-
--
-4
44
4-
--
-16
1616
16)
))
)に示します。
図
図図
図5
55
5-
--
-2
22
2-
--
-4
44
4-
--
-4
44
4-
--
-16
1616
16.
..
.
Bottom View
第 2 エレメントグループ
行ピッチ
第 2 エレメントグループ
列ピッチ
第 3 エレメントグループ
列ピッチ
第 3 エレメントグループ
行ピッチ
第 1 エレメントグループ
列ピッチ
第 1 エレメントグループ
行ピッチ
第 4 エレメントグループ
列ピッチ
第 4 エレメントグループ
行ピッチ